Обозначение: | Серия 1.020-1 |
Обозначение англ: | Series 1.020-1 |
Статус: | заменен |
Название рус.: | Выпуск 5-12. Трехслойные навесные и самонесущие панели наружных стен из тяжелого бетона на гибких связях с эффективным утеплителем. Арматурные изделия. Рабочие чертежи |
Дата добавления в базу: | 01.09.2013 |
Дата актуализации: | 05.05.2017 |
Дата введения: | 01.10.1984 |
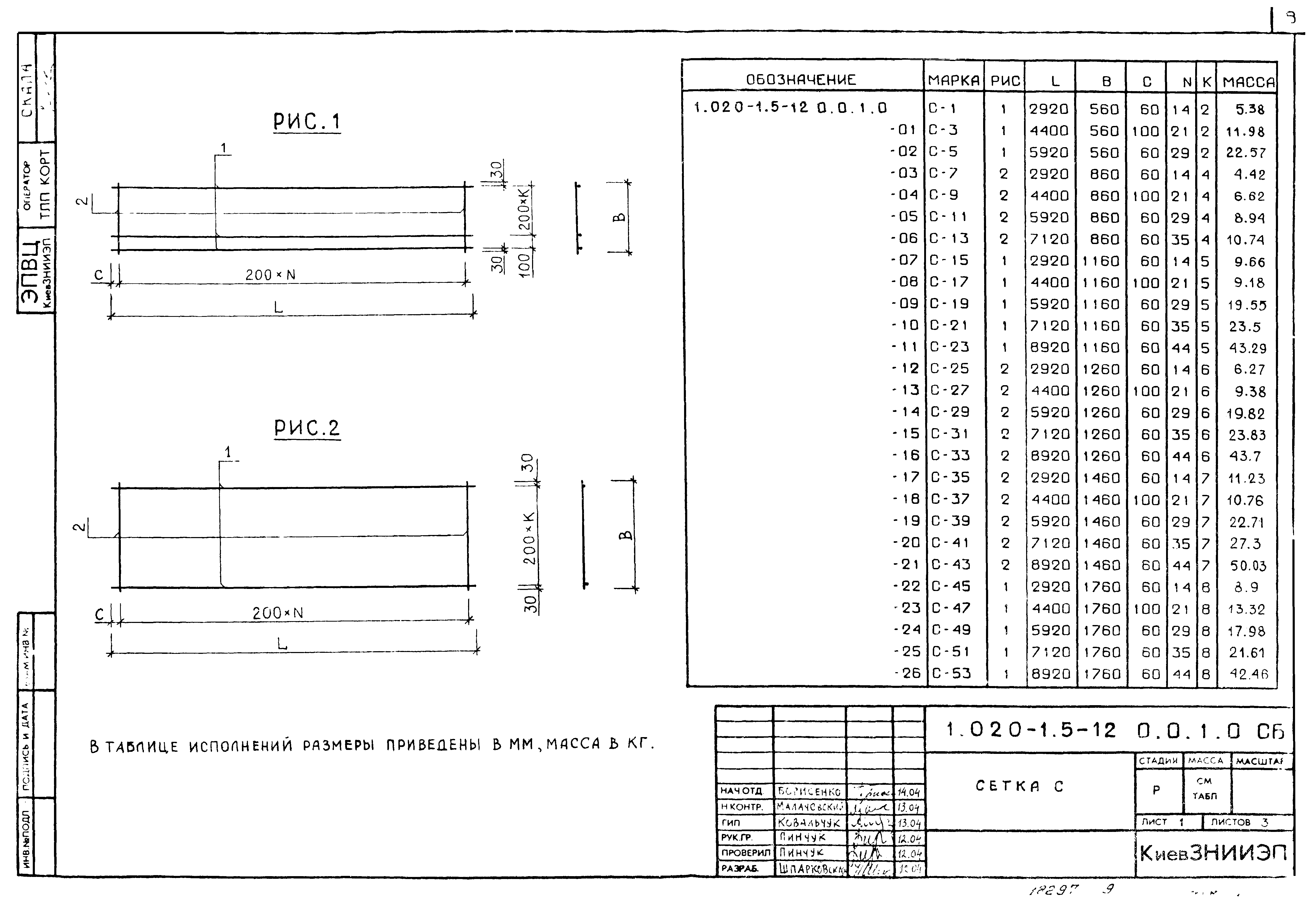
Оглавление: | 1.020-1.5-12.0.0.0.0ПЗ Пояснительная записка 1.020-1.5-12.0.0.1.0 Сетка С 1.020-1.5-12.0.0.2.0 Сетка С 1.020-1.5-12.0.0.3.0 Сетка С 1.020-1.5-12.0.0.4.0 Сетка С 1.020-1.5-12.0.0.5.0 Сетка С 1.020-1.5-12.0.0.6.0 Сетка С 1.020-1.5-12.0.0.7.0 Изделие закладное МН 1.020-1.5-12.0.0.8.0 Петля П 1.020-1.5-12.0.0.0.1 Стержень гнутый ГС 1.020-1.5-12.0.0.0.2 Стержень гнутый СГ |
Разработан: | НИИЖБ Госстроя СССР КиевЗНИИЭП ЦНИИЭП торгово-бытовых зданий и туристских комплексов
|
Утверждён: | 26.08.1982 Госгражданстрой (Gosgrazhdanstroy 234)
|
Расположен в: |
|
Заменяет собой: | |
Чем заменён: | |