Скачать Типовой проект 902-1-90.84 Альбом III. Архитектурно-строительные решения. Надземная часть. Общие чертежи, узлы и детали (из ТП 902-1-84.84)Дата актуализации: 10.08.2017 Типовой проект 902-1-90.84
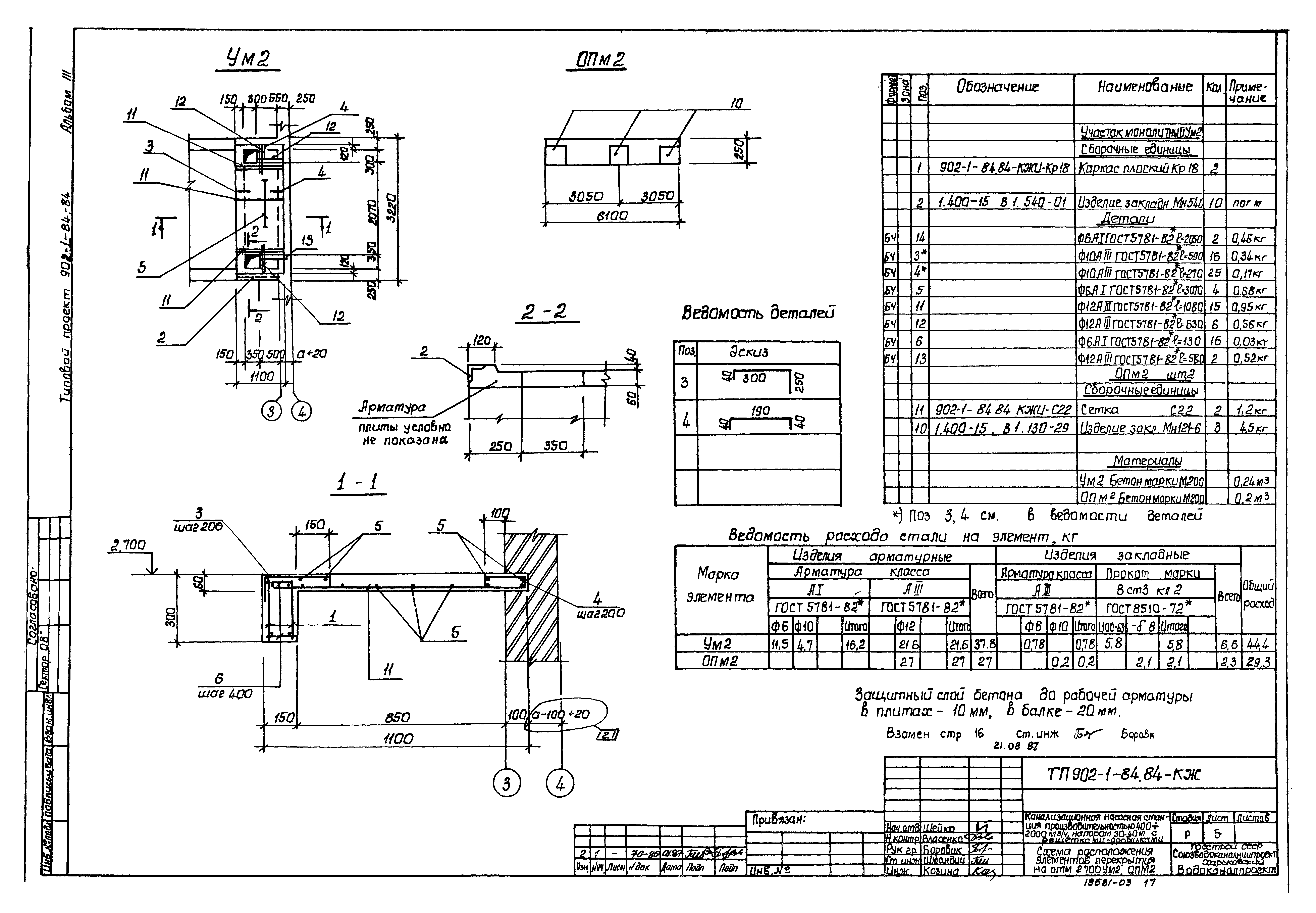
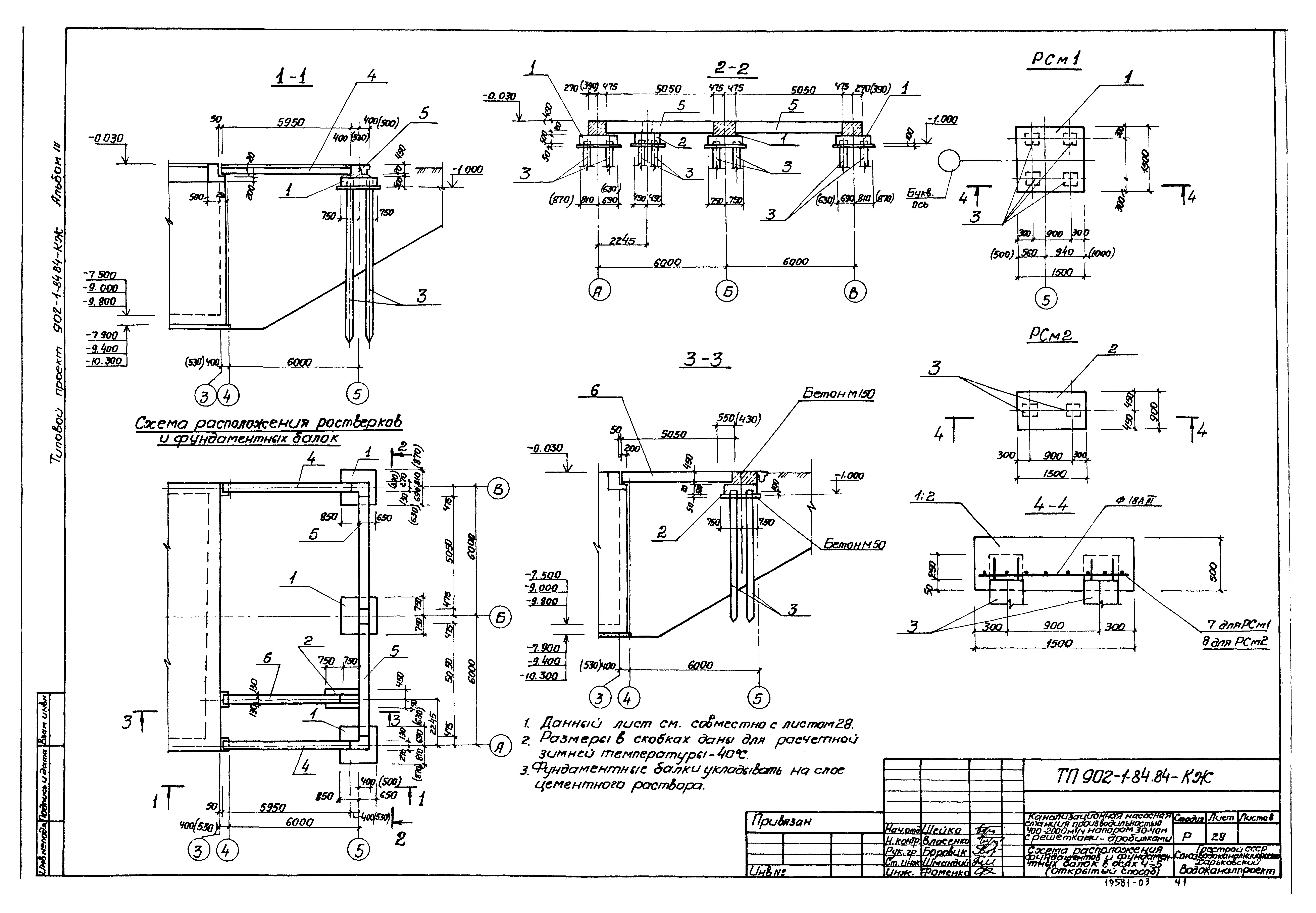
Альбом III. Архитектурно-строительные решения. Надземная часть. Общие чертежи, узлы и детали (из ТП 902-1-84.84)Обозначение: | Типовой проект 902-1-90.84 | Обозначение англ: | 902-1-90.84 | Статус: | действует | Название рус.: | Альбом III. Архитектурно-строительные решения. Надземная часть. Общие чертежи, узлы и детали (из ТП 902-1-84.84) | Дата добавления в базу: | 01.09.2013 | Дата актуализации: | 05.05.2017 | Дата введения: | 18.04.1984 | Оглавление: | Содержание альбома Основной комплект марки АР Общие данные План на отм. 0.000 Разрезы. Ведомость отделки помещений Фасады. Схемы расположения элементов заполнения оконных проемов План кровли. Планы полов. Экспликация полов План вентиляционных отверстий. Развертки стен венткамеры. Узлы План раскладки закладных для крепления электрокабеля. Развертки стен Детали 1-9 Детали 10-20 Основной комплект КЖ Общие данные Схема расположения и конструкция фундаментов под оборудование и опор ФОМ1,ФОМ2,ФОМ3,ОПМ1 Схема расположения элементов покрытия. Сечение Схема расположения элементов перекрытия на отм. 2.700 УМ1,ОПМ1 Схема расположения элементов перекрытия на отм. 2.700 УМ2,ОПМ2 Схема расположения опорных блоков и форшахты ФШМ1 (вариант подземной части - опускной колодец) Схема расположения форшахты ФШМ1,ФШМ2 (вариант подземной части - стена в грунте) РКМ1. Схема расположения. Сечения 1-1-6-6 РКМ1. Спецификация (tº=-20ºС,-30ºС, начало) РКМ1. Спецификация (tº=-20ºС,-30ºС, продолжение) РКМ1. Спецификация (tº=-20ºС,-30ºС, окончание) РКМ1. Спецификация (tº=-40ºС, начало) РКМ1. Спецификация (tº=-40ºС, продолжение) РКМ1. Спецификация (tº=-40ºС, окончание) ПМ1. Схема армирования. Сечение 1-1 ПМ1. Схема армирования. Разрезы 2-2-6-6 ПМ1. Схема армирования. Сечения 7-7-10-10. Узлы 1,2 ПМ1. Схема армирования. Сечения 11-11-15-15 РКМ1. ПМ1. Балка БМ12. Схема армирования. Сечения 16-16-18-18 РКМ1. БМ1,БМ1А. Схема армирования (t=-20ºС,-30ºС) РКМ1. БМ1,БМ1А. Схема армирования (t=-20ºС) РКМ1. БМ2,БМ2А. Схема армирования (t=-20ºС,-30ºС) РКМ1. БМ2,БМ2А. Схема армирования (t=-40ºС) РКМ1. БМ3,БМ4,БМ5,БМ8. Схема армирования балок РКМ1. БМ7,БМ9,БМ10. Схема армирования балок ОКМ1. Опорное кольцо. Общий вид ОКМ1. Опорное кольцо. Схема армирования ОКМ1. Опорное кольцо. Схема армирования. Узлы 1,2 Схема расположения фундаментов и фундаментных балок между осями 4-5 (открытый способ) Спецификация к схеме расположения фундаментов и фундаментных балок между осями 4-5 (открытый способ) Схема расположения фундаментов и фундаментных балок между осями 4-5 (опускной способ и "стена в грунте") Детали гидроизоляции. Установка дренажного приямка КТП. Схема расположения каналов КТП. Спецификация к схеме расположения каналов Основной комплект КМ Общие данные (начало) Общие данные (продолжение) Общие данные (окончание) Схема расположения путей подвесного транспорта на отм. 4.400. Узлы 1,4. Сечения 1-1-6-6 Схема расположения путей подвесного транспорта на отм. 4.400. Узлы 2,3. Сечения 7-7-9-9 Схема расположения путей подвесного транспорта на отм. 0.970 Схема расположения площадки на отм. -3.155;-4.655;-5.455. Узлы 1,2,4. Сечения Схема расположения ограждения и стремянки на отм. 0.000 Схема расположения пожарной лестницы Л1. Узлы 1,2. Сечения 1-1-3-3 | Разработан: | Харьковский Водоканалпроект
| Утверждён: | 27.10.1983 СоюзводоканалНИИпроект (SoyuzvodokanalNIIproject 59)
| Расположен в: |
|
                                                     
|