Скачать Типовой проект 902-1-74.83 Альбом VII. Электрооборудование, автоматизация и технологический контроль (из ТП 902-1-70.83)Дата актуализации: 10.08.2017 Типовой проект 902-1-74.83
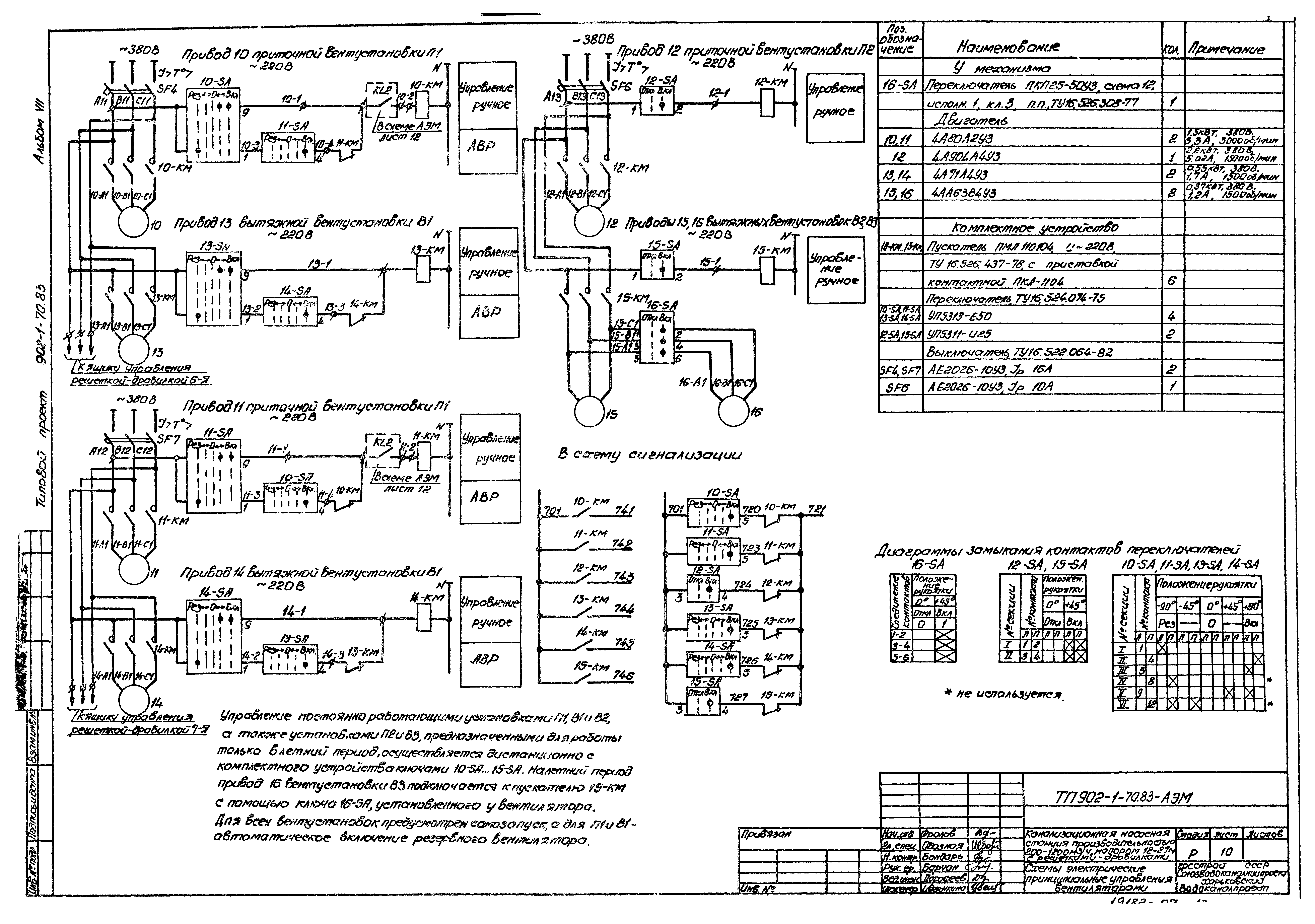
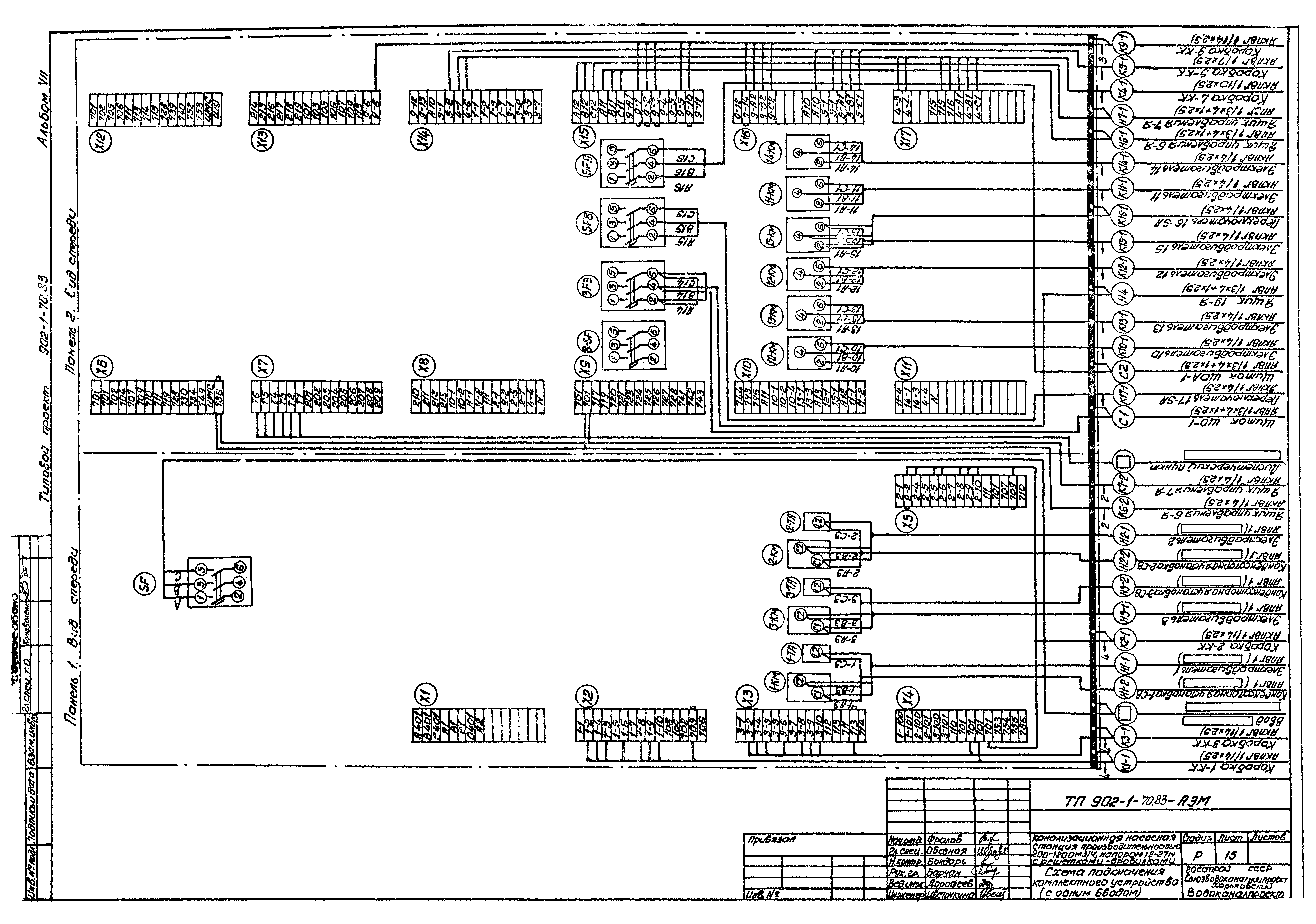
Альбом VII. Электрооборудование, автоматизация и технологический контроль (из ТП 902-1-70.83)Обозначение: | Типовой проект 902-1-74.83 | Обозначение англ: | 902-1-74.83 | Статус: | действует | Название рус.: | Альбом VII. Электрооборудование, автоматизация и технологический контроль (из ТП 902-1-70.83) | Дата добавления в базу: | 01.09.2013 | Дата актуализации: | 05.05.2017 | Дата введения: | 28.10.1983 | Оглавление: | Содержание альбома Основной комплект марки АЭМ Общие данные (начало) Общие данные (окончание) Схема электрическая принципиальная однолинейная распределительной сети ~380/220 В (с двумя вводами) Схемы электрические принципиальные однолинейная распределительной сети ~380/220 В и учета электроэнергии (с одним вводом) (начало) Схемы электрические принципиальные однолинейная распределительной сети ~380/220 В и учета электроэнергии (с одним вводом) (окончание) Схемы электрические принципиальные переключения 3 секции, АВР оперативного тока и учета электроэнергии (с двумя вводами) Схема электрическая принципиальная управления насосами перекачки стоков Схема электрическая принципиальная управления задвижкой на подводящем коллекторе Схемы электрические принципиальные управления насосом гидроуплотнения, дренажным насосом и решетками-дробилками Схемы электрические принципиальные управления вентиляторами Схема электрическая принципиальная контроля уровней Схема электрическая принципиальная сигнализации Схема подключения электрооборудования Схема подключения комплектного устройства (с двумя вводами) Схема подключения комплектного устройства (с одним вводом) Кабельный журнал План расположения электрооборудования. Прокладка кабелей (начало) План расположения электрооборудования. Прокладка кабелей (продолжение) План расположения электрооборудования. Прокладка кабелей (окончание) Электроосвещение Зануление Комплектные устройства. Общие виды. Перечень надписей (чертеж для справок) Задание МЭЗ марки АЭМ.ЗМ Ведомость объемов электромонтажных и строительных работ марки АЭМВР Задание заводу-изготовителю марки АЭМ.ЗЗИ Ящик 6-Я(7-Я). Технические данные аппаратов Ящик 6-Я(7-Я). Чертеж общего вида Ящик 6-Я(7-Я). Схема электрическая соединений Ящик 6-Я(7-Я). Таблица перечня надписей Основной комплект марки ЭА Общие данные Схема функциональная технологического контроля Расположение средств автоматизации и проводок. Монтажный чертеж (начало) Расположение средств автоматизации и проводок. Монтажный чертеж (окончание) Статив датчиков ст. 2. Монтажный чертеж Статив датчиков ст. 1. Монтажный чертеж Кронштейн. Монтажный чертеж Стойка. Монтажный чертеж Ведомость объемов электромонтажных и строительных работ марки ЭАВР | Разработан: | Харьковский Водоканалпроект
| Утверждён: | 27.06.1983 СоюзводоканалНИИпроект (SoyuzvodokanalNIIproject 32)
| Расположен в: |
|
                              
|