| ||||||||||||||||||||||||||
Скачать Типовые материалы для проектирования 407-03-491.88 Альбом 2. Электротехническая часть. ОРУ с расположением оборудования в один рядДата актуализации: 10.08.2017
|
| Обозначение: | Типовые материалы для проектирования 407-03-491.88 |
| Обозначение англ: | 407-03-491.88 |
| Статус: | cправочные материалы, мп, тпр |
| Название рус.: | Альбом 2. Электротехническая часть. ОРУ с расположением оборудования в один ряд |
| Дата добавления в базу: | 01.09.2013 |
| Дата актуализации: | 05.05.2017 |
| Дата введения: | 26.03.1988 |
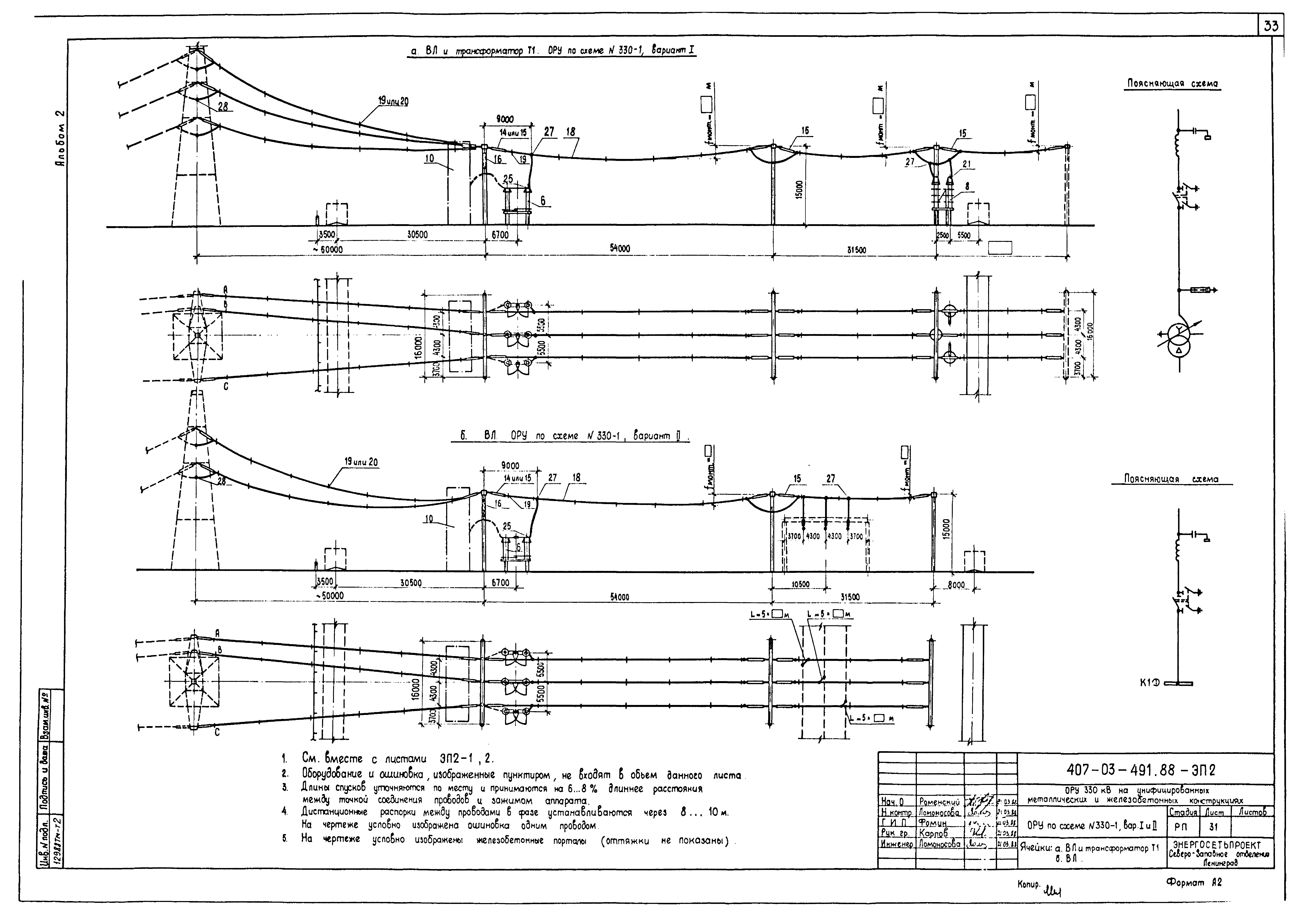
| Оглавление: | 407-03-491.88-ЭП2 Электрические чертежи с расположением оборудования в один ряд Титульный лист Содержание альбома Общие указания ОРУ по схеме № 330-1. Вариант 1. План, схема заполнения ОРУ по схеме № 330-1. Вариант 2. План, схема заполнения ОРУ по схеме № 330-7. План и схема заполнения Спецификация оборудования и материалов к листу ЭП2-3 (начало) Спецификация оборудования и материалов к листу ЭП2-3 (окончание) ОРУ по схеме № 330-15. План и схема заполнения Спецификация оборудования и материалов к листу ЭП2-6 (начало) Спецификация оборудования и материалов к листу ЭП2-6 (окончание) ОРУ по схеме № 330-16. План и схема заполнения Спецификация оборудования и материалов к листу ЭП2-9 (начало) Спецификация оборудования и материалов к листу ЭП2-9 (окончание) ОРУ по схеме № 330-17. План и схема заполнения Спецификация оборудования и материалов к листу ЭП2-12 (начало) Спецификация оборудования и материалов к листу ЭП2-12 (окончание) Узел установки разрядника РВМК-330ПУ1 на ВЛ Перемычка с выключателем Узел выключателя ВВДМ-330Б-50/3150У1 с трансформаторами тока ТФРМ-330Б-У1 и ТФУМ-330А-У1 Спецификация оборудования и материалов к листу ЭП2-17 Узел выключателя ВНВ-330Б с трансформаторами тока ТФРМ-330Б-У1 и ТФУМ-330А-У1 Спецификация оборудования и материалов к листу ЭП2-19 Узел выключателя ВВ-330Б-31,5/2000У1 с трансформаторами тока ТФРМ-330Б-У1 и ТФУМ-330А-У1 Спецификация оборудования и материалов к листу ЭП2-21 Узел аппаратов ВЧ связи. Вариант 1 Спецификация оборудования и материалов к листу ЭП2-23 Узел аппаратов ВЧ связи. Вариант 2 Спецификация оборудования и материалов к листу ЭП2-25 Узел аппаратов ВЧ связи. Вариант 3 Спецификация оборудования и материалов к листу ЭП2-27 Узел аппаратов ВЧ связи. Вариант 4 Спецификация оборудования и материалов к листу ЭП2-29 ОРУ по схеме № 330-1. Вар. 1 и 2. Ячейки а. ВЛ и трансформатор Т1;бВЛ ОРУ по схемам № 330-1,7. Ячейки а. Перемычка от шин К2Д,б. Трансформатор Т1 ОРУ по схемам № 330-7,15. Ячейки а. Перемычка от шин К2Д,б. Трансформатор ВЛ ОРУ по схемам № 330-7,16,17. Ячейки а. Перемычка от шин К1Д,б. Трансформатор Т1(Т2) ОРУ по схемам № 330-7,15,16. Ячейки а. Трансформатор Т2, б. Перемычка от шин К1Д и трансформатор Т1 ОРУ по схемам № 330-15,16. Ячейки а. ВЛ и трансформатор Т1, б. Перемычка от шин К2Д и шинные аппараты от К2Д ОРУ по схемам № 330-15,16,17. Ячейки а. Перемычка от шин К2Д, б. Перемычка от шин К1Д и шинные аппараты от К1Д ОРУ по схемам № 330-16,17. Ячейки а. ВЛ, б. Перемычка от шин К2Д и шинные аппараты от К2Д ОРУ по схемам № 330-1,7. Сборные шины ОРУ по схемам № 330-15. Сборные шины ОРУ по схемам № 330-16. Сборные шины ОРУ по схемам № 330-17. Сборные шины ОРУ по схемам № 330-7. Размещение стационарных экранирующих устройств ОРУ по схемам № 330-15. Размещение стационарных экранирующих устройств ОРУ по схемам № 330-16. Размещение стационарных экранирующих устройств ОРУ по схемам № 330-17. Размещение стационарных экранирующих устройств Узлы присоединения проводов к выводам разъединителей РД3-330 кВ 407-03-491.88-ЭПСО2 Сводная спецификация оборудования 330 кВ |
| Разработан: | Северо-западное отделение института Энергосетьпроект |
| Утверждён: | 26.03.1988 Минэнерго СССР (USSR Minenergo 24) |
| Расположен в: |





















































