| ||||||||||||||||||||||||
Скачать Типовые материалы для проектирования 407-03-591.90 Альбом 1. Пояснительная записка. Электротехнические чертежиДата актуализации: 10.08.2017
|
| Обозначение: | Типовые материалы для проектирования 407-03-591.90 |
| Обозначение англ: | 407-03-591.90 |
| Статус: | cправочные материалы, мп, тпр |
| Название рус.: | Альбом 1. Пояснительная записка. Электротехнические чертежи |
| Дата добавления в базу: | 01.09.2013 |
| Дата актуализации: | 05.05.2017 |
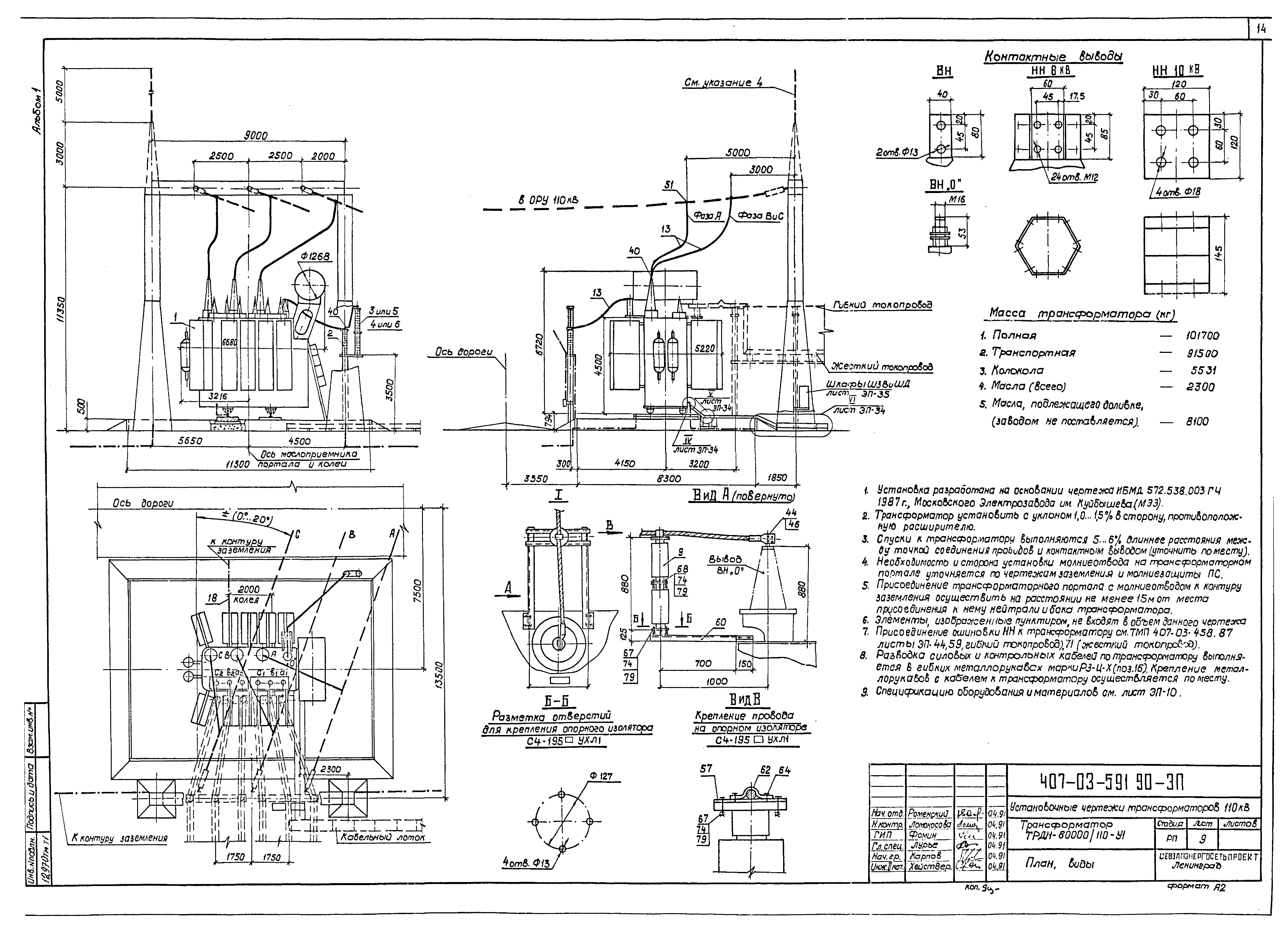
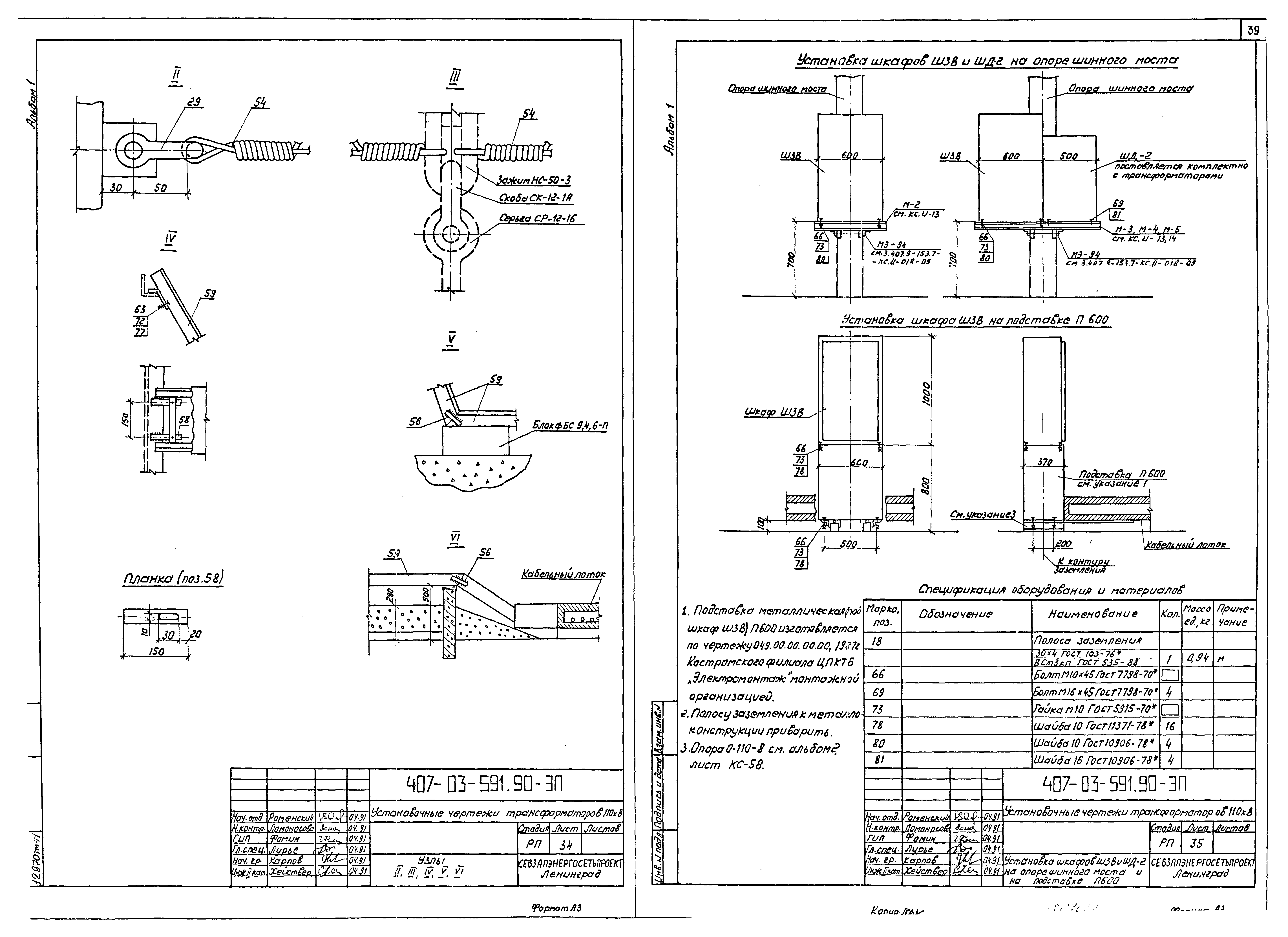
| Оглавление: | 407-03-591.90-ПЗ Пояснительная записка 407-03-591.90-ЭП Электротехнические чертежи Трансформатор ТМН-2500/110-У1. План, виды Трансформатор ТМН-6300/110-У1. План, виды Трансформатор ТДН-10000/110-У1. План, виды Трансформатор ТДН-16000/110-У1. План, виды Трансформатор ТРДН-25000/110-У1. План, виды Спецификация оборудования и материалов к листам ЭП-1...5 Трансформатор ТРДН-40000/110-У1. План, виды Трансформатор ТРДН-63000/110-У1. План, виды Трансформатор ТРДН-80000/110-У1. План, виды Спецификация оборудования и материалов к листам ЭП-7,8,9 Трансформатор ТМТН-6300/110-У1. План, виды. Вариант с выводом ошиновки СН под углом 0º...20º Трансформатор ТМТН-6300/110-У1. План, виды. Вариант с выводом ошиновки СН под углом 70º...90º на ячейковых порталах 35 кВ Трансформатор ТМТН-6300/110-У1. План, виды. Вариант с выводом ошиновки СН под углом 70º...90º на одностоечных опорах 35 кВ Трансформатор ТДТН-10000/110-У1. План, виды. Вариант с выводом ошиновки СН под углом 0º...20º Трансформатор ТДТН-10000/110-У1. План, виды. Вариант с выводом ошиновки СН под углом 70º...90º на ячейковых порталах 35 кВ Трансформатор ТДТН-10000/110-У1. План, виды. Вариант с выводом ошиновки СН под углом 70º...90º на одностоечных опорах 35 кВ Трансформатор ТДТН-16000/110-У1. План, виды. Вариант с выводом ошиновки СН под углом 0º...20º Трансформатор ТДТН-16000/110-У1. План, виды. Вариант с выводом ошиновки СН под углом 70º...90º на ячейковых порталах 35 кВ Трансформатор ТДТН-16000/110-У1. План, виды. Вариант с выводом ошиновки СН под углом 70º...90º на одностоечных опорах 35 кВ Трансформатор ТДТН-25000/110-У1. План, виды. Вариант с выводом ошиновки СН под углом 0º...20º Трансформатор ТДТН-25000/110-У1. План, виды. Вариант с выводом ошиновки СН под углом 70º...90º на ячейковых порталах 35 кВ Трансформатор ТДТН-25000/110-У1. План, виды. Вариант с выводом ошиновки СН под углом 70º...90º на одностоечных опорах 35 кВ Трансформатор ТДТН-40000/110-У1. План, виды. Вариант с выводом ошиновки СН под углом 0º...20º Трансформатор ТДТН-40000/110-У1. План, виды. Вариант с выводом ошиновки СН под углом 70º...90º на ячейковых порталах 35 кВ Трансформатор ТДТН-40000/110-У1. План, виды. Вариант с выводом ошиновки СН под углом 70º...90º на одностоечных опорах 35 кВ Трансформатор ТДТН-63000/110-У1. План, виды. Вариант с выводом ошиновки СН под углом 0º...20º Трансформатор ТДТН-63000/110-У1. План, виды. Вариант с выводом ошиновки СН под углом 70º...90º на ячейковых порталах 35 кВ Трансформатор ТДТН-63000/110-У1. План, виды. Вариант с выводом ошиновки СН под углом 70º...90º на одностоечных опорах 35 кВ Трансформатор ТДТН-80000/110-У1. План, виды. Вариант с выводом ошиновки СН под углом 0º...20º Трансформатор ТДТН-80000/110-У1. План, виды. Вариант с выводом ошиновки СН под углом 70º...90º на ячейковых порталах 35 кВ Трансформатор ТДТН-80000/110-У1. План, виды. Вариант с выводом ошиновки СН под углом 70º...90º на одностоечных опорах 35 кВ Спецификация оборудования и материалов к листам ЭП-11,14,17,20,23,26,29 Спецификация оборудования и материалов к листам ЭП-12,13,15,16,18,19,21,22,24,25,27,28,30,31 Узлы 2,3,4,5,6 Установка шкафов Ш3В и ШД-2 на опоре шинного моста и на подставке П600 Взаимное расположение двух трансформаторов и ремонтных площадок. План Пример размещения оборудования на ремонтных площадках. План Установка однополюсного заземлителя ЗОН-110м-IIУХЛ с разрядниками РВМ или РВС. Вариант 1 Установка однополюсного заземлителя ЗОН-110м-IIУХЛ с разрядниками РВМ или РВС. Вариант 2 Установка разрядников РВС-35 и шкафа ШЗВ на опоре 0-110-5 Установка разрядников РВС-35 и шкафа ШЗВ и ШД-2 на опорах 0-110-6,7 Гирлянда изоляторов ПС70-Д поддерживающая одноцепная для одного провода Гирлянда изоляторов ПС70-Д поддерживающая одноцепная для двух проводов Гирлянда изоляторов ПС70-Д поддерживающая одноцепная с удлинительным тросом для одного провода Гирлянда изоляторов ПС70-Д поддерживающая одноцепная с удлинительным тросом для двух проводов 407-03-591.90-ЭП.И. Электротехнические изделия Кронштейны К-1,К-2 Скоба С-1 Планка опорная П-1 Планка П-2 407-03-591.90-ЭП.СО. Спецификация оборудования |
| Разработан: | Севзапэнергосетьпроект |
| Утверждён: | 01.04.1991 Минэнерго СССР (USSR Minenergo 5) |
| Расположен в: |






















































