Информационная система
«Ёшкин Кот»

Скачать базу одним архивом
Скачать обновления
История создания базы
Карта сайта

Скачать Серия 1.412-1 Выпуск 1-2. Материалы для проектирования. Чертежи фундаментов

Дата актуализации: 10.08.2017

Серия 1.412-1

Выпуск 1-2. Материалы для проектирования. Чертежи фундаментов

Обозначение: Серия 1.412-1
Обозначение англ: Series 1.412-1
Статус:заменен
Название рус.:Выпуск 1-2. Материалы для проектирования. Чертежи фундаментов
Дата добавления в базу:01.09.2013
Дата актуализации:05.05.2017
Дата введения:01.07.1978
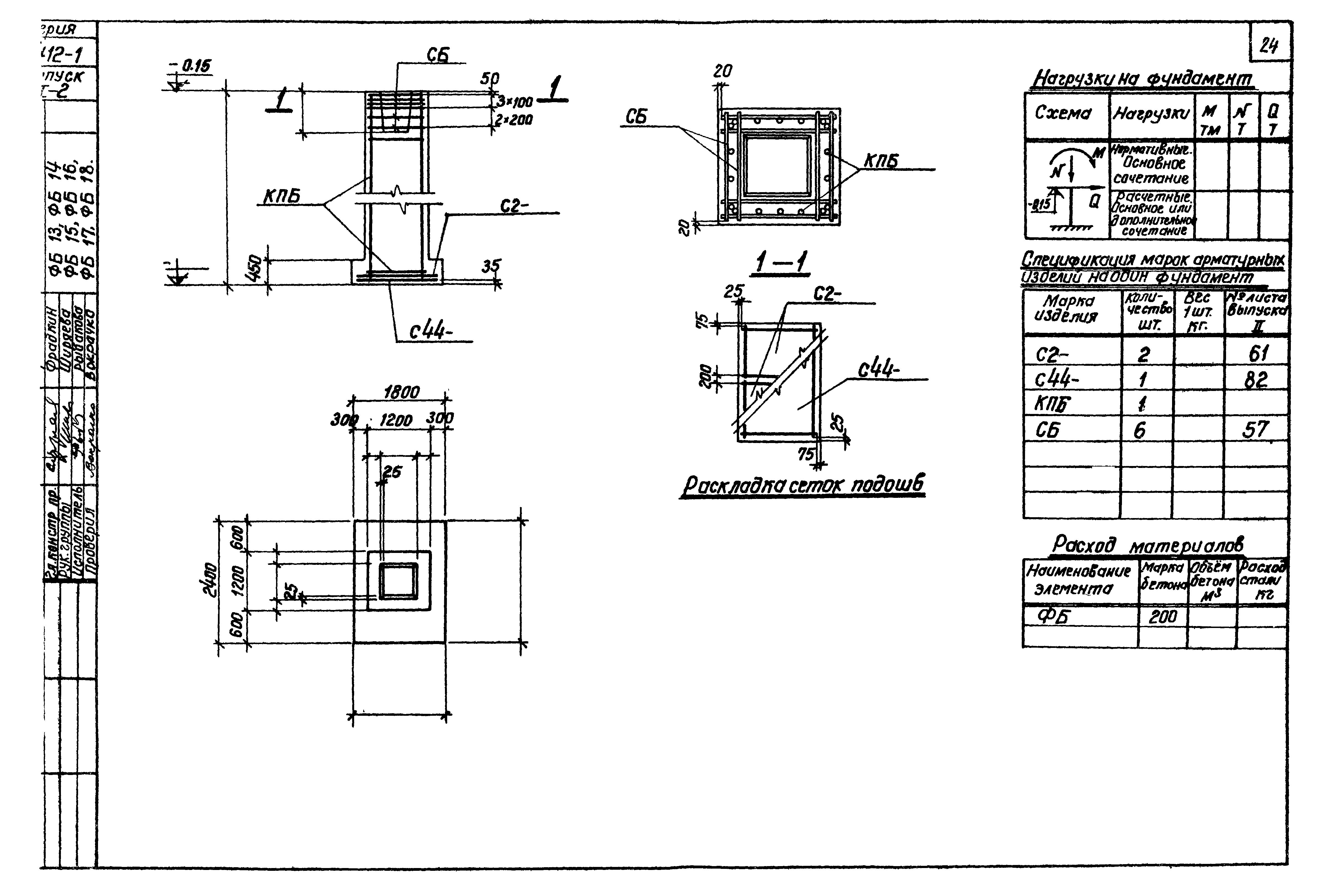
Область применения:В серии 1.412-1 разработаны чертежи монолитных железобетонных фундаментов под колонны прямоугольного сечения серии КЭ-01-49 для одноэтажных промышленных зданий. Настоящий выпуск 1-2 содержит чертежи фундаментов, которые дорабатываются проектировщиком на основании данных, полученных при подборе фундамента по таблицам и графикам в выпуске 1-1. Там же приведены указания по доработке чертежей.
Оглавление:Пояснительная записка
Пример доработки чертежа фундамента
Фундаменты с подколонником А
ФА1, ФА2, ФА3, ФА4, ФА5, ФА6
ФА7, ФА8, ФА9, ФА10, ФА11, ФА12
ФА13, ФА14, ФА15, ФА16, ФА17, ФА18
ФА19, ФА20, ФА21, ФА22, ФА23, ФА24
ФА25, ФА26, ФА27, ФА28, ФА29, ФА30
ФА31, ФА32, ФА33, ФА34, ФА35, ФА36
ФА37, ФА38, ФА39, ФА40, ФА41, ФА42
ФА43, ФА44, ФА45, ФА46, ФА47, ФА48
ФА49, ФА50, ФА51, ФА52, ФА53, ФА54
ФА55, ФА56, ФА57, ФА58, ФА59, ФА60
ФА61, ФА62, ФА63, ФА64, ФА65, ФА66
ФА67, ФА68, ФА69, ФА70, ФА71, ФА72
ФА73, ФА74, ФА75, ФА76, ФА77, ФА78
ФА79, ФА80, ФА81, ФА82, ФА83, ФА84
ФА85, ФА86, ФА87, ФА88, ФА89, ФА90
ФА91, ФА92, ФА93, ФА94, ФА95, ФА96
ФА97, ФА98, ФА99, ФА100, ФА101, ФА102
Фундаменты с подколонником Б
ФБ1, ФБ2, ФБ3, ФБ4, ФБ5, ФБ6
ФБ7, ФБ8, ФБ9, ФБ10, ФБ11, ФБ12
ФБ13, ФБ14, ФБ15, ФБ16, ФБ17, ФБ18
ФБ19, ФБ20, ФБ21, ФБ22, ФБ23, ФБ24
ФБ25, ФБ26, ФБ27, ФБ28, ФБ29, ФБ30
ФБ31, ФБ32, ФБ33, ФБ34, ФБ35, ФБ36
ФБ37, ФБ38, ФБ39, ФБ40, ФБ41, ФБ42
ФБ43, ФБ44, ФБ45, ФБ46, ФБ47, ФБ48
ФБ49, ФБ50, ФБ51, ФБ52, ФБ53, ФБ54
ФБ55, ФБ56, ФБ57, ФБ58, ФБ59, ФБ60
ФБ61, ФБ62, ФБ63, ФБ64, ФБ65, ФБ66
ФБ67, ФБ68, ФБ69, ФБ70, ФБ71, ФБ72
ФБ73, ФБ74, ФБ75, ФБ76, ФБ77, ФБ78
ФБ79, ФБ80, ФБ81, ФБ82, ФБ83, ФБ84
ФБ85, ФБ86, ФБ87, ФБ88, ФБ89, ФБ90
ФБ91, ФБ92, ФБ93, ФБ94, ФБ95, ФБ96
ФБ97, ФБ98, ФБ99, ФБ100, ФБ101, ФБ102
ФБ103, ФБ104, ФБ105, ФБ106, ФБ107, ФБ108
ФБ109, ФБ110, ФБ111, ФБ112, ФБ113, ФБ114
Фундаменты с подколонником В
ФВ1, ФВ2, ФВ3, ФВ4, ФВ5, ФВ6
ФВ7, ФВ8, ФВ9, ФВ10, ФВ11, ФВ12
ФВ13, ФВ14, ФВ15, ФВ16, ФВ17, ФВ18
ФВ19, ФВ20, ФВ21, ФВ22, ФВ23, ФВ24
ФВ25, ФВ26, ФВ27, ФВ28, ФВ29, ФВ30
ФВ31, ФВ32, ФВ33, ФВ34, ФВ35, ФВ36
ФВ37, ФВ38, ФВ39, ФВ40, ФВ41, ФВ42
ФВ43, ФВ44, ФВ45, ФВ46, ФВ47, ФВ48
ФВ49, ФВ50, ФВ51, ФВ52, ФВ53, ФВ54
ФВ55, ФВ56, ФВ57, ФВ58, ФВ59, ФВ60
ФВ61, ФВ62, ФВ63, ФВ64, ФВ65, ФВ66
ФВ67, ФВ68, ФВ69, ФВ70, ФВ71, ФВ72
ФВ73, ФВ74, ФВ75, ФВ76, ФВ77, ФВ78
ФВ79, ФВ80, ФВ81, ФВ82, ФВ83, ФВ84
ФВ85, ФВ86, ФВ87, ФВ88, ФВ89, ФВ90
ФВ91, ФВ92, ФВ93, ФВ94, ФВ95, ФВ96
ФВ97, ФВ98, ФВ99, ФВ100, ФВ101, ФВ102
ФВ103, ФВ104, ФВ105, ФВ106, ФВ107, ФВ108
ФВ109, ФВ110, ФВ111, ФВ112, ФВ113, ФВ114
ФВ115, ФВ116, ФВ117, ФВ118, ФВ119, ФВ120
Разработан: НИИЖБ
Проектный институт № 1 Госстроя СССР
Утверждён:10.08.1971 Госстрой СССР (Государственный комитет Совета Министров СССР по делам строительства) (USSR Gosstroy 134)
Расположен в:Техническая документация Строительство Справочные документы Типовые строительные конструкции, изделия и узлы Общероссийский строительный каталог Строительные конструкции, изделия и узлы зданий и сооружений для всех видов строительства Конструкции, изделия и узлы зданий Конструкции нулевого цикла Фундаменты и фундаментные блоки
Чем заменён:
Нормативные ссылки:
Серия 1.412-1Серия 1.412-1Серия 1.412-1Серия 1.412-1Серия 1.412-1Серия 1.412-1Серия 1.412-1Серия 1.412-1Серия 1.412-1Серия 1.412-1Серия 1.412-1Серия 1.412-1Серия 1.412-1Серия 1.412-1Серия 1.412-1Серия 1.412-1Серия 1.412-1Серия 1.412-1Серия 1.412-1Серия 1.412-1Серия 1.412-1Серия 1.412-1Серия 1.412-1Серия 1.412-1Серия 1.412-1Серия 1.412-1Серия 1.412-1Серия 1.412-1Серия 1.412-1Серия 1.412-1Серия 1.412-1Серия 1.412-1Серия 1.412-1Серия 1.412-1Серия 1.412-1Серия 1.412-1Серия 1.412-1Серия 1.412-1Серия 1.412-1Серия 1.412-1Серия 1.412-1Серия 1.412-1Серия 1.412-1Серия 1.412-1Серия 1.412-1Серия 1.412-1Серия 1.412-1Серия 1.412-1Серия 1.412-1Серия 1.412-1Серия 1.412-1Серия 1.412-1Серия 1.412-1Серия 1.412-1Серия 1.412-1Серия 1.412-1Серия 1.412-1Серия 1.412-1Серия 1.412-1Серия 1.412-1Серия 1.412-1Серия 1.412-1

© 2013 Ёшкин Кот :-) Карта сайта