Информационная система
«Ёшкин Кот»

Скачать базу одним архивом
Скачать обновления
История создания базы
Карта сайта

Скачать Типовой проект 902-1-70.83 Альбом II. Технологические решения. Внутренний водопровод и канализация. Отопление и вентиляция

Дата актуализации: 10.08.2017

Типовой проект 902-1-70.83

Альбом II. Технологические решения. Внутренний водопровод и канализация. Отопление и вентиляция

Обозначение: Типовой проект 902-1-70.83
Обозначение англ: 902-1-70.83
Статус:действует
Название рус.:Альбом II. Технологические решения. Внутренний водопровод и канализация. Отопление и вентиляция
Дата добавления в базу:01.09.2013
Дата актуализации:05.05.2017
Дата введения:28.10.1983
Оглавление:Содержание альбома 2
Основной комплект марки НК
Общие данные
План на отм. 0.000
План (установка решеток-дробилок КРД 40 м)
Разрез 1-1
Разрез 2-2
План (установка решеток-дробилок РД 600). Элемент плана "А". Разрез А-А
План приемного резервуара. Разрез 1-1
Аксонометрические схемы 1К1,1К1Н
Спецификация 1К1,1К1Н
План на отм. □. Аксонометрические схемы 1В3,1К13,1К13Н
Спецификация 1В3,1К13Н,1К13
Общие виды нетиповых конструкций марки НКН
Ремонтная решетка
Монтажный патрубок
Устройство отборное с разделительной мембранной для манометра
Патрубок
Основной комплект марки ВК
Общие данные. План. Схемы 1В1,1Т3,2К1
Основной комплект марки ОВ
Общие данные
Планы на отм. 2.700;0.000 и подземной части. Разрез 1-1
Схемы систем П1.1Р;П2;В1.1Р;В2;В4;ВЕ1 отопления, теплоснабжения установки П1 и водоподогревателя, узел управления
Установки систем П1.1Р;П2
Установки систем В1.1Р;В2;В4;ВЕ1
Общие виды нетиповых конструкций марки ОВН
Рама для крепления калорифера. Чертеж общего вида
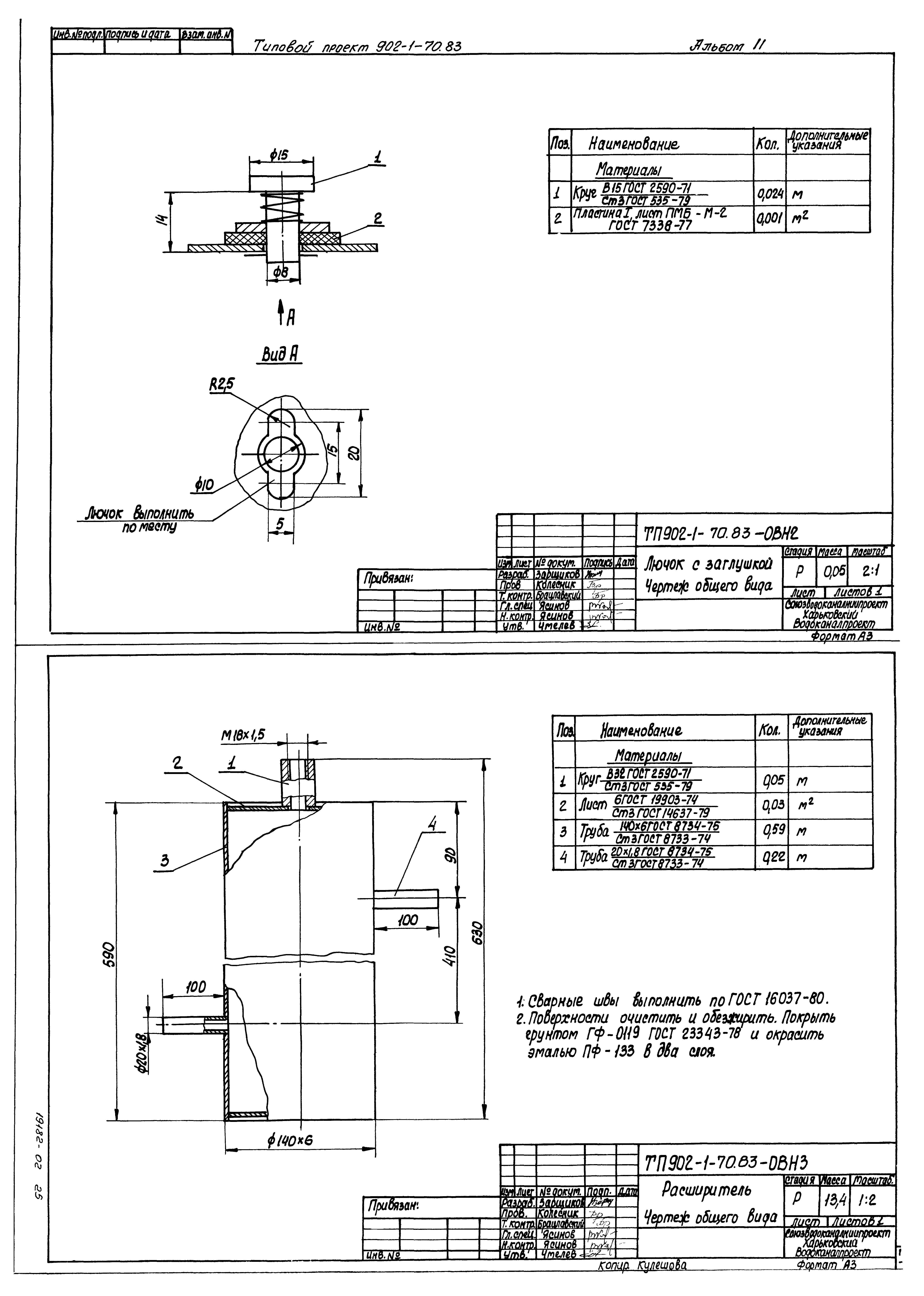
Лючок с заглушкой. Чертеж общего вида
Расширитель. Чертеж общего вида
Зонт. Чертеж общего вида
Вставка редукционная. Чертеж общего вида
Короб воздухосборный. Чертеж общего вида
Утепленный створный клапан. Чертеж общего вида
Разработан: Харьковский Водоканалпроект
Утверждён:27.06.1983 СоюзводоканалНИИпроект (SoyuzvodokanalNIIproject 32)
Расположен в:Техническая документация Строительство Справочные документы Типовые строительные конструкции, изделия и узлы Общероссийский строительный каталог Промышленные предприятия, здания и сооружения Здания и сооружения санитарно-технические Канализация Станции насосные Станции насосные для перекачки бытовых сточных вод
Типовой проект 902-1-70.83Типовой проект 902-1-70.83Типовой проект 902-1-70.83Типовой проект 902-1-70.83Типовой проект 902-1-70.83Типовой проект 902-1-70.83Типовой проект 902-1-70.83Типовой проект 902-1-70.83Типовой проект 902-1-70.83Типовой проект 902-1-70.83Типовой проект 902-1-70.83Типовой проект 902-1-70.83Типовой проект 902-1-70.83Типовой проект 902-1-70.83Типовой проект 902-1-70.83Типовой проект 902-1-70.83Типовой проект 902-1-70.83Типовой проект 902-1-70.83Типовой проект 902-1-70.83Типовой проект 902-1-70.83Типовой проект 902-1-70.83Типовой проект 902-1-70.83Типовой проект 902-1-70.83Типовой проект 902-1-70.83Типовой проект 902-1-70.83Типовой проект 902-1-70.83Типовой проект 902-1-70.83Типовой проект 902-1-70.83

© 2013 Ёшкин Кот :-) Карта сайта