Информационная система
«Ёшкин Кот»

Скачать базу одним архивом
Скачать обновления
История создания базы
Карта сайта

Скачать ОСТ 1 02636-87 Системы автоматизированного проектирования. Требования к представлению аэродинамических характеристик

Дата актуализации: 10.08.2017

ОСТ 1 02636-87

Системы автоматизированного проектирования. Требования к представлению аэродинамических характеристик

Обозначение: ОСТ 1 02636-87
Обозначение англ: 02636-87
Статус:действует
Название рус.:Системы автоматизированного проектирования. Требования к представлению аэродинамических характеристик
Дата добавления в базу:01.09.2013
Дата актуализации:05.05.2017
Дата введения:01.07.1988
Область применения:Стандарт устанавливает перечень и требования к представлению аэродинамических характеристик для систем автоматизированного проектирования летательных аппаратов (САПР ЛА).
Оглавление:Приложение 1 (обязательное). Термины, обозначения, идентификаторы и коды характеристик
Приложение 2 (обязательное). Форматы передаваемых данных. Программное обеспечение передачи данных
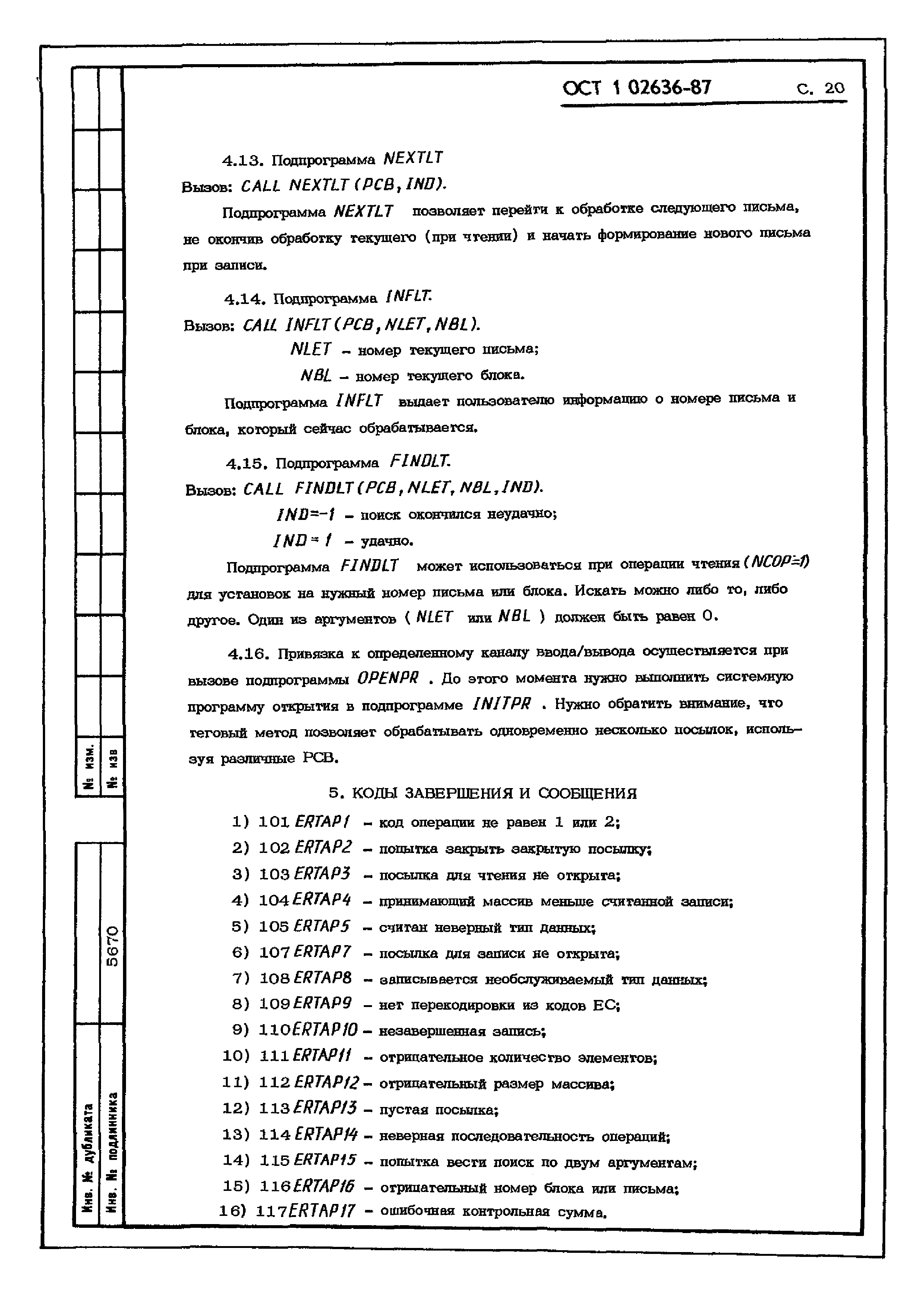
   1. Основные положения
   2. Структура данных на МЛ
   3. Набор операций с МЛ
   4. Подпрограммы тегового метода
   5. Коды завершения и сообщения
Приложение 3 (справочное). Пример передачи экспериментальных данных
Утверждён:14.12.1987 Министерство (Ministry )
Расположен в:Техническая документация
Нормативные ссылки:
ОСТ 1 02636-87ОСТ 1 02636-87ОСТ 1 02636-87ОСТ 1 02636-87ОСТ 1 02636-87ОСТ 1 02636-87ОСТ 1 02636-87ОСТ 1 02636-87ОСТ 1 02636-87ОСТ 1 02636-87ОСТ 1 02636-87ОСТ 1 02636-87ОСТ 1 02636-87ОСТ 1 02636-87ОСТ 1 02636-87ОСТ 1 02636-87ОСТ 1 02636-87ОСТ 1 02636-87ОСТ 1 02636-87ОСТ 1 02636-87ОСТ 1 02636-87ОСТ 1 02636-87ОСТ 1 02636-87ОСТ 1 02636-87ОСТ 1 02636-87

© 2013 Ёшкин Кот :-) Карта сайта