Информационная система
«Ёшкин Кот»

Скачать базу одним архивом
Скачать обновления
История создания базы
Карта сайта

Скачать Типовой проект 121-043/1.2 Часть 3. Раздел 3-2. Водоснабжение, канализация и газопровод. С теплым чердаком

Дата актуализации: 10.08.2017

Типовой проект 121-043/1.2

Часть 3. Раздел 3-2. Водоснабжение, канализация и газопровод. С теплым чердаком

Обозначение: Типовой проект 121-043/1.2
Обозначение англ: 121-043/1.2
Статус:не определен законодательством
Название рус.:Часть 3. Раздел 3-2. Водоснабжение, канализация и газопровод. С теплым чердаком
Дата добавления в базу:01.09.2013
Дата актуализации:05.05.2017
Дата введения:01.04.1982
Оглавление:ТП 121-043/1.2-ВКГ-1 Заглавный лист (начало)
ТП 121-043/1.2-ВКГ-2 Заглавный лист (продолжение)
ТП 121-043/1.2-ВКГ-3 Общие указания
ТП 121-043/1.2-ВКГ-4 Спецификация (ниже отм. ± 0.00). Вариант "россыпь"
ТП 121-043/1.2-ВКГ-5 Спецификация (ниже отм. ± 0.00). Вариант с сантехкабинами
ТП 121-043/1.2-ВКГ-6 Спецификация (выше отм. ± 0.00). Вариант "россыпь"
ТП 121-043/1.2-ВКГ-7 Спецификация (выше отм. ± 0.00). Вариант с сантехкабинами
ТП 121-043/1.2-ВКГ-8 Спецификация оборудования. Комплектовочная ведомость. Вариант с "россыпь"
ТП 121-043/1.2-ВКГ-9 Спецификация оборудования. Комплектовочная ведомость. Вариант с сантехкабинами
ТП 121-043/1.2-ВКГ-10 План техподполья I-1÷I-3 (ленточные фундаменты). Водопровод
ТП 121-043/1.2-ВКГ-11 План техподполья II-1÷II-3;III-1÷III-3;IV-1÷IV-3 (ленточные фундаменты). Водопровод
ТП 121-043/1.2-ВКГ-12 План техподполья I-1÷I-3 (свайное основание). Водопровод
ТП 121-043/1.2-ВКГ-13 План техподполья II-1÷II-3;III-1÷III-3;IV-1÷IV-3 (свайное основание). Водопровод
ТП 121-043/1.2-ВКГ-14 Техподполье. Схема водопровода (вариант "россыпь")
ТП 121-043/1.2-ВКГ-15 Техподполье. Схема водопровода (вариант с сантехкабинами)
ТП 121-043/1.2-ВКГ-16 План техподполья I-1÷I-3 (ленточные фундаменты). Водосток. Канализация - вариант "А"
ТП 121-043/1.2-ВКГ-17 План техподполья I-1÷I-3 (ленточные фундаменты). Водосток. Канализация - вариант "Д"
ТП 121-043/1.2-ВКГ-18 План техподполья II-1÷II-3;III-1÷III-3;IV-1÷IV-3 (ленточные фундаменты). Водосток. Канализация - вариант "А"
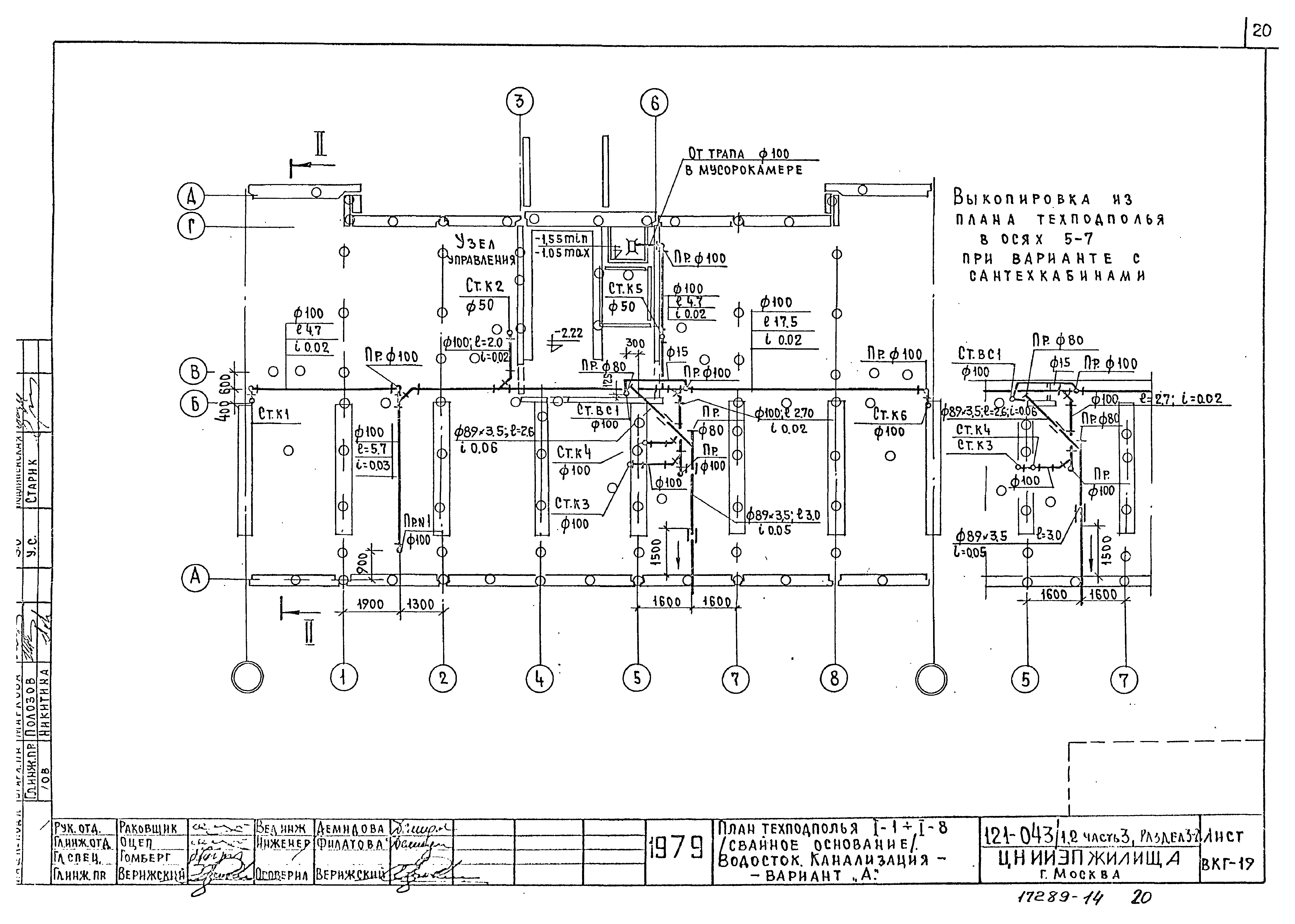
ТП 121-043/1.2-ВКГ-19 План техподполья II-1÷II-3;III-1÷III-3;IV-1÷IV-3 (ленточные фундаменты). Водосток. Канализация - вариант "Д"
ТП 121-043/1.2-ВКГ-20 План техподполья I-1÷I-3 (свайное основание). Водосток. Канализация - вариант "А"
ТП 121-043/1.2-ВКГ-21 План техподполья I-1÷I-3 (свайное основание). Водосток. Канализация - вариант "Д"
ТП 121-043/1.2-ВКГ-22 План техподполья II-1÷II-3;III-1÷III-3;IV-1÷IV-3 (свайное основание). Водосток. Канализация - вариант "А"
ТП 121-043/1.2-ВКГ-23 План техподполья II-1÷II-3;III-1÷III-3;IV-1÷IV-3 (свайное основание). Водосток. Канализация - вариант "Д"
ТП 121-043/1.2-ВКГ-24 Техподполье I-1÷I-3 (ленточные фундаменты). Водосток. Канализация - вариант "А". Разрезы
ТП 121-043/1.2-ВКГ-25 Техподполье I-1÷I-3 (ленточные фундаменты). Водосток. Канализация - вариант "Д". Разрезы
ТП 121-043/1.2-ВКГ-26 Техподполье II-1÷II-3;III-1÷III-3;IV-1÷IV-3 (ленточные фундаменты). Водосток. Канализация - вариант "А". Разрезы
ТП 121-043/1.2-ВКГ-27 Техподполье II-1÷II-3;III-1÷III-3;IV-1÷IV-3 (ленточные фундаменты). Водосток. Канализация - вариант "Д". Разрезы
ТП 121-043/1.2-ВКГ-28 Техподполье I-1÷I-8 (свайное основание). Водосток. Канализация - вариант "Д". Разрезы
ТП 121-043/1.2-ВКГ-29 Техподполье II-1÷II-8;III-1÷III-8;IV-1÷IV-8 (свайное основание). Водосток. Канализация - вариант "А". Разрезы
ТП 121-043/1.2-ВКГ-30 Техподполье II-1÷II-8;III-1÷III-8;IV-1÷IV-8 (свайное основание). Водосток. Канализация - вариант "Д". Разрезы
ТП 121-043/1.2-ВКГ-31 Техподполье. Монтажный разрез I-I;II-II
ТП 121-043/1.2-ВКГ-32 План 1 этажа I-1÷I-8 (вариант "россыпь")
ТП 121-043/1.2-ВКГ-33 План 1 этажа II-1÷II-8;IV-1÷IV-8 (вариант "россыпь")
ТП 121-043/1.2-ВКГ-34 План 1 этажа III-1÷III-8 (вариант "россыпь")
ТП 121-043/1.2-ВКГ-35 План 2 этажа (вариант "россыпь")
ТП 121-043/1.2-ВКГ-36 План 3-9 этажей (вариант "россыпь")
ТП 121-043/1.2-ВКГ-37 План чердака (вариант "россыпь")
ТП 121-043/1.2-ВКГ-38 План 1 этажа I-1÷I-8 (вариант с сантехкабинами)
ТП 121-043/1.2-ВКГ-39 План 1 этажа II-1÷II-8;IV-1÷IV-8 (вариант с сантехкабинами)
ТП 121-043/1.2-ВКГ-40 План 1 этажа III-1÷III-8 (вариант с сантехкабинами)
ТП 121-043/1.2-ВКГ-41 План 2 этажа (вариант с сантехкабинами)
ТП 121-043/1.2-ВКГ-42 План 3-9 этажей (вариант с сантехкабинами)
ТП 121-043/1.2-ВКГ-43 План чердака (вариант с сантехкабинами)
ТП 121-043/1.2-ВКГ-44 Схема газопровода
ТП 121-043/1.2-ВКГ-45 Чердак. Водопровод. Канализация. Водосток. Схемы
Разработан: ЦНИИЭП жилища
Утверждён:22.12.1980 ЦНИИЭП жилища (TsNIIEPzhilishcha 466)
Расположен в:Техническая документация Строительство Справочные документы Типовые строительные конструкции, изделия и узлы Общероссийский строительный каталог Жилые здания для строительства в городах и поселках городского типа Обычные условия Жилые дома панельные Серия 121
Типовой проект 121-043/1.2Типовой проект 121-043/1.2Типовой проект 121-043/1.2Типовой проект 121-043/1.2Типовой проект 121-043/1.2Типовой проект 121-043/1.2Типовой проект 121-043/1.2Типовой проект 121-043/1.2Типовой проект 121-043/1.2Типовой проект 121-043/1.2Типовой проект 121-043/1.2Типовой проект 121-043/1.2Типовой проект 121-043/1.2Типовой проект 121-043/1.2Типовой проект 121-043/1.2Типовой проект 121-043/1.2Типовой проект 121-043/1.2Типовой проект 121-043/1.2Типовой проект 121-043/1.2Типовой проект 121-043/1.2Типовой проект 121-043/1.2Типовой проект 121-043/1.2Типовой проект 121-043/1.2Типовой проект 121-043/1.2Типовой проект 121-043/1.2Типовой проект 121-043/1.2Типовой проект 121-043/1.2Типовой проект 121-043/1.2Типовой проект 121-043/1.2Типовой проект 121-043/1.2Типовой проект 121-043/1.2Типовой проект 121-043/1.2Типовой проект 121-043/1.2Типовой проект 121-043/1.2Типовой проект 121-043/1.2Типовой проект 121-043/1.2Типовой проект 121-043/1.2Типовой проект 121-043/1.2Типовой проект 121-043/1.2Типовой проект 121-043/1.2Типовой проект 121-043/1.2Типовой проект 121-043/1.2Типовой проект 121-043/1.2Типовой проект 121-043/1.2Типовой проект 121-043/1.2Типовой проект 121-043/1.2

© 2013 Ёшкин Кот :-) Карта сайта