Информационная система
«Ёшкин Кот»

Скачать базу одним архивом
Скачать обновления
История создания базы
Карта сайта

Скачать Типовой проект 125-045/1.2 Часть 5. Раздел 5-3. Электрооборудование. Вариант с электроплитами мощностью 8 кВт. Часть 6. Связь и сигнализация

Дата актуализации: 10.08.2017

Типовой проект 125-045/1.2

Часть 5. Раздел 5-3. Электрооборудование. Вариант с электроплитами мощностью 8 кВт. Часть 6. Связь и сигнализация

Обозначение: Типовой проект 125-045/1.2
Обозначение англ: 125-045/1.2
Статус:действует
Название рус.:Часть 5. Раздел 5-3. Электрооборудование. Вариант с электроплитами мощностью 8 кВт. Часть 6. Связь и сигнализация
Дата добавления в базу:01.09.2013
Дата актуализации:05.05.2017
Дата введения:30.06.1984
Оглавление:ТП 125-045/1.2 Часть 5. Электрооборудование
ТП 125-045/1.2-Э-1-3 Заглавный лист
ТП 125-045/1.2-Э-4-7 Спецификация
ТП 125-045/1.2-Э-8 Расчетная электрическая схема питающих сетей
ТП 125-045/1.2-Э-9 План сетей техподполья при планировочном решении 1 этажа по типу 1,2 (фундаменты свайные)
ТП 125-045/1.2-Э-10 План сетей техподполья при планировочном решении 1 этажа по типу 1,2 (фундаменты ленточные)
ТП 125-045/1.2-Э-11 План сетей техподполья при планировочном решении 1 этажа по типу 3 (фундаменты свайные)
ТП 125-045/1.2-Э-12 План сетей техподполья при планировочном решении 1 этажа по типу 3 (фундаменты ленточные)
ТП 125-045/1.2-Э-13 План сетей 1 этажа (планировочное решение по типу 1)
ТП 125-045/1.2-Э-14 План сетей 1 этажа (планировочное решение по типу 2)
ТП 125-045/1.2-Э-15 План сетей 1 этажа (планировочное решение по типу 3)
ТП 125-045/1.2-Э-16 План сетей типового этажа
ТП 125-045/1.2-Э-17 План осветительных сетей теплого чердака
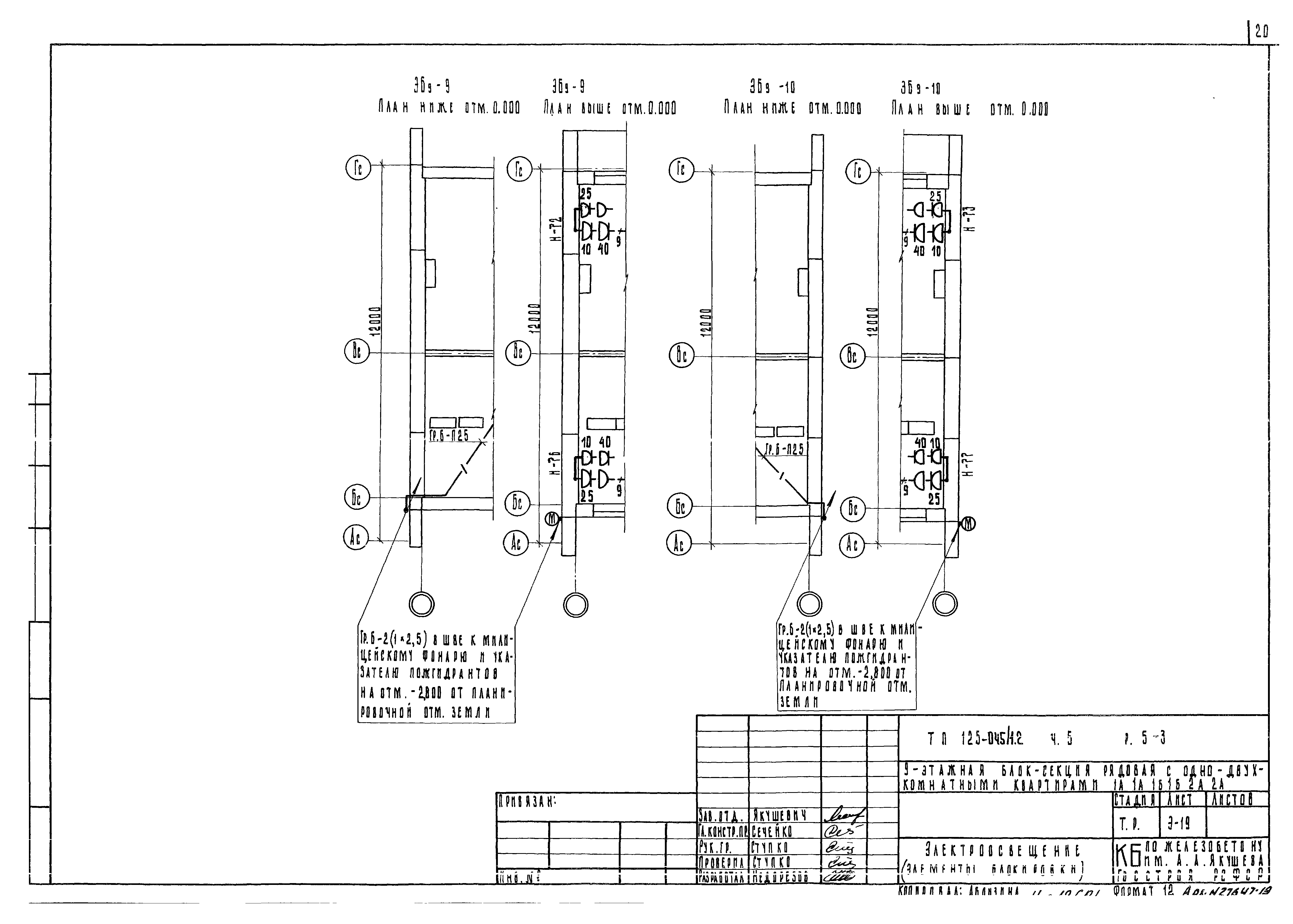
ТП 125-045/1.2-Э-18,19 Электроосвещение (элементы блокировки)
ТП 125-045/1.2-Э-20 Схема раскладки плит перекрытий. План машинного помещения
ТП 125-045/1.2-Э-21 Схема расположения каналов в плитах перекрытий (разрезы)
ТП 125-045/1.2-Э-22 Схема расположения электропроводок в стеновых панелях (конвейерный способ изготовления изделий)
ТП 125-045/1.2-Э-23 Схема расположения электропроводок в стеновых панелях (кассетный способ изготовления изделий), в перегородках
ТП 125-045/1.2-Э-24 Узлы прокладки групповой электросети
ТП 125-045/1.2-Э-25 Узлы прокладки групповой электросети из электропанели
ТП 125-045/1.2-Э-26 Опросный лист ВРУ
ТП 125-045/1.2 Часть 6. Устройство связи
ТП 125-045/1.2-УС-1,УС-2 Заглавный лист
ТП 125-045/1.2-УС-3 Спецификация
ТП 125-045/1.2-УС-4 Схема расположения сетей связи
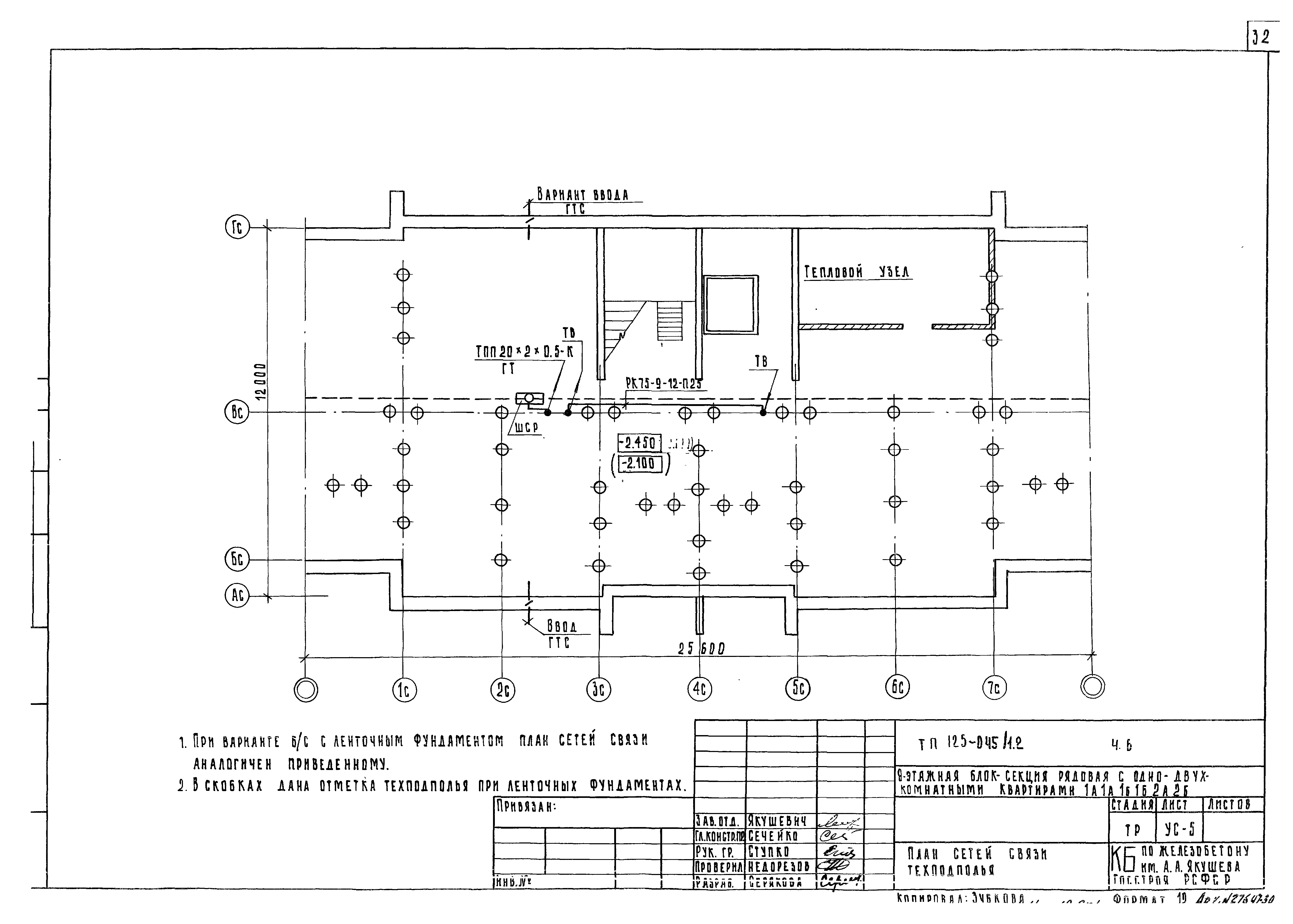
ТП 125-045/1.2-УС-5 План сетей связи техподполья
ТП 125-045/1.2-УС-6 План сетей связи 1 этажа (планировочное решение по типу 1)
ТП 125-045/1.2-УС-7 План сетей связи 1 этажа (планировочное решение по типу 2)
ТП 125-045/1.2-УС-8 План сетей связи 1 этажа (планировочное решение по типу 3)
ТП 125-045/1.2-УС-9 План сетей связи типового этажа
ТП 125-045/1.2-УС-10 План сетей кровли (вариант с холодным чердаком)
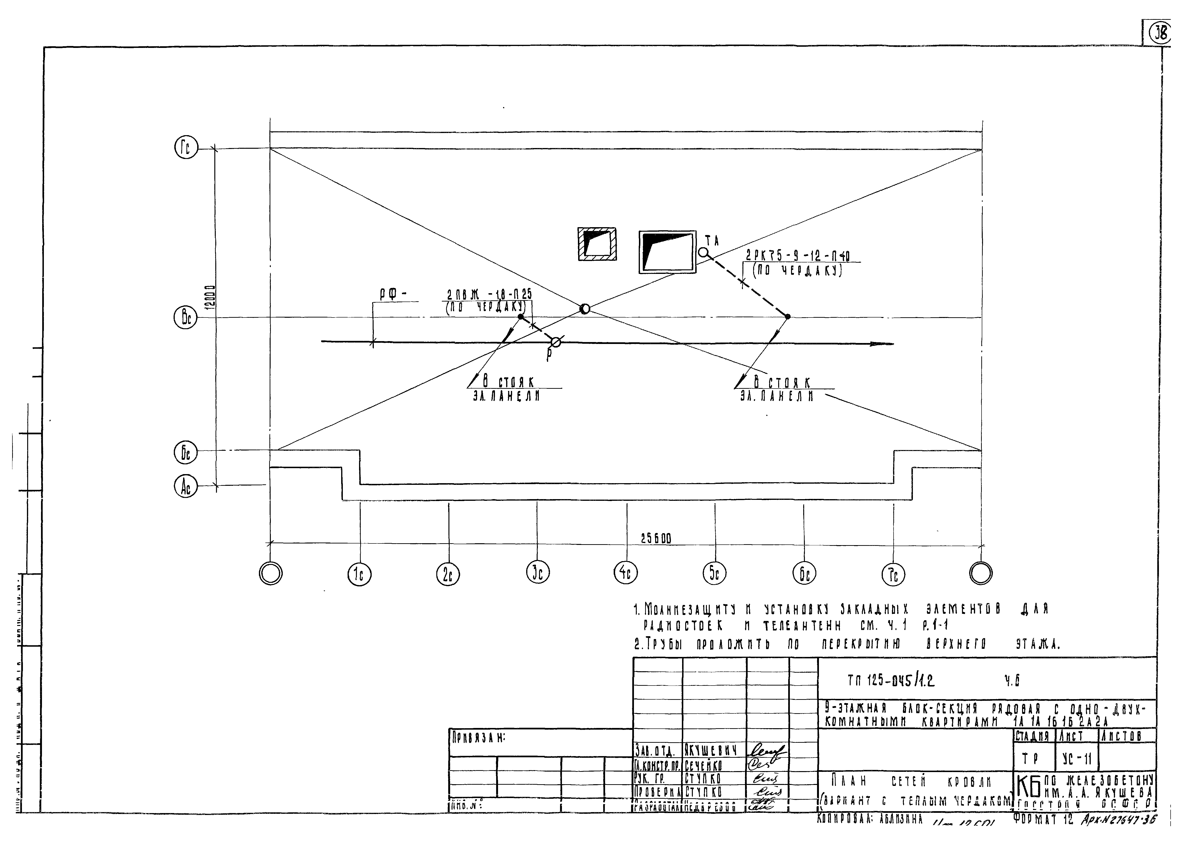
ТП 125-045/1.2-УС-11 План сетей кровли (вариант с теплым чердаком)
Разработан: КБ по железобетону Госстроя РСФСР
Утверждён:21.06.1982 Госстрой РСФСР (Russian Federation Gosstroy 46)
Расположен в:Техническая документация Строительство Справочные документы Типовые строительные конструкции, изделия и узлы Общероссийский строительный каталог Жилые здания для строительства в городах и поселках городского типа Обычные условия Жилые дома панельные Серия 125
Типовой проект 125-045/1.2Типовой проект 125-045/1.2Типовой проект 125-045/1.2Типовой проект 125-045/1.2Типовой проект 125-045/1.2Типовой проект 125-045/1.2Типовой проект 125-045/1.2Типовой проект 125-045/1.2Типовой проект 125-045/1.2Типовой проект 125-045/1.2Типовой проект 125-045/1.2Типовой проект 125-045/1.2Типовой проект 125-045/1.2Типовой проект 125-045/1.2Типовой проект 125-045/1.2Типовой проект 125-045/1.2Типовой проект 125-045/1.2Типовой проект 125-045/1.2Типовой проект 125-045/1.2Типовой проект 125-045/1.2Типовой проект 125-045/1.2Типовой проект 125-045/1.2Типовой проект 125-045/1.2Типовой проект 125-045/1.2Типовой проект 125-045/1.2Типовой проект 125-045/1.2Типовой проект 125-045/1.2Типовой проект 125-045/1.2Типовой проект 125-045/1.2Типовой проект 125-045/1.2Типовой проект 125-045/1.2Типовой проект 125-045/1.2Типовой проект 125-045/1.2Типовой проект 125-045/1.2Типовой проект 125-045/1.2Типовой проект 125-045/1.2Типовой проект 125-045/1.2Типовой проект 125-045/1.2Типовой проект 125-045/1.2

© 2013 Ёшкин Кот :-) Карта сайта