Скачать ОСТ 1 02504-84 Типовые формулировки изложения технических требований на чертежахДата актуализации: 10.08.2017 ОСТ 1 02504-84
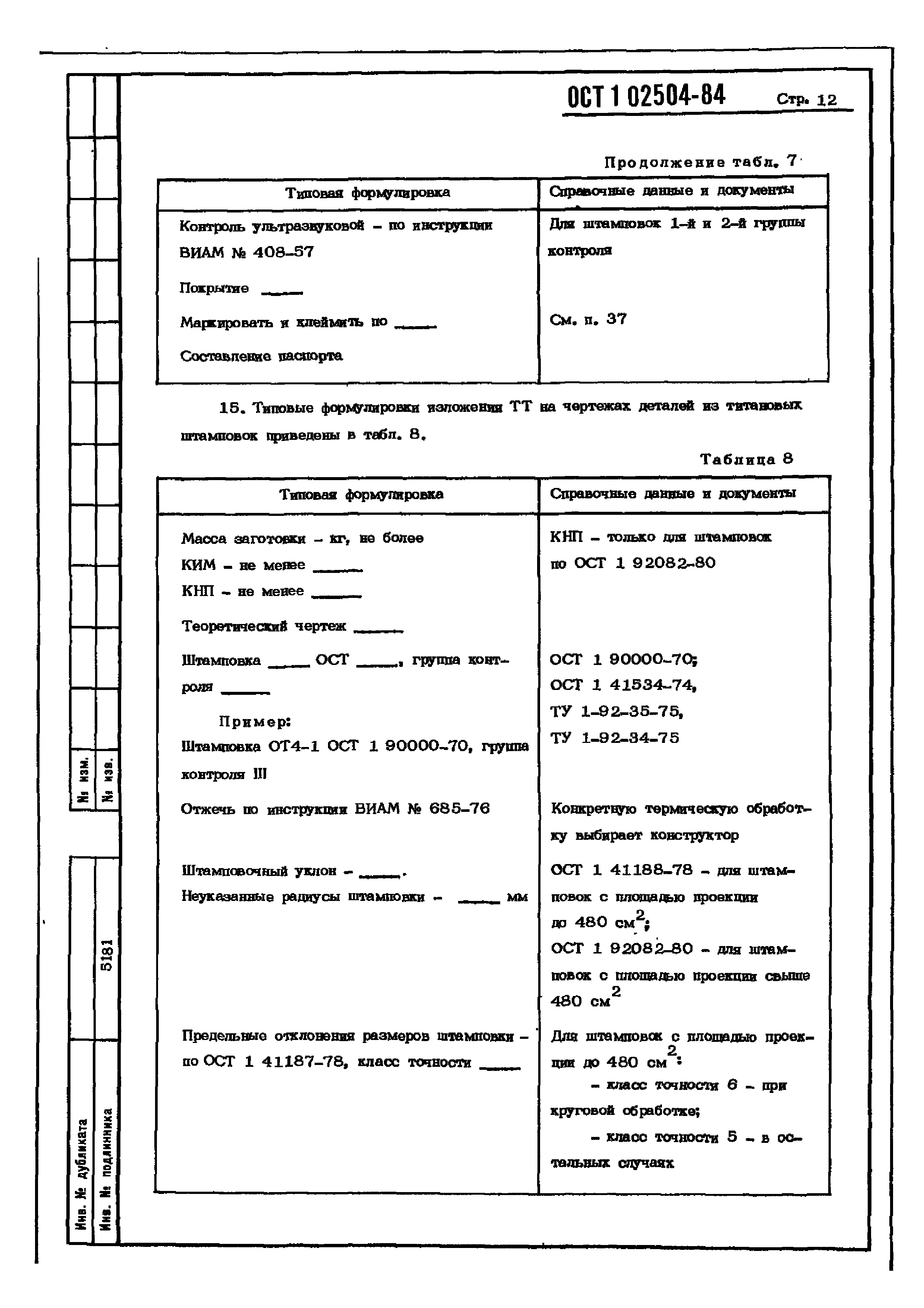
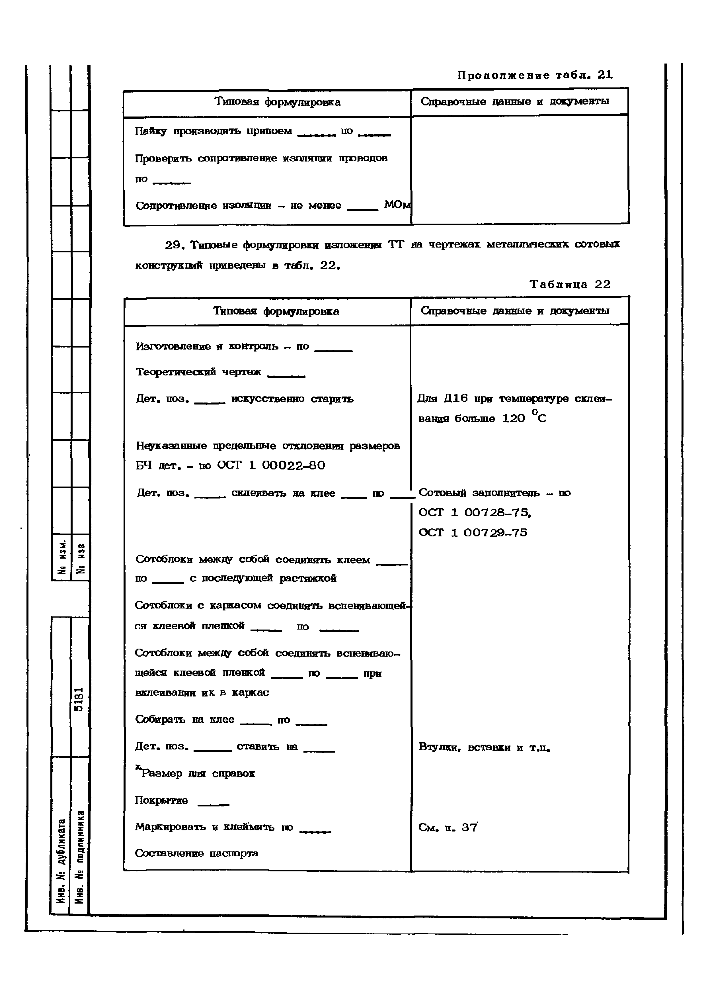
Типовые формулировки изложения технических требований на чертежахОбозначение: | ОСТ 1 02504-84 | Обозначение англ: | 02504-84 | Статус: | действует | Название рус.: | Типовые формулировки изложения технических требований на чертежах | Дата добавления в базу: | 01.09.2013 | Дата актуализации: | 05.05.2017 | Дата введения: | 01.01.1985 | Область применения: | Стандарт устанавливает последовательность изложения и типовые формулировки технических требований (ТТ) на чертежах деталей и сборочных единиц самолетов и вертолетов. | Оглавление: | Последовательность изложения ТТ на чертежах деталей Последовательность изложения ТТ на чертежах сборочных единиц Типовые формулировки изложения ТТ на чертежах: деталей из отливок алюминиевых и медных сплавов деталей из отливок магниевых сплавов деталей из титановых отливок деталей из стальных отливок деталей из чугунных отливок деталей из алюминиевых штамповок деталей из магниевых штамповок деталей из титановых штамповок деталей из стальных штамповок деталей из штамповок коррозионностойких и жаропрочных сталей Типовые формулировки изложения ТТ на чертежах: деталей, подлежащих механической обработке пружин деталей из листового материала деталей из прессованного профилей деталей из прессованных панелей деталей, подлежащих поверхностному упрочнению деталей с надписями, знаками, фотоснимками (трафареты) Типовые формулировки изложения ТТ на чертежах: изделий, содержащих механосборочные работы сварных конструкций сборочно-клепаных конструкций, систем и оборудования: сборочно-клепаные конструкции оборудование, системы трубопроводные системы сварные трубы и патрубки канаты электро-, радионавигационного оборудования металлических сотовых конструкций неметаллических сотовых конструкций деталей из полимерных композиционных материалов сборочных конструкций из полимерных композиционных материалов деталей из пластмасс изделий из резиновых смесей и резинотканевых материалов деталей из листовой резины деталей и изделий из ткани по маркированию и клеймению | Утверждён: | 29.05.1984 Министерство (Ministry 298-65)
| Расположен в: |
| Нормативные ссылки: | |
                                                
|