Информационная система
«Ёшкин Кот»

Скачать базу одним архивом
Скачать обновления
История создания базы
Карта сайта

Скачать Типовой проект 0901-9-23.87 Альбом II. Электротехническая часть. Технологический контроль (из ТП 0901-9-18.1.87)

Дата актуализации: 10.08.2017

Типовой проект 0901-9-23.87

Альбом II. Электротехническая часть. Технологический контроль (из ТП 0901-9-18.1.87)

Обозначение: Типовой проект 0901-9-23.87
Обозначение англ: 0901-9-23.87
Статус:не определен законодательством
Название рус.:Альбом II. Электротехническая часть. Технологический контроль (из ТП 0901-9-18.1.87)
Дата добавления в базу:01.09.2013
Дата актуализации:05.05.2017
Дата введения:16.10.1987
Оглавление:ТП 0901-9-18.1.87 Содержание альбома
ТП 0901-9-18.1.87-ПЗ Пояснительная записка
ТП 0901-9-18.1.87-ЭМ Основной комплект чертежей марки ЭМ
ТП 0901-9-18.1.87-ЭМ-1 Общие данные
ТП 0901-9-18.1.87-ЭМ-2 Схема электрическая принципиальная однолинейная 380/220 В
ТП 0901-9-18.1.87-ЭМ-3 Схема электрическая принципиальная управления задвижкой
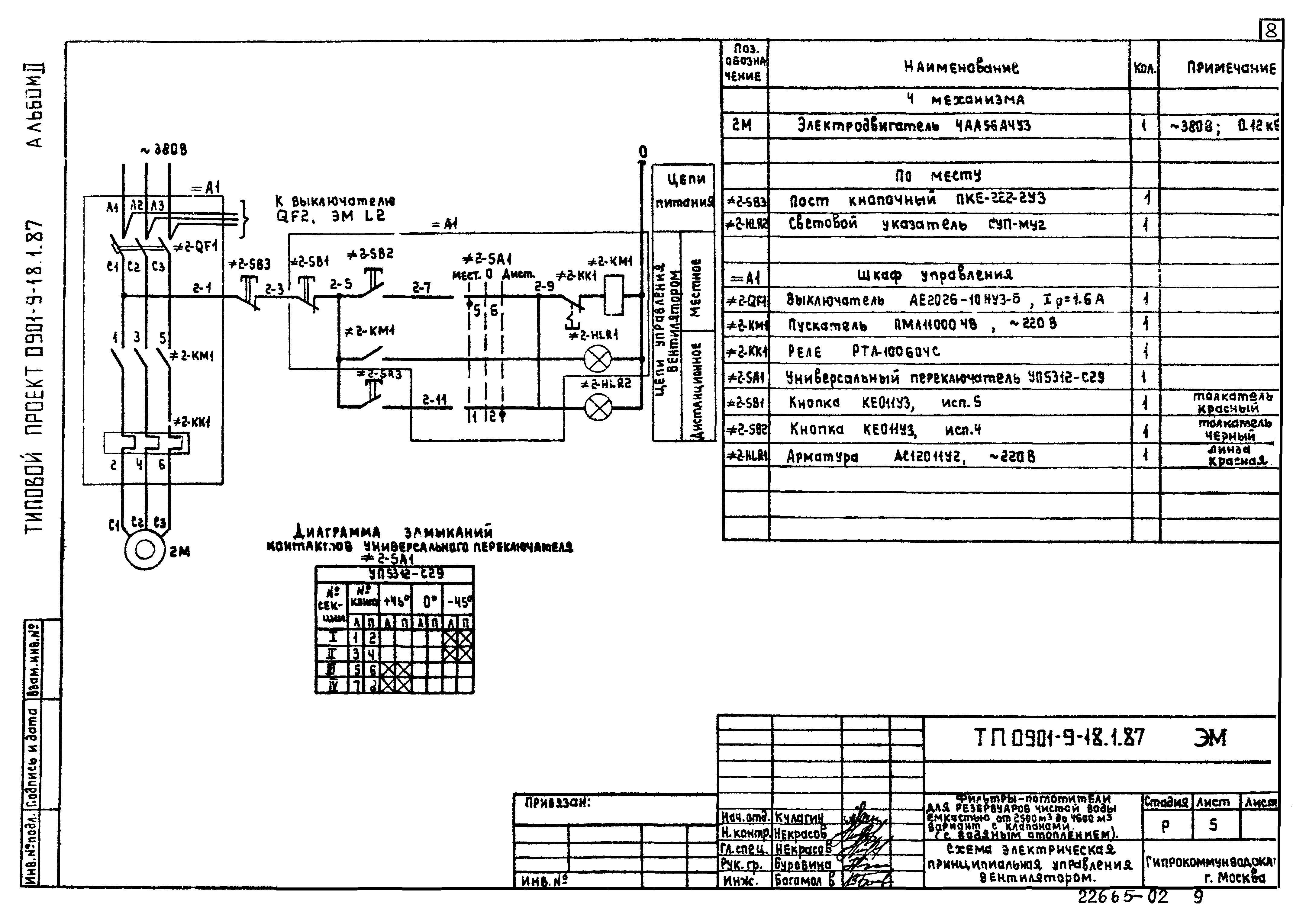
ТП 0901-9-18.1.87-ЭМ-4 Схема электрическая принципиальная управления вентилятором
ТП 0901-9-18.1.87-ЭМ-5 Схема электрических подключений отдельностоящего оборудования
ТП 0901-9-18.1.87-ЭМ-6 Кабельный журнал. Сводка кабелей и проводов
ТП 0901-9-18.1.87-ЭМ-7 Расположение электрооборудования, прокладка труб и кабелей. Зануление
ТП 0901-9-18.1.87-ЭМ-8 Электроосвещение
ТП 0901-9-18.1.87-А Основной комплект чертежей марки А
ТП 0901-9-18.1.87-А-1 Общие данные
ТП 0901-9-18.1.87-А-2 Схема функциональная
ТП 0901-9-18.1.87-А-3 Схема внешних кабельных и трубных проводок. Схема электрическая принципиальная питания приборов
ТП 0901-9-18.1.87-А-4 Электрическая схема подключения приборов
ТП 0901-9-18.1.87-А-5 План расположения средств автоматизации и проводок
ТП 0901-9-18.1.87-Э1 Задание заводу-изготовителю на шкаф=А1 марки Э1
ТП 0901-9-18.1.87-Э1-1 Содержание. Перечень комплектных устройств
ТП 0901-9-18.1.87-Э1-2 Шкаф=А1. Технические данные аппаратов
ТП 0901-9-18.1.87-Э1-3 Шкаф=А1. Чертеж общего вида
ТП 0901-9-18.1.87-Э1-4 Шкаф=А1. Схема электрическая соединений
ТП 0901-9-18.1.87-Э1-5 Шкаф=А1. Перечень надписей
Разработан: Гипрокоммунводоканал Минжилкомхоза РСФСР
Утверждён:16.10.1987 Минжилкомхоз РСФСР (Russian Federation Minzhilkomkhoz 12-ТД)
Расположен в:Техническая документация Строительство Справочные документы Типовые строительные конструкции, изделия и узлы Общероссийский строительный каталог Защитные сооружения гражданской обороны Конструкции и инженерное оборудование Фильтры-поглотители
Типовой проект 0901-9-23.87Типовой проект 0901-9-23.87Типовой проект 0901-9-23.87Типовой проект 0901-9-23.87Типовой проект 0901-9-23.87Типовой проект 0901-9-23.87Типовой проект 0901-9-23.87Типовой проект 0901-9-23.87Типовой проект 0901-9-23.87Типовой проект 0901-9-23.87Типовой проект 0901-9-23.87Типовой проект 0901-9-23.87Типовой проект 0901-9-23.87Типовой проект 0901-9-23.87Типовой проект 0901-9-23.87Типовой проект 0901-9-23.87Типовой проект 0901-9-23.87Типовой проект 0901-9-23.87Типовой проект 0901-9-23.87Типовой проект 0901-9-23.87Типовой проект 0901-9-23.87Типовой проект 0901-9-23.87Типовой проект 0901-9-23.87Типовой проект 0901-9-23.87Типовой проект 0901-9-23.87Типовой проект 0901-9-23.87

© 2013 Ёшкин Кот :-) Карта сайта