Информационная система
«Ёшкин Кот»

Скачать базу одним архивом
Скачать обновления
История создания базы
Карта сайта

Скачать Типовой проект 704-1-53 Альбом V. Оборудование резервуара для светлых нефтепродуктов

Дата актуализации: 10.08.2017

Типовой проект 704-1-53

Альбом V. Оборудование резервуара для светлых нефтепродуктов

Обозначение: Типовой проект 704-1-53
Обозначение англ: 704-1-53
Статус:не действует
Название рус.:Альбом V. Оборудование резервуара для светлых нефтепродуктов
Дата добавления в базу:01.09.2013
Дата актуализации:05.05.2017
Оглавление:ТП 704-1-53 Обложка
ТП 704-1-53-С-1 Содержание альбома
ТП 704-1-53-ПЗ-1÷ПЗ-3 Пояснительная записка
ТП 704-1-53-М-1 Общий вид оборудования резервуара для хранения светлых нефтепродуктов (кроме дизтоплива)
ТП 704-1-53-М-2 Общий вид оборудования резервуара для хранения светлых нефтепродуктов (кроме дизтоплива). Спецификация
ТП 704-1-53-М-3 Общий вид оборудования резервуара для хранения дизельного топлива
ТП 704-1-53-М-4 Общий вид оборудования резервуара для хранения дизельного топлива. Спецификация
ТП 704-1-53-М-5 Установка приемораздаточного патрубка Ду150. Узел "А"
ТП 704-1-53-М-6 Установка приемораздаточного патрубка Ду200. Узел "А"
ТП 704-1-53-М-7 Установка клапана непримерзающего двухмембранного типа НДКМ-200
ТП 704-1-53-М-8 Установка клапана предохранительного гидравлического типа КПГ-200
ТП 704-1-53-М-9 Установка огневого предохранителя ОП-150 с вентиляционным патрубком ВП-150
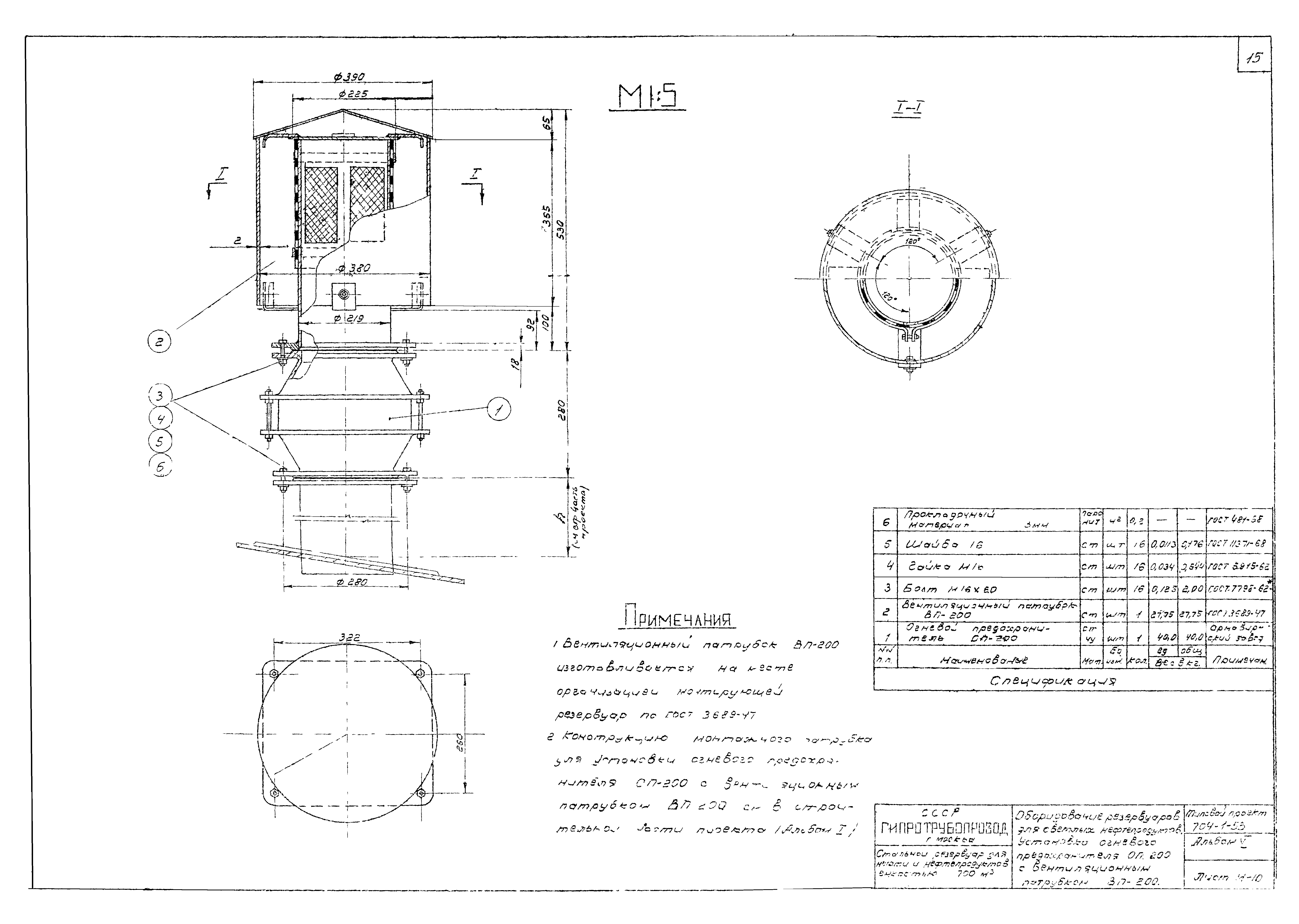
ТП 704-1-53-М-10 Установка огневого предохранителя ОП-200 с вентиляционным патрубком ВП-200
ТП 704-1-53-М-11 Расположение секционных подогревателей общей поверхностью нагрева 10 м²
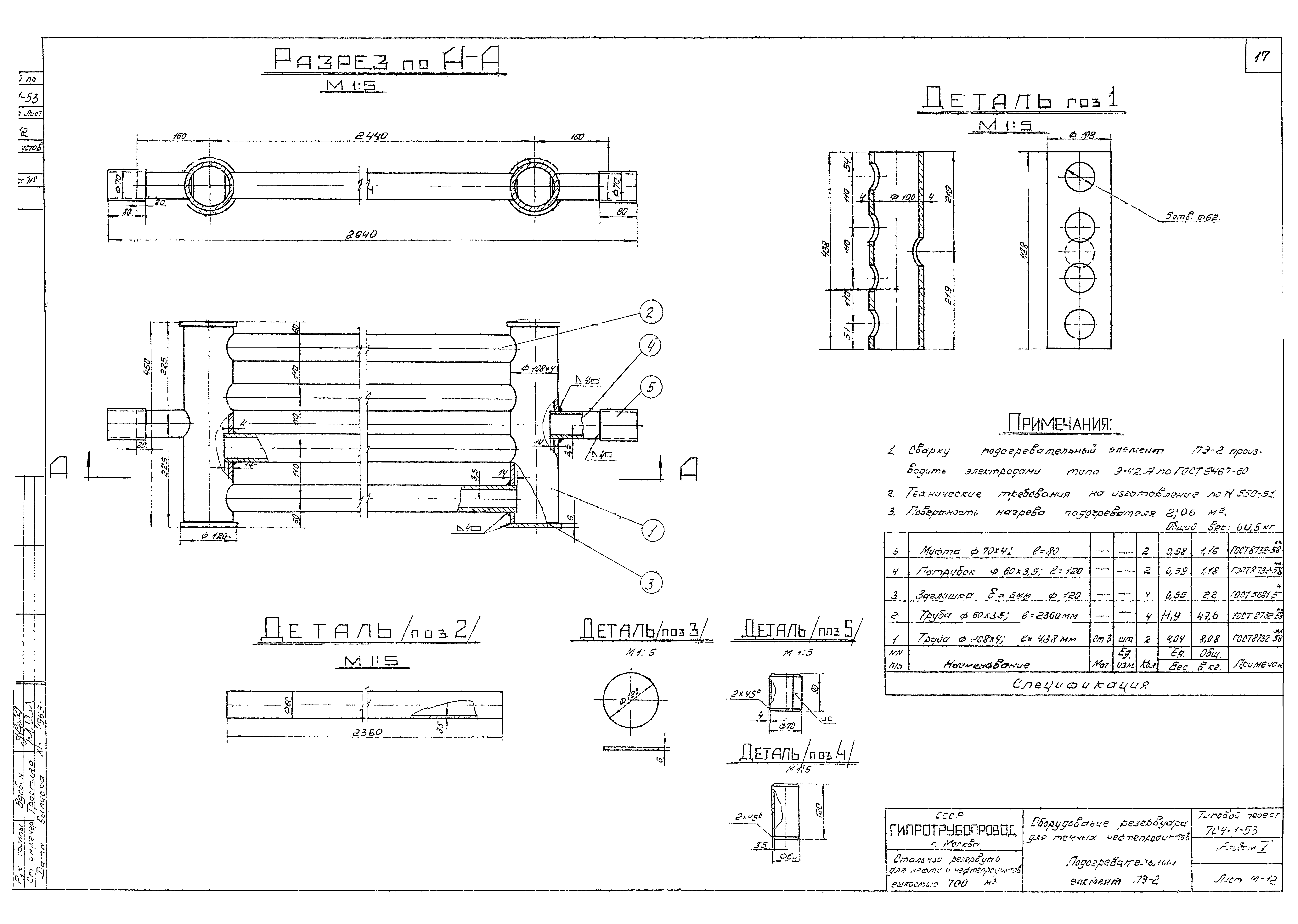
ТП 704-1-53-М-12 Подогревательный элемент ПЭ-2
ТП 704-1-53-М-13 Подогревательная система. Стойка С-1
ТП 704-1-53-М-14 Подогревательная система. Стойка С-4
ТП 704-1-53-М-15 Подогревательная система. Стойка С-5
ТП 704-1-53-М-16 Узел ввода теплоносителя
ТП 704-1-53-М-17 Шкаф к узлу ввода теплоносителя. Общий вид
ТП 704-1-53-М-18 Шкаф к узлу ввода теплоносителя. Узлы
ТП 704-1-53-М-19 Шкаф к узлу ввода теплоносителя. Детали
ТП 704-1-53-М-20 Шкаф к узлу ввода теплоносителя. Детали
ТП 704-1-53-М-21 Шкаф к узлу ввода теплоносителя. Детали
ТП 704-1-53-М-22 Установка термометра технического ртутного. Общий вид. Узлы. Детали
ТП 704-1-53-А-1 Принципиальная схема автоматизации (без подогрева)
ТП 704-1-53-А-2 Принципиальная схема автоматизации (с подогревом)
ТП 704-1-53-А-3 Установка указателя уровня УДУ-5
ТП 704-1-53-ЭО-1 Грозозащита и заземление
Разработан: ЦНИИпроектстальконструкция
Утверждён:29.12.1969 ЦНИИпроектстальконструкция (TsNIIprojectstalkonstruktsiya 221)
Расположен в:Техническая документация Строительство Справочные документы Типовые строительные конструкции, изделия и узлы Общероссийский строительный каталог Промышленные предприятия, здания и сооружения Предприятия, здания и сооружения складские Резервуары и склады для нефти и нефтепродуктов Резервуары стальные для нефти и нефтепродуктов
Типовой проект 704-1-53Типовой проект 704-1-53Типовой проект 704-1-53Типовой проект 704-1-53Типовой проект 704-1-53Типовой проект 704-1-53Типовой проект 704-1-53Типовой проект 704-1-53Типовой проект 704-1-53Типовой проект 704-1-53Типовой проект 704-1-53Типовой проект 704-1-53Типовой проект 704-1-53Типовой проект 704-1-53Типовой проект 704-1-53Типовой проект 704-1-53Типовой проект 704-1-53Типовой проект 704-1-53Типовой проект 704-1-53Типовой проект 704-1-53Типовой проект 704-1-53Типовой проект 704-1-53Типовой проект 704-1-53Типовой проект 704-1-53Типовой проект 704-1-53Типовой проект 704-1-53Типовой проект 704-1-53Типовой проект 704-1-53Типовой проект 704-1-53Типовой проект 704-1-53Типовой проект 704-1-53Типовой проект 704-1-53

© 2013 Ёшкин Кот :-) Карта сайта