Информационная система
«Ёшкин Кот»

Скачать базу одним архивом
Скачать обновления
История создания базы
Карта сайта

Скачать Типовой проект 902-1-61 Альбом III. Строительные изделия. Подземная часть

Дата актуализации: 10.08.2017

Типовой проект 902-1-61

Альбом III. Строительные изделия. Подземная часть

Обозначение: Типовой проект 902-1-61
Обозначение англ: 902-1-61
Статус:действует
Название рус.:Альбом III. Строительные изделия. Подземная часть
Дата добавления в базу:01.09.2013
Дата актуализации:05.05.2017
Дата введения:01.11.1982
Оглавление:ТП 902-1-61 Содержание
ТП 902-1-61-КЖ Основной комплект марки КЖ
ТП 902-1-61-КЖ-1 Общие данные
ТП 902-1-61-КЖ-2 Планы на отм. -3.600 и -5.700 Разрезы 1-1,2-2 (в сухих и мокрых грунтах)
ТП 902-1-61-КЖ-3 Схема расположения элементов подземной части (в сухих и мокрых грунтах)
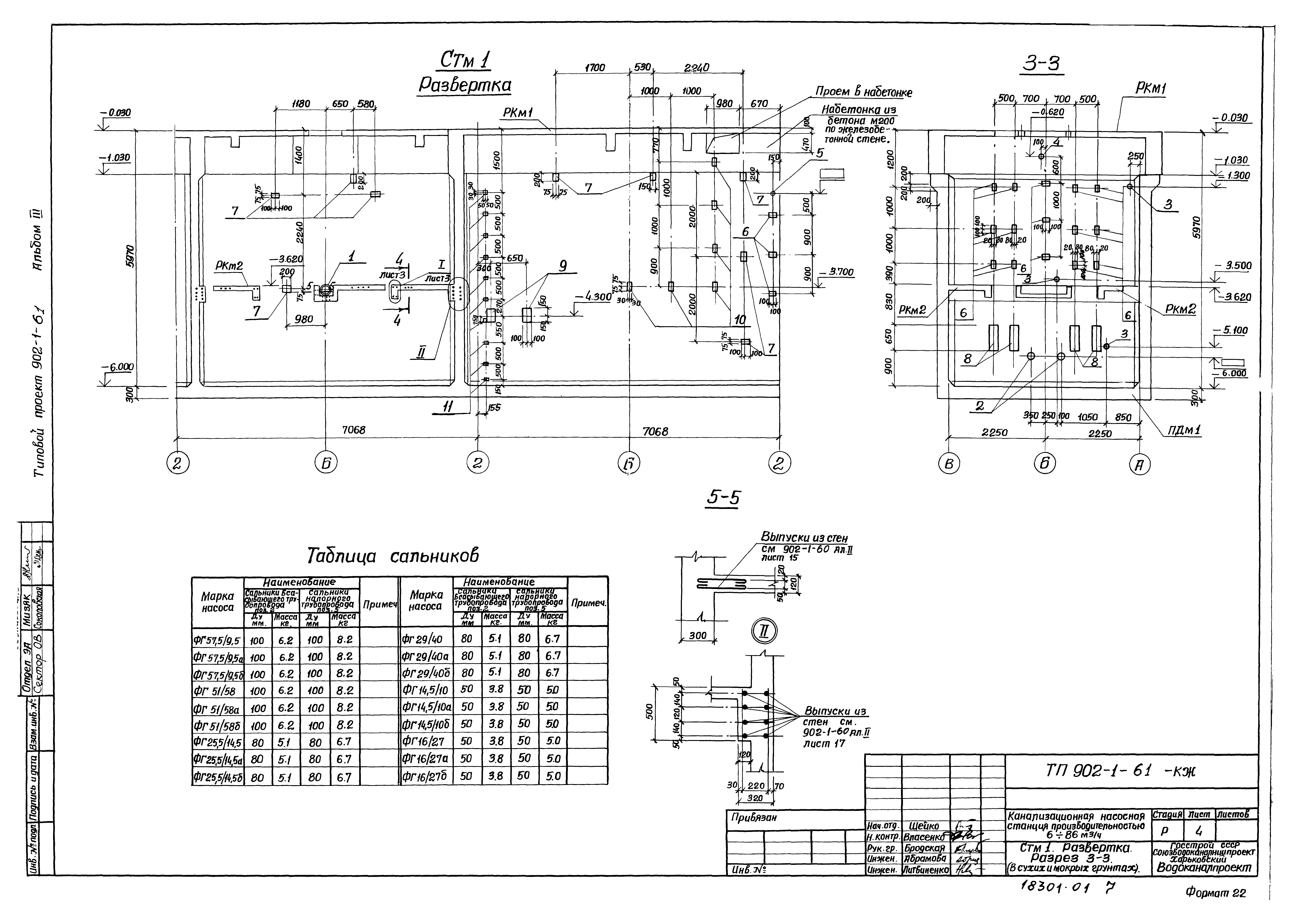
ТП 902-1-61-КЖ-4 СТМ1. Развертка. Разрез 3-3 (в сухих и мокрых грунтах)
ТП 902-1-61-КЖ-5 Плита днища ПДМ1. Схема армирования (в сухих и мокрых грунтах)
ТП 902-1-61-КЖ-6 СТМ1. Схема армирования
ТП 902-1-61-КЖ-7 СТМ1. Схема армирования и расположения выпусков. Узлы 1,2
ТП 902-1-61-КЖ-8 СТМ2. Схема армирования
ТП 902-1-61-КМ Основной комплект марки КМ
ТП 902-1-61-КМ-1 Общие данные
ТП 902-1-61-КМ-2 Схемы расположения металлических лестниц и лестничных площадок
ТП 902-1-61-КМ-3 Схемы расположения металлических лестниц и лестничных площадок. Сечения 3-3÷6-6. Узлы 1-4
Разработан: Харьковский Водоканалпроект
Утверждён:29.04.1982 Главпромстройпроект Госстроя СССР (15)
Расположен в:Техническая документация Строительство Справочные документы Типовые строительные конструкции, изделия и узлы Общероссийский строительный каталог Промышленные предприятия, здания и сооружения Здания и сооружения санитарно-технические Канализация Станции насосные Станции насосные для перекачки бытовых сточных вод
Типовой проект 902-1-61Типовой проект 902-1-61Типовой проект 902-1-61Типовой проект 902-1-61Типовой проект 902-1-61Типовой проект 902-1-61Типовой проект 902-1-61Типовой проект 902-1-61Типовой проект 902-1-61Типовой проект 902-1-61Типовой проект 902-1-61Типовой проект 902-1-61Типовой проект 902-1-61Типовой проект 902-1-61

© 2013 Ёшкин Кот :-) Карта сайта