Информационная система
«Ёшкин Кот»

Скачать базу одним архивом
Скачать обновления
История создания базы
Карта сайта

Скачать Типовой проект 902-2-439.87 Альбом IV. Силовое электрооборудование. Электрическое освещение. Автоматизация. Связь и сигнализация (из ТП 902-2-438.87)

Дата актуализации: 10.08.2017

Типовой проект 902-2-439.87

Альбом IV. Силовое электрооборудование. Электрическое освещение. Автоматизация. Связь и сигнализация (из ТП 902-2-438.87)

Обозначение: Типовой проект 902-2-439.87
Обозначение англ: 902-2-439.87
Статус:заменен
Название рус.:Альбом IV. Силовое электрооборудование. Электрическое освещение. Автоматизация. Связь и сигнализация (из ТП 902-2-438.87)
Дата добавления в базу:01.09.2013
Дата актуализации:05.05.2017
Дата введения:01.06.1993
Оглавление:ТП 902-2-438.87-ЭМ Силовое электрооборудование
ТП 902-2-438.87-ЭМ-1 Общие данные
ТП 902-2-438.87-ЭМ-2 Распределительная сеть ~380/220 В. Шкафы АР1,ВР2. Схема принципиальная однолинейная
ТП 902-2-438.87-ЭМ-3 Вентиляторы М10-М12,М15. Схема принципиальная управления. Цепи управления. Схема подключения
ТП 902-2-438.87-ЭМ-4 Кабельный журнал. Сводка кабелей, проводов и труб, учтенных кабельным журналом
ТП 902-2-438.87-ЭМ-5 Кабельная раскладка. Планы на отметках 0.000 и 3.600. План кровли
ТП 902-2-438.87-ЭМ-6 Молниезащита. План и сечение
ТП 902-2-438.87-ЭО Электроосвещение
ТП 902-2-438.87-ЭО-1 Общие данные
ТП 902-2-438.87-ЭО-2 План расположения на отметке 0.000
ТП 902-2-438.87-ЭО-3 План расположения на отметке 3.600
ТП 902-2-438.87-А Автоматизация
ТП 902-2-438.87-А-1 Общие данные (начало)
ТП 902-2-438.87-А-2 Общие данные (продолжение)
ТП 902-2-438.87-А-3 Общие данные (окончание)
ТП 902-2-438.87-А-4 Насосная. Схема функциональная (начало)
ТП 902-2-438.87-А-5 Насосная. Схема функциональная (продолжение)
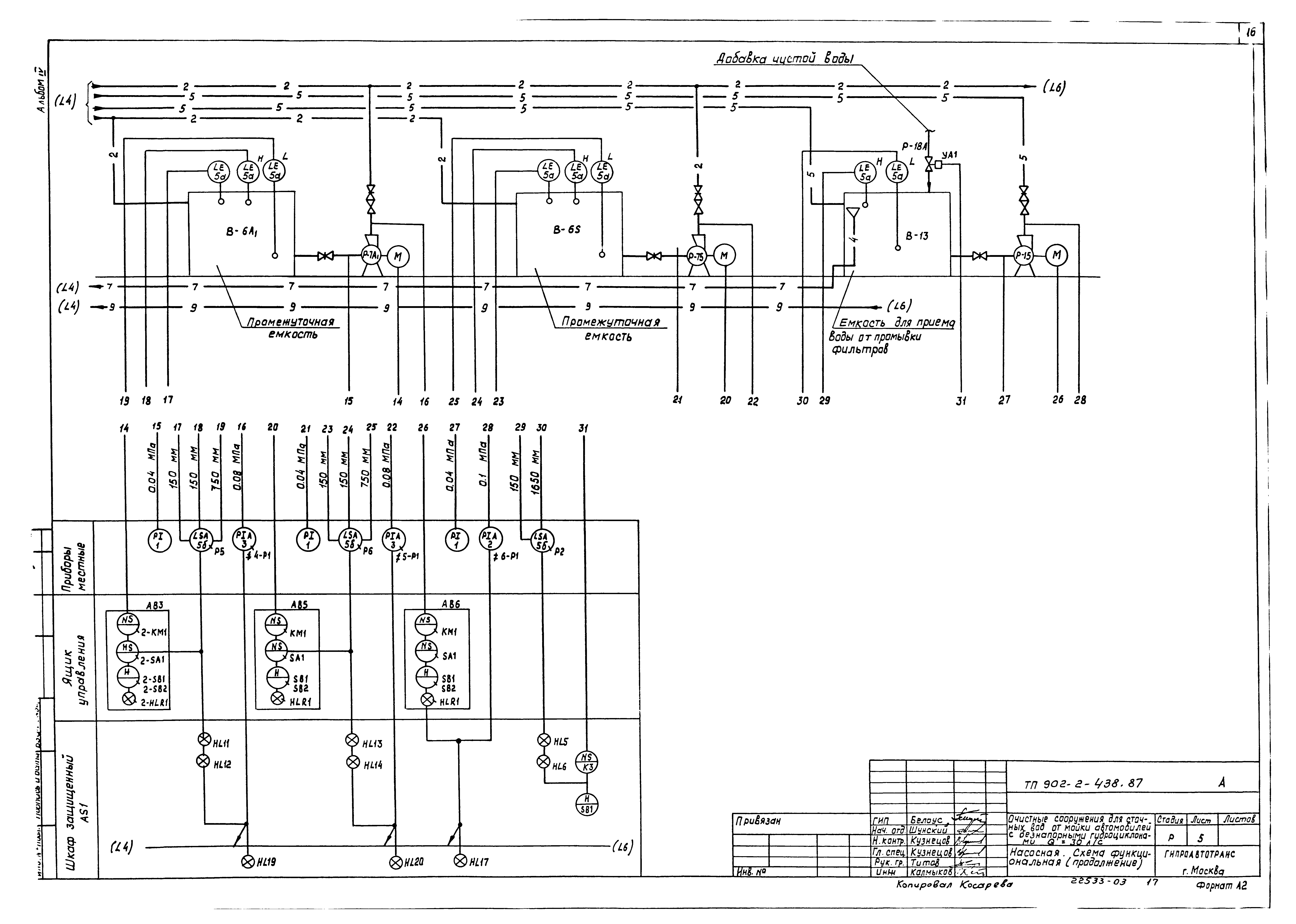
ТП 902-2-438.87-А-6 Насосная. Схема функциональная (окончание)
ТП 902-2-438.87-А-7 Тепловой узел. Схема функциональная. Схема внешних проводок
ТП 902-2-438.87-А-8 Приточная система П1. Схема функциональная
ТП 902-2-438.87-А-9 Насосы Р-3. Схема электрическая принципиальная управления
ТП 902-2-438.87-А-10 Насосы Р7,Р15. Схема электрическая принципиальная управления
ТП 902-2-438.87-А-11 Насосы Р9. Схема электрическая принципиальная управления (начало)
ТП 902-2-438.87-А-12 Насосы Р9. Схема электрическая принципиальная управления (продолжение)
ТП 902-2-438.87-А-13 Насосы Р9. Схема электрическая принципиальная управления (окончание)
ТП 902-2-438.87-А-14 Схема электрическая принципиальная системы измерений (начало)
ТП 902-2-438.87-А-15 Схема электрическая принципиальная системы измерений (продолжение)
ТП 902-2-438.87-А-16 Схема электрическая принципиальная системы измерений (продолжение)
ТП 902-2-438.87-А-17 Схема электрическая принципиальная системы измерений (окончание)
ТП 902-2-438.87-А-18 Схема электрическая принципиальная сигнализации
ТП 902-2-438.87-А-19 Приточная система П1. Схема электрическая принципиальная управления (начало)
ТП 902-2-438.87-А-20 Приточная система П1. Схема электрическая принципиальная управления (окончание)
ТП 902-2-438.87-А-21 Приточная система П1. Схема электрическая принципиальная регулирования
ТП 902-2-438.87-А-22 Схема внешних проводок (начало)
ТП 902-2-438.87-А-23 Схема внешних проводок (продолжение)
ТП 902-2-438.87-А-24 Схема внешних проводок (окончание)
ТП 902-2-438.87-А-25 Насосы Р-9. Схема внешних проводок (начало)
ТП 902-2-438.87-А-26 Насосы Р-9. Схема внешних проводок (продолжение)
ТП 902-2-438.87-А-27 Насосы Р-9. Схема внешних проводок (окончание)
ТП 902-2-438.87-А-28 Приточная система П1. Схема внешних проводок (начало)
ТП 902-2-438.87-А-29 Приточная система П1. Схема внешних проводок (окончание)
ТП 902-2-438.87-А-30 План расположения
ТП 902-2-438.87-СС Связь и сигнализация
ТП 902-2-438.87-СС-1 Общие данные. План расположения сетей на отм. 3.600 между осями 5-6 и А-В
Разработан: Гипроавтотранс
Утверждён:01.10.1987 Минавтотранс РСФСР (Russian Federation Minavtotrans 11)
Расположен в:Техническая документация Строительство Справочные документы Типовые строительные конструкции, изделия и узлы Общероссийский строительный каталог Промышленные предприятия, здания и сооружения Здания и сооружения санитарно-технические Канализация Сооружения для очистки производственных сточных вод Сооружения для очистки сточных вод от мойки автомобилей
Заменяет собой:
Чем заменён:
  • Типовой проект 902-2-489.92 «Очистные сооружения для сточных вод от мойки автомобилей производительностью 30 л/с»
Типовой проект 902-2-439.87Типовой проект 902-2-439.87Типовой проект 902-2-439.87Типовой проект 902-2-439.87Типовой проект 902-2-439.87Типовой проект 902-2-439.87Типовой проект 902-2-439.87Типовой проект 902-2-439.87Типовой проект 902-2-439.87Типовой проект 902-2-439.87Типовой проект 902-2-439.87Типовой проект 902-2-439.87Типовой проект 902-2-439.87Типовой проект 902-2-439.87Типовой проект 902-2-439.87Типовой проект 902-2-439.87Типовой проект 902-2-439.87Типовой проект 902-2-439.87Типовой проект 902-2-439.87Типовой проект 902-2-439.87Типовой проект 902-2-439.87Типовой проект 902-2-439.87Типовой проект 902-2-439.87Типовой проект 902-2-439.87Типовой проект 902-2-439.87Типовой проект 902-2-439.87Типовой проект 902-2-439.87Типовой проект 902-2-439.87Типовой проект 902-2-439.87Типовой проект 902-2-439.87Типовой проект 902-2-439.87Типовой проект 902-2-439.87Типовой проект 902-2-439.87Типовой проект 902-2-439.87Типовой проект 902-2-439.87Типовой проект 902-2-439.87Типовой проект 902-2-439.87Типовой проект 902-2-439.87Типовой проект 902-2-439.87Типовой проект 902-2-439.87Типовой проект 902-2-439.87Типовой проект 902-2-439.87Типовой проект 902-2-439.87Типовой проект 902-2-439.87

© 2013 Ёшкин Кот :-) Карта сайта