Информационная система
«Ёшкин Кот»

Скачать базу одним архивом
Скачать обновления
История создания базы
Карта сайта

Скачать Типовой проект 903-1-200 Альбом 5.1. Котельная. Архитектурно-строительная часть. Общие чертежи (из ТП 903-1-199)

Дата актуализации: 10.08.2017

Типовой проект 903-1-200

Альбом 5.1. Котельная. Архитектурно-строительная часть. Общие чертежи (из ТП 903-1-199)

Обозначение: Типовой проект 903-1-200
Обозначение англ: 903-1-200
Статус:действует
Название рус.:Альбом 5.1. Котельная. Архитектурно-строительная часть. Общие чертежи (из ТП 903-1-199)
Дата добавления в базу:01.09.2013
Дата актуализации:05.05.2017
Дата введения:01.07.1984
Оглавление:ТП 903-1-199 Содержание альбома
ТП 903-1-199-АР Архитектурно-строительные решения
ТП 903-1-199-АР-1 Общие данные (начало)
ТП 903-1-199-АР-2 Общие данные (продолжение)
ТП 903-1-199-АР-3 Общие данные (окончание)
ТП 903-1-199-АР-4 План кровли. План полов на отм. 0.000 и 3.600
ТП 903-1-199-АР-5 Планы на отм. 0.000 и 3.600
ТП 903-1-199-АР-6 Разрезы 1-1,2-2. Узлы 1-4
ТП 903-1-199-АР-7 Фрагмент 1. Узел 5
ТП 903-1-199-АР-8 Фасады 1-10,А-Г,Г-А. Схемы заполнения оконных проемов ОК-1÷ОК-6
ТП 903-1-199-АР-9 Фасад 10-1. Фрагмент 2
ТП 903-1-199-АР-10 Фрагменты 3,4,5. Узлы 6-9
ТП 903-1-199-КЖ Конструкции железобетонные
ТП 903-1-199-КЖ-1 Общие данные (начало)
ТП 903-1-199-КЖ-2 Общие данные (продолжение)
ТП 903-1-199-КЖ-3 Общие данные (окончание)
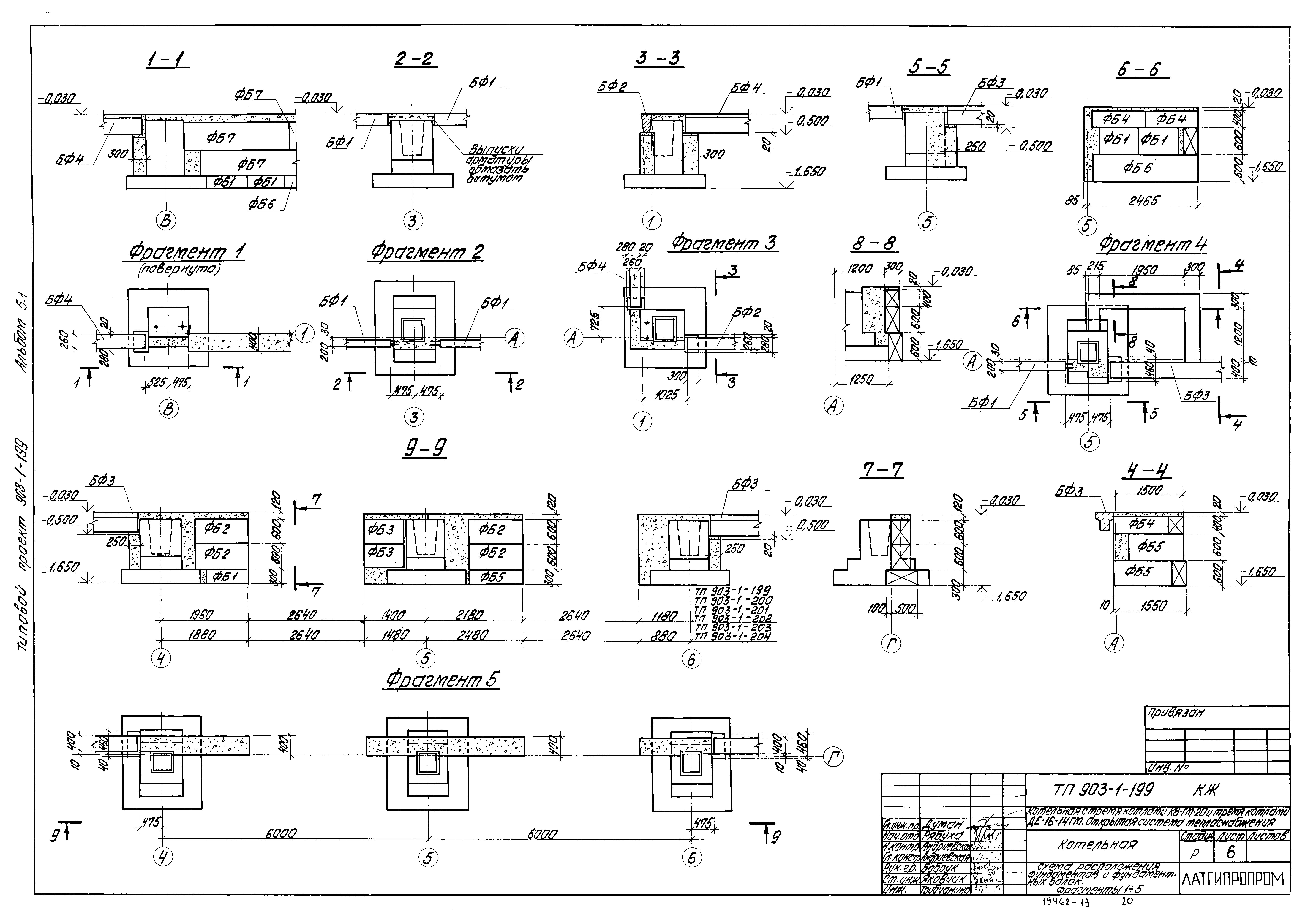
ТП 903-1-199-КЖ-4 Схема расположения фундаментов и фундаментных балок
ТП 903-1-199-КЖ-5 Таблица нагрузок на фундаменты. Фрагменты 6,7
ТП 903-1-199-КЖ-6 Схема расположения фундаментов и фундаментных балок. Фрагменты 1-5
ТП 903-1-199-КЖ-7 ФМ1;ФМ2. Опалубка и армирование
ТП 903-1-199-КЖ-8 ФМ3;ФМ4;ФМ5. Опалубка и армирование
ТП 903-1-199-КЖ-9 ФМ6;ФМ7;ФМ8. Опалубка и армирование
ТП 903-1-199-КЖ-10 Схема расположения фундаментов по осям 1,10 при строительстве по очередям ФМ9,ФМ10,ФМ10н. Опалубка и армирование
ТП 903-1-199-КЖ-11 Схема заземляющего контура здания котельной. Узлы А-Е
ТП 903-1-199-КЖ-12 Схема расположения колонн и ригелей
ТП 903-1-199-КЖ-13 Схема расположения балок покрытия и плит площадок на отм. 3.600 в осях В-Г,4-7 и А-Б,3-6
ТП 903-1-199-КЖ-14 Схема расположения плит покрытия. Элемент плана 1 (для ТП 903-1-199 и ТП 903-1-200)
ТП 903-1-199-КЖ-15 Схема расположения плит покрытия (для ТП 903-1-201 и ТП 903-1-202)
ТП 903-1-199-КЖ-16 Схема расположения плит покрытия (для ТП 903-1-203 и ТП 903-1-204)
ТП 903-1-199-КЖ-17 Разрезы 1-1÷3-3. Узлы 1-3
ТП 903-1-199-КЖ-18 Узлы 4-10
ТП 903-1-199-КЖ-19 Схемы расположения стеновых панелей по осям А,10,1, стальных стоек и насадок торцевого фахверка по осям 1 и 10
ТП 903-1-199-КЖ-20 Фрагменты 1-9
ТП 903-1-199-КЖ-21 Схема расположения стеновых панелей по оси Г
ТП 903-1-199-КЖ-22 Фрагменты 10-19. Узлы 11,12
ТП 903-1-199-КЖ-23 Схемы расположения перегородок на отм. 0.000 по осям В,4,6 и на отм. 3.600 в осях А-Б
ТП 903-1-199-КЖ-24 Каркасно-обшивной вкладыш В1. Узлы 13-18
ТП 903-1-199-КЖ-25 Схема расположения закладных изделий на отм. 3.600 по оси А
ТП 903-1-199-КЖ-26 Схема расположения закладных изделий на отм. 3.600 в осях В-Г,4-7
ТП 903-1-199-КЖ-27 Монолитные участки УМ1,УМ1-1,УМ2-УМ4. Узел А
ТП 903-1-199-КЖ-28 УМ5. Спецификация монолитных участков УМ1,УМ1-1,УМ2-УМ5
ТП 903-1-199-КМ Конструкции металлические
ТП 903-1-199-КМ-1 Общие данные. Ведомость металлоконструкции по видам профилей
ТП 903-1-199-КМ-2 Техническая спецификация металла
ТП 903-1-199-КМ-3 Техническая спецификация металла для специализированных заводов
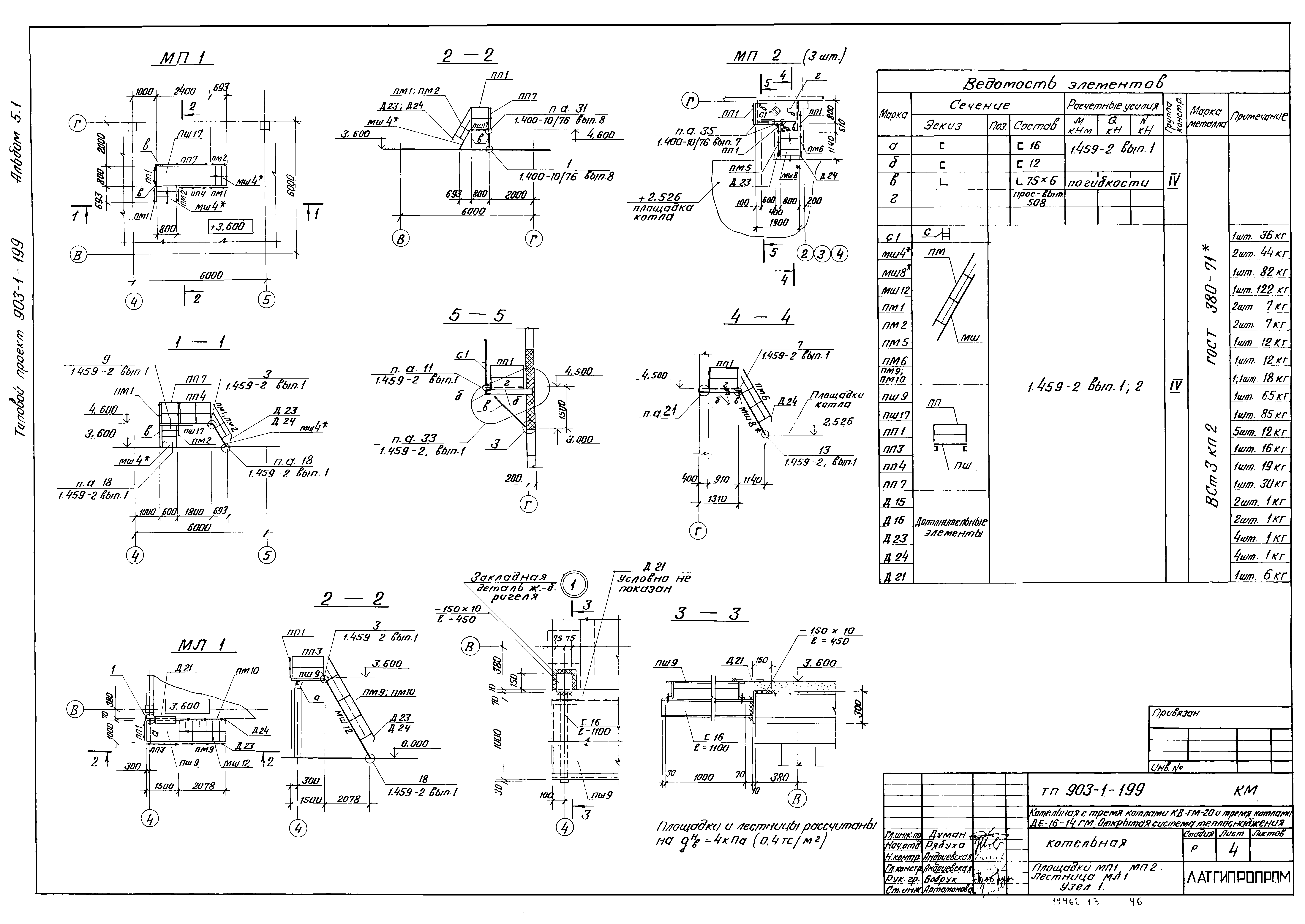
ТП 903-1-199-КМ-4 Площадки МП1,МП2. Лестница МЛ1. Узел 1
ТП 903-1-199-КМ-5 Лестницы МЛ2,МЛ3. Площадка МП3. Узлы 2,3
ТП 903-1-199-КМ-6 Площадка МП4. Узлы 4,5
ТП 903-1-199-КМ-7 Схема расположения опор под трубопроводы. Элемент плана № 1. Узел 34
ТП 903-1-199-КМ-8 Схема расположения подвесных путей в осях 7-10. Узлы 6-9
ТП 903-1-199-КМ-9 Узлы 10-19
ТП 903-1-199-КМ-10 Узлы 20-25
ТП 903-1-199-КМ-11 Узлы 26-31
ТП 903-1-199-КМ-12 Схема расположения опор ГРУ на отм. 3.600. Узлы 32,33
ТП 903-1-199-КМ-13 Трансформаторные утепленные ворота ВТУ-1 и двери ДТ-1
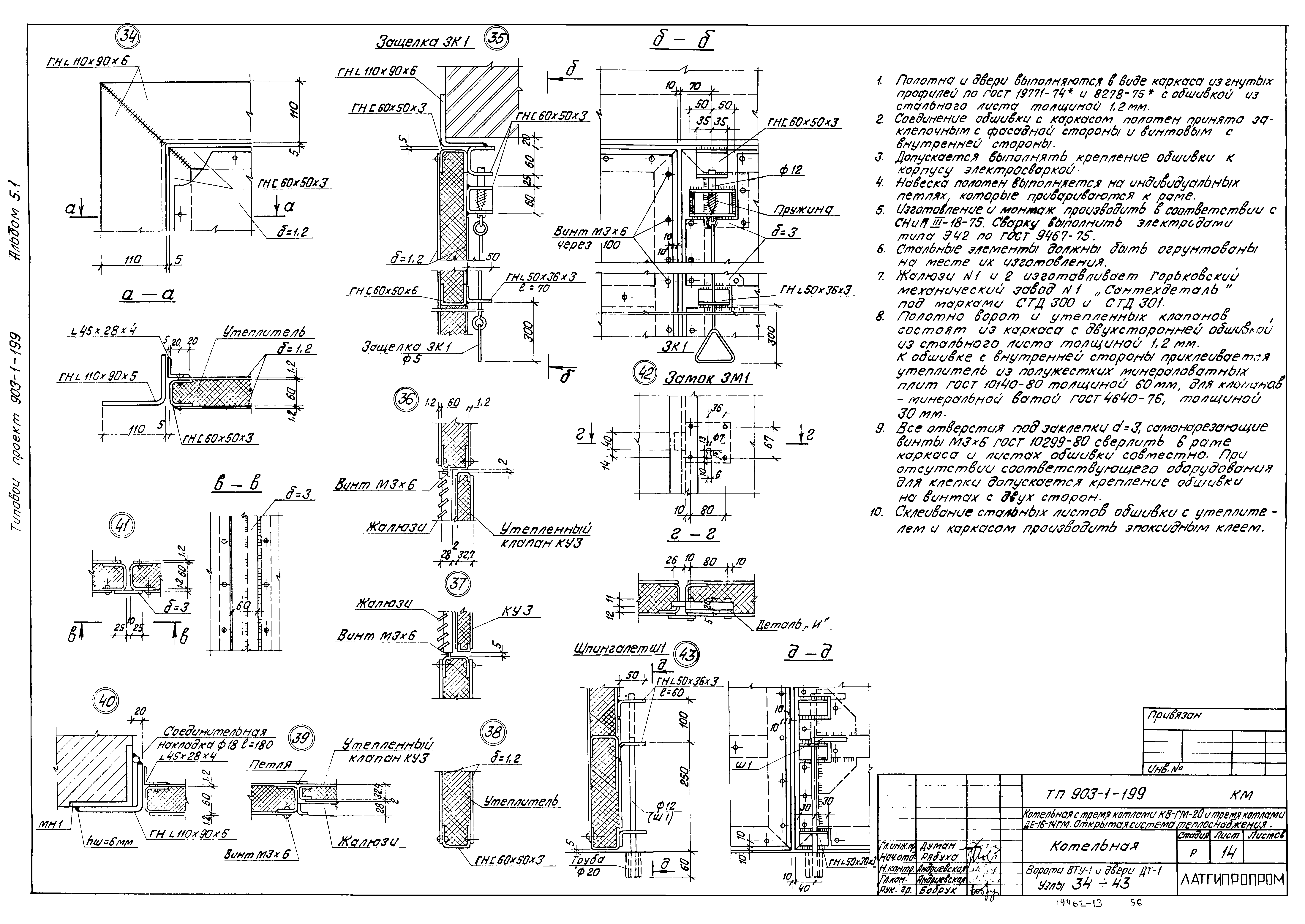
ТП 903-1-199-КМ-14 Ворота ВТУ-1 и двери ДТ-1. Узлы 34-43
ТП 903-1-199-КМ-15 Ворота ВТУ-1 и двери ДТ-1. Узлы 44-48
ТП 903-1-199-КМ-16 Ворота ВТУ-1 и двери ДТ-1. Узел 49. Клапаны КУ-1÷КУ-3. Детали А-И
Разработан: Латгипропром
Утверждён:10.11.1983 Главпромстройпроект Госстроя СССР (41)
Расположен в:Техническая документация Строительство Справочные документы Типовые строительные конструкции, изделия и узлы Общероссийский строительный каталог Промышленные предприятия, здания и сооружения Здания и сооружения санитарно-технические Теплоснабжение Котельные установки Закрытые системы теплоснабжения Топливо - газ и мазут
Типовой проект 903-1-200Типовой проект 903-1-200Типовой проект 903-1-200Типовой проект 903-1-200Типовой проект 903-1-200Типовой проект 903-1-200Типовой проект 903-1-200Типовой проект 903-1-200Типовой проект 903-1-200Типовой проект 903-1-200Типовой проект 903-1-200Типовой проект 903-1-200Типовой проект 903-1-200Типовой проект 903-1-200Типовой проект 903-1-200Типовой проект 903-1-200Типовой проект 903-1-200Типовой проект 903-1-200Типовой проект 903-1-200Типовой проект 903-1-200Типовой проект 903-1-200Типовой проект 903-1-200Типовой проект 903-1-200Типовой проект 903-1-200Типовой проект 903-1-200Типовой проект 903-1-200Типовой проект 903-1-200Типовой проект 903-1-200Типовой проект 903-1-200Типовой проект 903-1-200Типовой проект 903-1-200Типовой проект 903-1-200Типовой проект 903-1-200Типовой проект 903-1-200Типовой проект 903-1-200Типовой проект 903-1-200Типовой проект 903-1-200Типовой проект 903-1-200Типовой проект 903-1-200Типовой проект 903-1-200Типовой проект 903-1-200Типовой проект 903-1-200Типовой проект 903-1-200Типовой проект 903-1-200Типовой проект 903-1-200Типовой проект 903-1-200Типовой проект 903-1-200Типовой проект 903-1-200Типовой проект 903-1-200Типовой проект 903-1-200Типовой проект 903-1-200Типовой проект 903-1-200Типовой проект 903-1-200Типовой проект 903-1-200Типовой проект 903-1-200Типовой проект 903-1-200Типовой проект 903-1-200Типовой проект 903-1-200Типовой проект 903-1-200

© 2013 Ёшкин Кот :-) Карта сайта