Скачать Типовой проект 902-2-272 Альбом II. Чертежи технологические, архитектурно-строительные, санитарно-технические и электротехническиеДата актуализации: 10.08.2017 Типовой проект 902-2-272
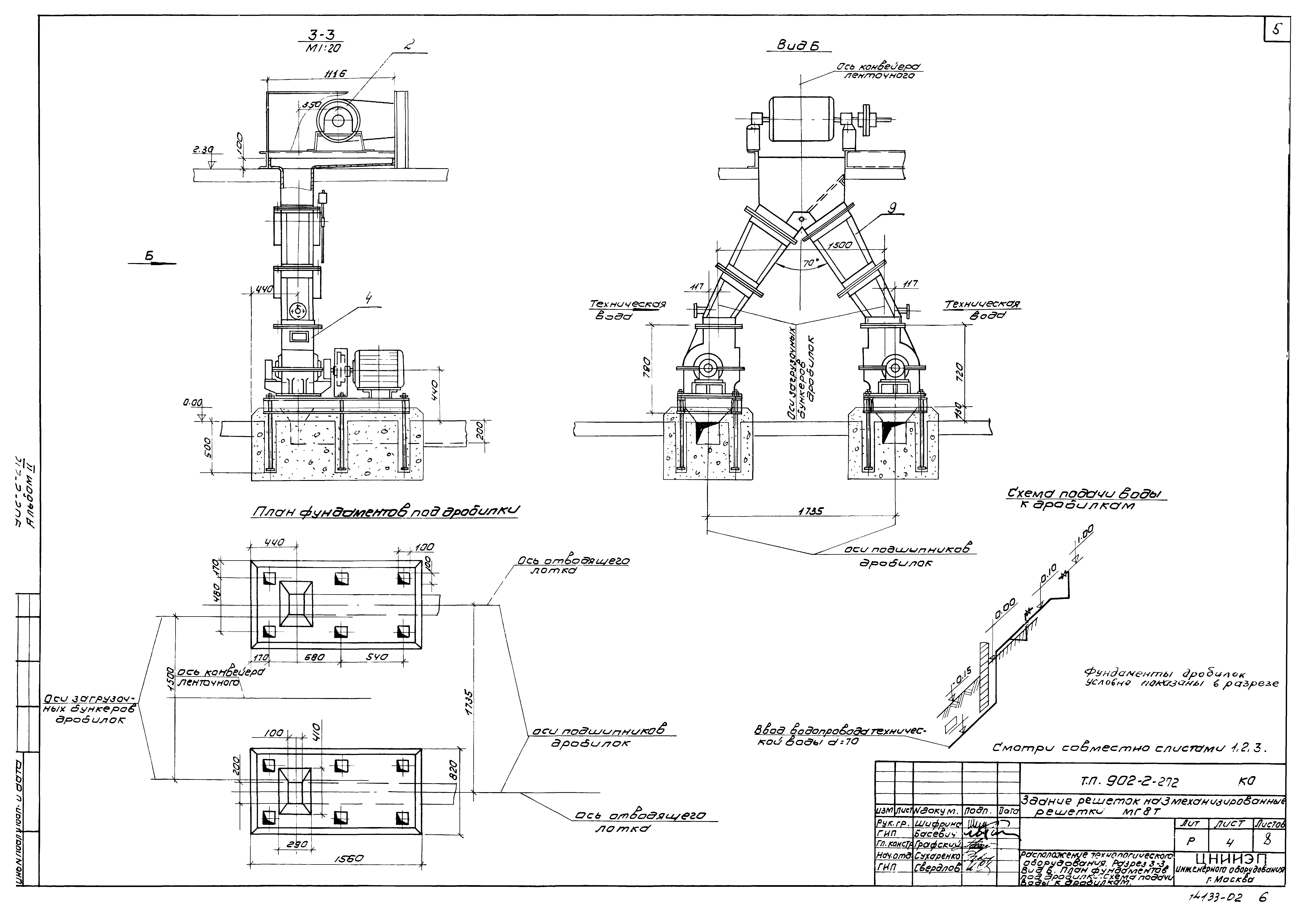
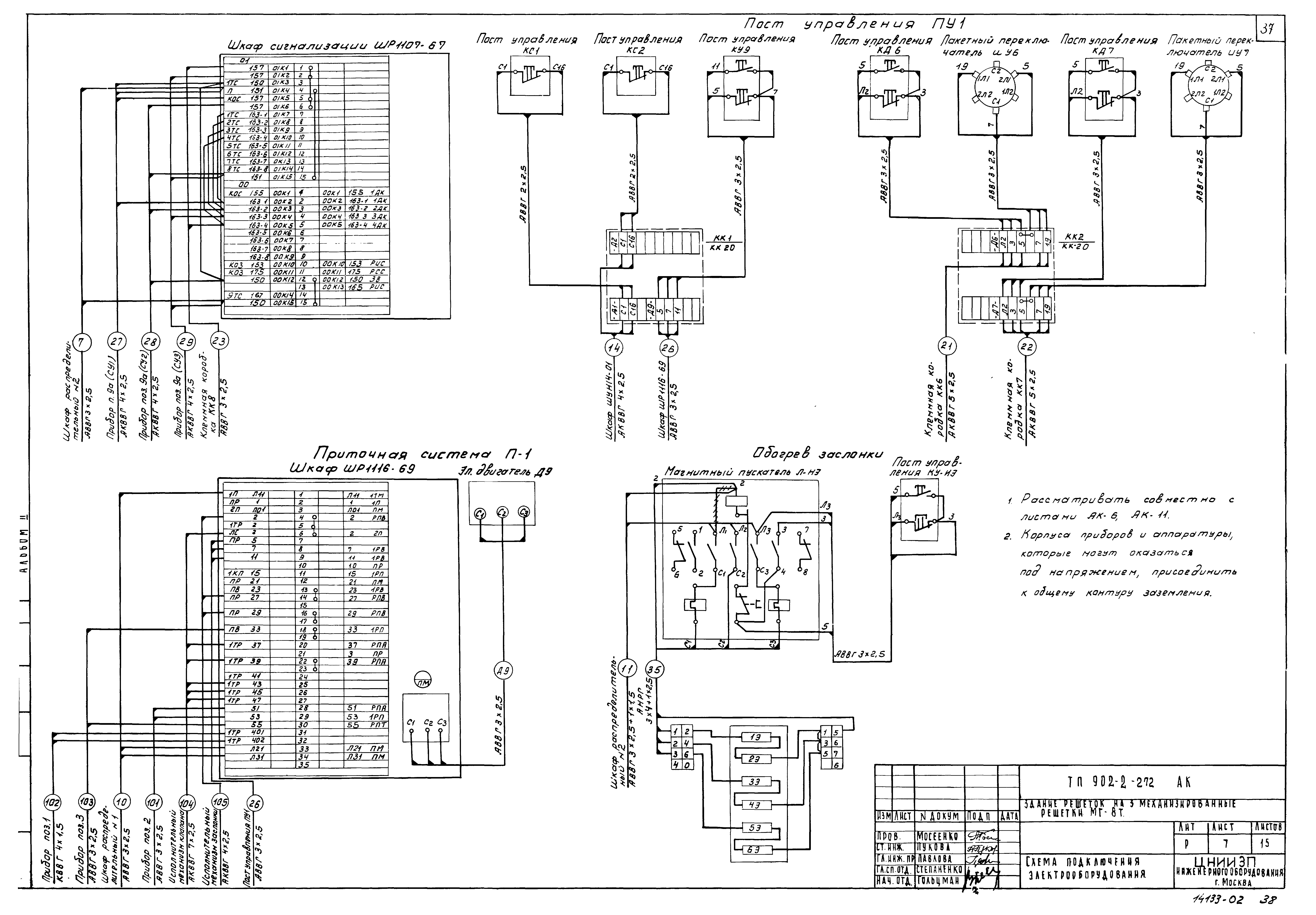
Альбом II. Чертежи технологические, архитектурно-строительные, санитарно-технические и электротехническиеОбозначение: | Типовой проект 902-2-272 | Обозначение англ: | 902-2-272 | Статус: | действует | Название рус.: | Альбом II. Чертежи технологические, архитектурно-строительные, санитарно-технические и электротехнические | Дата добавления в базу: | 01.09.2013 | Дата актуализации: | 05.05.2017 | Дата введения: | 30.06.1976 | Оглавление: | ТП 902-2-272 Обложка ТП 902-2-272 Содержание альбома ТП 902-2-272-КО Технологическая часть ТП 902-2-272-КО-1 Расположение технологического оборудования. План и разрез 1-1 ТП 902-2-272-КО-2 Расположение технологического оборудования. План и разрез 2-2 ТП 902-2-272-КО-3 Расположение технологического оборудования. Вид А ТП 902-2-272-КО-4 Расположение технологического оборудования. Разрез 3-3. Вид Б. План фундаментов под дробилки. Схема подачи воды к дробилкам ТП 902-2-272-КО-5 Бункер для отбросов ТП 902-2-272-КО-6 Бункер для отбросов ТП 902-2-272-КО-7 Затвор плоский поверхностный 1400х2000 ТП 902-2-272-КО-8 Лоток тип 1. Лоток тип 2. Щитовой затвор ТП 902-2-272-АР,КЖ Архитектурно-строительная часть ТП 902-2-272-АР,КЖ Общие данные ТП 902-2-272-АР-1 Планы на отм. 0.000 и 2.800. Ведомость проемов дверей и ворот ТП 902-2-272-АР-2 Разрезы 1-1÷3-3. Узлы 1 и 2 ТП 902-2-272-АР-3 Фасады 6-1,1-6,Б-А,А-Б ТП 902-2-272-АР-4 Ведомость внутренней отделки помещений. Планы полов и кровли ТП 902-2-272-КЖ-1 Маркировочная схема фундаментов и фундаментных балок ТП 902-2-272-КЖ-2 Фундаменты под здание ФМ-1,ФМ-2,ФМ-2а,ФМ-3 ТП 902-2-272-КЖ-3 Армирование фундаментов. Сетки С22-10,С41-10,С22-10-1,КПА11. Спецификация ТП 902-2-272-КЖ-4 Маркировочная схема каналов и фундаментов под оборудование ФО-1,ФО-1а ТП 902-2-272-КЖ-5 Сечение каналов 5-5÷9-9. Деталь "А" ТП 902-2-272-КЖ-6 Каналы КЛ-1,КЛ-2. Опалубка. Разрезы ТП 902-2-272-КЖ-7 Каналы КЛ-1,КЛ-2. Армирование ТП 902-2-272-КЖ-8 Маркировочные схемы колонн, балок, плит перекрытия и покрытия. Разрезы. Спецификация ТП 902-2-272-КЖ-9 Опалубка колонн и балок ТП 902-2-272-КЖ-10 Маркировочные схемы стеновых панелей ТП 902-2-272-КЖ-11 Стеновые панели. Спецификации ТП 902-2-272-КЖ-12 Маркировочная схема подкрановых путей. Разрезы. Узлы ТП 902-2-272-КЖ-13 Металлические площадки на отм. 0.000;2.300. Узлы ТП 902-2-272-КЖ-14 План венткамеры. Маркировочная схема перемычек ТП 902-2-272-КЖ-15 Закладные детали ТП 902-2-272-КЖ-16 Выборка материалов ТП 902-2-272-АК Электротехническая часть ТП 902-2-272-АК-1 Питание электрооборудования. Схема принципиальная электрическая ТП 902-2-272-АК-2 Дробилка Д1(Д2). Конвейер Д6(Д7). Щитовой затвор Д11(Д12,Д13). Схемы принципиальные электрические ТП 902-2-272-АК-3 Дренажный насос Д8. Механические грабли Д3(Д4,Д5). Схемы принципиальные электрические ТП 902-2-272-АК-4 Приточная система вентиляции. Обогрев заслонки наружного воздуха. Схемы принципиальные электрические ТП 902-2-272-АК-5 Сигнализация. Схема принципиальная электрическая ТП 902-2-272-АК-6 Схема подключения электрооборудования ТП 902-2-272-АК-7 Схема подключения электрооборудования ТП 902-2-272-АК-8 Схема подключения приборов технологического контроля ТП 902-2-272-АК-9 Шкаф РТ30-69(Ш-197). Общий вид. Схема соединений ТП 902-2-272-АК-10 Посты управления ПУ1,ПУ2. Общие виды ТП 902-2-272-АК-11 Кабельный журнал ТП 902-2-272-АК-12 Размещение электрооборудования и прокладка кабелей ТП 902-2-272-АК-13 Электрическое освещение. План на отм. 0.000 и 2.800 ТП 902-2-272-АК-14 Заземление. План на отм. 0.000 и 2.800 ТП 902-2-272-АК-15 Попанельная спецификация и опросные листы на шкафы ШУН,ШР и РТ30-69 ТП 902-2-272-СС Связь и сигнализация ТП 902-2-272-СС-1 План на отм. 0.000 с нанесением сетей связи ТП 902-2-272-ОВ,ВК Санитарно-техническая часть ТП 902-2-272-ОВ-1 Заглавный лист ТП 902-2-272-ОВ-2 План на отм. 0.000 с нанесением системы отопления. План на отм. 0.000 с нанесением систем вентиляции ТП 902-2-272-ОВ-3 Схема системы отопления. Схема системы вентиляции В-1 ТП 902-2-272-ОВ-4 Схема системы вентиляции П-1. Условные обозначения ТП 902-2-272-ОВ-5 Венткамера на отм. 2.80. Системы П-1,В-1. План. Разрез. Спецификация ТП 902-2-272-ВК-1 План на отм. 0.00 с нанесением внутренних сетей водопровода и канализации. Схема водопровода и канализации | Разработан: | ЦНИИЭП иженерного оборудования
| Утверждён: | 22.07.1974 Госгражданстрой (Gosgrazhdanstroy 164)
| Расположен в: |
|
                                                    
|