Информационная система
«Ёшкин Кот»

Скачать базу одним архивом
Скачать обновления
История создания базы
Карта сайта

Скачать Серия 1.436.2-17 Выпуск 5. Механизмы открывания фрамуг, тип Б. Рабочие чертежи

Дата актуализации: 10.08.2017

Серия 1.436.2-17

Выпуск 5. Механизмы открывания фрамуг, тип Б. Рабочие чертежи

Обозначение: Серия 1.436.2-17
Обозначение англ: Series 1.436.2-17
Статус:не действует
Название рус.:Выпуск 5. Механизмы открывания фрамуг, тип Б. Рабочие чертежи
Дата добавления в базу:01.09.2013
Дата актуализации:05.05.2017
Дата введения:01.06.1982
Дата окончания срока действия:01.12.1987
Оглавление:1.436.2-17.5 Содержание альбома
1.436.2-17.5 МБ1.00.00.000 ТУ Технические условия
1.436.2-17.5 МБ1.00.00.000 Механизм рычажный
1.436.2-17.5 МБ1.00.00.000 СБ Механизм рычажный. Сборочный чертеж
1.436.2-17.5 МБ1.00.00.001 Рычаг
1.436.2-17.5 МБ1.00.00.002 Ручка
1.436.2-17.5 МБ1.00.00.003 Палец
1.436.2-17.5 МБ1.00.00.004 Пружина
1.436.2-17.5 МБ1.00.00.005 Втулка
1.436.2-17.5 МБ1.00.00.006 Кронштейн
1.436.2-17.5 МБ1.00.00.007 Кронштейн
1.436.2-17.5 МБ1.01.00.000 Вилка
1.436.2-17.5 МБ1.01.00.001 Болт
1.436.2-17.5 МБ1.01.00.002 Штифт
1.436.2-17.5 МБ1.01.00.003 Вилка
1.436.2-17.5 МБ1.02.00.000 Скоба
1.436.2-17.5 МБ1.02.00.000 СБ Скоба. Сборочный чертеж
1.436.2-17.5 МБ1.02.00.001 Палец
1.436.2-17.5 МБ1.02.00.002 Шайба
1.436.2-17.5 МБ1.02.00.003 Втулка
1.436.2-17.5 МБ1.02.00.004 Фиксатор
1.436.2-17.5 МБ1.02.00.005 Скоба
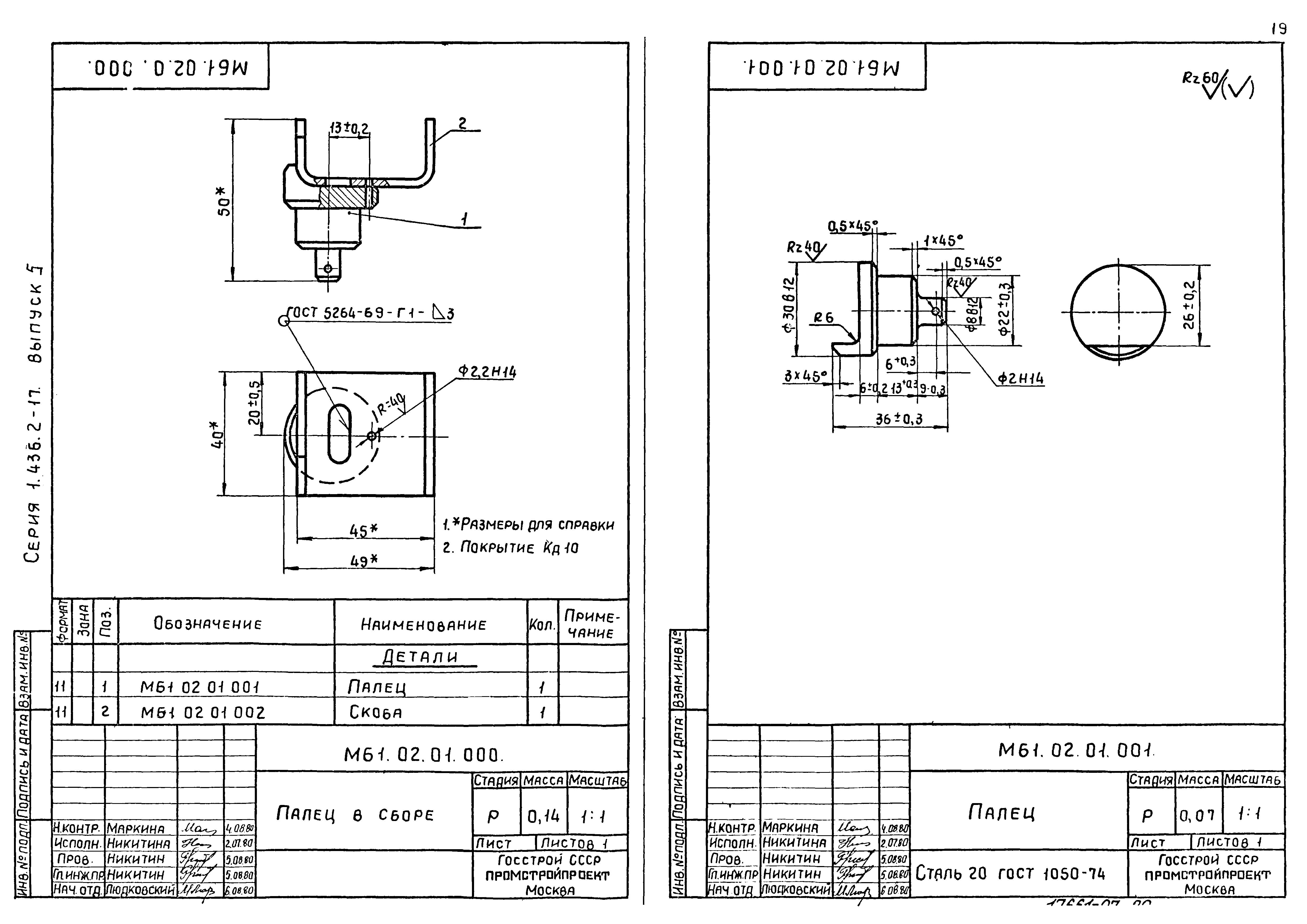
1.436.2-17.5 МБ1.02.01.000 Палец в сборе
1.436.2-17.5 МБ1.02.01.001 Палец
1.436.2-17.5 МБ1.02.01.002 Скоба
1.436.2-17.5 МБ1.03.00.000 Кожух
1.436.2-17.5 МБ1.03.00.000 СБ Кожух. Сборочный чертеж
1.436.2-17.5 МБ1.03.00.001 Пластина
1.436.2-17.5 МБ1.03.00.002 Скоба
1.436.2-17.5 МБ1.03.00.003 Пластина
1.436.2-17.5 МБ1.03.00.004 Пластина
1.436.2-17.5 МБ1.04.00.000 Кронштейн
1.436.2-17.5 МБ1.04.00.001 Пластина
1.436.2-17.5 МБ1.04.00.002 Зацеп
1.436.2-17.5 МБ2.00.00.000 Механизм рычажный
1.436.2-17.5 МБ2.00.00.000 СБ Механизм рычажный. Сборочный чертеж
1.436.2-17.5 МБ2.00.00.001 Крючок
1.436.2-17.5 МБ2.00.00.002 Опора
1.436.2-17.5 МБ2.00.00.003 Шайба
1.436.2-17.5 МБ2.00.00.004 Палец
1.436.2-17.5 МБ2.00.00.005 Скоба
1.436.2-17.5 МБ2.01.00.000 Рычаг
1.436.2-17.5 МБ2.01.00.000 СБ Рычаг. Сборочный чертеж
1.436.2-17.5 МБ2.01.00.001 Вал
1.436.2-17.5 МБ2.01.00.002 Рукоятка
1.436.2-17.5 МБ2.01.00.002-01 Рукоятка
1.436.2-17.5 МБ2.01.00.003 Ось
1.436.2-17.5 МБ2.01.00.004 Заглушка
1.436.2-17.5 МБ2.02.00.000 Вал
1.436.2-17.5 МБ2.02.00.000 СБ Вал. Сборочный чертеж
1.436.2-17.5 МБ2.02.00.001 Ось
1.436.2-17.5 МБ2.02.00.002 Ось
1.436.2-17.5 МБ3.08.00.000 СБ Кронштейн. Сборочный чертеж
1.436.2-17.5 МБ3.08.00.001 Скоба
1.436.2-17.5 МБ3.08.00.002 Шпилька
1.436.2-17.5 МБ3.08.00.003 Платик
Разработан: Промстройпроект
Утверждён:05.02.1982 Госстрой СССР (Государственный комитет Совета Министров СССР по делам строительства) (USSR Gosstroy 8)
Расположен в:Техническая документация Строительство Справочные документы Типовые строительные конструкции, изделия и узлы Общероссийский строительный каталог Строительные конструкции, изделия и узлы зданий и сооружений для всех видов строительства Конструкции, изделия и узлы зданий Ограждающие конструкции Окна и балконные двери
Чем заменён:
Серия 1.436.2-17Серия 1.436.2-17Серия 1.436.2-17Серия 1.436.2-17Серия 1.436.2-17Серия 1.436.2-17Серия 1.436.2-17Серия 1.436.2-17Серия 1.436.2-17Серия 1.436.2-17Серия 1.436.2-17Серия 1.436.2-17Серия 1.436.2-17Серия 1.436.2-17Серия 1.436.2-17Серия 1.436.2-17Серия 1.436.2-17Серия 1.436.2-17Серия 1.436.2-17Серия 1.436.2-17Серия 1.436.2-17Серия 1.436.2-17Серия 1.436.2-17Серия 1.436.2-17Серия 1.436.2-17Серия 1.436.2-17Серия 1.436.2-17Серия 1.436.2-17Серия 1.436.2-17Серия 1.436.2-17Серия 1.436.2-17Серия 1.436.2-17Серия 1.436.2-17Серия 1.436.2-17Серия 1.436.2-17Серия 1.436.2-17Серия 1.436.2-17Серия 1.436.2-17Серия 1.436.2-17Серия 1.436.2-17Серия 1.436.2-17Серия 1.436.2-17Серия 1.436.2-17Серия 1.436.2-17Серия 1.436.2-17Серия 1.436.2-17Серия 1.436.2-17Серия 1.436.2-17Серия 1.436.2-17Серия 1.436.2-17Серия 1.436.2-17Серия 1.436.2-17Серия 1.436.2-17Серия 1.436.2-17Серия 1.436.2-17Серия 1.436.2-17Серия 1.436.2-17Серия 1.436.2-17Серия 1.436.2-17Серия 1.436.2-17Серия 1.436.2-17Серия 1.436.2-17Серия 1.436.2-17Серия 1.436.2-17Серия 1.436.2-17Серия 1.436.2-17Серия 1.436.2-17Серия 1.436.2-17Серия 1.436.2-17Серия 1.436.2-17Серия 1.436.2-17Серия 1.436.2-17

© 2013 Ёшкин Кот :-) Карта сайта