Информационная система
«Ёшкин Кот»

Скачать базу одним архивом
Скачать обновления
История создания базы
Карта сайта

Скачать Типовой проект 904-1-62.86 Альбом 1. Технология производства

Дата актуализации: 10.08.2017

Типовой проект 904-1-62.86

Альбом 1. Технология производства

Обозначение: Типовой проект 904-1-62.86
Обозначение англ: 904-1-62.86
Статус:действует
Название рус.:Альбом 1. Технология производства
Дата добавления в базу:01.09.2013
Дата актуализации:05.05.2017
Оглавление:ТП 904-1-62.86 Титульный лист
ТП 904-1-62.86 Содержание
ТП 904-1-62.86-ТХ-1 Пояснительная записка (начало)
ТП 904-1-62.86-ТХ-2-8 Пояснительная записка (продолжение)
ТП 904-1-62.86-ТХ-9 Пояснительная записка (окончание)
ТП 904-1-62.86-ТХ-1 Общие данные (начало)
ТП 904-1-62.86-ТХ-2 Общие данные (окончание)
ТП 904-1-62.86-ТХ-3 План расположения оборудования
ТП 904-1-62.86-ТХ-4 План расположения оборудования
ТП 904-1-62.86-ТХ-5 План расположения оборудования
ТП 904-1-62.86-ТХ-6 План расположения оборудования
ТП 904-1-62.86-ТХ-7 Схема комбинированная принципиальная компрессорного агрегата
ТП 904-1-62.86-ТХ-8 Схема комбинированная принципиальная компрессорной станции
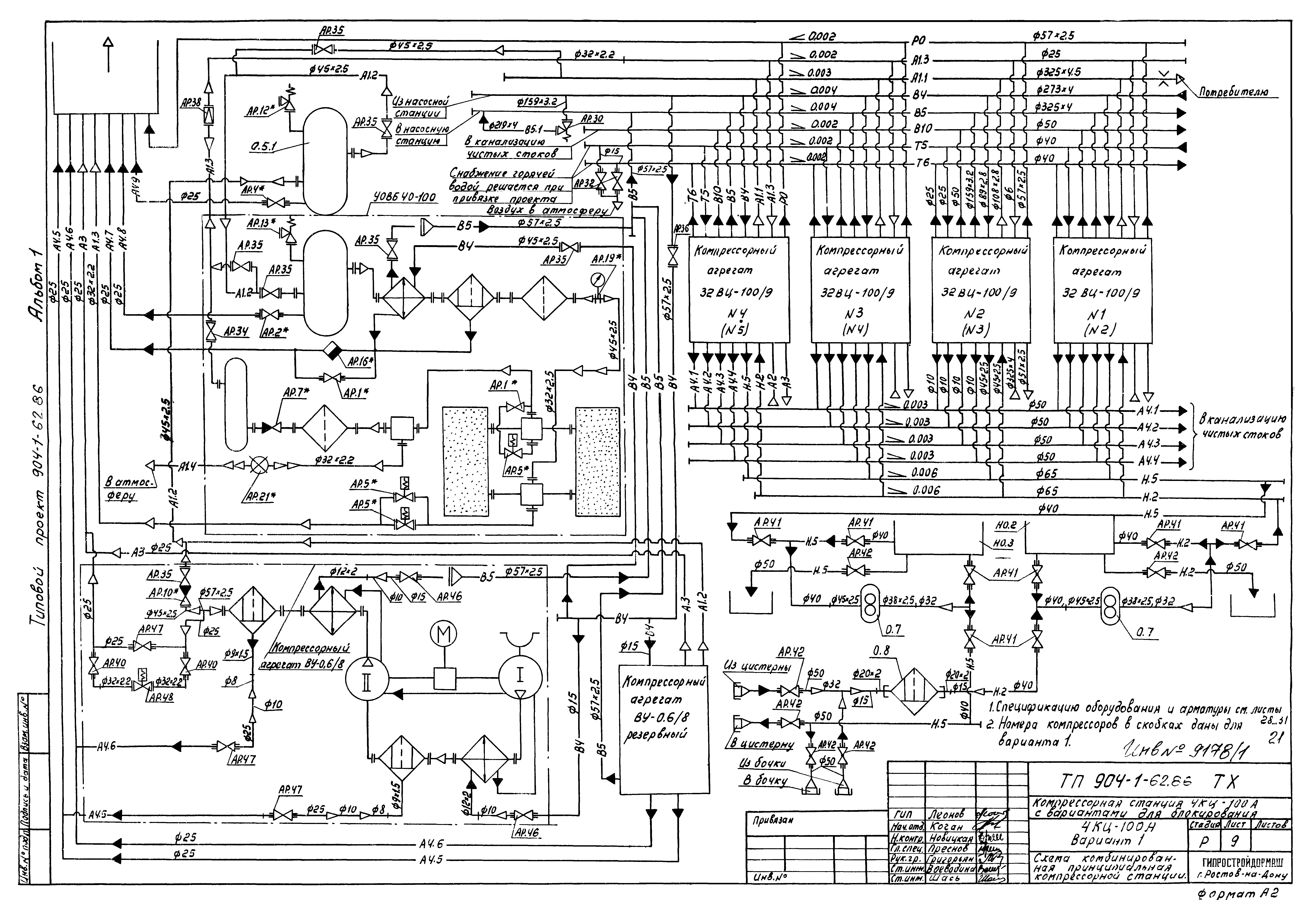
ТП 904-1-62.86-ТХ-9 Схема комбинированная принципиальная компрессорной станции
ТП 904-1-62.86-ТХ-10 Схема комбинированная принципиальная компрессорной станции
ТП 904-1-62.86-ТХ-11 Условные обозначения
ТП 904-1-62.86-ТХ-12 Помещение маслохозяйства
ТП 904-1-62.86-ТХ-13 Разводка трубопроводов
ТП 904-1-62.86-ТХ-14 Разводка трубопроводов
ТП 904-1-62.86-ТХ-15 Разводка трубопроводов
ТП 904-1-62.86-ТХ-16 Разводка трубопроводов
ТП 904-1-62.86-ТХ-17 Разводка трубопроводов
ТП 904-1-62.86-ТХ-18-26 Разводка трубопроводов
ТП 904-1-62.86-ТХ-27 Разводка трубопроводов
ТП 904-1-62.86-ТХ-28-45 Спецификация оборудования, арматуры и монтажных материалов трубопроводов
ТП 904-1-62.86-ТХ-46 Сводная спецификация монтажных материалов трубопроводов
ТП 904-1-62.86-ТХ-47 Ведомость теплоизоляционных конструкций
ТП 904-1-62.86-ТХ-48 Закладные элементы КИП
ТП 904-1-62.86-ТХ Задание строительному отделу
ТП 904-1-62.86-ТХ Задание на проектирование разделов ОВ и ВК
ТП 904-1-62.86 Опросный лист на кран
ТП 904-1-62.86 Опросный лист для заказа установки осушки УОВБ40-100
ТП 904-1-62.86-ТУ-1 Патрубок для присоединения воздушного фильтра
ТП 904-1-62.86-ТУ-2,-3,-4,-5,-7 Опора
ТП 904-1-62.86-ТУ-6 Подставка
ТП 904-1-62.86-ТД-12 Переход
ТП 904-1-62.86-ТД-13 Пластина
ТП 904-1-62.86-ГШВ.400.00.00.000 ТУ Глушитель шума всасывания. Технические условия. Листы 1-4
ТП 904-1-62.86-ГШВ.400.00.00.000 ТУ Глушитель шума всасывания. Технические условия. Листы 5-8
ТП 904-1-62.86-ГШВ.400.00.00.000 ТУ Глушитель шума всасывания. Технические условия. Лист 9
ТП 904-1-62.86-ГШВ.400.00.000.000 Глушитель шума всасывания
ТП 904-1-62.86-ГШВ.400.00.00.000 СБ Глушитель шума всасывания. Сборочный чертеж
ТП 904-1-62.86-ГШВ.01.00.000 Кассета звукопоглощающая. Листы 1,2
ТП 904-1-62.86-ГШВ.01.00.000 СБ Кассета звукопоглощающая. Сборочный чертеж
ТП 904-1-62.86-ГШВ.400.01.00.001 Лист перфорированный
ТП 904-1-62.86-ГШВ.400.01.01.002 Перекладина
ТП 904-1-62.86-ГШВ.400.01.01.000 Каркас. Листы 1-2
ТП 904-1-62.86-ГШВ.400.01.01.000 СБ Каркас. Сборочный чертеж
ТП 904-1-62.86-ГШВ.400.01.01.003 Перекладина
ТП 904-1-62.86-ГШВ.400.01.01.001 Накладка
ТП 904-1-62.86-ГШВ.400.01.02.000 Мат звукоизолирующий. Листы 1,2
ТП 904-1-62.86-ГШВ.400.01.02.000 Мат звукоизолирующий. Листы 3,4
ТП 904-1-62.86-ГШВ.400.01.02.000 СБ Мат звукоизолирующий. Сборочный чертеж
ТП 904-1-62.86-ГШВ.400.02.00.000 Кассета звукоизолирующая. Листы 1-2
ТП 904-1-62.86-ГШВ.400.02.00.000 СБ Кассета звукоизолирующая. Сборочный чертеж
ТП 904-1-62.86-ГШВ.400.02.01.000 Каркас. Листы 1-2
ТП 904-1-62.86-ГШВ.400.02.01.000 СБ Каркас. Сборочный чертеж
ТП 904-1-62.86-ГШВ.400.03.00.000 Кассета звукоизолирующая
ТП 904-1-62.86-ГШВ.400.03.00.000 СБ Кассета звукоизолирующая. Сборочный чертеж
ТП 904-1-62.86-ГШВ.400.03.01.000 Каркас
ТП 904-1-62.86-ГШВ.400.03.01.000 СБ Каркас. Сборочный чертеж
ТП 904-1-62.86-ГШВ.400.04.00.000 Кассета звукопоглощающая
ТП 904-1-62.86-ГШВ.400.04.00.000 СБ Кассета звукопоглощающая. Сборочный чертеж
ТП 904-1-62.86-ГШВ.400.04.01.000 Каркас
ТП 904-1-62.86-ГШВ.400.04.01.000 СБ Каркас. Сборочный чертеж
ТП 904-1-62.86-МБ.00.000 ТО Бак для масла. Техническое описание. Листы 1,3
ТП 904-1-62.86-МБ.00.000 Бак для масла. Листы 1,2
ТП 904-1-62.86-МБ.00.001 Штуцер
ТП 904-1-62.86-МБ.00.002 Втулка
ТП 904-1-62.86-МБ.00.000 СБ Бак для масла. Сборочный чертеж
ТП 904-1-62.86-МБ.01.000 Корпус. Листы 1,2
ТП 904-1-62.86-МБ.01.000 СБ Корпус. Сборочный чертеж
ТП 904-1-62.86-МБ.01.001 Обечайка
ТП 904-1-62.86-МБ.01.002 Крышка нижняя
ТП 904-1-62.86-МБ.01.003 Скоба
ТП 904-1-62.86-МБ.02.000 Крышка
ТП 904-1-62.86-МБ.02.000 СБ Крышка. Сборочный чертеж
ТП 904-1-62.86-МБ.02.001 Крышка верхняя
ТП 904-1-62.86-МБ.02.002 Трубка дыхательная
ТП 904-1-62.86-МБ.03.000 Днище
ТП 904-1-62.86-МБ.03.000 СБ Днище. Сборочный чертеж
ТП 904-1-62.86-МБ.03.001 Обечайка
ТП 904-1-62.86-МБ.04.000 Опора
ТП 904-1-62.86-МБ.04.000 СБ Опора. Сборочный чертеж
ТП 904-1-62.86-МБ.04.001 Косынка
ТП 904-1-62.86-МБ.04.002 Пластина
ТП 904-1-62.86-ГШВ.400.00.00.000 ИТ Глушитель шума всасывания. Исходные требования
ТП 904-1-62.86-МБ.00.000 ИТ Бак для масла. Исходные требования
Разработан: Гипростройдормаш
Утверждён:21.11.1985 Минстройдормаш (Minstroydormash 30/85)
Расположен в:Техническая документация Строительство Справочные документы Типовые строительные конструкции, изделия и узлы Общероссийский строительный каталог Промышленные предприятия, здания и сооружения Здания и сооружения санитарно-технические Воздухоснабжение, вентиляция и кондиционирование воздуха Воздухоснабжение
Типовой проект 904-1-62.86Типовой проект 904-1-62.86Типовой проект 904-1-62.86Типовой проект 904-1-62.86Типовой проект 904-1-62.86Типовой проект 904-1-62.86Типовой проект 904-1-62.86Типовой проект 904-1-62.86Типовой проект 904-1-62.86Типовой проект 904-1-62.86Типовой проект 904-1-62.86Типовой проект 904-1-62.86Типовой проект 904-1-62.86Типовой проект 904-1-62.86Типовой проект 904-1-62.86Типовой проект 904-1-62.86Типовой проект 904-1-62.86Типовой проект 904-1-62.86Типовой проект 904-1-62.86Типовой проект 904-1-62.86Типовой проект 904-1-62.86Типовой проект 904-1-62.86Типовой проект 904-1-62.86Типовой проект 904-1-62.86Типовой проект 904-1-62.86Типовой проект 904-1-62.86Типовой проект 904-1-62.86Типовой проект 904-1-62.86Типовой проект 904-1-62.86Типовой проект 904-1-62.86Типовой проект 904-1-62.86Типовой проект 904-1-62.86Типовой проект 904-1-62.86Типовой проект 904-1-62.86Типовой проект 904-1-62.86Типовой проект 904-1-62.86Типовой проект 904-1-62.86Типовой проект 904-1-62.86Типовой проект 904-1-62.86Типовой проект 904-1-62.86Типовой проект 904-1-62.86Типовой проект 904-1-62.86Типовой проект 904-1-62.86Типовой проект 904-1-62.86Типовой проект 904-1-62.86Типовой проект 904-1-62.86Типовой проект 904-1-62.86Типовой проект 904-1-62.86Типовой проект 904-1-62.86Типовой проект 904-1-62.86Типовой проект 904-1-62.86Типовой проект 904-1-62.86Типовой проект 904-1-62.86Типовой проект 904-1-62.86Типовой проект 904-1-62.86Типовой проект 904-1-62.86Типовой проект 904-1-62.86Типовой проект 904-1-62.86Типовой проект 904-1-62.86Типовой проект 904-1-62.86Типовой проект 904-1-62.86Типовой проект 904-1-62.86Типовой проект 904-1-62.86Типовой проект 904-1-62.86Типовой проект 904-1-62.86Типовой проект 904-1-62.86Типовой проект 904-1-62.86Типовой проект 904-1-62.86Типовой проект 904-1-62.86Типовой проект 904-1-62.86Типовой проект 904-1-62.86Типовой проект 904-1-62.86Типовой проект 904-1-62.86Типовой проект 904-1-62.86Типовой проект 904-1-62.86Типовой проект 904-1-62.86Типовой проект 904-1-62.86Типовой проект 904-1-62.86Типовой проект 904-1-62.86Типовой проект 904-1-62.86Типовой проект 904-1-62.86Типовой проект 904-1-62.86Типовой проект 904-1-62.86Типовой проект 904-1-62.86Типовой проект 904-1-62.86Типовой проект 904-1-62.86Типовой проект 904-1-62.86Типовой проект 904-1-62.86Типовой проект 904-1-62.86

© 2013 Ёшкин Кот :-) Карта сайта