Информационная система
«Ёшкин Кот»

Скачать базу одним архивом
Скачать обновления
История создания базы
Карта сайта

Скачать Типовой проект 902-8-3.91 Альбом 1. Часть 2. Силовое электрооборудование. Внутреннее электрическое освещение. Автоматизация внутреннего водопровода и канализации. Автоматизация систем отопления и вентиляции. Чертежи заданий заводам-изготовителям

Дата актуализации: 10.08.2017

Типовой проект 902-8-3.91

Альбом 1. Часть 2. Силовое электрооборудование. Внутреннее электрическое освещение. Автоматизация внутреннего водопровода и канализации. Автоматизация систем отопления и вентиляции. Чертежи заданий заводам-изготовителям

Обозначение: Типовой проект 902-8-3.91
Обозначение англ: 902-8-3.91
Статус:не определен законодательством
Название рус.:Альбом 1. Часть 2. Силовое электрооборудование. Внутреннее электрическое освещение. Автоматизация внутреннего водопровода и канализации. Автоматизация систем отопления и вентиляции. Чертежи заданий заводам-изготовителям
Дата добавления в базу:01.09.2013
Дата актуализации:05.05.2017
Дата введения:18.11.1991
Оглавление:ТП 902-8.3.91-ЭМ-1 Общие данные (начало)
ТП 902-8.3.91-ЭМ-2 Общие данные (окончание). Принципиальная схема распределительной сети (начало)
ТП 902-8.3.91-ЭМ-3 Принципиальная схема распределительной сети (начало)
ТП 902-8.3.91-ЭМ-4 Схемы электрические принципиальные управления (начало)
ТП 902-8.3.91-ЭМ-5 Схемы электрические принципиальные управления (окончание)
ТП 902-8.3.91-ЭМ-6 Схемы подключения (начало)
ТП 902-8.3.91-ЭМ-7 Схемы подключения (продолжение)
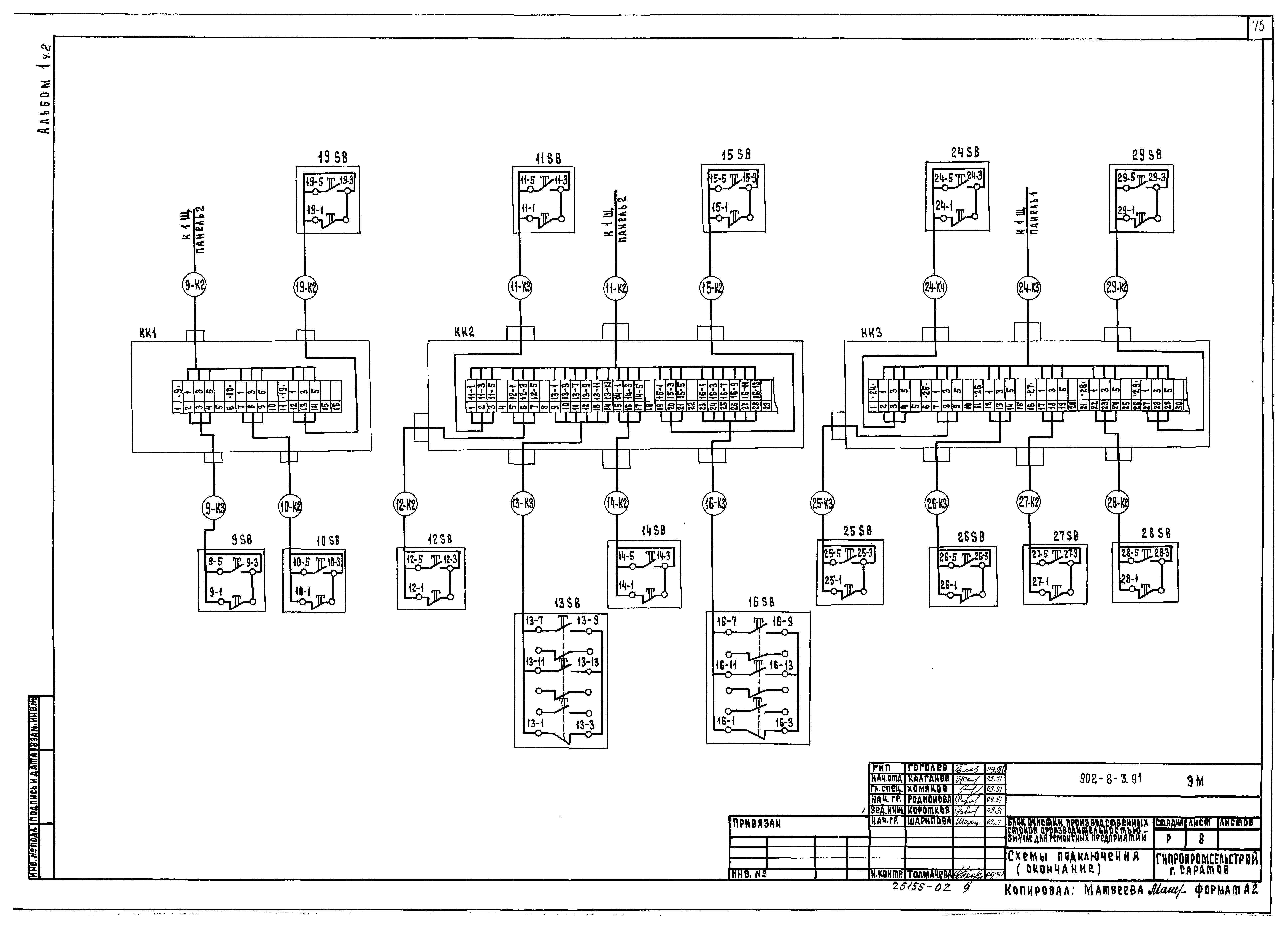
ТП 902-8.3.91-ЭМ-8 Схемы подключения (окончание)
ТП 902-8.3.91-ЭМ-9 Кабельнотрубный журнал (начало)
ТП 902-8.3.91-ЭМ-10 Кабельнотрубный журнал (продолжение)
ТП 902-8.3.91-ЭМ-11 Кабельнотрубный журнал (окончание)
ТП 902-8.3.91-ЭМ-12 План расположения электрооборудования, прокладки электрической сети на отм. 0.000
ТП 902-8.3.91-ЭМ-13 Планы расположения электрооборудования, прокладки электрической сети на кровле, зануления на отм. 0.000, фрагмент 1
ТП 902-8.3.91-ЭО Общие данные. План расположения электрического оборудования и прокладки электрических сетей на отм. 0.000
ТП 902-8.3.91-АВК-1 Общие данные
ТП 902-8.3.91-АВК-2 Схема автоматизации (начало)
ТП 902-8.3.91-АВК-3 Схема автоматизации (продолжение)
ТП 902-8.3.91-АВК-4 Схема автоматизации (окончание)
ТП 902-8.3.91-АВК-5 Схема технологической сигнализации (начало)
ТП 902-8.3.91-АВК-6 Схема технологической сигнализации (продолжение)
ТП 902-8.3.91-АВК-7 Схема технологической сигнализации (окончание)
ТП 902-8.3.91-АВК-8 Схема питания
ТП 902-8.3.91-АВК-9 Схема соединений внешних проводок (начало)
ТП 902-8.3.91-АВК-10 Схема соединений внешних проводок (продолжение)
ТП 902-8.3.91-АВК-11 Схема соединений внешних проводок (окончание)
ТП 902-8.3.91-АВК-12 План расположения на отм. 0.000
ТП 902-8.3.91-АОВ-1 Общие данные
ТП 902-8.3.91-АОВ-2 Система П1. Схема автоматизации. План на отм. 0.000
ТП 902-8.3.91-АОВ-3 Система П1. Схема соединений внешних проводок
ТП 902-8.3.91-АОВ-4 Система В1. Схема соединений внешних проводок
ТП 902-8.3.91-АОВ-5 ИТП. Схема автоматизации. Схема соединений внешних проводок. План на отм. 0.000
ТП 902-8.3.91-ЭМИ.ВБ Ведомость электромонтажных конструкций, подлежащих изготовлению в МЭЗ
ТП 902-8.3.91-ЭМИ.ВА Ведомость изделий и материалов для изготовления электромонтажных конструкций в МЭЗ
ТП 902-8.3.91-ЭМ-01-00 СБ Щит 1Щ. Чертеж общего вида
ТП 902-8.3.91-ЭМ-01-00 Щит 1Щ. Перечень комплектных устройств
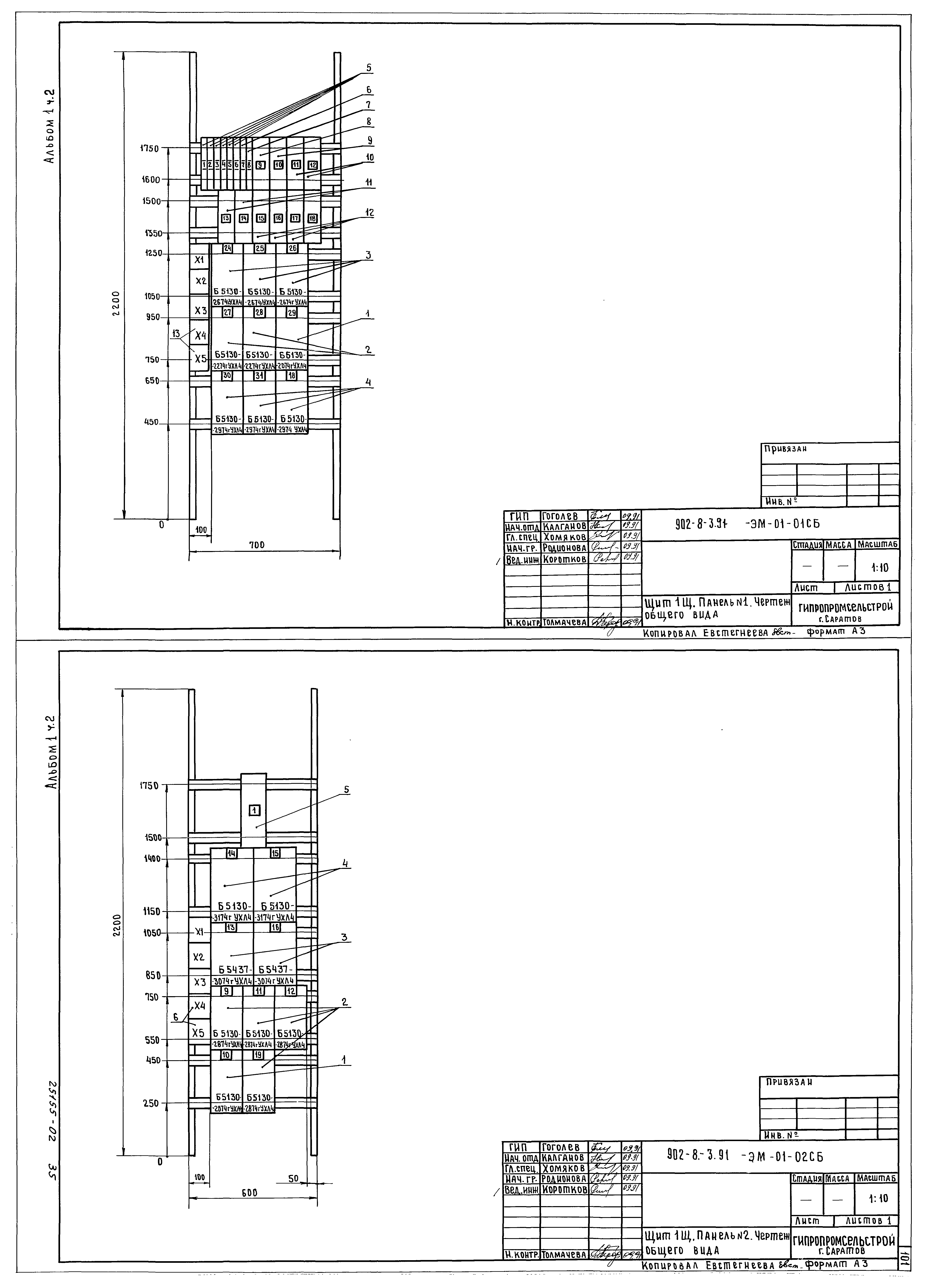
ТП 902-8.3.91-ЭМ-01-01 СБ Щит 1Щ. Панель № 1. Чертеж общего вида
ТП 902-8.3.91-ЭМ-01-02 СБ Щит 1Щ. Панель № 2. Чертеж общего вида
ТП 902-8.3.91-ЭМ-01-02 СХ Щит 1 Щ. Панель № 2. Схема электрическая соединений
ТП 902-8.3.91-ЭМ-01-01 СХ Щит 1 Щ. Панель № 1. Схема электрическая соединений
ТП 902-8.3.91-ЭМ-01-01 Щит 1 Щ. Технические данные аппаратов
ТП 902-8.3.91-ЭМ-01-02 Щит 1 Щ. Перечень надписей
ТП 902-8.3.91-АВК-01-00 СБ Щит ЩА1. Общий вид
ТП 902-8.3.91-АВК-01-002 Щит ЩА1. Таблица подключения
ТП 902-8.3.91-АВК-01-001 Щит ЩА1. Таблица соединений
ТП 902-8.3.91-АВК-02-001 Щит ЩА2. Таблица соединений
ТП 902-8.3.91-АВК-02-002 Щит ЩА2. Таблица соединений
ТП 902-8.3.91-АВК-02-00 СБ Щит ЩА2. Общий вид
ТП 902-8.3.91-АВК-03-00 СБ Щит ЩА3. Общий вид
ТП 902-8.3.91-АВК-03-002 Щит ЩА3. Таблица подключения
ТП 902-8.3.91-АВК-03-001 Щит ЩА3. Таблица соединений
Разработан: Гипропромсельстрой
Утверждён:13.11.1991 Главагропромнаучпроект Минсельхозпрода СССР (Glavagropromnauchproject, USSR Minselkhozprod 073-3/189)
Расположен в:Техническая документация Строительство Справочные документы Типовые строительные конструкции, изделия и узлы Общероссийский строительный каталог Промышленные предприятия, здания и сооружения Здания и сооружения санитарно-технические Канализация Сооружения биологической (биохимической) очистки Станции биологической очистки сточных вод
Типовой проект 902-8-3.91Типовой проект 902-8-3.91Типовой проект 902-8-3.91Типовой проект 902-8-3.91Типовой проект 902-8-3.91Типовой проект 902-8-3.91Типовой проект 902-8-3.91Типовой проект 902-8-3.91Типовой проект 902-8-3.91Типовой проект 902-8-3.91Типовой проект 902-8-3.91Типовой проект 902-8-3.91Типовой проект 902-8-3.91Типовой проект 902-8-3.91Типовой проект 902-8-3.91Типовой проект 902-8-3.91Типовой проект 902-8-3.91Типовой проект 902-8-3.91Типовой проект 902-8-3.91Типовой проект 902-8-3.91Типовой проект 902-8-3.91Типовой проект 902-8-3.91Типовой проект 902-8-3.91Типовой проект 902-8-3.91Типовой проект 902-8-3.91Типовой проект 902-8-3.91Типовой проект 902-8-3.91Типовой проект 902-8-3.91Типовой проект 902-8-3.91Типовой проект 902-8-3.91Типовой проект 902-8-3.91Типовой проект 902-8-3.91Типовой проект 902-8-3.91Типовой проект 902-8-3.91Типовой проект 902-8-3.91Типовой проект 902-8-3.91Типовой проект 902-8-3.91Типовой проект 902-8-3.91Типовой проект 902-8-3.91Типовой проект 902-8-3.91Типовой проект 902-8-3.91Типовой проект 902-8-3.91Типовой проект 902-8-3.91Типовой проект 902-8-3.91Типовой проект 902-8-3.91Типовой проект 902-8-3.91Типовой проект 902-8-3.91Типовой проект 902-8-3.91Типовой проект 902-8-3.91Типовой проект 902-8-3.91Типовой проект 902-8-3.91

© 2013 Ёшкин Кот :-) Карта сайта