Информационная система
«Ёшкин Кот»

Скачать базу одним архивом
Скачать обновления
История создания базы
Карта сайта

Скачать Типовой проект 902-2-57/71 Альбом III. Электротехническая часть

Дата актуализации: 10.08.2017

Типовой проект 902-2-57/71

Альбом III. Электротехническая часть

Обозначение: Типовой проект 902-2-57/71
Обозначение англ: 902-2-57/71
Статус:не действует
Название рус.:Альбом III. Электротехническая часть
Дата добавления в базу:01.09.2013
Дата актуализации:05.05.2017
Дата введения:01.01.1986
Оглавление:ТП 902-2-57/71-ЭЛ-1 Содержание альбома
ТП 902-2-57/71 Раздел 1. Чертежи монтажной зоны
ТП 902-2-57/71-ЭЛ-2 Содержание раздела
ТП 902-2-57/71-ЭЛ-3 Пояснительная записка
ТП 902-2-57/71-ЭЛ-4 Распределительная сеть 380/220 В. Принципиальная однолинейная схема
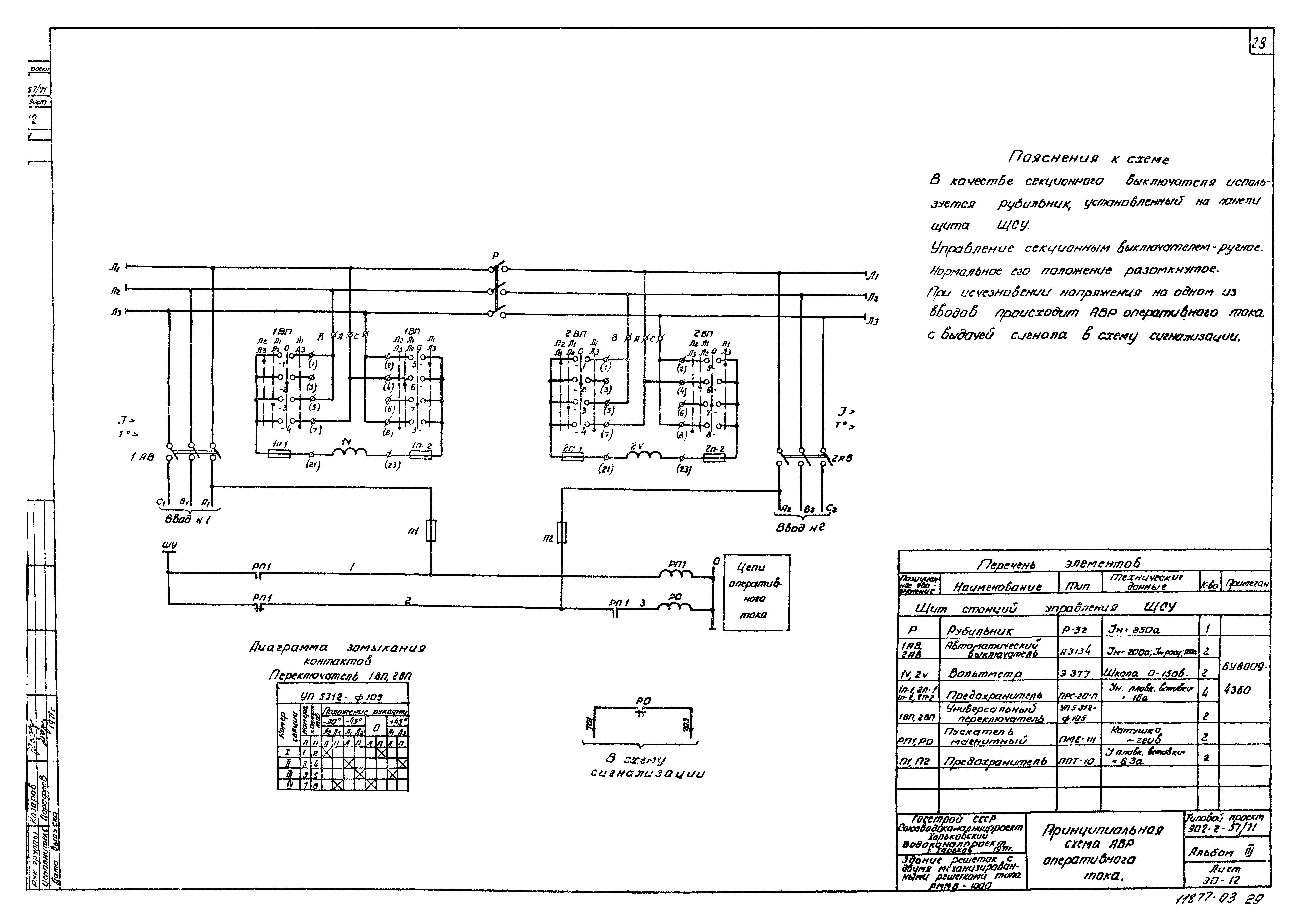
ТП 902-2-57/71-ЭЛ-5 Принципиальная схема АВР оперативного тока
ТП 902-2-57/71-ЭЛ-6 Принципиальная схема управления механизмами грабельной
ТП 902-2-57/71-ЭЛ-7 Принципиальная схема управления механизмами насосами и вентиляторами
ТП 902-2-57/71-ЭЛ-8 Принципиальная схема сигнализации
ТП 902-2-57/71-ЭЛ-9 Схема подключения
ТП 902-2-57/71-ЭЛ-10 Щит ЩСУ. Схема соединений панелей № 1 и № 2
ТП 902-2-57/71-ЭЛ-11 Щит ЩСУ. Схема соединений панелей № 3 и № 4
ТП 902-2-57/71-ЭЛ-12 Прокладка кабелей
ТП 902-2-57/71-ЭЛ-13 Кабельный журнал
ТП 902-2-57/71-ЭЛ-14 Электроосвещение
ТП 902-2-57/71-ЭЛ-15 Заземление
ТП 902-2-57/71 Раздел 2. Задание на изготовление
ТП 902-2-57/71-ЭО-1 Содержание раздела
ТП 902-2-57/71-ЭО-2 Щит ЩСУ. Общий вид
ТП 902-2-57/71-ЭО-3 Щит ЩСУ. Таблица технических данных электрооборудования. Перечень надписей
ТП 902-2-57/71-ЭО-4 Щит ЩСУ. Схема соединений панелей № 1 и № 2
ТП 902-2-57/71-ЭО-5 Щит ЩСУ. Схема соединений панелей № 3 и № 4
ТП 902-2-57/71-ЭО-6 Щит ЩСУ. Панель управления. Общий вид
ТП 902-2-57/71-ЭО-7 Щит ЩСУ. Панель управления. Таблица технических данных электрооборудования. Принципиальная схема
ТП 902-2-57/71-ЭО-8 Шкаф ШУ. Общий вид
ТП 902-2-57/71-ЭО-9 Шкаф ШУ. Таблица технических данных электрооборудования. Перечень надписей
ТП 902-2-57/71-ЭО-10 Шкаф ШУ. Схема соединений
ТП 902-2-57/71-ЭО-11 Распределительная сеть 380/220 В. Принципиальная однолинейная схема
ТП 902-2-57/71-ЭО-12 Принципиальная схема АВР оперативного тока
ТП 902-2-57/71-ЭО-13 Принципиальная схема управления грабельной
ТП 902-2-57/71-ЭО-14 Принципиальная схема управления насосами и вентиляторами
ТП 902-2-57/71-ЭО-15 Принципиальная сигнализации
Разработан: Союзводоканалниипроект
Утверждён:06.10.1972 СоюзводоканалНИИпроект (SoyuzvodokanalNIIproject 218)
Расположен в:Техническая документация Строительство Справочные документы Типовые строительные конструкции, изделия и узлы Общероссийский строительный каталог Промышленные предприятия, здания и сооружения Здания и сооружения санитарно-технические Канализация Сооружения механической очистки Здания решеток
Типовой проект 902-2-57/71Типовой проект 902-2-57/71Типовой проект 902-2-57/71Типовой проект 902-2-57/71Типовой проект 902-2-57/71Типовой проект 902-2-57/71Типовой проект 902-2-57/71Типовой проект 902-2-57/71Типовой проект 902-2-57/71Типовой проект 902-2-57/71Типовой проект 902-2-57/71Типовой проект 902-2-57/71Типовой проект 902-2-57/71Типовой проект 902-2-57/71Типовой проект 902-2-57/71Типовой проект 902-2-57/71Типовой проект 902-2-57/71Типовой проект 902-2-57/71Типовой проект 902-2-57/71Типовой проект 902-2-57/71Типовой проект 902-2-57/71Типовой проект 902-2-57/71Типовой проект 902-2-57/71Типовой проект 902-2-57/71Типовой проект 902-2-57/71Типовой проект 902-2-57/71Типовой проект 902-2-57/71Типовой проект 902-2-57/71Типовой проект 902-2-57/71Типовой проект 902-2-57/71Типовой проект 902-2-57/71Типовой проект 902-2-57/71Типовой проект 902-2-57/71

© 2013 Ёшкин Кот :-) Карта сайта