Информационная система
«Ёшкин Кот»

Скачать базу одним архивом
Скачать обновления
История создания базы
Карта сайта

Скачать Типовой проект 320-58 Альбом I. Сооружения

Дата актуализации: 10.08.2017

Типовой проект 320-58

Альбом I. Сооружения

Обозначение: Типовой проект 320-58
Обозначение англ: 320-58
Статус:не определен законодательством
Название рус.:Альбом I. Сооружения
Дата добавления в базу:01.09.2013
Дата актуализации:05.05.2017
Дата введения:20.12.1977
Оглавление:ТП 320-58 Содержание альбома
ТП 320-58 Пояснительная записка
ТП 320-58-АС-01 Павильон тип 1, тип 1-А
ТП 320-58-АС-02 Павильоны тип 1-Б. Спецификация. План кровли павильона тип 1
ТП 320-58-АС-03 Павильон тип 1-В
ТП 320-58-АС-04 Павильон тип 1. Схема блокировки
ТП 320-58-АС-05 Павильон тип 1. Щит покрытия
ТП 320-58-АС-06 Павильон тип 1. Узлы
ТП 320-58-АС-07 Павильон тип 1. Деревянный щит ДЩ-1. Узлы 7-10
ТП 320-58-АС-08 Павильон тип 1. Деревянный щит ДЩ-1. Узел 4
ТП 320-58-АС-09 Павильон тип 1. Деревянный щит ДЩ-1. Узел 3
ТП 320-58-АС-10 Павильон тип 1. Деревянный щит ДЩ-1. Узел 1,2
ТП 320-58-АС-11 Павильон тип 1. План фундаментов
ТП 320-58-АС-12 Павильон тип 1. План фундаментов
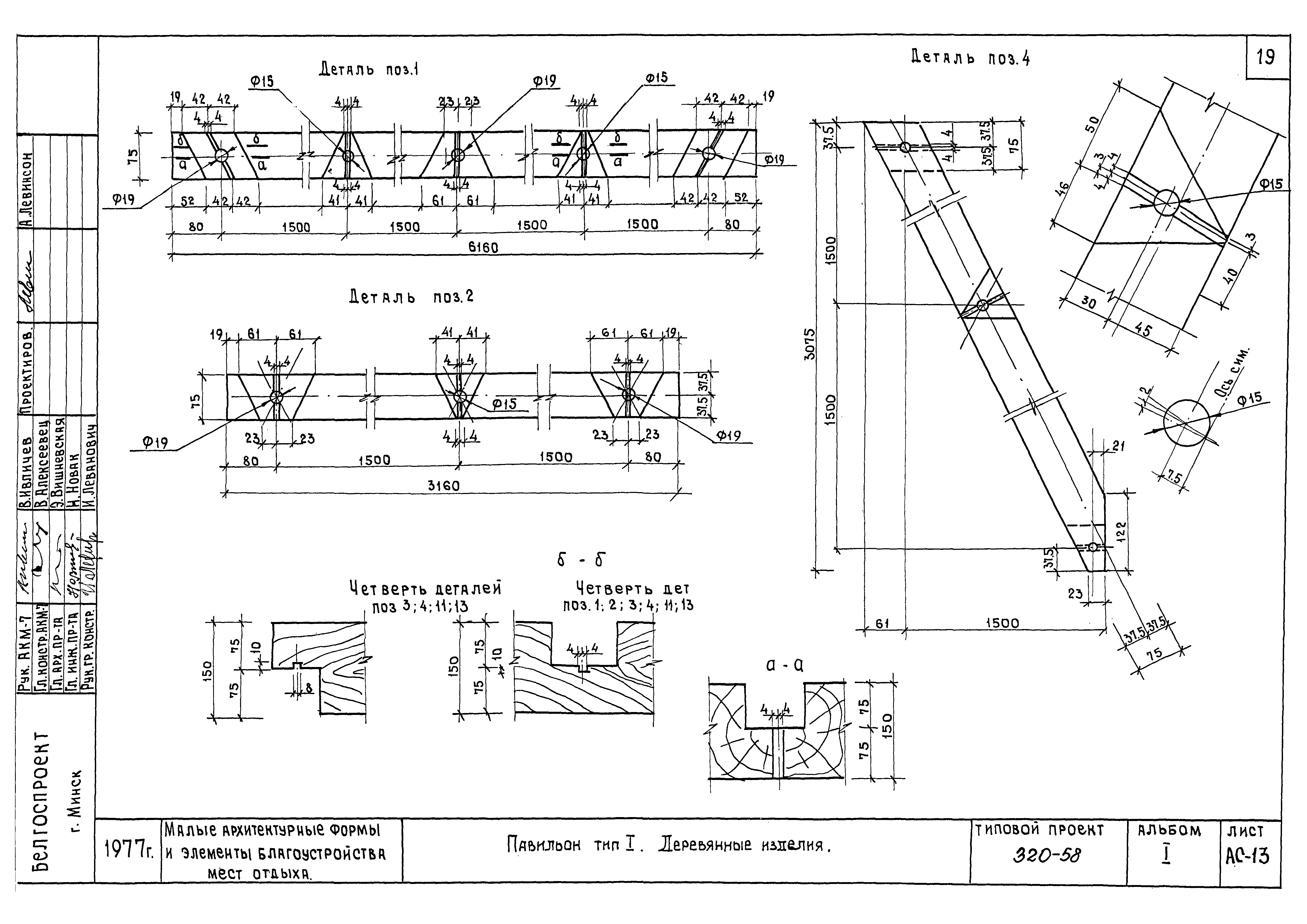
ТП 320-58-АС-13 Павильон тип 1. Деревянные изделия
ТП 320-58-АС-14 Павильон тип 1. Деревянные изделия
ТП 320-58-АС-15 Павильон тип 1. Деревянные изделия
ТП 320-58-АС-16 Павильон тип 1. Деревянные изделия
ТП 320-58-АС-17 Павильон тип 1. Деревянные изделия
ТП 320-58-АС-18 Павильон тип 1. Металлические соединительные детали
ТП 320-58-АС-19 Павильон тип 1. Металлическая соединительная деталь ММ-1-70
ТП 320-58-АС-20 Павильон тип 1. Металлические соединительные детали
ТП 320-58-АС-21 Павильон тип 1. Металлические соединительные детали
ТП 320-58-АС-22 Павильон тип 1. Металлические соединительные детали
ТП 320-58-АС-23 Павильон тип 1. Металлические соединительные детали
ТП 320-58-АС-24 Павильон тип 1. Фундаменты ФМ1-ФМ6
ТП 320-58-АС-25 Павильон тип 1. Узлы крепления скамей. Спецификация древесины
ТП 320-58-АС-26 Павильон тип 1. Щиты ограждения ЩО-2, ЩО-3, ЩО-4
ТП 320-58-АС-27 Павильон тип 1. Фундаменты
ТП 320-58-АС-28 Павильон тип 1. Щит ограждения ЩО-1. Узлы 12,13. Колонны К-2,К-3
ТП 320-58-АС-29 Павильон тип 2. Общий вид
ТП 320-58-АС-30 Павильон тип 2. План кровли. Разрез
ТП 320-58-АС-31 Павильон тип 2. Узлы
ТП 320-58-АС-32 Павильон тип 2-А
ТП 320-58-АС-33 Павильон тип 3. Общий вид
ТП 320-58-АС-34 Павильон тип 3-А,3-Б
ТП 320-58-АС-35 Павильон тип 3. План фундаментов
ТП 320-58-АС-36 Павильон тип 3. Покрытия
ТП 320-58-АС-37 Павильон тип 3. Узлы 1;2
ТП 320-58-АС-38 Теневые зонты тип 1А, 1В. План кровли. Фасад. Узлы
ТП 320-58-АС-39 Зонты теневые тип 1А, 1Б. План. Узел 6
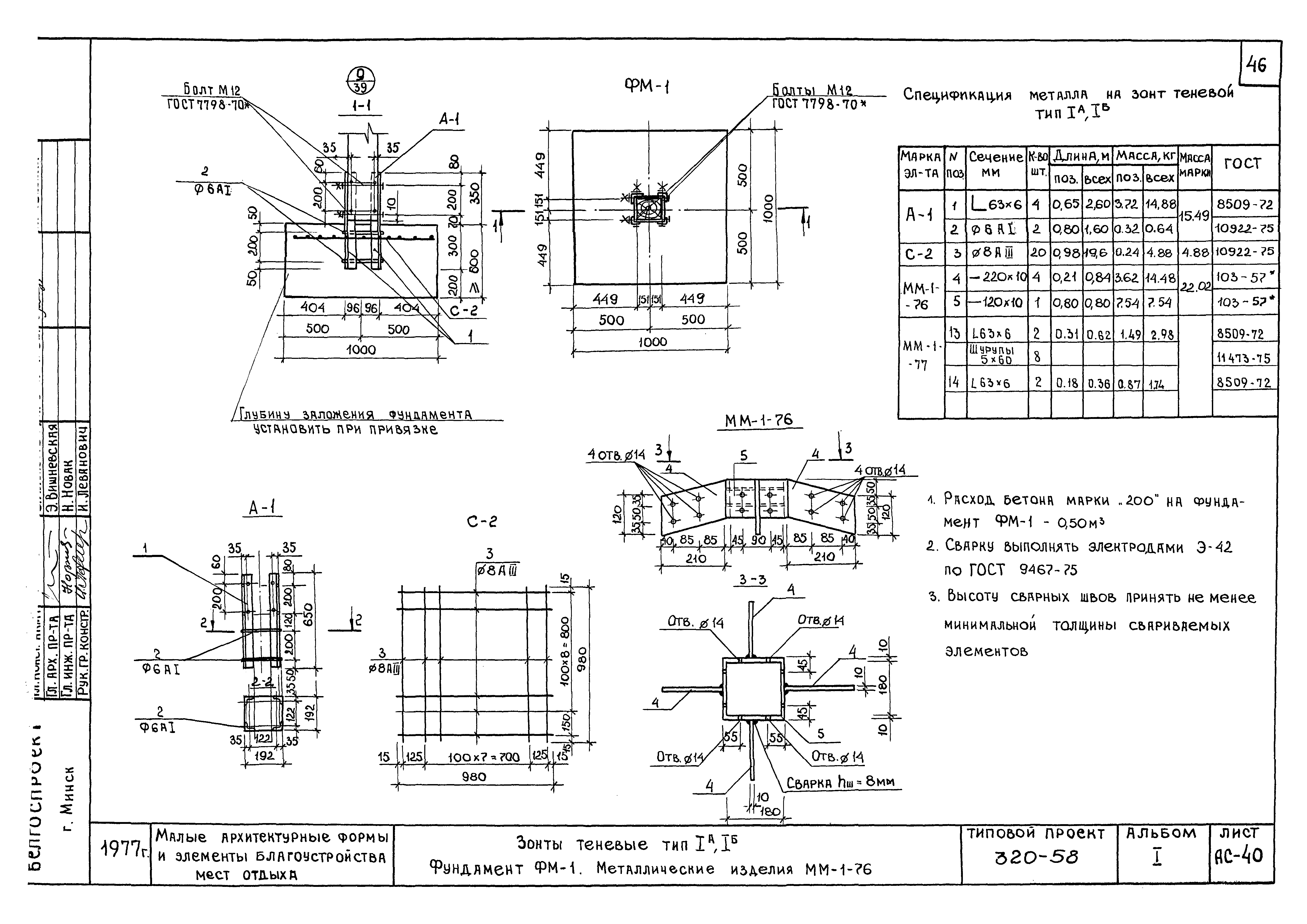
ТП 320-58-АС-40 Зонты теневые тип 1А, 1Б. Фундамент ФМ-1. Металлические изделия ММ-1-76
ТП 320-58-АС-41 Теневой зонт тип 1А с набивной для переодевания. Схемы блокировки зонтов тип 1,1А
ТП 320-58-АС-42 Теневой зонт тип 2-А
ТП 320-58-АС-43 Теневой зонт тип 2-А. Узлы 1, 2, 3
ТП 320-58-АС-44 Теневой зонт тип 2-Б
ТП 320-58-АС-45 Теневой зонт тип 2-Б
ТП 320-58-АС-46 Теневой зонт тип 2-Б. Узлы. Спецификация
ТП 320-58-АС-47 Теневой зонт тип 3
ТП 320-58-АС-48 Теневой зонт тип 3. Схема стропил
ТП 320-58-АС-49 Теневой зонт тип 3. Узлы 1, 2, 3
ТП 320-58-АС-50 Теневой зонт тип 3. Детали
ТП 320-58-АС-51 Пешеходный мост тип 1. Спецификация
ТП 320-58-АС-52 Пешеходный мост тип 1. Фасад
ТП 320-58-АС-53 Пешеходный мост тип 1. План
ТП 320-58-АС-54 Пешеходный мост тип 1. Боковой фасад
ТП 320-58-АС-55 Пешеходный мост тип 1. Узел 1
ТП 320-58-АС-56 Пешеходный мост тип 1. Узел 2
ТП 320-58-АС-57 Пешеходный мост тип 1. Узел 3
ТП 320-58-АС-58 Пешеходный мост тип 1. Узел 6
ТП 320-58-АС-59 Пешеходный мост тип 2. Спецификация
ТП 320-58-АС-60 Пешеходный мост тип 2
ТП 320-58-АС-61 Пешеходный мост тип 2. Сечение 1-1
ТП 320-58-АС-62 Пешеходный мост тип 2. Узел 1
ТП 320-58-АС-63 Пешеходный мост тип 2. Узлы 2 и 4
ТП 320-58-АС-64 Пешеходный мост тип 3
ТП 320-58-АС-65 Пешеходный мост тип 3. Сечение В-В
ТП 320-58-АС-66 Пешеходный мост тип 3. Сечение 2-2. Сетки С-1;С-2. Спецификация
ТП 320-58-АС-67 Пешеходный мост тип 3. Опалубка
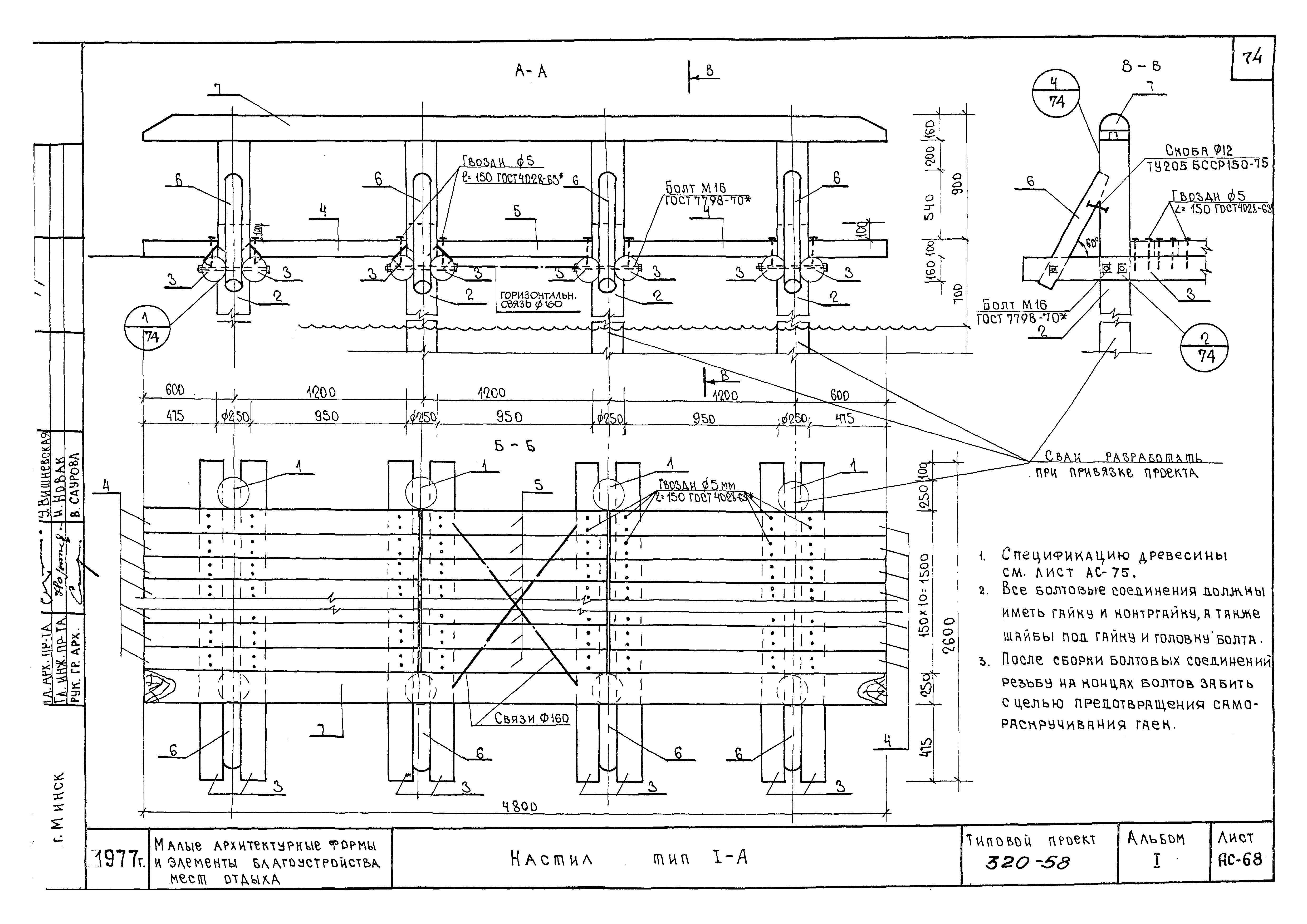
ТП 320-58-АС-68 Настил тип 1-А
ТП 320-58-АС-69 Настил тип 1-Б
ТП 320-58-АС-70 Настил тип 1-В
ТП 320-58-АС-71 Настил тип 1-В. Виды А-А;В-В
ТП 320-58-АС-72 Настил тип 2
ТП 320-58-АС-73 Настил тип 2. Вид В-В. Спецификация
ТП 320-58-АС-74 Настилы тип 1-А; 1-Б; 1-В; 2. Узлы
ТП 320-58-АС-75 Настилы тип 1-А; 1-Б; 1-В; 2. Спецификация
ТП 320-58-АС-76 Варианты компоновки настилов
ТП 320-58-АС-77 Туалет тип 1. План. Фасад
ТП 320-58-АС-78 Туалет тип 1. Разрез 1-1; 3-3
ТП 320-58-АС-79 Туалет тип 1. Разрез 2-2; 4-4
ТП 320-58-АС-80 Туалет тип 1. Разрез. Крыльцо
ТП 320-58-АС-81 Туалет тип 1. План фундаментов
ТП 320-58-АС-82 Туалет тип 1. План перекрытия на отм. 0.000
ТП 320-58-АС-83 Туалет тип 1. Узлы 1, 2
ТП 320-58-АС-84 Туалет тип 1. План кровли
ТП 320-58-АС-85 Туалет тип 1. План монолитного перекрытия
ТП 320-58-АС-86 Туалет тип 1. Закладные детали
ТП 320-58-АС-87 Туалет тип 1. План армирования. Перекрытия на отм. 0.150
ТП 320-58-АС-88 Туалет тип 1. Армирование лотка
ТП 320-58-АС-89 Туалет тип 2
ТП 320-58-АС-90 Туалет тип 3
ТП 320-58-АС-91 Туалет тип 2. Планы перекрытия и стропил
ТП 320-58-АС-92 Туалет тип 2. Развертки стен
ТП 320-58-АС-93 Туалет тип 2, 3. Узлы
ТП 320-58-АС-94 Туалет тип 3. План стропил
ТП 320-58-АС-95 Туалет тип 3. Развертки стен
ТП 320-58-АС-96 Теневые зонты (шалаши и навесы). Рекомендации
ТП 320-58-АС-97 Теневые зонты (шалаши и навесы). Рекомендации
ТП 320-58-АС-98 Теневые зонты (шалаши и навесы). Рекомендации
ТП 320-58-АС-99 Теневые зонты (шалаши и навесы). Рекомендации
ТП 320-58-АС-100 Питьевые источники (водные устройства из естественного камня). Рекомендации
ТП 320-58-АС-101 Колодец тип 1. Рекомендации
ТП 320-58-АС-102 Колодец тип 2. Рекомендации
ТП 320-58-АС-103 Мостик и деревянные пешеходы. Рекомендации
ТП 320-58-АС-104 Мостик и деревянные пешеходы. Рекомендации
ТП 320-58-АС-105 Пешеходные парковые мостики. Рекомендации
ТП 320-58-АС-106 Лесные пешеходные мостики. Рекомендации
Разработан: Белгоспроект
Утверждён:03.06.1977 Госстрой БССР (BSSR Gosstroy 69)
Расположен в:Техническая документация Строительство Справочные документы Типовые строительные конструкции, изделия и узлы Общероссийский строительный каталог Малые формы архитектуры и элементы благоустройства Планировочные элементы благоустройства с малыми архитектурными формами и сооружениями Площадки отдыха
Типовой проект 320-58Типовой проект 320-58Типовой проект 320-58Типовой проект 320-58Типовой проект 320-58Типовой проект 320-58Типовой проект 320-58Типовой проект 320-58Типовой проект 320-58Типовой проект 320-58Типовой проект 320-58Типовой проект 320-58Типовой проект 320-58Типовой проект 320-58Типовой проект 320-58Типовой проект 320-58Типовой проект 320-58Типовой проект 320-58Типовой проект 320-58Типовой проект 320-58Типовой проект 320-58Типовой проект 320-58Типовой проект 320-58Типовой проект 320-58Типовой проект 320-58Типовой проект 320-58Типовой проект 320-58Типовой проект 320-58Типовой проект 320-58Типовой проект 320-58Типовой проект 320-58Типовой проект 320-58Типовой проект 320-58Типовой проект 320-58Типовой проект 320-58Типовой проект 320-58Типовой проект 320-58Типовой проект 320-58Типовой проект 320-58Типовой проект 320-58Типовой проект 320-58Типовой проект 320-58Типовой проект 320-58Типовой проект 320-58Типовой проект 320-58Типовой проект 320-58Типовой проект 320-58Типовой проект 320-58Типовой проект 320-58Типовой проект 320-58Типовой проект 320-58Типовой проект 320-58Типовой проект 320-58Типовой проект 320-58Типовой проект 320-58Типовой проект 320-58Типовой проект 320-58Типовой проект 320-58Типовой проект 320-58Типовой проект 320-58Типовой проект 320-58Типовой проект 320-58Типовой проект 320-58Типовой проект 320-58Типовой проект 320-58Типовой проект 320-58Типовой проект 320-58Типовой проект 320-58Типовой проект 320-58Типовой проект 320-58Типовой проект 320-58Типовой проект 320-58Типовой проект 320-58Типовой проект 320-58Типовой проект 320-58Типовой проект 320-58Типовой проект 320-58Типовой проект 320-58Типовой проект 320-58Типовой проект 320-58Типовой проект 320-58Типовой проект 320-58Типовой проект 320-58Типовой проект 320-58Типовой проект 320-58Типовой проект 320-58Типовой проект 320-58Типовой проект 320-58Типовой проект 320-58Типовой проект 320-58Типовой проект 320-58Типовой проект 320-58Типовой проект 320-58Типовой проект 320-58Типовой проект 320-58Типовой проект 320-58Типовой проект 320-58Типовой проект 320-58Типовой проект 320-58Типовой проект 320-58Типовой проект 320-58Типовой проект 320-58Типовой проект 320-58Типовой проект 320-58Типовой проект 320-58Типовой проект 320-58Типовой проект 320-58Типовой проект 320-58Типовой проект 320-58Типовой проект 320-58Типовой проект 320-58Типовой проект 320-58

© 2013 Ёшкин Кот :-) Карта сайта