Информационная система
«Ёшкин Кот»

Скачать базу одним архивом
Скачать обновления
История создания базы
Карта сайта

Скачать Типовой проект 903-1-279.90 Альбом 8. Автоматизация. Пожарная сигнализация (из ТП 903-1-278.90)

Дата актуализации: 10.08.2017

Типовой проект 903-1-279.90

Альбом 8. Автоматизация. Пожарная сигнализация (из ТП 903-1-278.90)

Обозначение: Типовой проект 903-1-279.90
Обозначение англ: 903-1-279.90
Статус:не определен законодательством
Название рус.:Альбом 8. Автоматизация. Пожарная сигнализация (из ТП 903-1-278.90)
Дата добавления в базу:01.09.2013
Дата актуализации:05.05.2017
Дата введения:23.11.1988
Оглавление:ТП 903-1-278.90 Содержание
ТП 903-1-278.90-АТМ2-1 Общие данные (начало)
ТП 903-1-278.90-АТМ2-2 Общие данные (окончание)
ТП 903-1-278.90-АТМ2-3 Вспомогательное оборудование водогрейной части. Схема автоматизации
ТП 903-1-278.90-АТМ2-4 Вспомогательное оборудование водогрейной части. Схема электрическая принципиальная питания щитов КИП
ТП 903-1-278.90-АТМ2-5 Вспомогательное оборудование. Схема электрическая принципиальная питания (начало)
ТП 903-1-278.90-АТМ2-6 Вспомогательное оборудование. Схема электрическая принципиальная питания (окончание)
ТП 903-1-278.90-АТМ2-7 Вспомогательное оборудование. Схема электрическая принципиальная технологической сигнализации (начало)
ТП 903-1-278.90-АТМ2-8 Вспомогательное оборудование. Схема электрическая принципиальная технологической сигнализации (окончание)
ТП 903-1-278.90-АТМ2-9 Вспомогательное оборудование водогрейной части. Схема электрическая принципиальная регулятора температуры
ТП 903-1-278.90-АТМ2-10 Вспомогательное оборудование водогрейной части. Схема электрическая принципиальная регулятора уровня
ТП 903-1-278.90-АТМ2-11 Вспомогательное оборудование водогрейной части. Схема электрическая принципиальная регулятора давления
ТП 903-1-278.90-АТМ2-12 Вспомогательное оборудование водогрейной части. Схема соединений внешних проводок (начало)
ТП 903-1-278.90-АТМ2-13 Вспомогательное оборудование водогрейной части. Схема соединений внешних проводок (продолжение)
ТП 903-1-278.90-АТМ2-14 Вспомогательное оборудование водогрейной части. Схема соединений внешних проводок (продолжение)
ТП 903-1-278.90-АТМ2-15 Вспомогательное оборудование водогрейной части. Схема соединений внешних проводок (окончание)
ТП 903-1-278.90-АТМ2-16 Вспомогательное оборудование водогрейной части. Схема подключения внешних проводок (начало)
ТП 903-1-278.90-АТМ2-17 Вспомогательное оборудование водогрейной части. Схема подключения внешних проводок (продолжение)
ТП 903-1-278.90-АТМ2-18 Вспомогательное оборудование водогрейной части. Схема подключения внешних проводок (продолжение)
ТП 903-1-278.90-АТМ2-19 Вспомогательное оборудование водогрейной части. Схема подключения внешних проводок (продолжение)
ТП 903-1-278.90-АТМ2-20 Вспомогательное оборудование водогрейной части. Схема подключения внешних проводок (окончание)
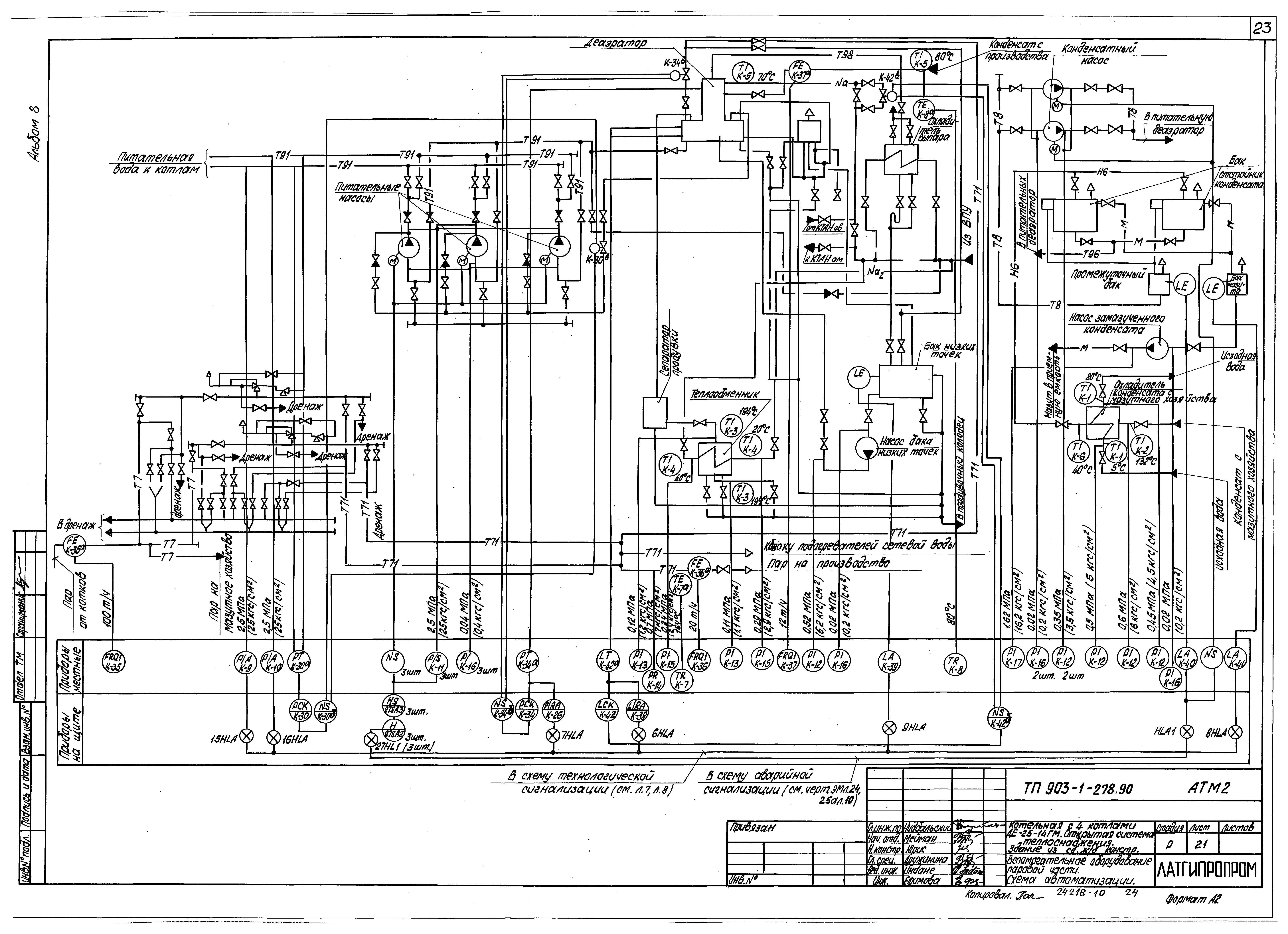
ТП 903-1-278.90-АТМ2-21 Вспомогательное оборудование паровой части. Схема автоматизации
ТП 903-1-278.90-АТМ2-22 Вспомогательное оборудование паровой части. Схема соединения внешних проводок (начало)
ТП 903-1-278.90-АТМ2-23 Вспомогательное оборудование паровой части. Схема соединения внешних проводок (продолжение)
ТП 903-1-278.90-АТМ2-24 Вспомогательное оборудование паровой части. Схема соединения внешних проводок (окончание)
ТП 903-1-278.90-АТМ2-25 КТАНы. Схема автоматизации
ТП 903-1-278.90-АТМ2-26 КТАНы. Схема соединения внешних проводок (начало)
ТП 903-1-278.90-АТМ2-27 КТАНы. Схема соединения внешних проводок (окончание)
ТП 903-1-278.90-АТМ2-28 Общие газомазутопроводы. Схема автоматизации
ТП 903-1-278.90-АТМ2-29 Общие газомазутопроводы. Схема соединения внешних проводок
ТП 903-1-278.90-АТМ2-30 ГРУ. Схемы автоматизации и соединений внешних проводок
ТП 903-1-278.90-АТМ2-31 Приточная установка п.1. Схемы автоматизации и соединений внешних проводок
ТП 903-1-278.90-АТМ2-32 Приточная установка п.1. Схема электрическая принципиальная управления
ТП 903-1-278.90-АТМ2-33 ВПУ. Схема автоматизации
ТП 903-1-278.90-АТМ2-34 ВПУ. Схемы электрическая принципиальная питания и технологической сигнализации
ТП 903-1-278.90-АТМ2-35 ВПУ. Схема соединений и подключения внешних проводок
ТП 903-1-278.90-АТМ2-36 План расположения (начало)
ТП 903-1-278.90-АТМ2-37 План расположения (продолжение)
ТП 903-1-278.90-АТМ2-38 План расположения (продолжение)
ТП 903-1-278.90-АТМ2-39 План расположения (окончание)
ТП 903-1-278.90-АТМ2-40 Вспомогательное оборудование. Установка МЭО-100/25-0.25У к клапану 25С-48ИЖ на трубопроводе сетевой воды (перепуск) (начало)
ТП 903-1-278.90-АТМ2-41 Вспомогательное оборудование. Установка МЭО-100/25-0.25У к клапану 25С-48ИЖ на трубопроводе сетевой воды (перепуск) (продолжение)
ТП 903-1-278.90-АТМ2-42 Вспомогательное оборудование. Установка МЭО-100/25-0.25У к клапану 25С-48ИЖ на трубопроводе сетевой воды (перепуск) (окончание)
ТП 903-1-278.90-АТМ2-43 Вспомогательное оборудование. Установка МЭО-250/25-0.25У к клапану 6С-9-3 на линии подпиточной воды и к клапану 6С-9-2 к бакам-аккумуляторам (начало)
ТП 903-1-278.90-АТМ2-44 Вспомогательное оборудование. Установка МЭО-250/25-0.25У к клапану 6С-9-3 на линии подпиточной воды и к клапану 6С-9-2 к бакам-аккумуляторам (окончание)
ТП 903-1-278.90-АТМ2-45 Вспомогательное оборудование. Установка МЭО-250/25-25У к клапану 6С-9-3 на линии пара к деаэратору
ТП 903-1-278.90-АТМ2-46 Вспомогательное оборудование. Установка МЭО-250/25-0.25У к клапану 6С-9-2 на линии ХОВ к деаэратору
ТП 903-1-278.90-АТМ2-47 Вспомогательное оборудование. Установка МЭО-250/25-0.25У к клапану 6С-9-3 на паропроводе к деаэратору
ТП 903-1-278.90-АТМ2-48 Вспомогательное оборудование. Установка МЭО-250/25-0.25У к клапану 6С-9-2 на трубопроводе химочищенной воды к деаэратору
ТП 903-1-278.90-АТМ2-49 Вспомогательное оборудование. Установка МЭО-250/25-0.25У к клапану Т-33б на линии перепуска воды после питательных насосов
ТП 903-1-278.90-АТМ2-50 Вспомогательное оборудование. Установка МЭО-100/25-0.25У к клапану 9С-4-2 на обратной линии мазута
ТП 903-1-278.90-АП Пожарная сигнализация
ТП 903-1-278.90-АП-1 Общие данные
ТП 903-1-278.90-АП-2 Пожарная сигнализация. Схема электрическая принципиальная
ТП 903-1-278.90-АП-3 Пожарная сигнализация. Схема внешних проводок
ТП 903-1-278.90-АП-4 Пожарная сигнализация. План расположения на отм. 0.000
ТП 903-1-278.90-АП-5 Пожарная сигнализация. План расположения на отм. 3.300
Разработан: Латгипропром
Утверждён:23.11.1988 Госстрой СССР (Государственный комитет Совета Министров СССР по делам строительства) (USSR Gosstroy 77)
Расположен в:Техническая документация Строительство Справочные документы Типовые строительные конструкции, изделия и узлы Общероссийский строительный каталог Промышленные предприятия, здания и сооружения Здания и сооружения санитарно-технические Теплоснабжение Котельные установки Открытые системы теплоснабжения Топливо - газ и мазут
Типовой проект 903-1-279.90Типовой проект 903-1-279.90Типовой проект 903-1-279.90Типовой проект 903-1-279.90Типовой проект 903-1-279.90Типовой проект 903-1-279.90Типовой проект 903-1-279.90Типовой проект 903-1-279.90Типовой проект 903-1-279.90Типовой проект 903-1-279.90Типовой проект 903-1-279.90Типовой проект 903-1-279.90Типовой проект 903-1-279.90Типовой проект 903-1-279.90Типовой проект 903-1-279.90Типовой проект 903-1-279.90Типовой проект 903-1-279.90Типовой проект 903-1-279.90Типовой проект 903-1-279.90Типовой проект 903-1-279.90Типовой проект 903-1-279.90Типовой проект 903-1-279.90Типовой проект 903-1-279.90Типовой проект 903-1-279.90Типовой проект 903-1-279.90Типовой проект 903-1-279.90Типовой проект 903-1-279.90Типовой проект 903-1-279.90Типовой проект 903-1-279.90Типовой проект 903-1-279.90Типовой проект 903-1-279.90Типовой проект 903-1-279.90Типовой проект 903-1-279.90Типовой проект 903-1-279.90Типовой проект 903-1-279.90Типовой проект 903-1-279.90Типовой проект 903-1-279.90Типовой проект 903-1-279.90Типовой проект 903-1-279.90Типовой проект 903-1-279.90Типовой проект 903-1-279.90Типовой проект 903-1-279.90Типовой проект 903-1-279.90Типовой проект 903-1-279.90Типовой проект 903-1-279.90Типовой проект 903-1-279.90Типовой проект 903-1-279.90Типовой проект 903-1-279.90Типовой проект 903-1-279.90Типовой проект 903-1-279.90Типовой проект 903-1-279.90Типовой проект 903-1-279.90Типовой проект 903-1-279.90Типовой проект 903-1-279.90Типовой проект 903-1-279.90Типовой проект 903-1-279.90Типовой проект 903-1-279.90Типовой проект 903-1-279.90

© 2013 Ёшкин Кот :-) Карта сайта