Информационная система
«Ёшкин Кот»

Скачать базу одним архивом
Скачать обновления
История создания базы
Карта сайта

Скачать Типовой проект 903-1-279.90 Альбом 4. Строительно-технологическая блок-секция котлоагрегата ДЕ-25-14ГМ. Тепломеханические решения. Газоснабжение (из ТП 903-1-278.90)

Дата актуализации: 10.08.2017

Типовой проект 903-1-279.90

Альбом 4. Строительно-технологическая блок-секция котлоагрегата ДЕ-25-14ГМ. Тепломеханические решения. Газоснабжение (из ТП 903-1-278.90)

Обозначение: Типовой проект 903-1-279.90
Обозначение англ: 903-1-279.90
Статус:не определен законодательством
Название рус.:Альбом 4. Строительно-технологическая блок-секция котлоагрегата ДЕ-25-14ГМ. Тепломеханические решения. Газоснабжение (из ТП 903-1-278.90)
Дата добавления в базу:01.09.2013
Дата актуализации:05.05.2017
Дата введения:23.11.1988
Оглавление:ТП 903-1-278.90-ТМ2 Тепломеханические решения ТМ2
ТП 903-1-278.90-ТМ2-1 Общие данные (начало)
ТП 903-1-278.90-ТМ2-2 Общие данные (продолжение)
ТП 903-1-278.90-ТМ2-3 Общие данные (продолжение)
ТП 903-1-278.90-ТМ2-4 Общие данные (продолжение)
ТП 903-1-278.90-ТМ2-5 Общие данные (продолжение)
ТП 903-1-278.90-ТМ2-6 Общие данные (продолжение)
ТП 903-1-278.90-ТМ2-7 Общие данные (продолжение)
ТП 903-1-278.90-ТМ2-8 Общие данные (окончание)
ТП 903-1-278.90-ТМ2-9 Компоновка оборудования. Блок секции котлоагрегата. План. Разрез А-А
ТП 903-1-278.90-ТМ2-10 Воздуховоды котла. План А-А. Разрез Е-Е
ТП 903-1-278.90-ТМ2-11 Воздуховоды котла. Разрезы Б-Б,В-В,Г-Г,Д-Д
ТП 903-1-278.90-ТМ2-12 Газоходы котла. План. Разрезы Д-Д,Е-Е,Ж-Ж,К-К
ТП 903-1-278.90-ТМ2-13 Газоходы котла. Разрезы А-А,Б-Б,В-В,Г-Г
ТП 903-1-278.90-ТМ2-14 Газоходы котла. Спецификация
ТП 903-1-278.90-ТМ2-15 Паропровод. План. Разрезы А-А,Б-Б
ТП 903-1-278.90-ТМ2-16 Трубопроводы в пределах блок-секции. План. План Д-Д. Разрезы А-А,В-В
ТП 903-1-278.90-ТМ2-17 Трубопроводы в пределах блок-секции. Разрезы Б-Б,Г-Г
ТП 903-1-278.90-ТМ2-18 Трубопроводы в пределах блок-секции. Спецификация
ТП 903-1-278.90-ТМ2-19 Паромазутопроводы. План. Разрезы А-А,Б-Б. Заглушка поворотная
ТП 903-1-278.90-ТМ2-20 Опора. Общий вид
ТП 903-1-278.90-ТМ2-21 Продувочное устройство
ТП 903-1-278.90-ГСВ2 Газоснабжение ГСВ2
ТП 903-1-278.90-ГСВ2-1 Общие данные
ТП 903-1-278.90-ГСВ2-3 Газооборудование котла ДЕ-25-14ГМ. Фронт котла. Вид сверху
ТП 903-1-278.90-ГСВ2-4 Спецификация на газооборудование котла ДЕ-25-14ГМ
ТП 903-1-278.90-ГСВ2-5 Газооборудование экономайзера Э61-808И
ТП 903-1-278.90-КЖ Конструкции железобетонные КЖ
ТП 903-1-278.90-КЖ-1 Общие данные. Схема расположения отверстий на кровле
ТП 903-1-278.90-КЖ-2 Схема расположения подземных конструкций
ТП 903-1-278.90-КЖ-3 Фундаменты под оборудование ФОМ1,ФОМ2
ТП 903-1-278.90-КЖ-4 Рама РМ1 под экономайзер ЭБ1-808И
ТП 903-1-278.90-КЖ-5 Площадка ПМ1 на отм. 3.000
ТП 903-1-278.90-АТМ1 Автоматизация АТМ1
ТП 903-1-278.90-АТМ1-1 Котел ДЕ-25-14ГМ. Общие данные
ТП 903-1-278.90-АТМ1-2 Котел ДЕ-25-14ГМ. Схема автоматизации (начало)
ТП 903-1-278.90-АТМ1-3 Котел ДЕ-25-14ГМ. Схема автоматизации (окончание)
ТП 903-1-278.90-АТМ1-4 Котел ДЕ-25-14ГМ. Схема электрическая принципиальная питания
ТП 903-1-278.90-АТМ1-5 Котел ДЕ-25-14ГМ. Схема электрическая принципиальная управления задвижкой на паре
ТП 903-1-278.90-АТМ1-6 Котел ДЕ-25-14ГМ. Схема электрическая принципиальная питания управления задвижкой на мазутопроводе
ТП 903-1-278.90-АТМ1-7 Котел ДЕ-25-14ГМ. Схема электрическая принципиальная регулятора топлива
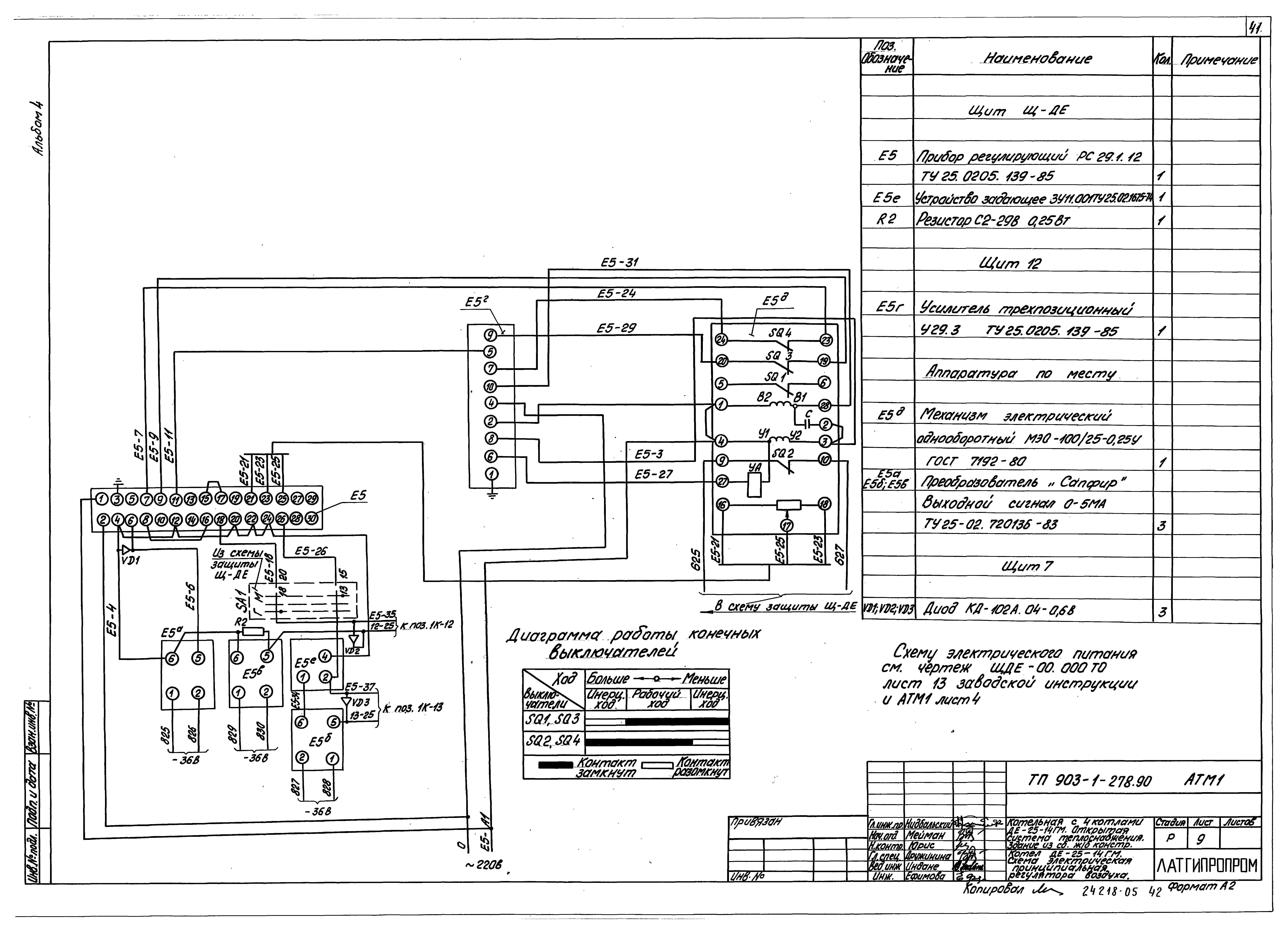
ТП 903-1-278.90-АТМ1-8 Котел ДЕ-25-14ГМ. Схема электрическая принципиальная регулятора уровня
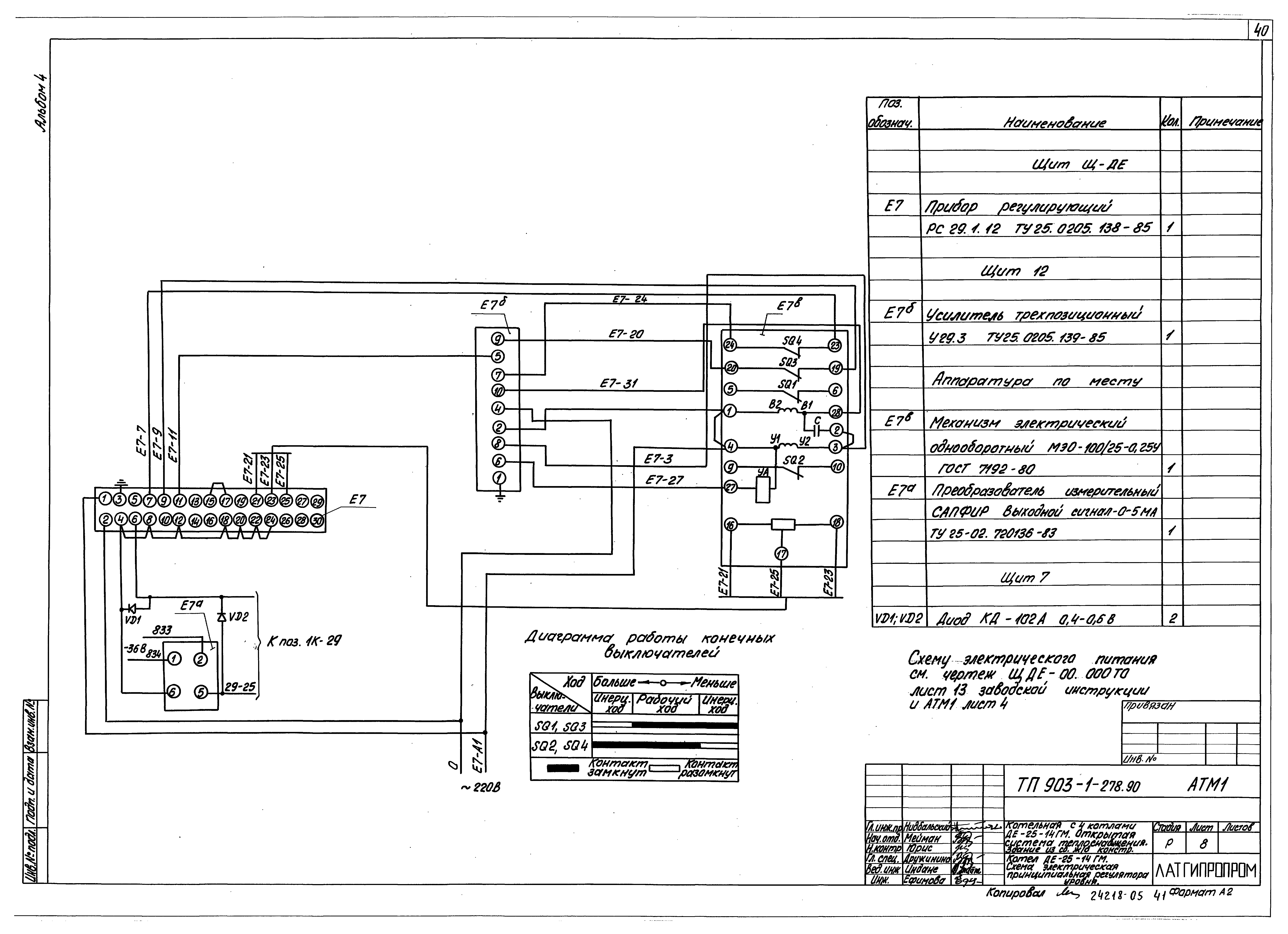
ТП 903-1-278.90-АТМ1-9 Котел ДЕ-25-14ГМ. Схема электрическая принципиальная регулятора воздуха
ТП 903-1-278.90-АТМ1-10 Котел ДЕ-25-14ГМ. Схема электрическая принципиальная регулятора разряжения
ТП 903-1-278.90-АТМ1-11 Котел ДЕ-25-14ГМ. Схема соединений внешних проводок (начало)
ТП 903-1-278.90-АТМ1-12 Котел ДЕ-25-14ГМ. Схема соединений внешних проводок (продолжение)
ТП 903-1-278.90-АТМ1-13 Котел ДЕ-25-14ГМ. Схема соединений внешних проводок (продолжение)
ТП 903-1-278.90-АТМ1-14 Котел ДЕ-25-14ГМ. Схема соединений внешних проводок (окончание)
ТП 903-1-278.90-АТМ1-15 Котел ДЕ-25-14ГМ. Схема подключения внешних проводок (начало)
ТП 903-1-278.90-АТМ1-16 Котел ДЕ-25-14ГМ. Схема подключения внешних проводок (окончание)
ТП 903-1-278.90-АТМ1-17 Газоимпульсная очистка. Схема автоматизации соединений внешних проводок и подключения
ТП 903-1-278.90-АТМ1-18 Котел ДЕ-25-14ГМ. План расположение
ТП 903-1-278.90-АТМ1-19 Котел ДЕ-25-14ГМ. Установка МЭО-100/25-0.25У к клапану 9С-4-2 на мазутопроводе к котлу
ТП 903-1-278.90-АТМ1-20 Котел ДЕ-25-14ГМ. Установка МЭО-100/25-0.25У к клапану КРП-50, на трубопроводе питательной воды к котлу
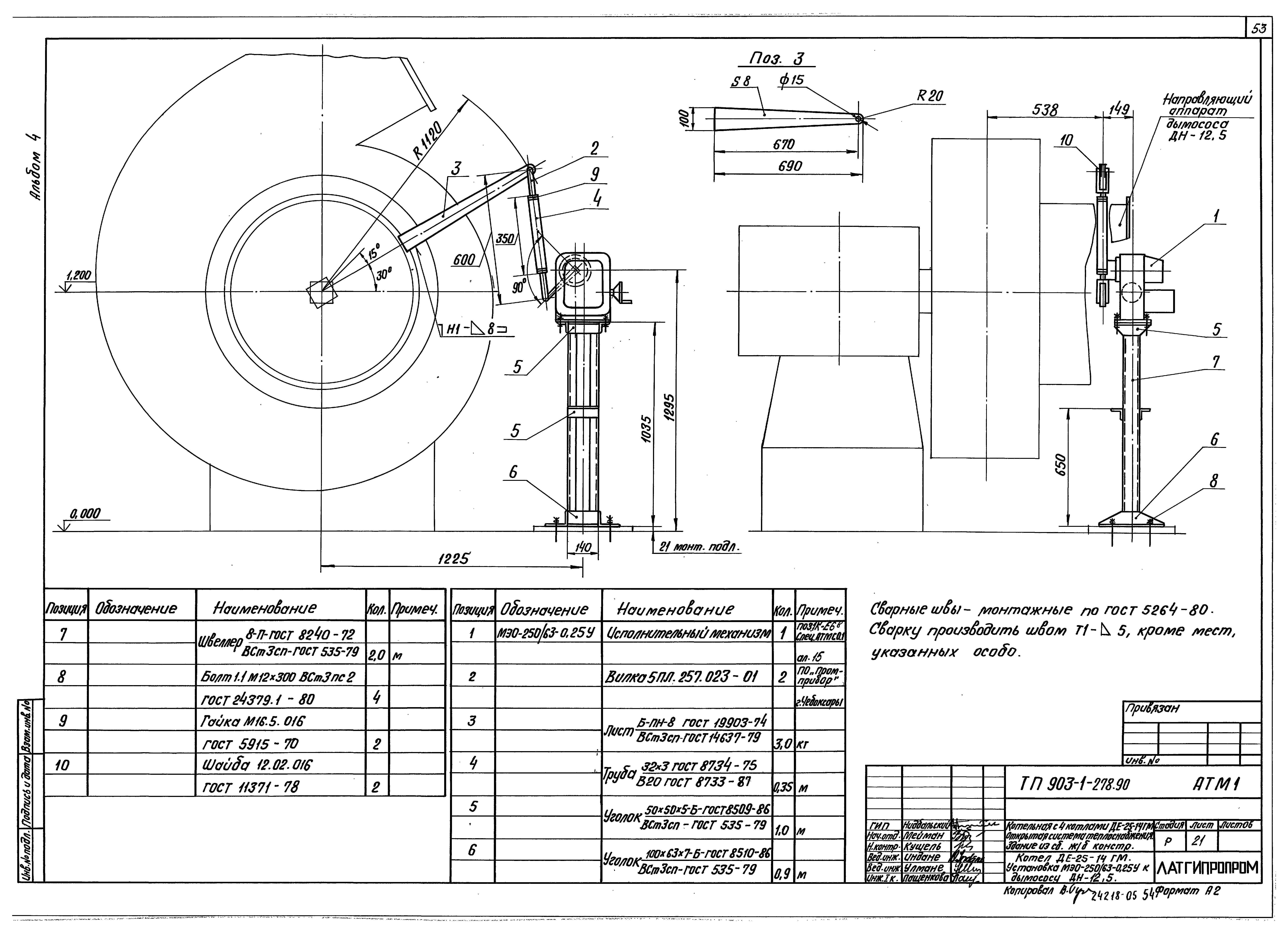
ТП 903-1-278.90-АТМ1-21 Котел ДЕ-25-14ГМ. Установка МЭО-250/63-0.25У к дымососу ДН-12.5
ТП 903-1-278.90-АТМ1-22 Котел ДЕ-25-14ГМ. Установка МЭО-100/25-0.25У к вентилятору ВДН-11.2
ТП 903-1-278.90-АТМ1-23 Котел ДЕ-25-14ГМ. Установка МЭО-100/25-0.25У к затвору дисковому регулирующему 324022БК ДУ150
ТП 903-1-278.90-АТМ1-24 Котел ДЕ-25-14ГМ. Установка эл. Магнита МИС-4100 на клапане предохранительном запорном типа ПКН Ду200
ТП 903-1-278.90-АТМ1-25 Котел ДЕ-25-14ГМ. Установка эл. Магнита МИС-4100 на клапане предохранительном запорном типа ПКН Ду200
ТП 903-1-278.90-АТМ1-26 Котел ДЕ-25-14ГМ. Установка эл. Магнита МИС-4100 на клапане предохранительном запорном типа ПКН Ду200
Разработан: Латгипропром
Утверждён:23.11.1988 Госстрой СССР (Государственный комитет Совета Министров СССР по делам строительства) (USSR Gosstroy 77)
Расположен в:Техническая документация Строительство Справочные документы Типовые строительные конструкции, изделия и узлы Общероссийский строительный каталог Промышленные предприятия, здания и сооружения Здания и сооружения санитарно-технические Теплоснабжение Котельные установки Открытые системы теплоснабжения Топливо - газ и мазут
Типовой проект 903-1-279.90Типовой проект 903-1-279.90Типовой проект 903-1-279.90Типовой проект 903-1-279.90Типовой проект 903-1-279.90Типовой проект 903-1-279.90Типовой проект 903-1-279.90Типовой проект 903-1-279.90Типовой проект 903-1-279.90Типовой проект 903-1-279.90Типовой проект 903-1-279.90Типовой проект 903-1-279.90Типовой проект 903-1-279.90Типовой проект 903-1-279.90Типовой проект 903-1-279.90Типовой проект 903-1-279.90Типовой проект 903-1-279.90Типовой проект 903-1-279.90Типовой проект 903-1-279.90Типовой проект 903-1-279.90Типовой проект 903-1-279.90Типовой проект 903-1-279.90Типовой проект 903-1-279.90Типовой проект 903-1-279.90Типовой проект 903-1-279.90Типовой проект 903-1-279.90Типовой проект 903-1-279.90Типовой проект 903-1-279.90Типовой проект 903-1-279.90Типовой проект 903-1-279.90Типовой проект 903-1-279.90Типовой проект 903-1-279.90Типовой проект 903-1-279.90Типовой проект 903-1-279.90Типовой проект 903-1-279.90Типовой проект 903-1-279.90Типовой проект 903-1-279.90Типовой проект 903-1-279.90Типовой проект 903-1-279.90Типовой проект 903-1-279.90Типовой проект 903-1-279.90Типовой проект 903-1-279.90Типовой проект 903-1-279.90Типовой проект 903-1-279.90Типовой проект 903-1-279.90Типовой проект 903-1-279.90Типовой проект 903-1-279.90Типовой проект 903-1-279.90Типовой проект 903-1-279.90Типовой проект 903-1-279.90Типовой проект 903-1-279.90Типовой проект 903-1-279.90Типовой проект 903-1-279.90Типовой проект 903-1-279.90Типовой проект 903-1-279.90Типовой проект 903-1-279.90Типовой проект 903-1-279.90Типовой проект 903-1-279.90Типовой проект 903-1-279.90

© 2013 Ёшкин Кот :-) Карта сайта