Информационная система
«Ёшкин Кот»

Скачать базу одним архивом
Скачать обновления
История создания базы
Карта сайта

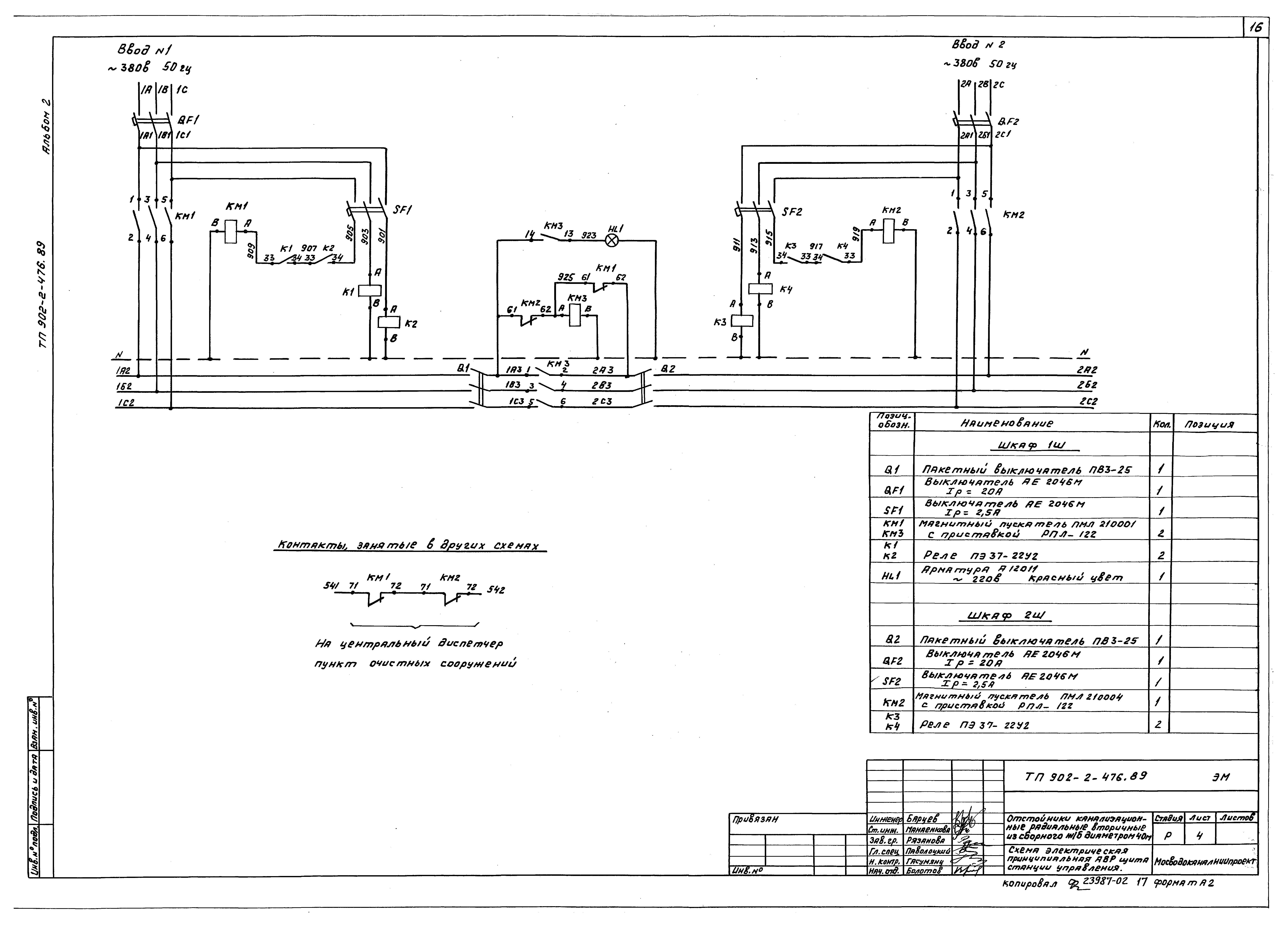
Скачать Типовой проект 902-2-476.89 Альбом 2. Технологические решения. Электротехнические решения

Дата актуализации: 10.08.2017

Типовой проект 902-2-476.89

Альбом 2. Технологические решения. Электротехнические решения

Обозначение: Типовой проект 902-2-476.89
Обозначение англ: 902-2-476.89
Статус:не определен законодательством
Название рус.:Альбом 2. Технологические решения. Электротехнические решения
Дата добавления в базу:01.09.2013
Дата актуализации:05.05.2017
Дата введения:16.10.1989
Оглавление:ТП 902-2-476.89 Содержание альбома
ТП 902-2-476.89-ТХ Технологические решения
ТП 902-2-476.89-ТХ-1 Общие данные
ТП 902-2-476.89-ТХ-2 План группы отстойников М1:50
ТП 902-2-476.89-ТХ-3 Отстойник №2. План М1:200. Разрез М1:100
ТП 902-2-476.89-ТХ-4 Распределительная чаша. Планы. Разрезы М1:100
ТП 902-2-476.89-ТХ-5 Иловая камера отстойника №1(№4). Планы. Разрезы М1:50
ТП 902-2-476.89-ТХ-6 Иловая камера отстойника №2(№3). Планы. Разрезы М1:50
ТП 902-2-476.89-ТХ-7 Профили подводящих трубопроводов М1:100
ТП 902-2-476.89-ТХ-8 Профили отводящих трубопроводов М1:100
ТП 902-2-476.89-ТХ-9 Профили трубопроводов возвратного активного ила М1:100
ТП 902-2-476.89-ТХ-10 Профили трубопроводов опорожнения М1:101
ТП 902-2-476.89-ЭМ Электротехнические решения
ТП 902-2-476.89-ЭМ-1 Общие данные
ТП 902-2-476.89-ЭМ-2 Схема электрическая принципиальная распределительной сети ~380/220В. Начало
ТП 902-2-476.89-ЭМ-3 Схема электрическая принципиальная распределительной сети ~380/220В. Окончание
ТП 902-2-476.89-ЭМ-4 Схема электрическая принципиальная АВР щита станции управления
ТП 902-2-476.89-ЭМ-5 Функциональная схема
ТП 902-2-476.89-ЭМ-6 Схема электрическая принципиальная управления электроприводом илососов
ТП 902-2-476.89-ЭМ-7 Схема электрическая принципиальная управления электроприводами щитовых затворов
ТП 902-2-476.89-ЭМ-8 Схема электрическая принципиальная аварийной сигнализации
ТП 902-2-476.89-ЭМ-9 Схема измерения уровня осадка в отстойниках
ТП 902-2-476.89-ЭМ-10 Схема подключения внешних проводок. Начало
ТП 902-2-476.89-ЭМ-11 Схема подключения внешних проводок. Окончание
ТП 902-2-476.89-ЭМ-12 Кабельнотрубный журнал
ТП 902-2-476.89-ЭМ-13 План расположения. Кабельные трассы
ТП 902-2-476.89-ЭМ-Н1 НКУ. Эскизный чертеж общего вида
Разработан: МосводоканалНИИпроект
Утверждён:09.10.1989 Мосгорисполком (Mosgorispolkom 2148)
Расположен в:Техническая документация Строительство Справочные документы Типовые строительные конструкции, изделия и узлы Общероссийский строительный каталог Промышленные предприятия, здания и сооружения Здания и сооружения санитарно-технические Канализация Сооружения механической очистки Отстойники Отстойники радиальные вторичные
Типовой проект 902-2-476.89Типовой проект 902-2-476.89Типовой проект 902-2-476.89Типовой проект 902-2-476.89Типовой проект 902-2-476.89Типовой проект 902-2-476.89Типовой проект 902-2-476.89Типовой проект 902-2-476.89Типовой проект 902-2-476.89Типовой проект 902-2-476.89Типовой проект 902-2-476.89Типовой проект 902-2-476.89Типовой проект 902-2-476.89Типовой проект 902-2-476.89Типовой проект 902-2-476.89Типовой проект 902-2-476.89Типовой проект 902-2-476.89Типовой проект 902-2-476.89Типовой проект 902-2-476.89Типовой проект 902-2-476.89Типовой проект 902-2-476.89Типовой проект 902-2-476.89Типовой проект 902-2-476.89Типовой проект 902-2-476.89Типовой проект 902-2-476.89Типовой проект 902-2-476.89Типовой проект 902-2-476.89Типовой проект 902-2-476.89

© 2013 Ёшкин Кот :-) Карта сайта