Скачать Типовой проект 801-6-11.85 Альбом I. Общая пояснительная записка. Технологические чертежи. Архитектурно-строительные решения. Конструкции металлические. Отопление и вентиляция. Внутренние водопровод и канализация. Электротехнические чертежи. Автоматизация технологических процессов. Автоматизация отопления и вентиляции. Связь и сигнализацияДата актуализации: 10.08.2017 Типовой проект 801-6-11.85
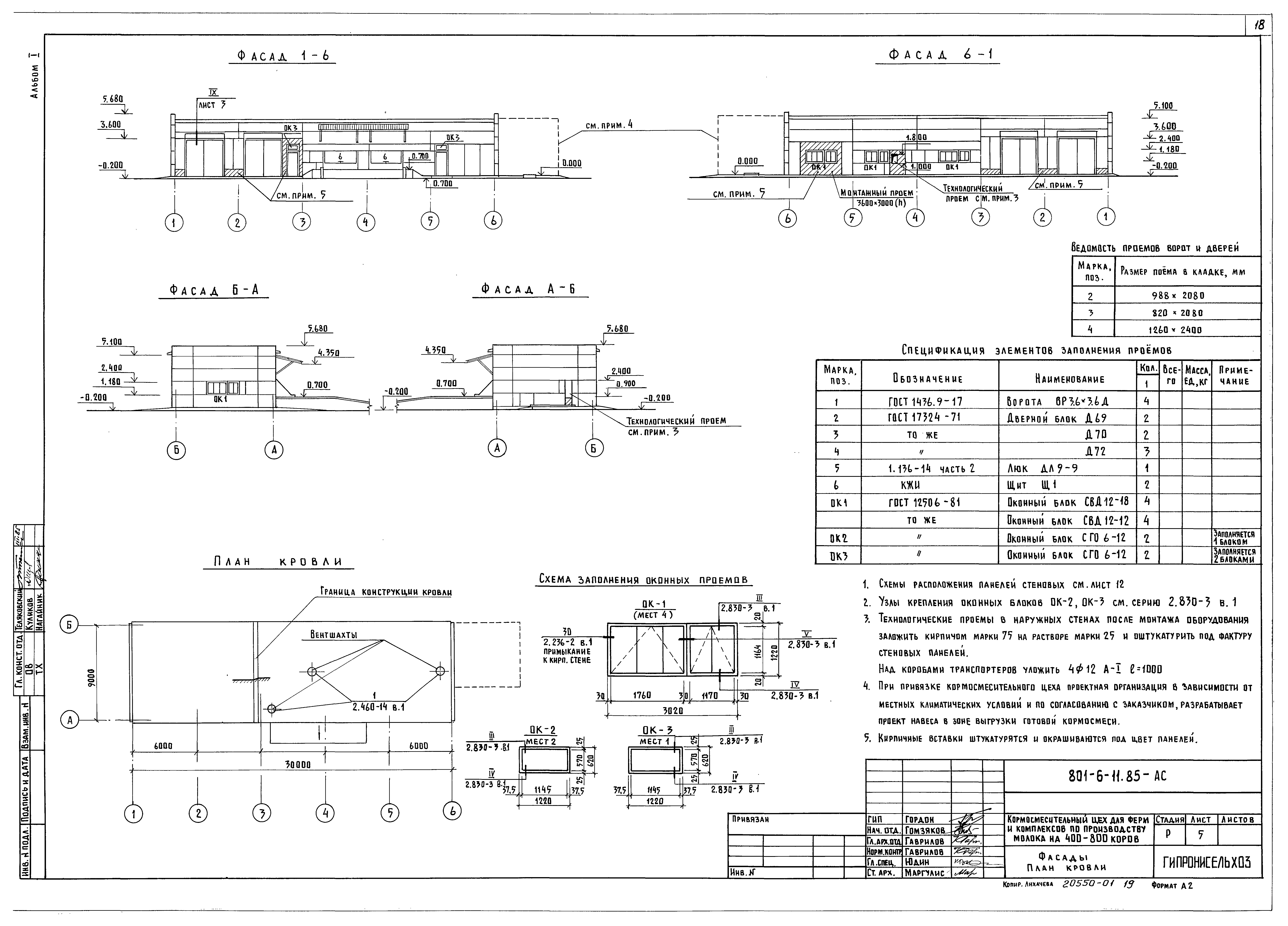
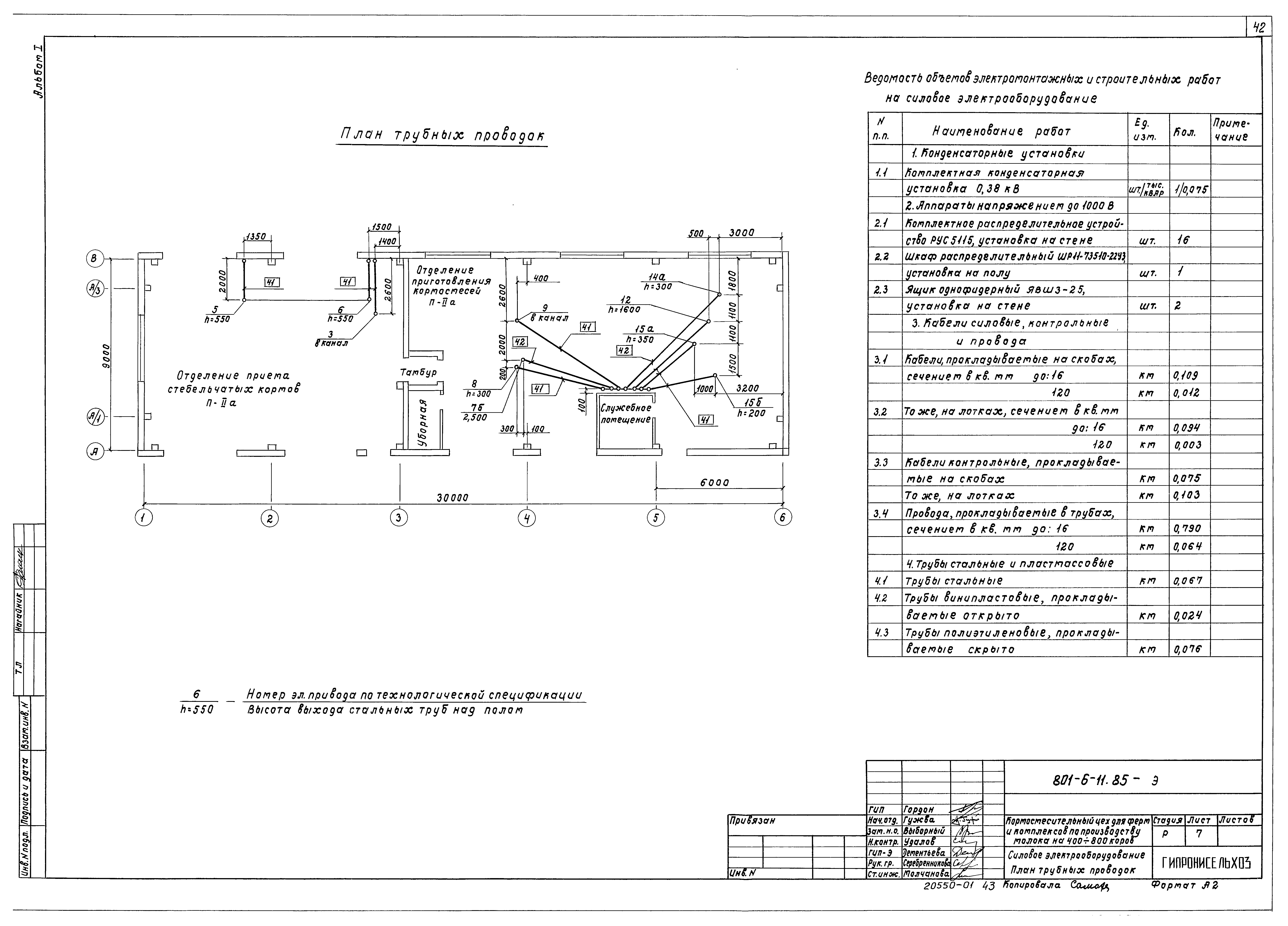
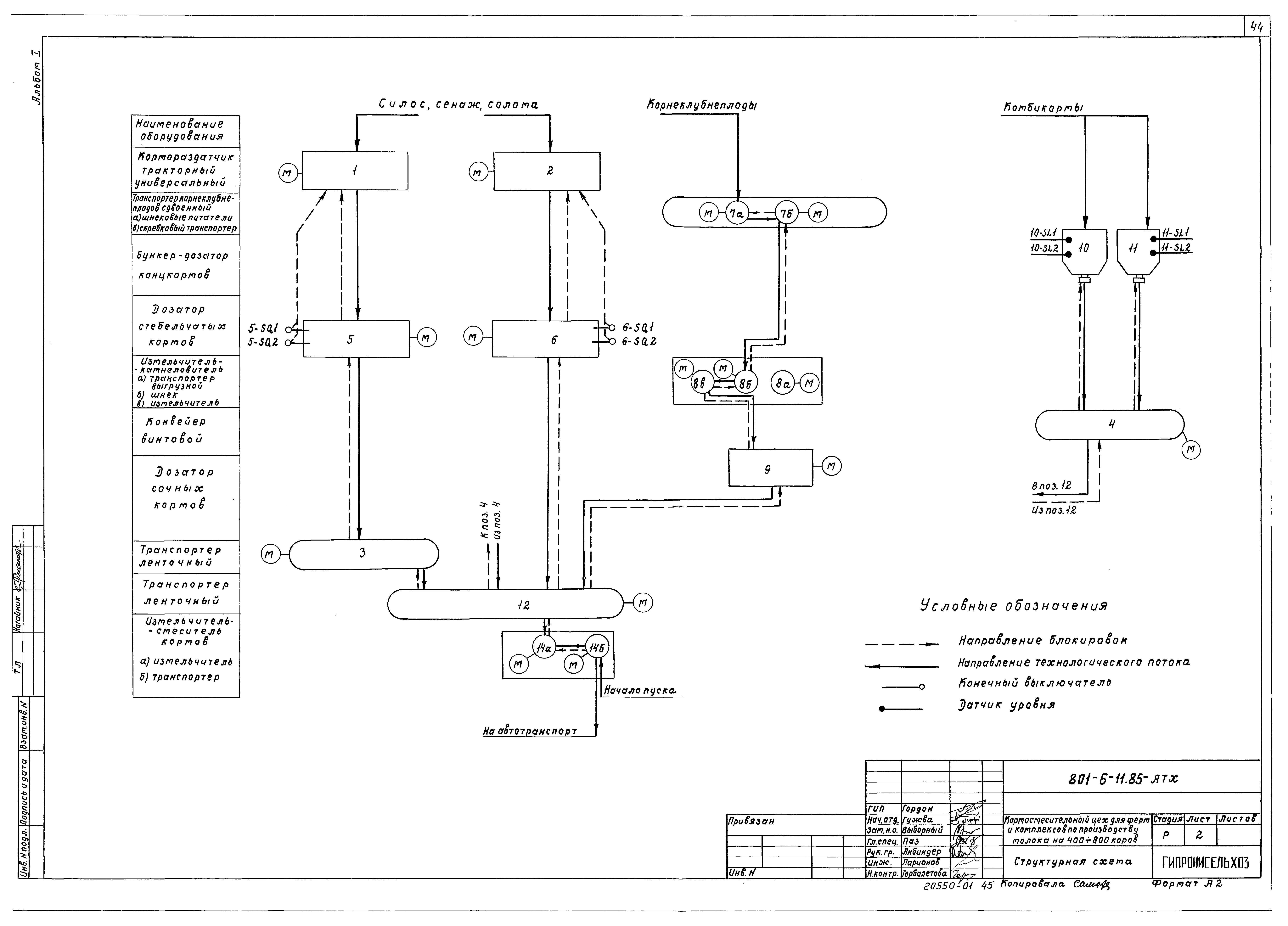
Альбом I. Общая пояснительная записка. Технологические чертежи. Архитектурно-строительные решения. Конструкции металлические. Отопление и вентиляция. Внутренние водопровод и канализация. Электротехнические чертежи. Автоматизация технологических процессов. Автоматизация отопления и вентиляции. Связь и сигнализацияОбозначение: | Типовой проект 801-6-11.85 | Обозначение англ: | 801-6-11.85 | Статус: | не определен законодательством | Название рус.: | Альбом I. Общая пояснительная записка. Технологические чертежи. Архитектурно-строительные решения. Конструкции металлические. Отопление и вентиляция. Внутренние водопровод и канализация. Электротехнические чертежи. Автоматизация технологических процессов. Автоматизация отопления и вентиляции. Связь и сигнализация | Дата добавления в базу: | 01.09.2013 | Дата актуализации: | 05.05.2017 | Дата введения: | 28.03.1985 | Оглавление: | ТП 801-6-11.85 Содержание ТП 801-6-11.85-ПЗ-1 Общая пояснительная записка ТП 801-6-11.85-ТХ Основной комплект рабочих чертежей марки ТХ ТП 801-6-11.85-ТХ-1 Общие данные ТП 801-6-11.85-ТХ-2 Описание технологического процесса (начало) ТП 801-6-11.85-ТХ-3 Описание технологического процесса (окончание) ТП 801-6-11.85-ТХ-4 Схема технологического процесса ТП 801-6-11.85-ТХ-5 План на отм. 0.000. Разрезы 1-1;2-2 ТП 801-6-11.85-ТХ-6 Установка ленточных транспортеров поз. 3,12, бункеров-дозаторов, конвейера винтового поз. 4 ТП 801-6-11.85-ТХ-7 Установка смесителя мелассы СМ-1,7 поз. 15 ТП 801-6-11.85-ТХ-8 Схема расположения технологического оборудования (ДК-10;ДК-15) ТП 801-6-11.85-ТХН-1 Патрубок к поз. 4 ТП 801-6-11.85-ТХН-2 Патрубок к поз. 7. ТП 801-6-11.85-ТХН-3 Коробка сбрасывающая ТП 801-6-11.85-ТХН-4 Опора под электромагнит поз. 13 ТП 801-6-11.85-ТХН-5 Опора под ленточный транспортер ТЛ-65 ТП 801-6-11.85-АС Основной комплект рабочих чертежей марки АС ТП 801-6-11.85-АС-1 Общие данные (начало) ТП 801-6-11.85-АС-2 Общие данные (окончание) ТП 801-6-11.85-АС-3 План на отм. 0.000 ТП 801-6-11.85-АС-4 Разрезы 1-1;2-2. Узлы 1...9 ТП 801-6-11.85-АС-5 Фасады. План кровли ТП 801-6-11.85-АС-6 Схема расположения элементов фундаментов и фундаментных балок ТП 801-6-11.85-АС-7 Узлы 4...6. Сечения к схеме расположения элементов фундаментов и фундаментных балок. Расчетные схемы фундаментов ТП 801-6-11.85-АС-8 Схема расположения элементов приямков и фундаментов под оборудование ТП 801-6-11.85-АС-9 Приямок ПЯм2 ТП 801-6-11.85-АС-10 Фундаменты под оборудование ФОМ1,ФОМ4. Приямки ПЯм2...ПЯм6, сечения ТП 801-6-11.85-АС-11 Схема расположения элементов покрытия каркаса. Узлы, сечения ТП 801-6-11.85-АС-12 Схема расположения элементов панелей стен. Узлы, сечения ТП 801-6-11.85-АС-13 Спецификация элементов к схемам расположения панелей стен, узлы ТП 801-6-11.85-КМ Основной комплект рабочих чертежей марки КМ ТП 801-6-11.85-КМ-1 Общие данные ТП 801-6-11.85-КМ-2 Схемы расположения элементов конструкций. Узлы ТП 801-6-11.85-ВК Основной комплект рабочих чертежей марки ВК ТП 801-6-11.85-ВК-1 Общие данные ТП 801-6-11.85-ВК-2 Системы В1,Т3,К1. План на отм. 0.000 ТП 801-6-11.85-ВК-3 Схемы систем В1,Т3,К1 и К3 ТП 801-6-11.85-ОВ Основной комплект рабочих чертежей марки ОВ ТП 801-6-11.85-ОВ-1 Общие данные ТП 801-6-11.85-ОВ-2 План на отм. 0.000 ТП 801-6-11.85-ОВ-3 Схемы систем отопления, системы теплоснабжения установок А1,А2 и системы технологического пароснабжения. Узел управления. Схема системы ВЕ1...ВЕ3 ТП 801-6-11.85-ОВН Прилагаемые чертежи общих видов ТП 801-6-11.85-ОВН Содержание ТП 801-6-11.85-ОВН1 Изоляция трубопроводов ТП 801-6-11.85-ОВН2 Изоляция арматуры ТП 801-6-11.85-Э Основной комплект рабочих чертежей марки Э ТП 801-6-11.85-Э-1 Общие данные (начало) ТП 801-6-11.85-Э-2 Общие данные (окончание) ТП 801-6-11.85-Э-3 Электроосвещение. План на отм. 0.000 ТП 801-6-11.85-Э-4 Силовое электрооборудование. План на отм. 0.001 ТП 801-6-11.85-Э-5 Силовое электрооборудование. Расчетная схема электросети напряжением 380/220 В (начало) ТП 801-6-11.85-Э-6 Силовое электрооборудование. Расчетная схема электросети напряжением 380/220 В (окончание) ТП 801-6-11.85-Э-7 Силовое электрооборудование. План трубных проводок ТП 801-6-11.85-АОВ Основной комплект рабочих чертежей марки АОВ ТП 801-6-11.85-АОВ-1 Общие данные. Отопительные агрегаты А1,А2. Узел управления теплового ввода. Схема функциональная ТП 801-6-11.85-АОВ-2 Отопительные агрегаты А1,А2. Схема электрическая принципиальная управления. Схема соединений внешних проводок. План расположения ТП 801-6-11.85-АТХ Основной комплект рабочих чертежей марки АТХ ТП 801-6-11.85-АТХ-1 Общие данные ТП 801-6-11.85-АТХ-2 Структурная схема ТП 801-6-11.85-АТХ-3 Схема электрическая принципиальная управления и сигнализации ТП 801-6-11.85-АТХ-4 Схема электрическая принципиальная управления и сигнализации ТП 801-6-11.85-АТХ-5 Схема соединений внешних проводок ТП 801-6-11.85-АТХ-6 Схема соединений внешних проводок ТП 801-6-11.85-АТХ-7 Схема соединений внешних проводок ТП 801-6-11.85-АТХ-8 План расположения ТП 801-6-11.85-СС Основной комплект рабочих чертежей марки СС ТП 801-6-11.85-СС-1 Общие данные ТП 801-6-11.85-СС-2 План расположения сетей связи и сигнализации | Разработан: | ФГНУ НПЦ Гипронисельхоз
| Утверждён: | 24.05.1984 Главсельстройпроект Минсельхоза СССР (Glavselstroyproject, USSR Minselkhoz 33-ЭГ)
| Расположен в: |
|
                                                     
|