Информационная система
«Ёшкин Кот»

Скачать базу одним архивом
Скачать обновления
История создания базы
Карта сайта

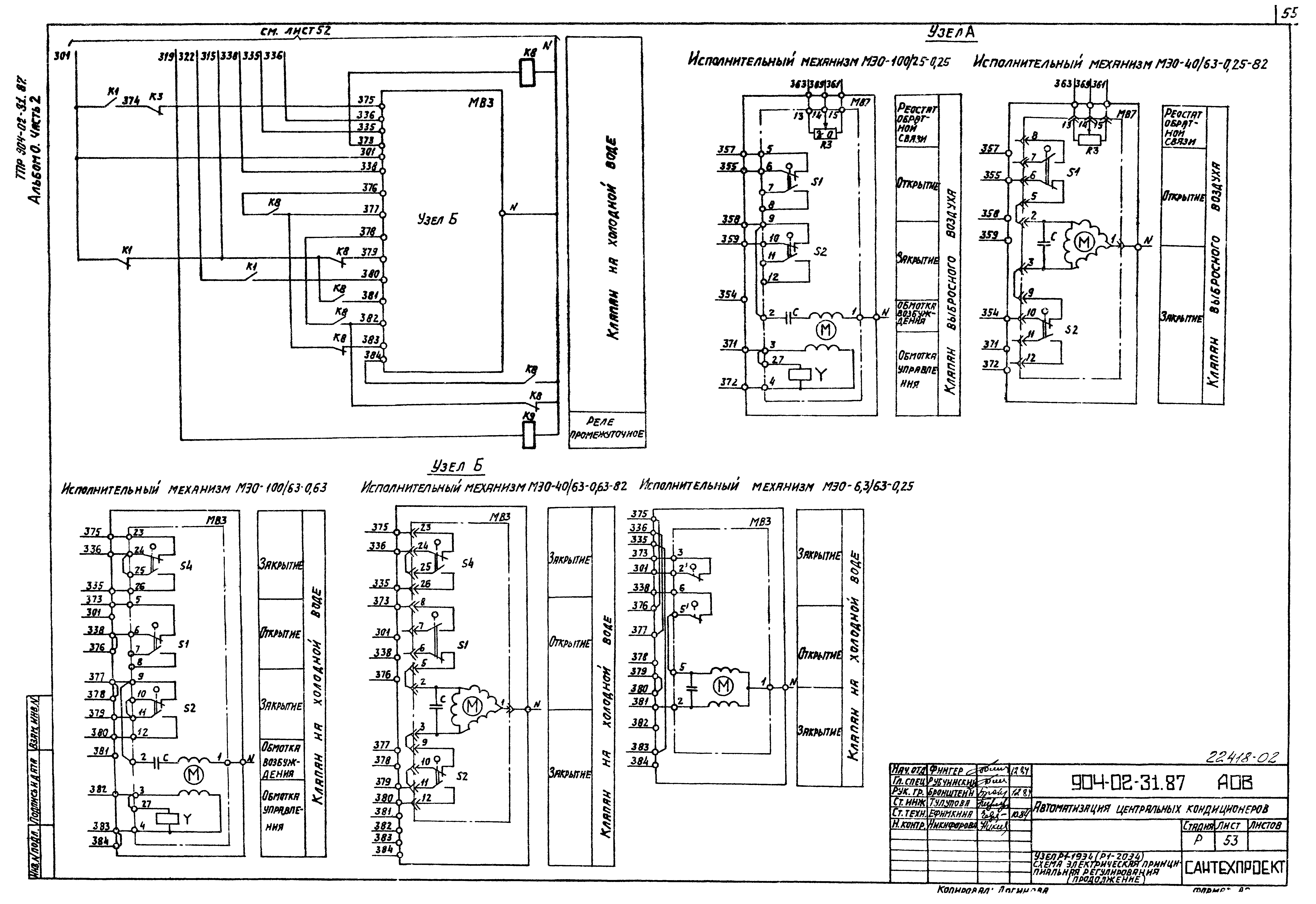
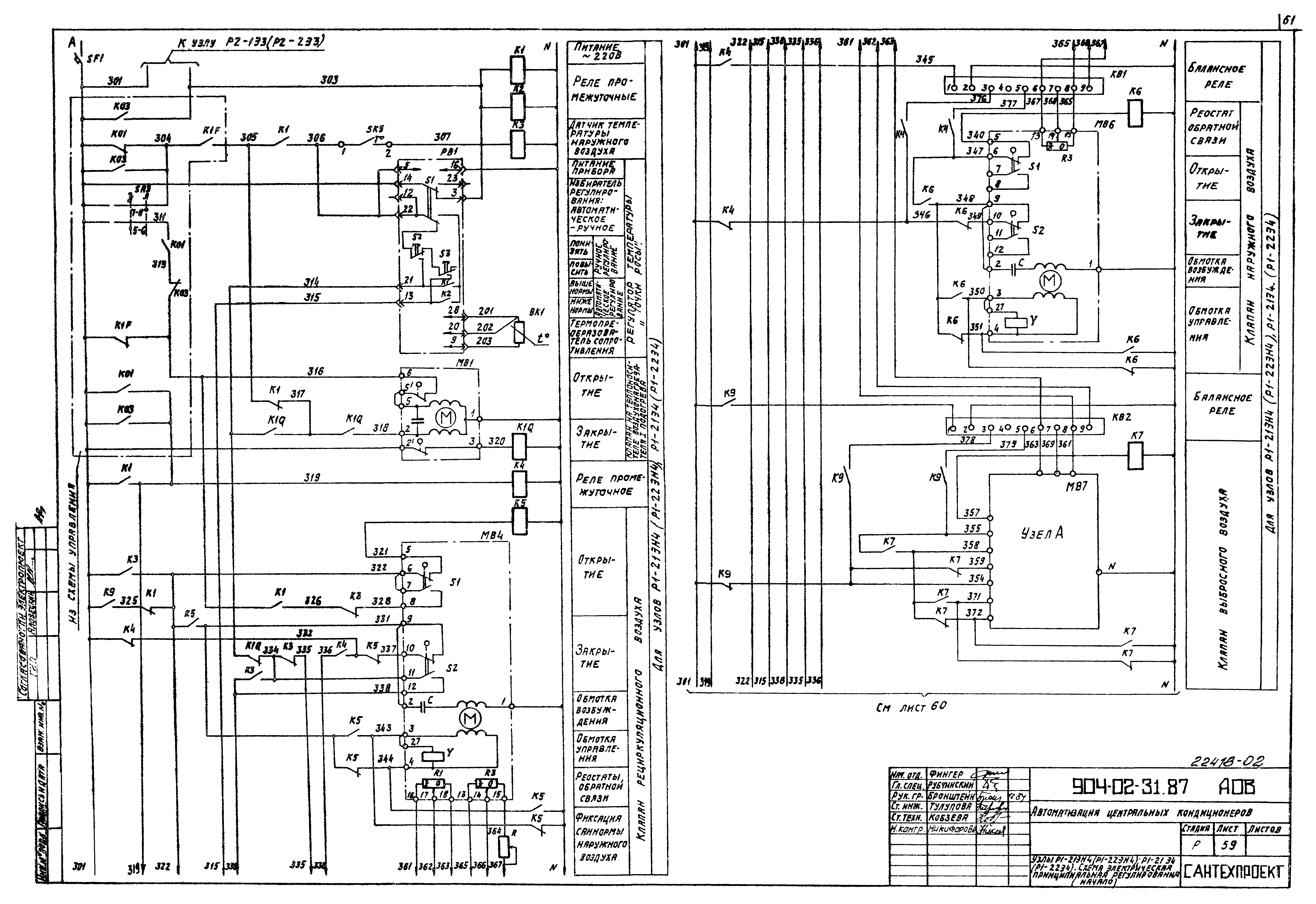
Скачать Типовые материалы для проектирования 904-02-31.87 Альбом 0. Часть 2. Рекомендации по применению. Узлы регулирования. Электрическая система

Дата актуализации: 10.08.2017

Типовые материалы для проектирования 904-02-31.87

Альбом 0. Часть 2. Рекомендации по применению. Узлы регулирования. Электрическая система

Обозначение: Типовые материалы для проектирования 904-02-31.87
Обозначение англ: 904-02-31.87
Статус:cправочные материалы, мп, тпр
Название рус.:Альбом 0. Часть 2. Рекомендации по применению. Узлы регулирования. Электрическая система
Дата добавления в базу:01.09.2013
Дата актуализации:05.05.2017
Дата введения:12.06.1986
Оглавление:ТП 904-02-31.87-АОВ1 Перечень узлов регулирования
ТП 904-02-31.87-АОВ Узлы регулирования. Электрическая система (чертежи)
Разработан: Сантехниипроект Госстроя России
Утверждён:12.06.1986 Главстройпроект Госстроя СССР (32)
Расположен в:Техническая документация Строительство Справочные документы Типовые строительные конструкции, изделия и узлы Общероссийский строительный каталог Промышленные предприятия, здания и сооружения Здания и сооружения санитарно-технические Воздухоснабжение, вентиляция и кондиционирование воздуха Вентиляция, кондиционирование воздуха
Типовые материалы для проектирования 904-02-31.87Типовые материалы для проектирования 904-02-31.87Типовые материалы для проектирования 904-02-31.87Типовые материалы для проектирования 904-02-31.87Типовые материалы для проектирования 904-02-31.87Типовые материалы для проектирования 904-02-31.87Типовые материалы для проектирования 904-02-31.87Типовые материалы для проектирования 904-02-31.87Типовые материалы для проектирования 904-02-31.87Типовые материалы для проектирования 904-02-31.87Типовые материалы для проектирования 904-02-31.87Типовые материалы для проектирования 904-02-31.87Типовые материалы для проектирования 904-02-31.87Типовые материалы для проектирования 904-02-31.87Типовые материалы для проектирования 904-02-31.87Типовые материалы для проектирования 904-02-31.87Типовые материалы для проектирования 904-02-31.87Типовые материалы для проектирования 904-02-31.87Типовые материалы для проектирования 904-02-31.87Типовые материалы для проектирования 904-02-31.87Типовые материалы для проектирования 904-02-31.87Типовые материалы для проектирования 904-02-31.87Типовые материалы для проектирования 904-02-31.87Типовые материалы для проектирования 904-02-31.87Типовые материалы для проектирования 904-02-31.87Типовые материалы для проектирования 904-02-31.87Типовые материалы для проектирования 904-02-31.87Типовые материалы для проектирования 904-02-31.87Типовые материалы для проектирования 904-02-31.87Типовые материалы для проектирования 904-02-31.87Типовые материалы для проектирования 904-02-31.87Типовые материалы для проектирования 904-02-31.87Типовые материалы для проектирования 904-02-31.87Типовые материалы для проектирования 904-02-31.87Типовые материалы для проектирования 904-02-31.87Типовые материалы для проектирования 904-02-31.87Типовые материалы для проектирования 904-02-31.87Типовые материалы для проектирования 904-02-31.87Типовые материалы для проектирования 904-02-31.87Типовые материалы для проектирования 904-02-31.87Типовые материалы для проектирования 904-02-31.87Типовые материалы для проектирования 904-02-31.87Типовые материалы для проектирования 904-02-31.87Типовые материалы для проектирования 904-02-31.87Типовые материалы для проектирования 904-02-31.87Типовые материалы для проектирования 904-02-31.87Типовые материалы для проектирования 904-02-31.87Типовые материалы для проектирования 904-02-31.87Типовые материалы для проектирования 904-02-31.87Типовые материалы для проектирования 904-02-31.87Типовые материалы для проектирования 904-02-31.87Типовые материалы для проектирования 904-02-31.87Типовые материалы для проектирования 904-02-31.87Типовые материалы для проектирования 904-02-31.87Типовые материалы для проектирования 904-02-31.87Типовые материалы для проектирования 904-02-31.87Типовые материалы для проектирования 904-02-31.87Типовые материалы для проектирования 904-02-31.87Типовые материалы для проектирования 904-02-31.87Типовые материалы для проектирования 904-02-31.87Типовые материалы для проектирования 904-02-31.87Типовые материалы для проектирования 904-02-31.87Типовые материалы для проектирования 904-02-31.87Типовые материалы для проектирования 904-02-31.87Типовые материалы для проектирования 904-02-31.87Типовые материалы для проектирования 904-02-31.87Типовые материалы для проектирования 904-02-31.87Типовые материалы для проектирования 904-02-31.87Типовые материалы для проектирования 904-02-31.87Типовые материалы для проектирования 904-02-31.87Типовые материалы для проектирования 904-02-31.87Типовые материалы для проектирования 904-02-31.87Типовые материалы для проектирования 904-02-31.87Типовые материалы для проектирования 904-02-31.87Типовые материалы для проектирования 904-02-31.87Типовые материалы для проектирования 904-02-31.87Типовые материалы для проектирования 904-02-31.87Типовые материалы для проектирования 904-02-31.87Типовые материалы для проектирования 904-02-31.87Типовые материалы для проектирования 904-02-31.87Типовые материалы для проектирования 904-02-31.87Типовые материалы для проектирования 904-02-31.87Типовые материалы для проектирования 904-02-31.87Типовые материалы для проектирования 904-02-31.87Типовые материалы для проектирования 904-02-31.87

© 2013 Ёшкин Кот :-) Карта сайта