Информационная система
«Ёшкин Кот»

Скачать базу одним архивом
Скачать обновления
История создания базы
Карта сайта

Скачать Типовой проект КС-160.11 Контактная подвеска КС-160 на жестких поперечниках. Постоянный ток

Дата актуализации: 10.08.2017

Типовой проект КС-160.11

Контактная подвеска КС-160 на жестких поперечниках. Постоянный ток

Обозначение: Типовой проект КС-160.11
Обозначение англ: КС-160.11
Статус:не определен законодательством
Название рус.:Контактная подвеска КС-160 на жестких поперечниках. Постоянный ток
Дата добавления в базу:01.09.2013
Дата актуализации:05.05.2017
Дата введения:09.07.2004
Оглавление:КС-160.11.113 Пояснительная записка
1. Условные схемы анкерных участков
КС-160.11.001 Условные схемы анкерных участков контактной подвески на жестких поперечинах на двухпутном перегоне
2. Армировки жестких поперечин
КС-160.11.002 Варианты схем установки ригелей и поддерживающих конструкций
КС-160.11.003 Армировка промежуточной жесткой поперечины. Прямой участок пути
КС-160.11.004 Армировка промежуточной жесткой поперечины. Кривой участок пути
КС-160.11.005 Армировка жесткой поперечины па средней анкеровке
КС-160.11.006 Армировка переходной жесткой поперечины на сопряжении без секционирования. Опоры "А" и "Б". Прямой участок пути
КС-160.11.007 Армировка переходной жесткой поперечины на сопряжении без секционирования. Опора "В". Прямой участок пути
КС-160.11.008 Армировка переходной жесткой поперечины на сопряжении без секционирования Опоры "А" и "Б". Кривой участок пути
КС-160.11.009 Армировка переходной жесткой поперечины на сопряжении без секционирования. Опора "В". Кривой участок пути
КС-160.11.010 Армировка переходной жесткой поперечины на сопряжении с секционированием. Опоры "А" и "Б". Прямой участок пути
КС-160.11.011 Армировка переходной жесткой поперечины на сопряжении с секционированием. Опора "В". Прямой участок пути
КС-160.11.012 Армировка переходной жесткой поперечины на сопряжении с секционированием. Опоры "А" и "Б". Кривой участок пути
КС-160.11.013 Армировка переходной жесткой поперечины на сопряжении с секционированием. Опора "В". Кривой участок пути
КС-160.11.014 Армировка жесткой поперечины па анкерных опорах компенсированной анкеровки контактной подвески
КС-160.11.015 Армировка жесткой поперечины на анкерных опорах средней анкеровки
КС-160.11.016 Армировка жесткой поперечины, применяемой для обеспечения достаточной прочности заделки опор
КС-160.11.017 Разанкеровка и обвод усиливающих проводов на анкерной опоре средней анкеровки
КС-160.11.018 Переход усиливающих проводов с консольных опор на жесткие поперечины
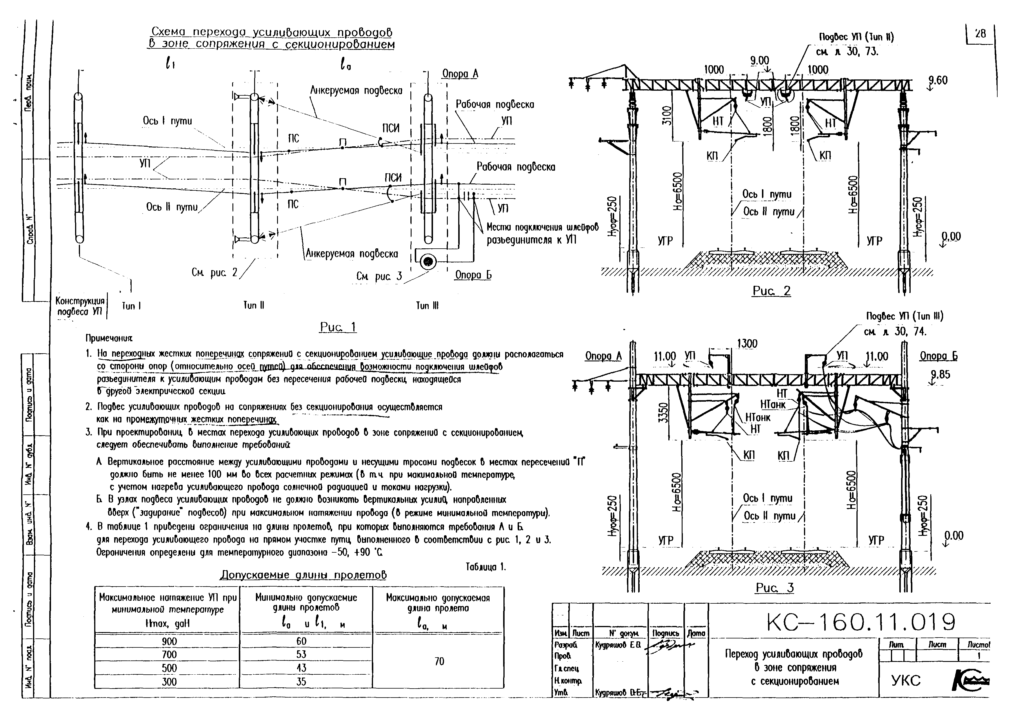
КС-160.11.019 Переход усиливающих проводов в зоне сопряжения с секционированием
КС-160.11.020 Переход усиливающих проводов в зоне разанкеровки
КС-160.11.021 Варианты подвесов усиливающих проводов на жестких поперечинах
3. Схемы установки консолей на консольных стойках
КС-160.11.022 Консольная стойка для промежуточных жестких поперечин. Прямая, зигзаг к стойке
КС-160.11.023 Консольная стойка для промежуточных жестких поперечин. Прямая, зигзаг от стойки
КС-160.11.024 Консольная стойка на средней анкеровке
КС-160.11.025 Консольная стойка для промежуточных жестких поперечин. Внешняя сторона кривой
КС-160.11.026 Консольная стойка для промежуточных жестких поперечин. Внутренняя сторона кривой
КС-160.11.027 Консольная стойка для переходных жестких поперечин. Сопряжение без секционирования на прямой, опора "А"
КС-160.11.028 Консольная стойка для переходных жестких поперечин. Сопряжение без секционирования на прямой, опора "Б"
КС-160.11.029 Консольная стойка для переходных жестких поперечин. Сопряжение без секционирования на прямой, опора "В"
КС-160.11.030 Консольная стойка для переходных жестких поперечин. Сопряжение без секционирования на внешней стороне кривой, опора "А"
КС-160.11.031 Консольная стойка для переходных жестких поперечин. Сопряжение без секционирования на внешней стороне кривой, опора "Б"
КС-160.11.032 Консольная стойка для переходных жестких поперечин. Сопряжение без секционирования на внешней стороне кривой, опора "В"
КС-160.11.033 Консольная стойка для переходных жестких поперечин. Сопряжение без секционирования на внутренней стороне кривой, опора "А"
КС-160.11.034 Консольная стойка для переходных жестких поперечин. Сопряжение без секционирования на внутренней стороне кривой, опора "Б"
КС-160.11.035 Консольная стойка дин переходных жестких поперечин. Сопряжение без секционирования на внутренней стороне кривой, опора "В"
КС-160.11.036 Консольная стойка для переходных жестких поперечин. Сопряжение с секционированием на прямой, опора "А"
КС-160.11.037 Консольная стойка дня переходных жестких поперечин. Сопряжение с секционированием на прямой, опора "Б"
КС-160.11.038 Консольная стойка для переходных жестких поперечин. Сопряжение с секционированием на прямой, опора "В"
КС-160.11.039 Консольная стойка для переходных жестких поперечин. Сопряжение с секционированием на внешней стороне кривой, опора "А"
КС-160.11.040 Консольная стойка для переходных жестких поперечин. Сопряжение с секционированием на внешней стороне кривой, опора "Б"
КС-160.11.041 Консольная стойка для переходных жестких поперечин. Сопряжение с секционированием на внешней стороне кривой, опора "В"
КС-160.11.042 Консольная стойка для переходных жестких поперечин. Сопряжение с секционированием на внутренней стороне кривой, опора "А"
КС-160.11.043 Консольная стойка для переходных жестких поперечин. Сопряжение с секционированием на внутренней стороне кривой, опора "В"
КС-160.11.044 Консольная стойка для переходных жестких поперечин. Сопряжение с секционированием на внутренней стороне кривой, опора "В"
КС-160.11.045 Основные установочные параметры при монтаже
КС-160.11.046 Графики регулировки положения консолей на переходных жестких поперечинах
4. Конструктивные решения
КС-160.11.047 Стойки консольные для промежуточных жестких поперечин. Обозначения консольных стоек
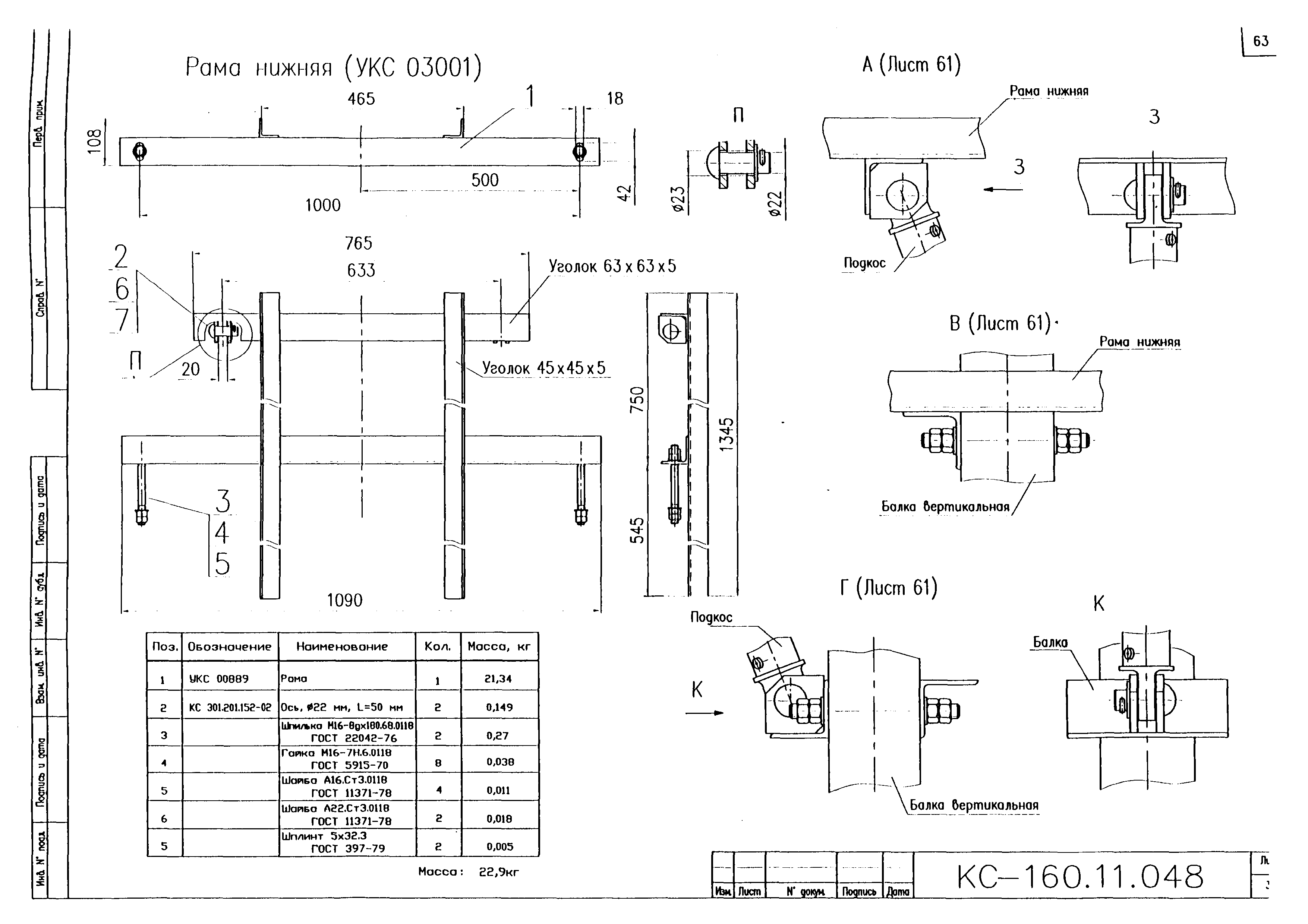
КС-160.11.048 Стойки консольные для переходных жестких поперечин
КС-160.11.049 Консоли для жестких поперечин тип НЖ-3,0. Обозначения консолей
КС-160.11.050 Фиксаторы сочлененные прямые, тип ФПЖ-3,0 (ФПЖГ-3,0). Обозначения фиксаторов
КС-160.11.051 Фиксаторы сочлененные обратные, тип ФОЖ-3,0 (ФОЖГ-3,0)
КС-160.11.052 Фиксаторы контактных проводов анкеруемой ветви, тип ФАЖ-3.0
КС-160.11.053 Подвес усиливающих проводов на одном изоляторе (Тип I)
КС-160.11.054 Подвес усиливающих проводов на двух изоляторах (Тип II)
КС-160.11.055 Подвес усиливающих проводов на Г-образной надставке (Тип III)
КС-160.11.056 Соединение ригеля со стойками на оголовках
КС-160.11.057 Соединение ригеля со стойками на опорных столиках
КС-160.11.058 Фиксаторы подвесного изолятора несущего троса
5. Допустимые расчетные нагрузки
КС-160.11.059 Допустимые расчетные нагрузки на консольные стойки
КС-160.11.060 Допустимые расчетные нагрузки на консоли
КС-160.11.061 Допустимые расчетные нагрузки на фиксаторы
6. Таблицы применения
КС-160.11.062 Таблица применения консольных стоек
КС-160.11.063 Таблица применения консолей на консольных стойках
КС-160.11.064 Таблица применения фиксаторов на консольных стойках
КС-160.11.065 Нумерации регулировочных отверстий в кронштейнах и тягах консолей
КС-160.11.066 Таблица номеров отверстий для установки регулировочных элементов консолей
КС-160.11.067 Привязка консольных стоек к оси пути
КС-160.11.068 Определение расчетных длин ригелей
КС-160.11.069 Максимальные расчетные моменты, действующие на ригели жестких поперечин с консольными стойками
Разработан: Универсал-контактные сети
Утверждён:09.07.2004 ОАО РЖД
Расположен в:Техническая документация Строительство Справочные документы Типовые строительные конструкции, изделия и узлы Разработанные другими министерствами, ведомствами и организациями
Типовой проект КС-160.11Типовой проект КС-160.11Типовой проект КС-160.11Типовой проект КС-160.11Типовой проект КС-160.11Типовой проект КС-160.11Типовой проект КС-160.11Типовой проект КС-160.11Типовой проект КС-160.11Типовой проект КС-160.11Типовой проект КС-160.11Типовой проект КС-160.11Типовой проект КС-160.11Типовой проект КС-160.11Типовой проект КС-160.11Типовой проект КС-160.11Типовой проект КС-160.11Типовой проект КС-160.11Типовой проект КС-160.11Типовой проект КС-160.11Типовой проект КС-160.11Типовой проект КС-160.11Типовой проект КС-160.11Типовой проект КС-160.11Типовой проект КС-160.11Типовой проект КС-160.11Типовой проект КС-160.11Типовой проект КС-160.11Типовой проект КС-160.11Типовой проект КС-160.11Типовой проект КС-160.11Типовой проект КС-160.11Типовой проект КС-160.11Типовой проект КС-160.11Типовой проект КС-160.11Типовой проект КС-160.11Типовой проект КС-160.11Типовой проект КС-160.11Типовой проект КС-160.11Типовой проект КС-160.11Типовой проект КС-160.11Типовой проект КС-160.11Типовой проект КС-160.11Типовой проект КС-160.11Типовой проект КС-160.11Типовой проект КС-160.11Типовой проект КС-160.11Типовой проект КС-160.11Типовой проект КС-160.11Типовой проект КС-160.11Типовой проект КС-160.11Типовой проект КС-160.11Типовой проект КС-160.11Типовой проект КС-160.11Типовой проект КС-160.11Типовой проект КС-160.11Типовой проект КС-160.11Типовой проект КС-160.11Типовой проект КС-160.11Типовой проект КС-160.11Типовой проект КС-160.11Типовой проект КС-160.11Типовой проект КС-160.11Типовой проект КС-160.11Типовой проект КС-160.11Типовой проект КС-160.11Типовой проект КС-160.11Типовой проект КС-160.11Типовой проект КС-160.11Типовой проект КС-160.11Типовой проект КС-160.11Типовой проект КС-160.11Типовой проект КС-160.11Типовой проект КС-160.11Типовой проект КС-160.11Типовой проект КС-160.11Типовой проект КС-160.11Типовой проект КС-160.11Типовой проект КС-160.11Типовой проект КС-160.11Типовой проект КС-160.11Типовой проект КС-160.11Типовой проект КС-160.11Типовой проект КС-160.11Типовой проект КС-160.11Типовой проект КС-160.11Типовой проект КС-160.11Типовой проект КС-160.11Типовой проект КС-160.11Типовой проект КС-160.11Типовой проект КС-160.11Типовой проект КС-160.11Типовой проект КС-160.11Типовой проект КС-160.11Типовой проект КС-160.11Типовой проект КС-160.11Типовой проект КС-160.11Типовой проект КС-160.11

© 2013 Ёшкин Кот :-) Карта сайта