| ||||||||||||||||||||||||
Скачать Типовые материалы для проектирования 904-02-41.89 Альбом 2. Схемы электрические принципиальные. Схемы электрические подключенияДата актуализации: 10.08.2017
|
| Обозначение: | Типовые материалы для проектирования 904-02-41.89 |
| Обозначение англ: | 904-02-41.89 |
| Статус: | cправочные материалы, мп, тпр |
| Название рус.: | Альбом 2. Схемы электрические принципиальные. Схемы электрические подключения |
| Дата добавления в базу: | 01.09.2013 |
| Дата актуализации: | 05.05.2017 |
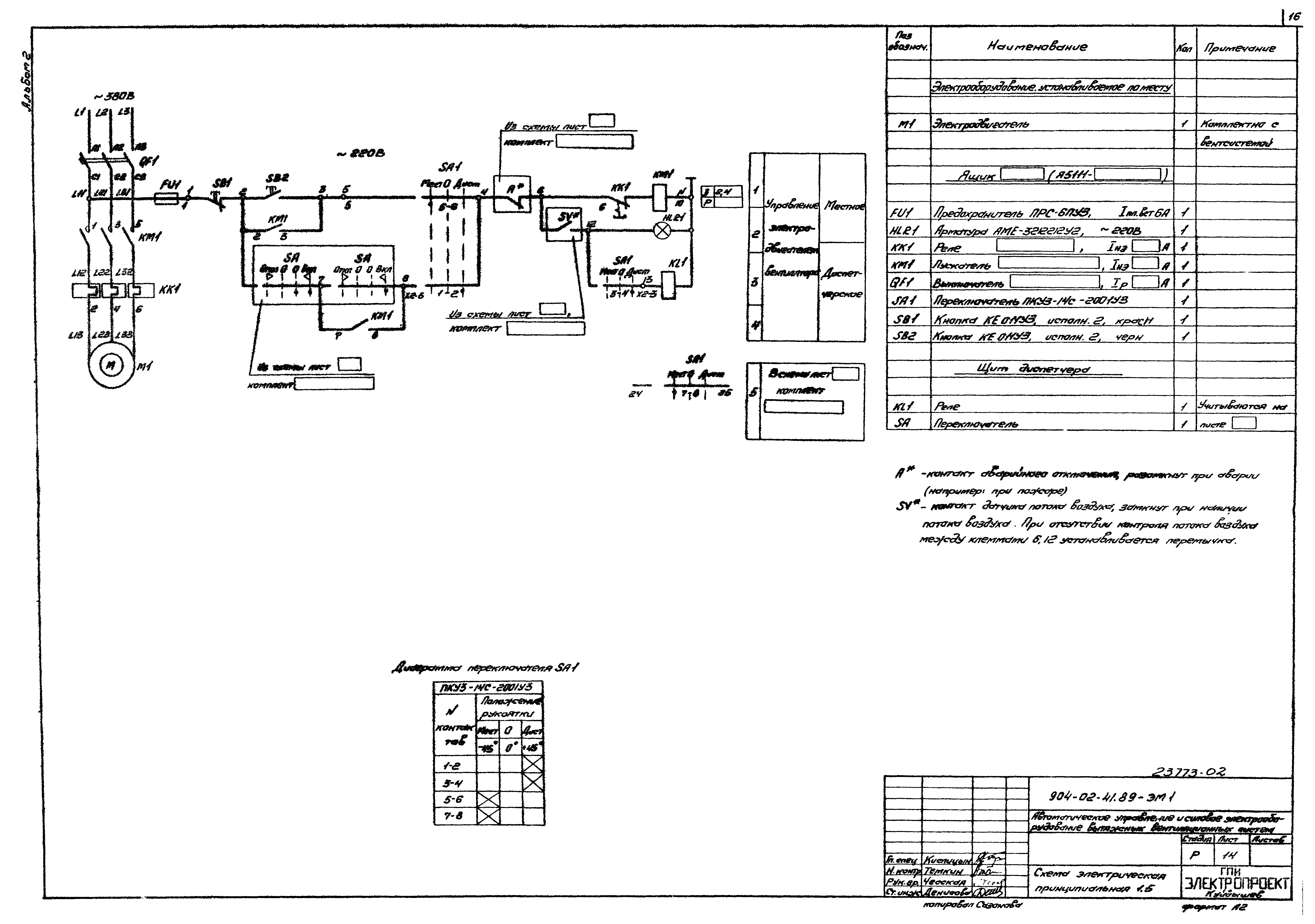
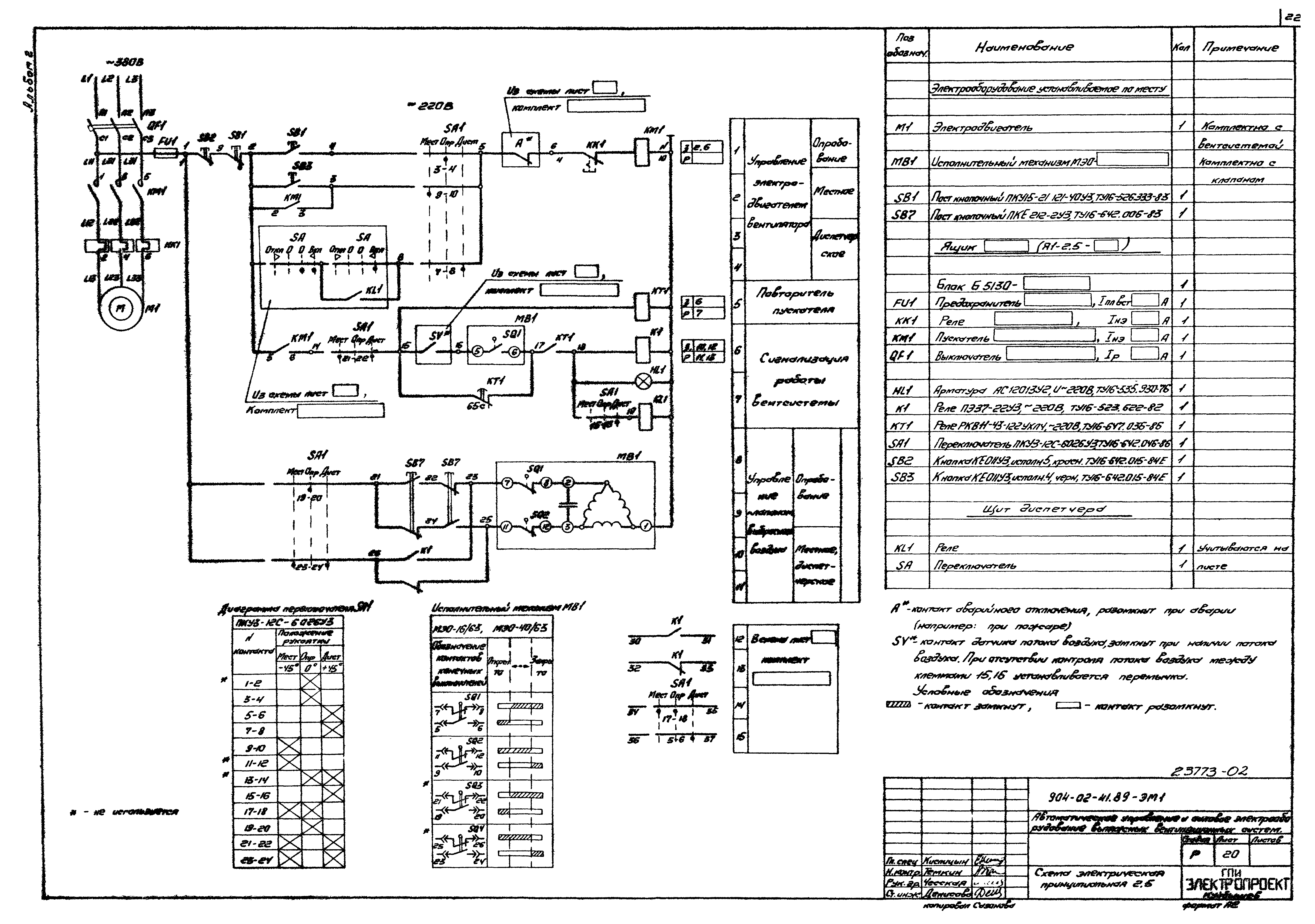
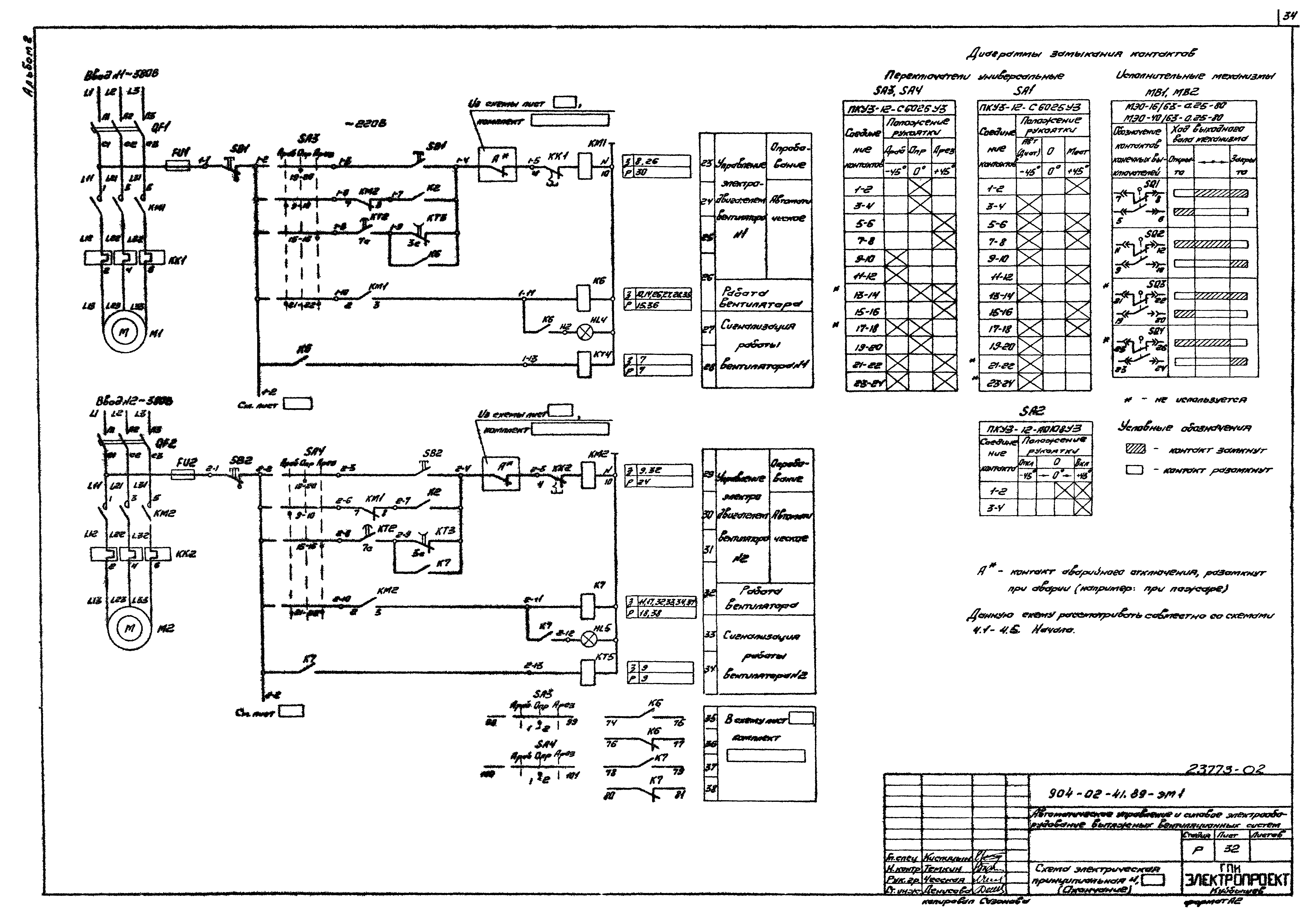
| Оглавление: | ТП 904-02-41.89-ПЗ1-7 Пояснительная записка ТП 904-02-41.89-ЭМ1-8 Схема электрическая принципиальная 1.1 ТП 904-02-41.89-ЭМ1-9 Схемы электрические принципиальные 1.2.1а,1.2.1б ТП 904-02-41.89-ЭМ1-10 Схемы электрические принципиальные 1.2.2а,1.2.2б ТП 904-02-41.89-ЭМ1-11 Схема электрическая принципиальная 1.3.1 ТП 904-02-41.89-ЭМ1-12 Схема электрическая принципиальная 1.3.2 ТП 904-02-41.89-ЭМ1-13 Схема электрическая принципиальная 1.4 ТП 904-02-41.89-ЭМ1-14 Схема электрическая принципиальная 1.5 ТП 904-02-41.89-ЭМ1-15 Схема электрическая принципиальная 2.1 ТП 904-02-41.89-ЭМ1-16 Схема электрическая принципиальная 2.2а ТП 904-02-41.89-ЭМ1-17 Схема электрическая принципиальная 2.2б ТП 904-02-41.89-ЭМ1-18 Схема электрическая принципиальная 2.3 ТП 904-02-41.89-ЭМ1-19 Схема электрическая принципиальная 2.4 ТП 904-02-41.89-ЭМ1-20 Схема электрическая принципиальная 2.5 ТП 904-02-41.89-ЭМ1-21 Схема электрическая принципиальная 3.1. Начало ТП 904-02-41.89-ЭМ1-22 Схема электрическая принципиальная 3.2. Начало ТП 904-02-41.89-ЭМ1-23 Схема электрическая принципиальная 3.3. Начало ТП 904-02-41.89-ЭМ1-24 Схема электрическая принципиальная 3.4. Начало ТП 904-02-41.89-ЭМ1-25 Схема электрическая принципиальная 3.. Начало ТП 904-02-41.89-ЭМ1-26 Схема электрическая принципиальная 3.□. Окончание ТП 904-02-41.89-ЭМ1-27 Схема электрическая принципиальная 4.1. Начало ТП 904-02-41.89-ЭМ1-28 Схема электрическая принципиальная 4.2. Начало ТП 904-02-41.89-ЭМ1-29 Схема электрическая принципиальная 4.3. Начало ТП 904-02-41.89-ЭМ1-30 Схема электрическая принципиальная 4.4. Начало ТП 904-02-41.89-ЭМ1-31 Схема электрическая принципиальная 4.5. Начало ТП 904-02-41.89-ЭМ1-32 Схема электрическая принципиальная 4.□. Окончание ТП 904-02-41.89-ЭМ1-33 Схема электрическая принципиальная 5.1. Начало ТП 904-02-41.89-ЭМ1-34 Схема электрическая принципиальная 5.2. Начало ТП 904-02-41.89-ЭМ1-35 Схема электрическая принципиальная 5.3. Начало ТП 904-02-41.89-ЭМ1-36 Схема электрическая принципиальная 5.4. Начало ТП 904-02-41.89-ЭМ1-37 Схема электрическая принципиальная 5.5. Начало ТП 904-02-41.89-ЭМ1-38 Схема электрическая принципиальная 5.□. Окончание ТП 904-02-41.89-ЭМ1-39 Диспетчерское управление. Схема электрическая принципиальная ТП 904-02-41.89-ЭМ1-40 Ящик □. Схема электрическая подключения 1 ТП 904-02-41.89-ЭМ1-41 Ящик □. Схема электрическая подключения 2 ТП 904-02-41.89-ЭМ1-42 Ящик □. Схема электрическая подключения 3 ТП 904-02-41.89-ЭМ1-43 Ящик □. Схема электрическая подключения 4 ТП 904-02-41.89-ЭМ1-44 Ящик □. Схема электрическая подключения 5 ТП 904-02-41.89-ЭМ1-45 Ящик □. Схема электрическая подключения 6 ТП 904-02-41.89-ЭМ1-46 Ящик □. Схема электрическая подключения 7 ТП 904-02-41.89-ЭМ1-47 Ящик □. Схема электрическая подключения 8 ТП 904-02-41.89-ЭМ1-48 Ящик □. Схема электрическая подключения 9 ТП 904-02-41.89-ЭМ1-49 Ящик □. Схема электрическая подключения 10 ТП 904-02-41.89-ЭМ1-50 Ящик □. Схема электрическая подключения 11 ТП 904-02-41.89-ЭМ1-51 Ящик □. Схема электрическая подключения 12 ТП 904-02-41.89-ЭМ1-52 Ящик □. Схема электрическая подключения 13 ТП 904-02-41.89-ЭМ1-53 Ящик □. Схема электрическая подключения 14 ТП 904-02-41.89-ЭМ1-54 Ящик □. Схема электрическая подключения 15 ТП 904-02-41.89-ЭМ1-55 Ящик □. Схема электрическая подключения 16 ТП 904-02-41.89-ЭМ1-56 Ящик □. Схема электрическая подключения 17 ТП 904-02-41.89-ЭМ1-57 Ящик □. Схема электрическая подключения 18 ТП 904-02-41.89-ЭМ1-58 Ящик □. Схема электрическая подключения 19 ТП 904-02-41.89-ЭМ1-59 Ящик □. Схема электрическая подключения 20 ТП 904-02-41.89-ЭМ1-60 Ящик □. Схема электрическая подключения 21 ТП 904-02-41.89-ЭМ1-61 Ящик □. Схема электрическая подключения 22 ТП 904-02-41.89-ЭМ1-62 Ящик □. Схема электрическая подключения 23 ТП 904-02-41.89-ЭМ1-63 Ящик □. Схема электрическая подключения 24 ТП 904-02-41.89-ЭМ1-64 Ящик □. Схема электрическая подключения 25 ТП 904-02-41.89-ЭМ1-65 Ящик □. Схема электрическая подключения 26 ТП 904-02-41.89-ЭМ1-66 Ящик □. Схема электрическая подключения 27 ТП 904-02-41.89-ЭМ1-67 Ящик □. Схема электрическая подключения 28 ТП 904-02-41.89-ЭМ1-68 Шкаф □. Схема электрическая подключения 29 ТП 904-02-41.89-ЭМ1-69 Ящик □. Схема электрическая подключения 30 ТП 904-02-41.89-ЭМ1-70 Ящик □. Схема электрическая подключения 31 ТП 904-02-41.89-ЭМ1-71 Шкаф □. Схема электрическая подключения 32 ТП 904-02-41.89-ЭМ1-72 Шкаф □. Схема электрическая подключения 33 ТП 904-02-41.89-ЭМ1-73 Шкаф □. Схема электрическая подключения 34 ТП 904-02-41.89-ЭМ1-74 Шкаф □. Схема электрическая подключения 35 ТП 904-02-41.89-ЭМ1-75 Шкаф □. Схема электрическая подключения 36 ТП 904-02-41.89-ЭМ1-76 Шкаф □. Схема электрическая подключения 37 ТП 904-02-41.89-ЭМ1-77 Шкаф □. Схема электрическая подключения 38 ТП 904-02-41.89-ЭМ1-78 Шкаф □. Схема электрическая подключения 39 ТП 904-02-41.89-ЭМ1-79 Шкаф □. Схема электрическая подключения 40 ТП 904-02-41.89-ЭМ1-80 Шкаф □. Схема электрическая подключения 41 ТП 904-02-41.89-ЭМ1-81 Шкаф □. Схема электрическая подключения 42 ТП 904-02-41.89-ЭМ1-82 Шкаф □. Схема электрическая подключения 43 ТП 904-02-41.89-ЭМ1-83 Шкаф □. Схема электрическая подключения 44 ТП 904-02-41.89-ЭМ1-84 Шкаф □. Схема электрическая подключения 45 ТП 904-02-41.89-ЭМ1-85 Шкаф □. Схема электрическая подключения 46 ТП 904-02-41.89-ЭМ1-86 Шкаф □. Схема электрическая подключения 47 ТП 904-02-41.89-ЭМ1-87 Шкаф □. Схема электрическая подключения 48 ТП 904-02-41.89-ЭМ1-88 Шкаф □. Схема электрическая подключения 49 ТП 904-02-41.89-ЭМ1-89 Шкаф □. Схема электрическая подключения 50 ТП 904-02-41.89-ЭМ1-90 Шкаф □. Схема электрическая подключения 51 ТП 904-02-41.89-ЭМ1-91 Шкаф □. Схема электрическая подключения 52 ТП 904-02-41.89-ЭМ1-92 Шкаф □. Схема электрическая подключения 53 ТП 904-02-41.89-ЭМ1-93 Шкаф □. Схема электрическая подключения 54 ТП 904-02-41.89-ЭМ1-94 Шкаф □. Схема электрическая подключения 55 ТП 904-02-41.89-ЭМ1-95 Шкаф □. Схема электрическая подключения 56 ТП 904-02-41.89-ЭМ1-96 Шкаф □. Схема электрическая подключения 57 ТП 904-02-41.89-ЭМ1-97 Шкаф □. Схема электрическая подключения 58 ТП 904-02-41.89-ЭМ1-98 Шкаф □. Схема электрическая подключения 59 ТП 904-02-41.89-ЭМ1-99 Шкаф □. Схема электрическая подключения 60 ТП 904-02-41.89-ЭМ1-100 Шкаф □. Схема электрическая подключения 61 |
| Разработан: | ГПИ Сантехпроект Госстроя СССР |
| Утверждён: | 26.01.1989 Госстрой СССР (Государственный комитет Совета Министров СССР по делам строительства) (USSR Gosstroy 3) |
| Расположен в: |









































































