Информационная система
«Ёшкин Кот»

Скачать базу одним архивом
Скачать обновления
История создания базы
Карта сайта

Скачать Типовой проект 902-2-345 Альбом III. Архитектурно-строительная часть

Дата актуализации: 10.08.2017

Типовой проект 902-2-345

Альбом III. Архитектурно-строительная часть

Обозначение: Типовой проект 902-2-345
Обозначение англ: 902-2-345
Статус:не действует
Название рус.:Альбом III. Архитектурно-строительная часть
Дата добавления в базу:01.09.2013
Дата актуализации:05.05.2017
Дата введения:08.07.1981
Оглавление:ТП 902-2-345-АР Архитектурные решения (марки АР)
ТП 902-2-345-АР-1 Общие данные (начало)
ТП 902-2-345-АР-2 Общие данные (окончание)
ТП 902-2-345-АР-3 План на отм. 0.000. Разрезы 1-1; 2-2. Фасады 1-2, А-Б, 2-1
ТП 902-2-345-АР-4 Разрезы 1-1 (для вариантов с насыпями разной высоты
ТП 902-2-345-КЖ Конструкции железобетонные (марки КЖ)
ТП 902-2-345-КЖ-1 Общие данные
ТП 902-2-345-КЖ-2 Схема расположения фундаментных блоков (при насыпи Н=0.0 м;Н=1.0 м)
ТП 902-2-345-КЖ-3 Схема расположения фундаментных балок и опор
ТП 902-2-345-КЖ-4 Схема расположения фундаментных балок и опор. Фрагменты для t=-40ºС;ПМ-1,ПМ-2. Арматурный чертеж
ТП 902-2-345-КЖ-5 Схема расположения каналов и фундаментов под оборудование
ТП 902-2-345-КЖ-6 Разрезы 1-1, 2-2 для разных высот насыпей
ТП 902-2-345-КЖ-7 Элементы планов № 1, № 2. Разрезы 3-3÷8-8
ТП 902-2-345-КЖ-8 Узел сопряжения 3х лотков с опорой
ТП 902-2-345-КЖ-9 Армирование монолитного канала. План. Разрез 1-1
ТП 902-2-345-КЖ-10 Армирование монолитного канала. Сечения 3-3÷6-6
ТП 902-2-345-КЖ-11 Сопряжение 3х лотков. Опалубочный чертеж и армирование
ТП 902-2-345-КЖ-12 Схема расположения плит покрытия. Венткамера
ТП 902-2-345-КЖ-13 Схемы расположения фундаментов под монорельсы
ТП 902-2-345-КЖ-14 Фундаменты под монорельсы. Спецификация
ТП 902-2-345-КМ Конструкции металлические (марки КМ)
ТП 902-2-345-КМ-1 Общие данные
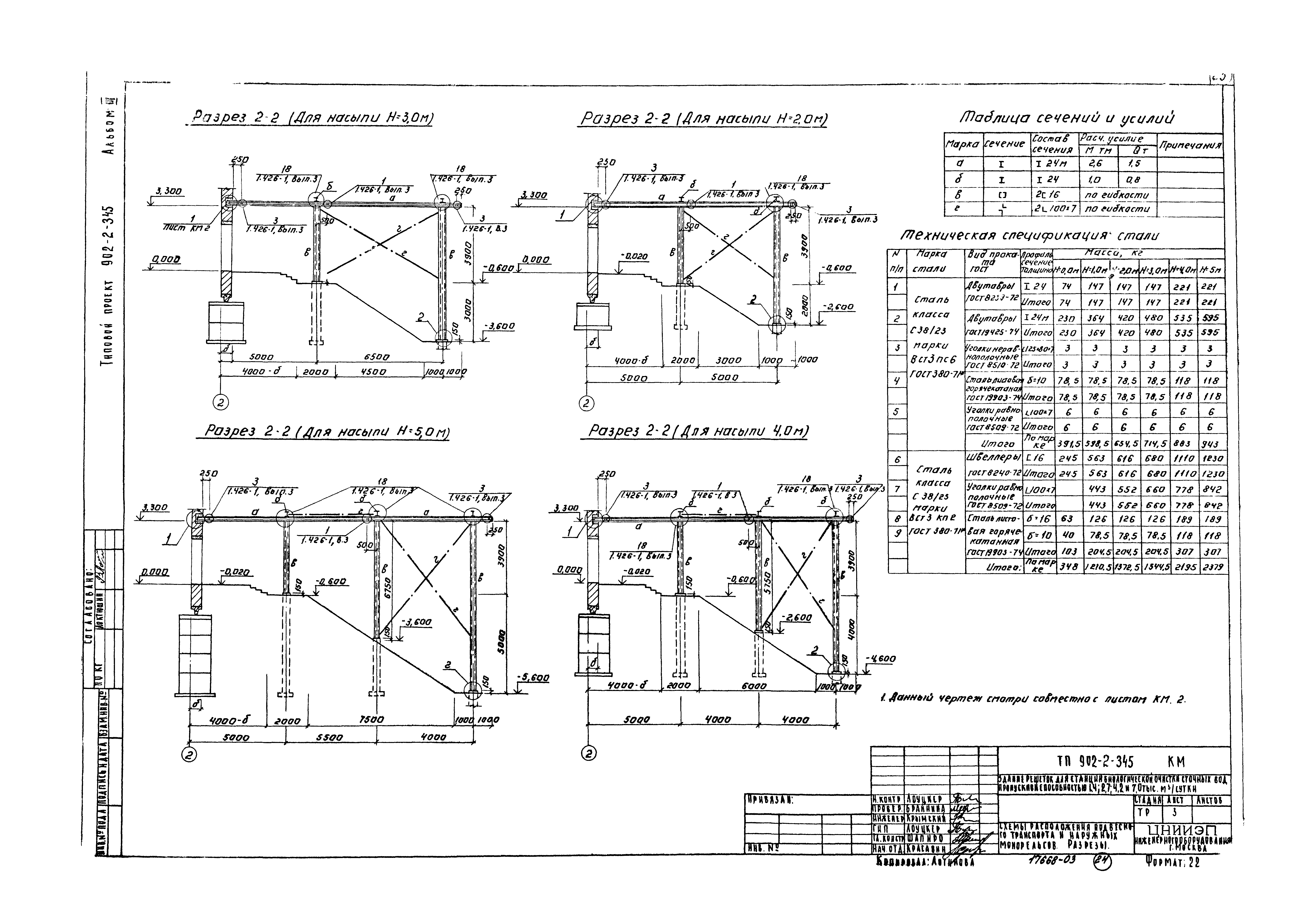
ТП 902-2-345-КМ-2 Схемы расположения подвесного транспорта и наружных монорельсов
ТП 902-2-345-КМ-3 Схемы расположения подвесного транспорта и наружных монорельсов. Разрезы
Разработан: ЦНИИЭП иженерного оборудования
Утверждён:20.02.1981 Госгражданстрой (Gosgrazhdanstroy 59)
Расположен в:Техническая документация Строительство Справочные документы Типовые строительные конструкции, изделия и узлы Общероссийский строительный каталог Промышленные предприятия, здания и сооружения Здания и сооружения санитарно-технические Канализация Сооружения механической очистки Здания решеток
Чем заменён:
Типовой проект 902-2-345Типовой проект 902-2-345Типовой проект 902-2-345Типовой проект 902-2-345Типовой проект 902-2-345Типовой проект 902-2-345Типовой проект 902-2-345Типовой проект 902-2-345Типовой проект 902-2-345Типовой проект 902-2-345Типовой проект 902-2-345Типовой проект 902-2-345Типовой проект 902-2-345Типовой проект 902-2-345Типовой проект 902-2-345Типовой проект 902-2-345Типовой проект 902-2-345Типовой проект 902-2-345Типовой проект 902-2-345Типовой проект 902-2-345Типовой проект 902-2-345Типовой проект 902-2-345Типовой проект 902-2-345Типовой проект 902-2-345

© 2013 Ёшкин Кот :-) Карта сайта