| 
 | ||||||||||||||||||||||||||
| 
 Скачать Альбом 7РС 17 108 Панели внутренних стен цоколя. Рабочие чертежиДата актуализации: 10.08.2017
 | 
| Обозначение: |  Альбом 7РС 17 108 | 
| Обозначение англ: |  7РС 17 108 | 
| Статус: | не определен законодательством | 
| Название рус.: | Панели внутренних стен цоколя. Рабочие чертежи | 
| Дата добавления в базу: | 01.09.2013 | 
| Дата актуализации: | 05.05.2017 | 
| Дата введения: | 15.12.1986 | 
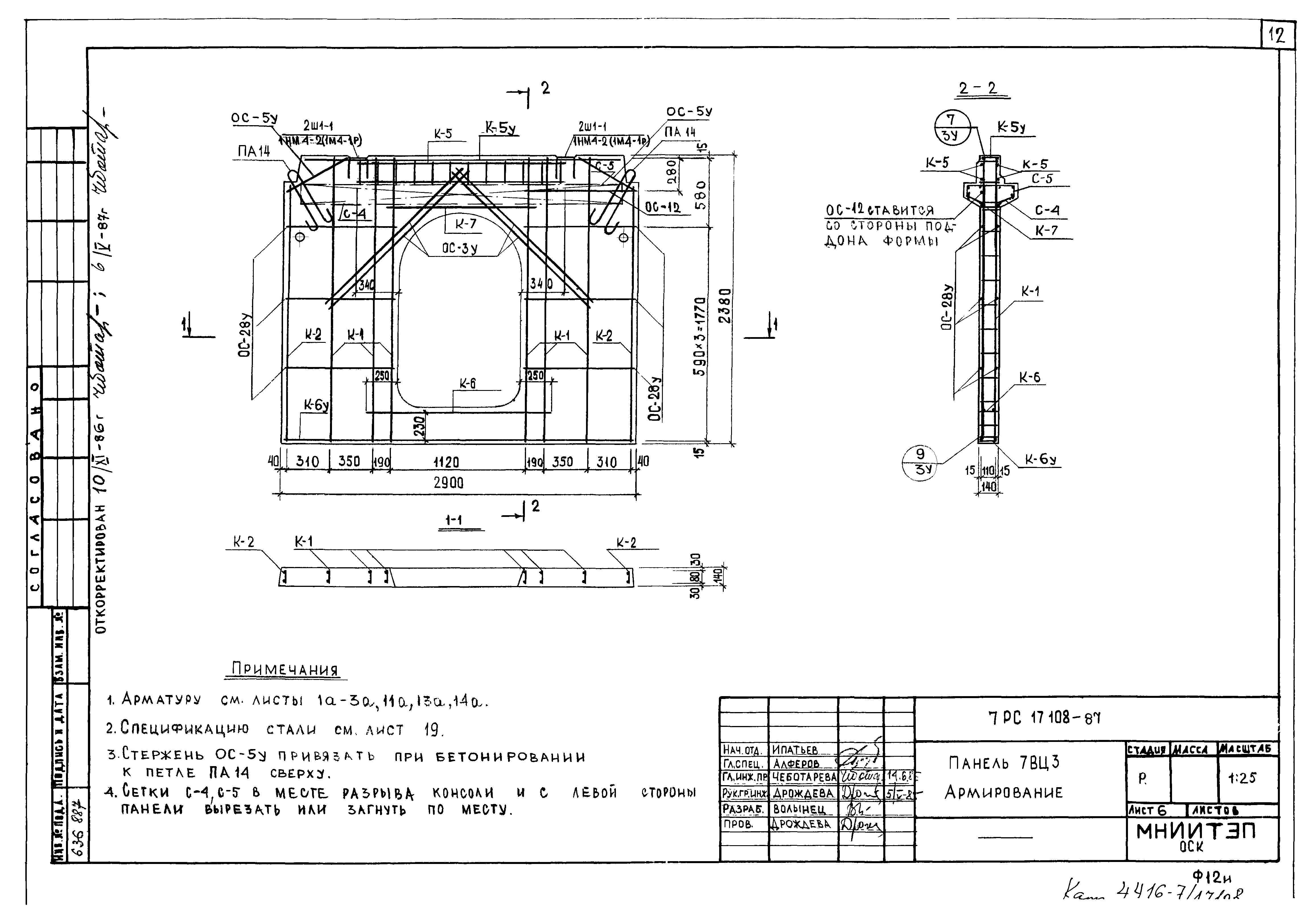
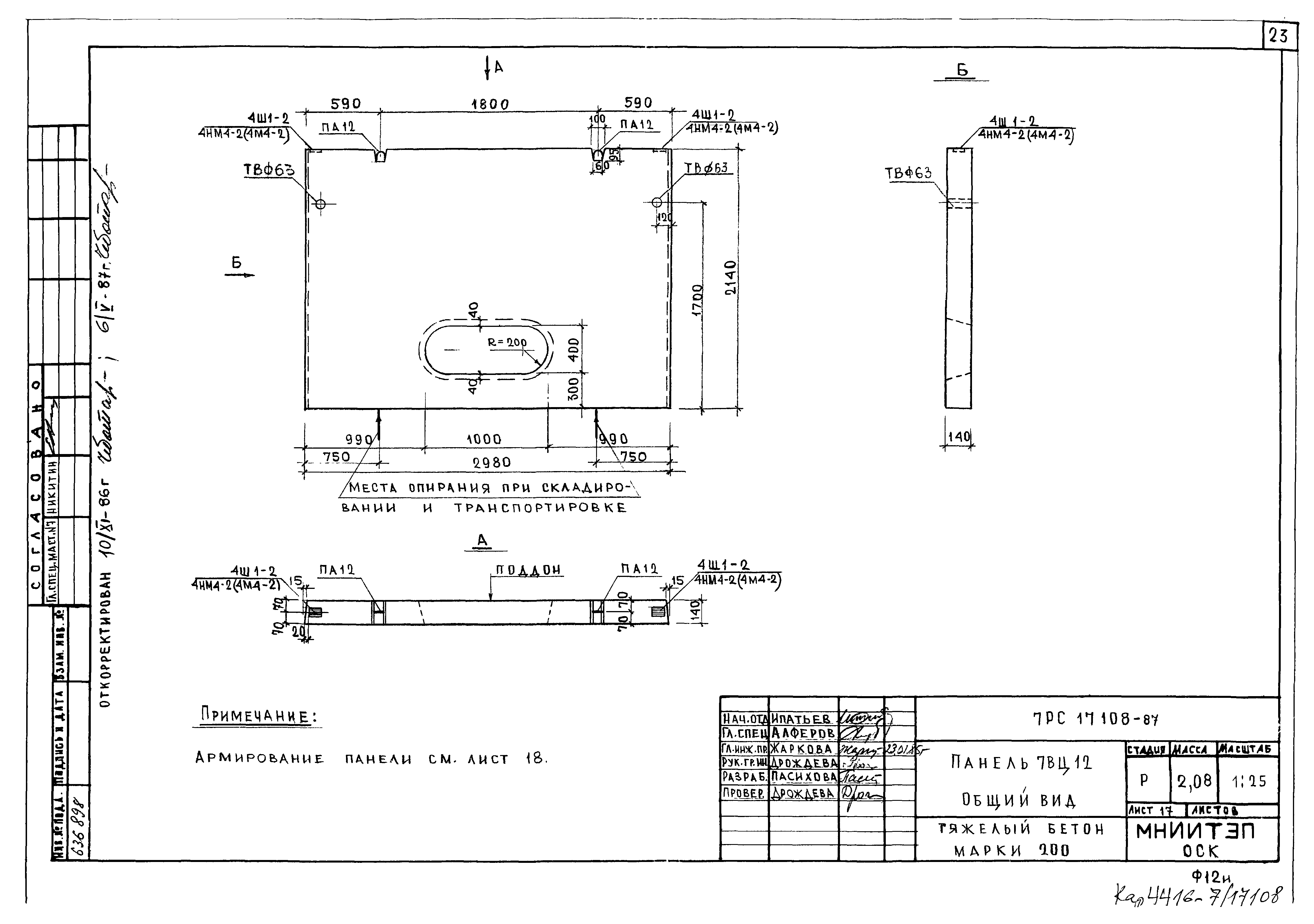
| Оглавление: | 7РС17108 Пояснительная записка 7РС17108 Номенклатура и ведомость расхода стали 7РС17108 Общий вид и армирование 7РС17108 Узлы 7РС17108 Арматура 7РС17108 Изделия арматурные 7РС17108 Несущая способность 7РС17108 Информационная карта | 
| Разработан: | МНИИТЭП | 
| Утверждён: | 15.12.1986 МНИИТЭП (MNIITEP 448) | 
| Расположен в: | 














































