| 
 | ||||||||||||||||||||||||||
| 
 Скачать Альбом 7РС 41133 Панели наружных стен железобетонные несущие трехслойные с повышенными теплотехническими характеристиками. Рабочие чертежиДата актуализации: 10.08.2017
 | 
| Обозначение: |  Альбом 7РС 41133 | 
| Обозначение англ: |  7РС 41133 | 
| Статус: | не определен законодательством | 
| Название рус.: | Панели наружных стен железобетонные несущие трехслойные с повышенными теплотехническими характеристиками. Рабочие чертежи | 
| Дата добавления в базу: | 01.09.2013 | 
| Дата актуализации: | 05.05.2017 | 
| Дата введения: | 31.12.1997 | 
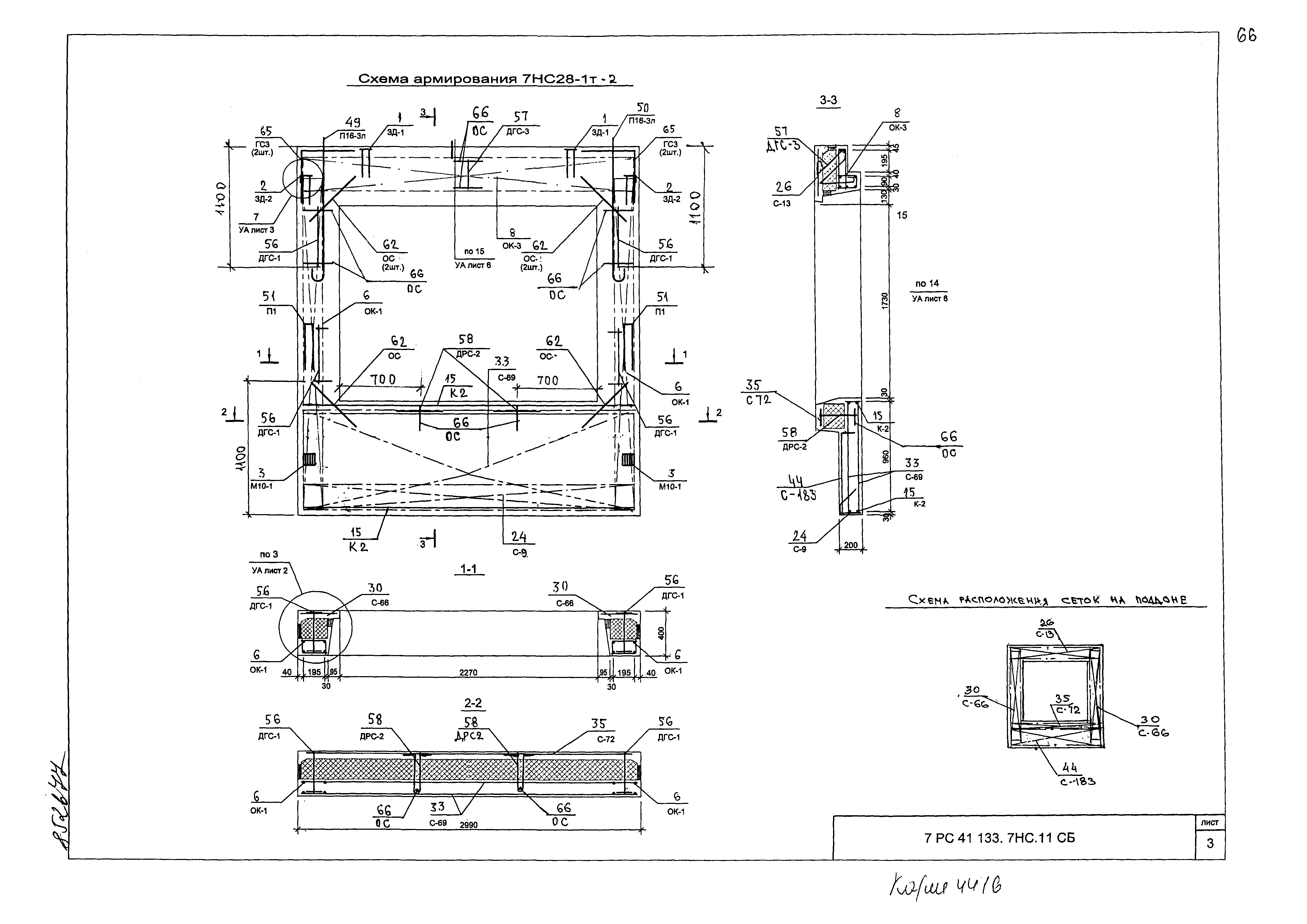
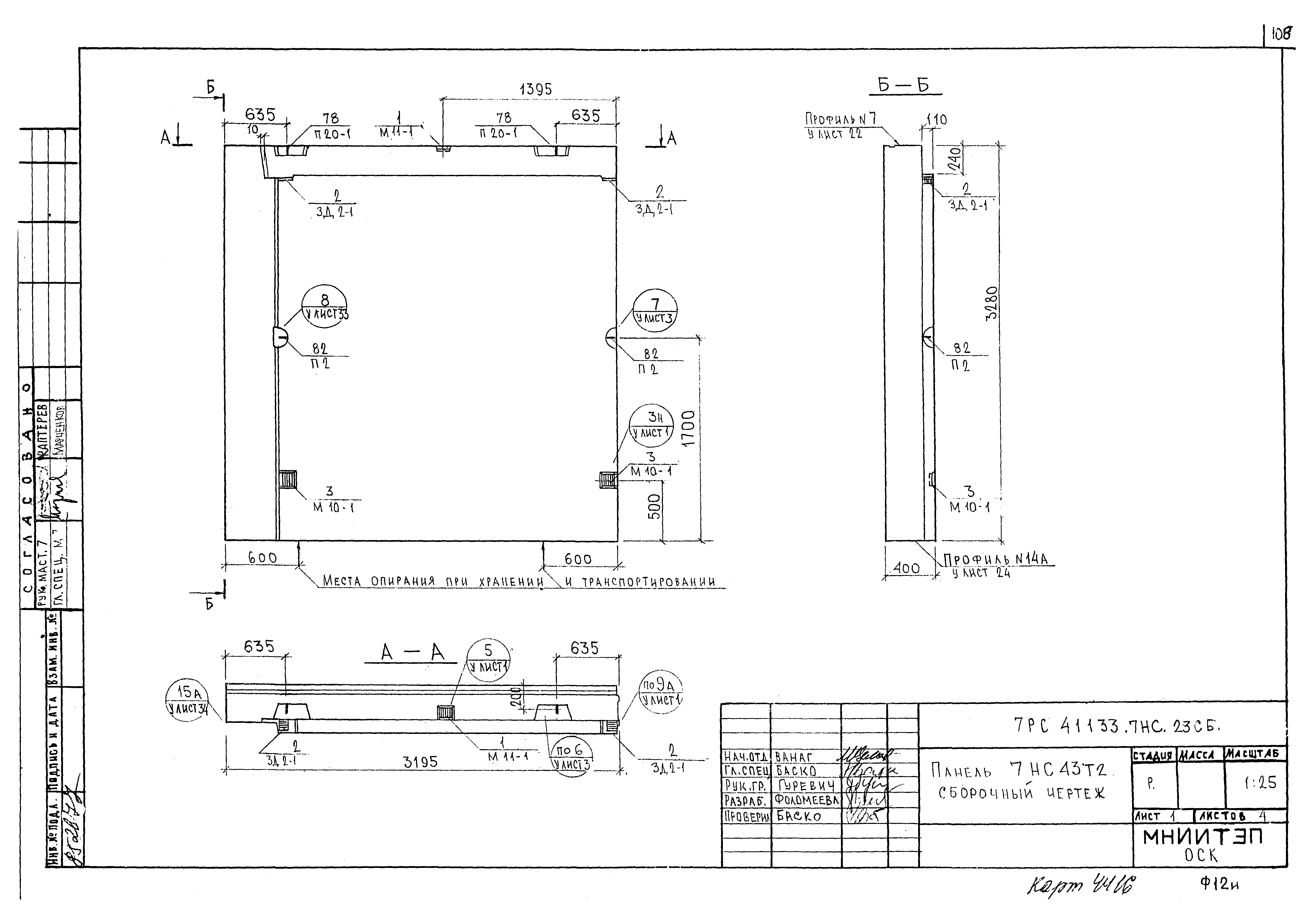
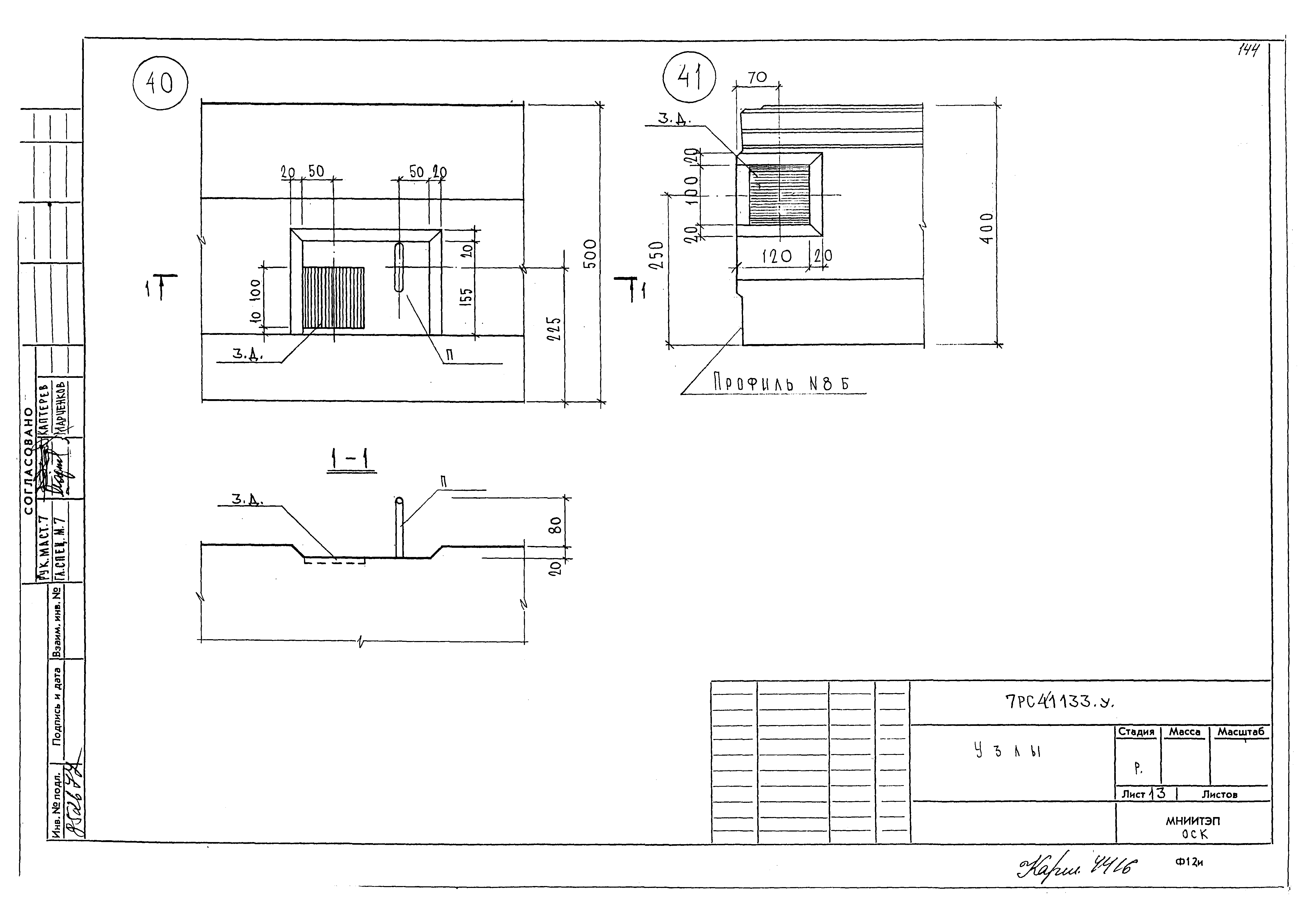
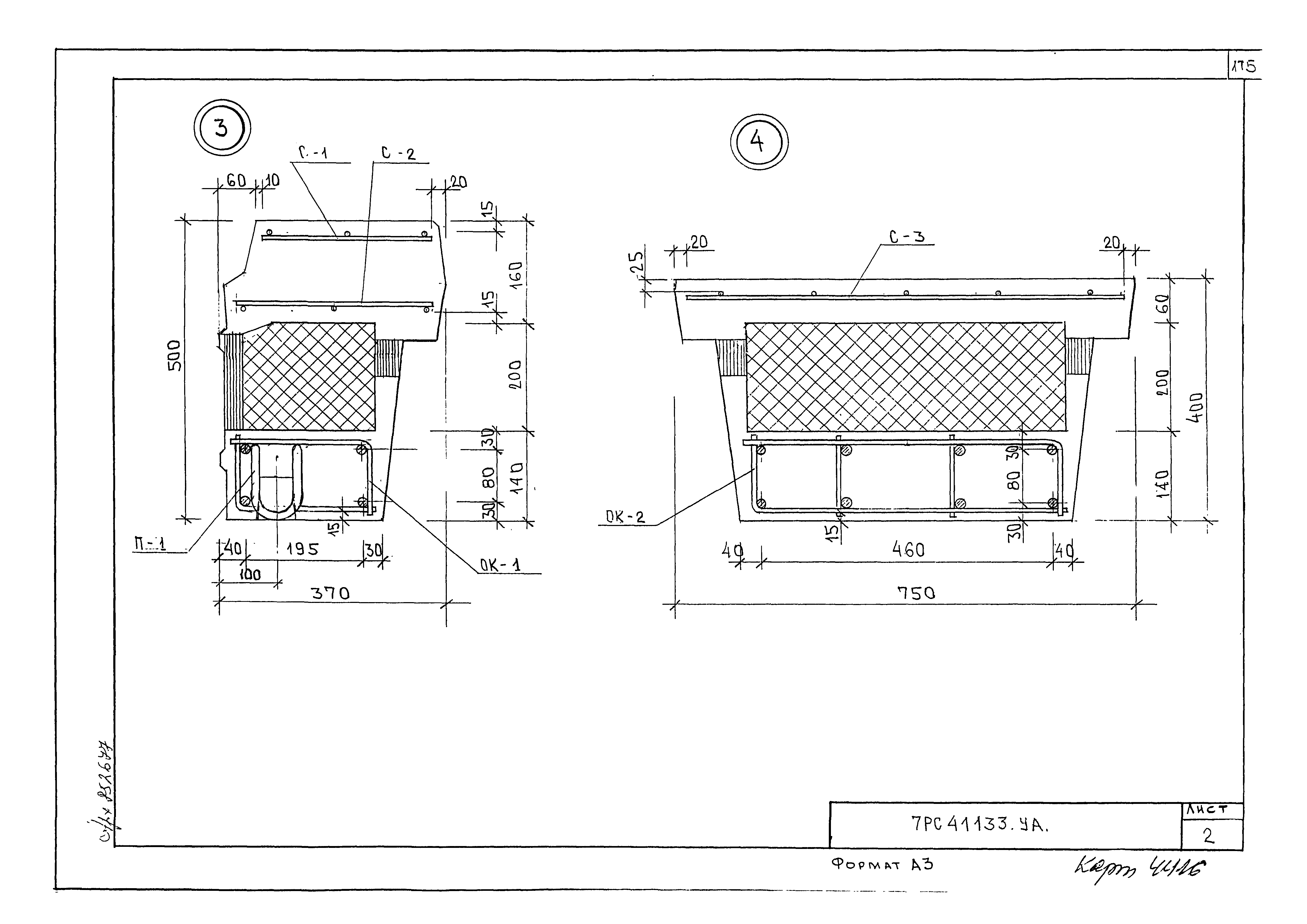
| Оглавление: | 7РС41133.ПЗ Пояснительная записка. 7РС41133.НИ Номенклатура изделий. 7РС41133.РС Ведомость расхода стали. 7РС41133.7НС.01.СБ Панель 7НС1Т2. Сборочный чертеж. 7РС41133.7НС.02.СБ Панель 7НС1--1Т2. Сборочный чертеж. 7РС41133.7НС.03.СБ Панель 7НС1-2Т2. Сборочный чертеж. 7РС41133.7НС.04.СБ Панели 7НС27-1Т2;7НС27-1АЛТ;7НС27-2Т2;7НС27-2АЛТ2. Сборочный чертеж 7РС41133.7НС.05.СБ Панели 7HC27-3T2;'7HC27-4T2. Сборочный чертеж . 7РС41133.7НС.06.СБ Панели 7НС32-1Т2;7НС32-2Т2. Сборочный чертеж. 7РС41133.7НС.07.СБ Панели 7НС32-3Т2;7НС32-4Т2. Сборочный чертеж. 7РС41133.7НС.08.СБ Панель 7НС34Т2. Сборочный чертеж. 7РС41133.7НС.09.СБ Панель 7НC2T2. Сборочный чертеж. 7РС41133.7НС.10.СБ Панель 7НС2-1Т2. Сборочный чертеж. 7РС41133.7НС.11.СБ Панель 7НС28-1Т2. Сборочный чертеж. 7РС41133.7НС.12.СБ Панель 7НС37Т2. Сборочный чертеж. 7РС41133.7НС.13.СБ Панель 7НС42Т2. Сборочный чертеж. 7РС41133.7НС.14.СБ Панели 7HC70-1T2;7HC70-2Т2. Сборочный чертеж. 7РС41133.7НС.15.СБ Панель 7НС71Т2. Сборочный чертеж. 7РС41133.7НС.16.СБ Панели 7HC20-1T2;7HC20-2T2. Сборочный чертеж. 7РС41133.7НС.17.СБ Панель 7HC24-1T2. Сборочный чертеж. 7РС41133.7НС.18.СБ Панель 7НС31Т2. Сборочный чертеж. 7РС41133.7НС.19.СБ Панель 7НС40Т2. Сборочный чертеж. 7РС41133.7НС.20.СБ Панель 7НС67Т2. Сборочный чертеж. 7РС41133.7НС.21.СБ Панель 7НС90Т2. Сборочный чертеж. 7РС41133.7НС.22.СБ Панели 7HC16Т2;7HC17T2. Сборочный чертеж. 7РС41133.7НС.23.СБ Панели 7HC43Т2;7HC44T2. Сборочный чертеж. 7РС41133.7НС.24.СБ Панели 7НС91Т2;'7НС92Т2. Сборочный чертеж. 7РС41133.7НС.25.СБ Панели 7НС93Т2;7НС94Т2.Сборочный чертеж 7РС41133.7НС.26.СБ Панели 7НСЛ1-1Т2;7НСЛ1-2Т2. Сборочный чертеж. 7РС41133.7НС.27.СБ Панели 7НС9Т2;7НС26Т2. Сборочный чертеж. 7РС41133.7НС.28.СБ Панель 7HC4-1T2. Сборочный чертеж. 7РС41133.У Узлы габаритные 7РС41133.УУ Узлы раскладки утеплителя.. 7РС41133.УА Узлы арматурные. 7РС41133 Объемные каркасы. Сборочные чертежи. 7РС41133 Каркасы. Сборочные чертежи.. 7РС41133 Сетки. Сборочные чертежи. 7РС41133 Объемные каркасы. Сборочные чертежи. 7РС41133 Дискретные гибкие связи 7РС41133 Закладные детали. Сборочный чертеж 7РС41133 Информационная карта | 
| Разработан: | МНИИТЭП | 
| Утверждён: | 31.12.1997 МНИИТЭП (MNIITEP 41-ТД) | 
| Расположен в: | 










































































































































































































































