Скачать Серия 01.036-3 Металлическая герметическая дверь ДУ-IV-6 с проемом 60х160 см. Рабочие чертежиДата актуализации: 10.08.2017 Серия 01.036-3
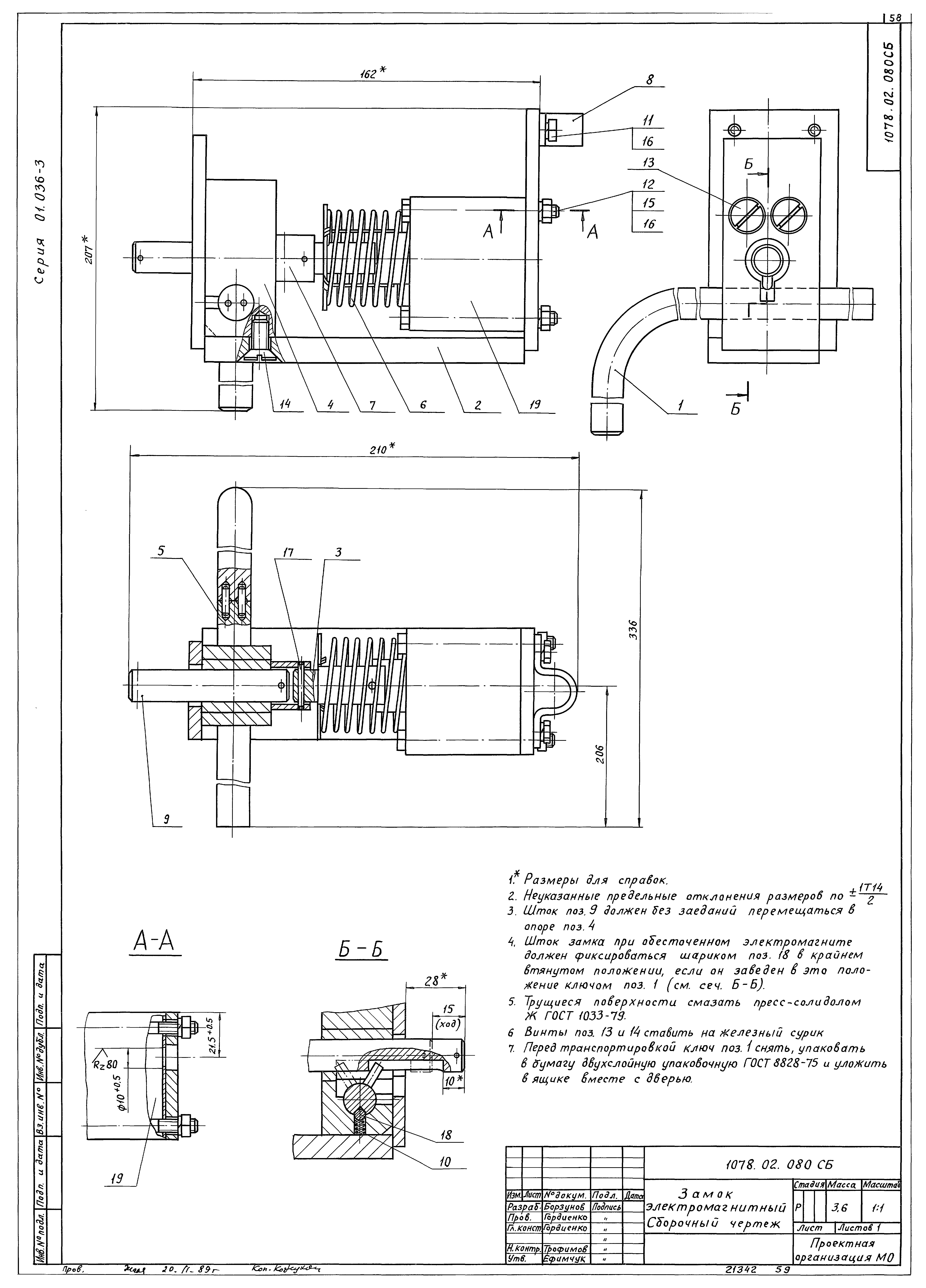
Металлическая герметическая дверь ДУ-IV-6 с проемом 60х160 см. Рабочие чертежи| Обозначение: | Серия 01.036-3 | | Обозначение англ: | Series 01.036-3 | | Статус: | не определен законодательством | | Название рус.: | Металлическая герметическая дверь ДУ-IV-6 с проемом 60х160 см. Рабочие чертежи | | Дата добавления в базу: | 01.09.2013 | | Дата актуализации: | 05.05.2017 | | Дата введения: | 01.07.1986 | | Разработан: | В/ч 83582
| | Утверждён: | 21.04.1986 Штаб гражданской обороны СССР (USSR Civil Defense Headquarters 235/11/1173)
| | Расположен в: |
|
                                                                           
|