Информационная система
«Ёшкин Кот»

Скачать базу одним архивом
Скачать обновления
История создания базы
Карта сайта

Скачать Типовой проект 213-2-183 Альбом IV. Узлы и детали

Дата актуализации: 10.08.2017

Типовой проект 213-2-183

Альбом IV. Узлы и детали

Обозначение: Типовой проект 213-2-183
Обозначение англ: 213-2-183
Статус:действует
Название рус.:Альбом IV. Узлы и детали
Дата добавления в базу:01.09.2013
Дата актуализации:05.05.2017
Дата введения:27.11.1979
Оглавление:213-2-183 Титульный лист
213-2-183 Опись альбома
213-2-183.У1-1 Узел 1. Крепление плит перекрытий и стен
213-2-183.У1-2 Узел 2. Крепление плит перекрытий
213-2-183.У1-3 Узел 3. Крепление плит перекрытий
213-2-183.У1-4 Узел 4. Угловое сопряжение стеновых блоков
213-2-183.У1-5 Узел 5. Крепление плит перекрытия над подвалом и стен
213-2-183.У1-6 Узел 6. Угловое сопряжение парапетных панелей
213-2-183.У1-7 Узел 7. Рядовое сопряжение парапетных панелей
213-2-183.У1-8 Узел 8. Сопряжение разновысоких парапетных панелей
213-2-183.У1-9 Узлы 9,10. Установка перегородок на пол 1 и 2 этажей
213-2-183.У1-10 Узел 11. Крепление перегородки к стеновым панелям
213-2-183.У1-11 Узел 12. Крепление перегородки к плитам перекрытия
213-2-183.У1-12 Узел 13. Крепление перегородок на прямых участках
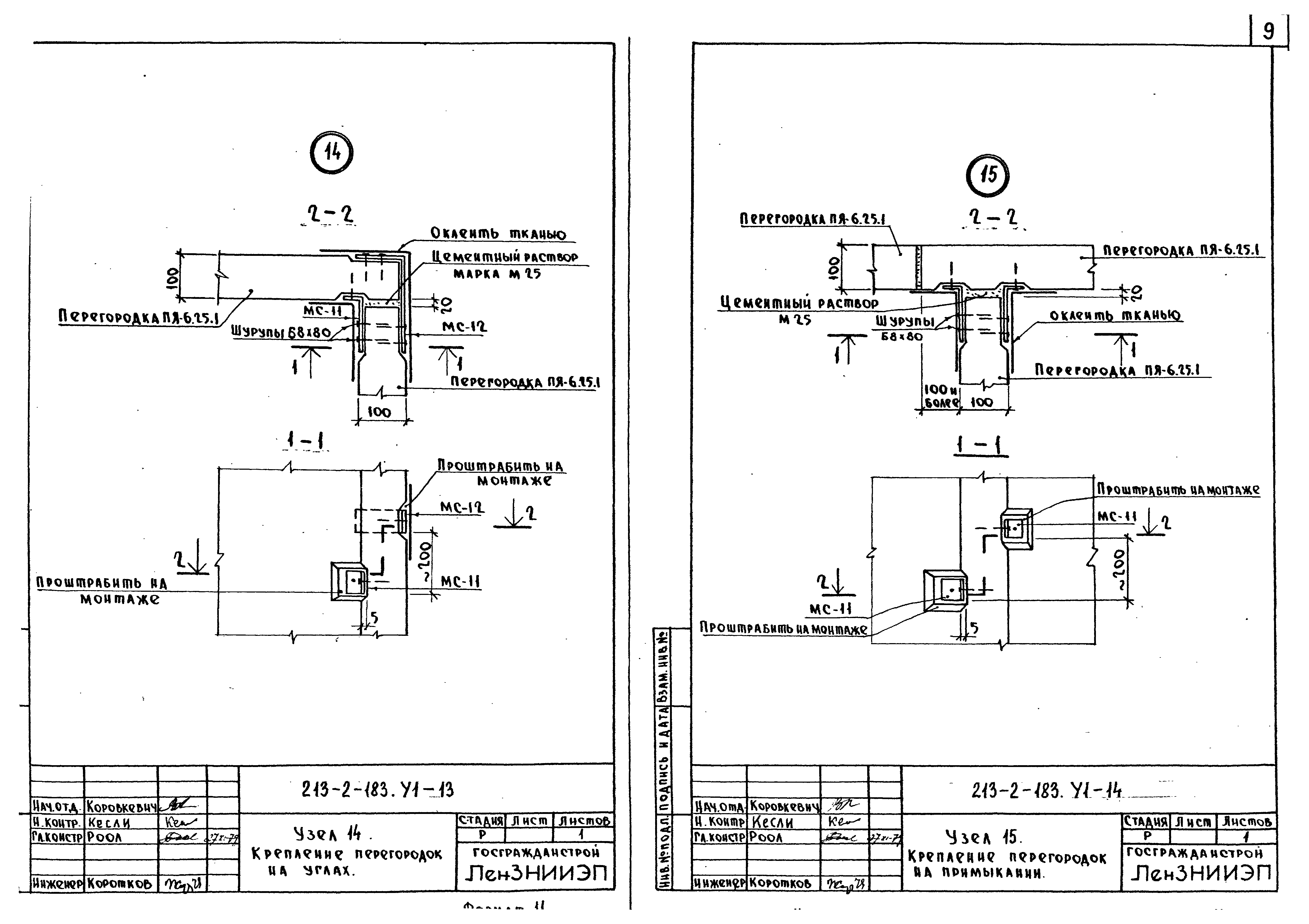
213-2-183.У1-13 Узел 14. Крепление перегородок на углах
213-2-183.У1-14 Узел 15. Крепление перегородок на примыкании
213-2-183.У1-15 Узел 16. Крепление перегородок на примыкании
213-2-183.У1-16 Узел 17. Устройство перегородок над дверными коробками
213-2-183.У1-17 Узел 18. Установка перегородки на пол 1 этажа
213-2-183.У1-18 Узел 19. Крепление перегородки к стеновым панелям
213-2-183.У1-19 Узел 20. Крепление перегородки к плитам перекрытия
213-2-183.У1-20 Узел 21. Крепление перегородок на прямых участках
213-2-183.У1-21 Узлы 22,23. Устройство ограждения
213-2-183.У1-22 Узел 24. Выпуск вентиляционного короба на крышу
213-2-183.У1-23 Узел 25
213-2-183.У1-24 Узел 26
213-2-183.У1-25 Узел 27
213-2-183.У1-26 Узел 28
213-2-183.У2-1 Узел 1. Установка экранов в санузлах
213-2-183.У2-2 Узел 2. Установка ограждения радиаторов
Разработан: ЛенЗНИИЭП Госгражданстроя
Утверждён:03.05.1979 Госгражданстрой (Gosgrazhdanstroy 90)
Расположен в:Техническая документация Строительство Справочные документы Типовые строительные конструкции, изделия и узлы Общероссийский строительный каталог Общественные здания в городах и поселках городского типа Детские дошкольные учреждения Детские ясли-сады
Типовой проект 213-2-183Типовой проект 213-2-183Типовой проект 213-2-183Типовой проект 213-2-183Типовой проект 213-2-183Типовой проект 213-2-183Типовой проект 213-2-183Типовой проект 213-2-183Типовой проект 213-2-183Типовой проект 213-2-183Типовой проект 213-2-183Типовой проект 213-2-183Типовой проект 213-2-183Типовой проект 213-2-183Типовой проект 213-2-183Типовой проект 213-2-183Типовой проект 213-2-183

© 2013 Ёшкин Кот :-) Карта сайта