Скачать Типовой проект 903-1-52/70 Альбом XVI/3. Типы 1, 2, 3. Автоматизация и контроль. Санитарно-технические устройства (из ТП 903-1-51/70)Дата актуализации: 10.08.2017 Типовой проект 903-1-52/70
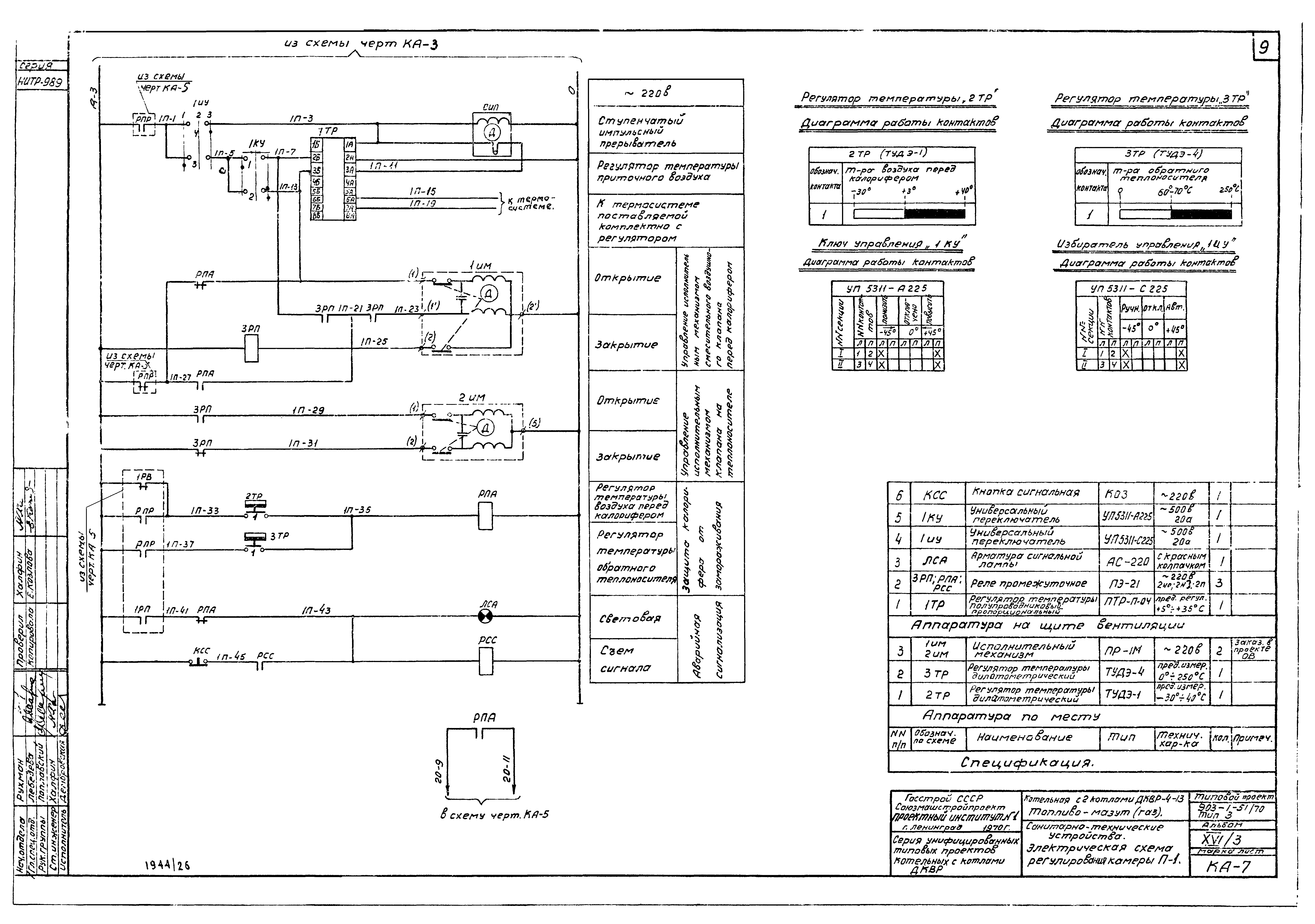
Альбом XVI/3. Типы 1, 2, 3. Автоматизация и контроль. Санитарно-технические устройства (из ТП 903-1-51/70)Обозначение: | Типовой проект 903-1-52/70 | Обозначение англ: | 903-1-52/70 | Статус: | действует | Название рус.: | Альбом XVI/3. Типы 1, 2, 3. Автоматизация и контроль. Санитарно-технические устройства (из ТП 903-1-51/70) | Дата добавления в базу: | 01.09.2013 | Дата актуализации: | 05.05.2017 | Оглавление: | ТП 903-1-51/70;903-1-52/70 I Теплотехнический контроль и автоматическое регулирование ТП 903-1-51/70;903-1-52/70 Санитарно-технические устройства. Содержание альбома. Пояснительная записка ТП 903-1-51/70;903-1-52/70-КА-1 Санитарно-технические устройства. Принципиальная технологическая схема автоматизации ТП 903-1-51/70;903-1-52/70-КА-2 Санитарно-технические устройства. Принципиальная технологическая схема автоматизации ТП 903-1-51/70;903-1-52/70-КА-3 Санитарно-технические устройства. Электрическая схема питания. Схема управления электродвигателем вытяжного вентилятора В-1. Схема управления электродвигателем агрегата ЗИЛ-900 ТП 903-1-51/70;903-1-52/70-КА-4 Санитарно-технические устройства. Схема управления электродвигателем приточного вентилятора камеры П-1 ТП 903-1-51/70;903-1-52/70-КА-5 Санитарно-технические устройства. Схема управления электродвигателем приточного вентилятора камеры П-1 ТП 903-1-51/70;903-1-52/70-КА-6 Санитарно-технические устройства. Электрическая схема регулирования камеры П-1 ТП 903-1-51/70;903-1-52/70-КА-7 Санитарно-технические устройства. Электрическая схема регулирования камеры П-1 ТП 903-1-51/70;903-1-52/70-КА-8 Санитарно-технические устройства. Общий вид щита вентиляции ТП 903-1-51/70;903-1-52/70-КА-9 Санитарно-технические устройства. Общий вид щита вентиляции ТП 903-1-51/70;903-1-52/70-КА-10 Санитарно-технические устройства. Монтажная схема щита вентиляции ТП 903-1-51/70;903-1-52/70-КА-11 Санитарно-технические устройства. Монтажная схема щита вентиляции ТП 903-1-51/70;903-1-52/70-КА-12 Санитарно-технические устройства. Схема внешних соединений приборов, регуляторов и электродвигателей ТП 903-1-51/70;903-1-52/70-КА-13 Санитарно-технические устройства. Схема внешних соединений приборов, регуляторов и электродвигателей ТП 903-1-51/70;903-1-52/70-КА-14 Санитарно-технические устройства. Примерное направление трасс кабельных и трубных проводок приточной камеры и вытяжной установки ТП 903-1-51/70;903-1-52/70-КА-15 Санитарно-технические устройства. Спецификации ТП 903-1-51/70;903-1-52/70-КА-16 Санитарно-технические устройства. Спецификации ТП 903-1-51/70;903-1-52/70-КА-17 Санитарно-технические устройства. Спецификации ТП 903-1-51/70;903-1-52/70-КА-18 Санитарно-технические устройства. Спецификации | Разработан: | Проектный институт № 1 Госстроя СССР
| Утверждён: | 31.07.1970 Госстрой СССР (Государственный комитет Совета Министров СССР по делам строительства) (USSR Gosstroy 255)
| Расположен в: |
|
                   
|