Скачать Типовой проект 902-1-59 Альбом VI. Строительные решения (глубина заложения подводящего коллектора 5,5 м). Подземная часть (вариант из сборного железобетона)Дата актуализации: 10.08.2017 Типовой проект 902-1-59
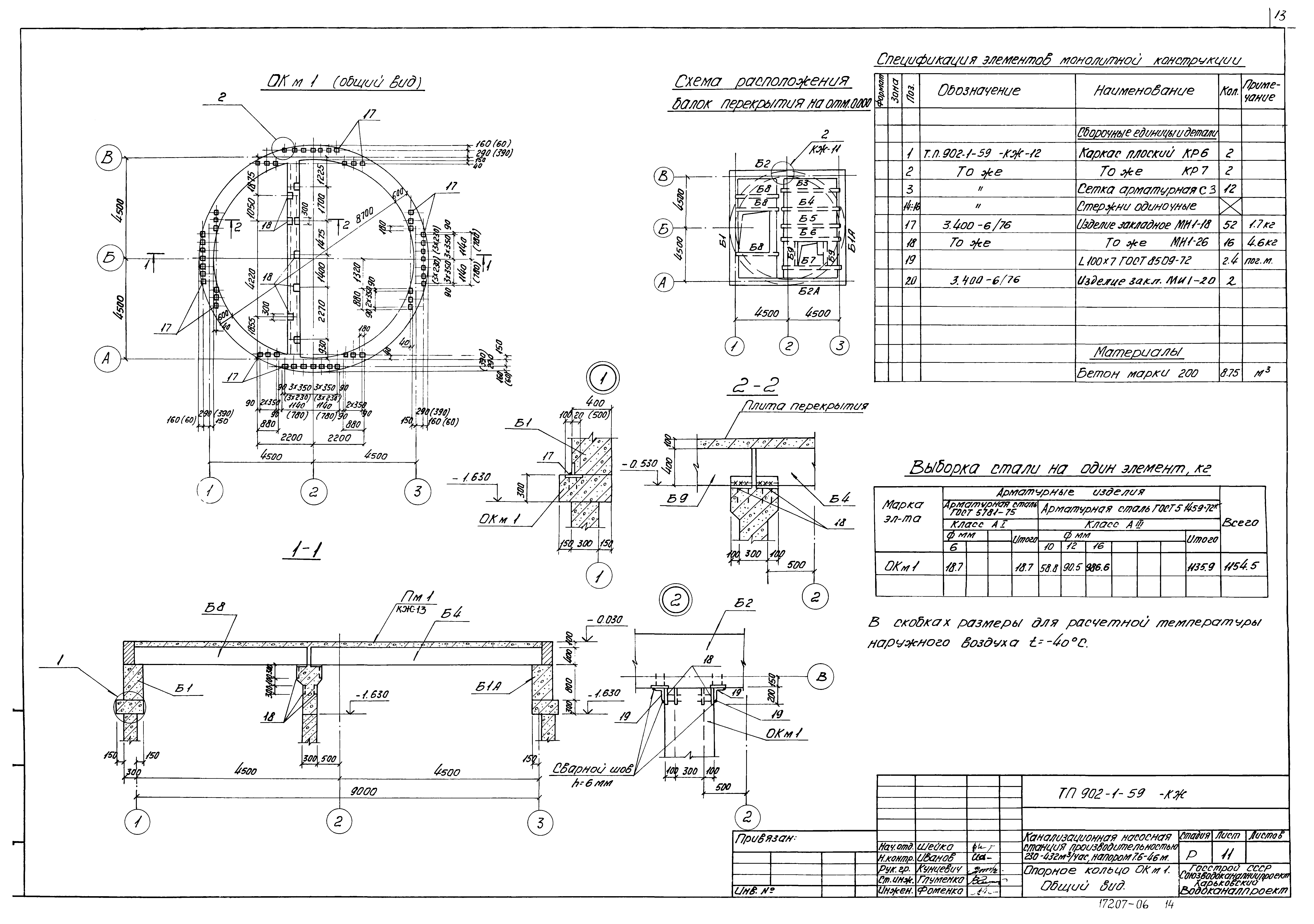
Альбом VI. Строительные решения (глубина заложения подводящего коллектора 5,5 м). Подземная часть (вариант из сборного железобетона)Обозначение: | Типовой проект 902-1-59 | Обозначение англ: | 902-1-59 | Статус: | действует | Название рус.: | Альбом VI. Строительные решения (глубина заложения подводящего коллектора 5,5 м). Подземная часть (вариант из сборного железобетона) | Дата добавления в базу: | 01.09.2013 | Дата актуализации: | 05.05.2017 | Оглавление: | ТП 902-1-59 Содержание ТП 902-1-59-КЖ-1 Общие данные ТП 902-1-59-КЖ-2 Планы подземной части на отм. -4.700 и 7.000. Разрезы ТП 902-1-59-КЖ-3 Схема расположения элементов подземной части. Узлы ТП 902-1-59-КЖ-4 Схема расположения стеновых панелей ТП 902-1-59-КЖ-5 Схема расположения стеновых панелей. Развертка наружной стены. Узлы ТП 902-1-59-КЖ-6 Схема расположения стеновых панелей. Спецификация ТП 902-1-59-КЖ-7 Схема расположения стеновых панелей. Узлы 1-4,4а ТП 902-1-59-КЖ-8 Схема расположения стеновых панелей. Узлы 1а-3а ТП 902-1-59-КЖ-9 Плита днища ПДМ1. Общий вид и схема армирования ТП 902-1-59-КЖ-10 Плита днища ПДМ1. Схема армирования. Раскрой сеток ТП 902-1-59-КЖ-11 Опорное кольцо ОКМ1. Общий вид ТП 902-1-59-КЖ-12 Опорное кольцо ОКМ1. Схема армирования ТП 902-1-59-КЖ-13 Схема расположения элементов перекрытия на отм. 0.000. ПМ1. Общий вид ТП 902-1-59-КЖ-14 Перекрытие на отм. 0.000. ПМ1. Схема армирования. Разрез 1-1 ТП 902-1-59-КЖ-15 Перекрытие на отм. 0.000. ПМ1. Схема армирования. Разрезы 2-2÷8-8 ТП 902-1-59-КЖ-16 РКМ1. Перекрытия на отм. -4.700. Общий вид ТП 902-1-59-КЖ-17 РКМ1. Перекрытия на отм. -4.700. ПМ1. Схема армирования. Балки БМ1-БМ2 ТП 902-1-59-КЖ-18 РКМ1. Перекрытия на отм. -4.700. Балки БМ3,БМ4. Колонна КМ1 ТП 902-1-59-КЖ-19 РКМ1. Перекрытия на отм. -4.700. ЛТМ1. Схема армирования ТП 902-1-59-КЖ-20 РКМ1. Перекрытия на отм. -4.700. Каркасы КР8-КР13 ТП 902-1-59-КЖ-21 РКМ1. Перекрытия на отм. -4.700. Ведомость стержней | Разработан: | Харьковский Водоканалпроект
| Утверждён: | 24.10.1980 Союзводоканалпроект (Soyuzvodokanalproject 65)
| Расположен в: |
|
                       
|