Информационная система
«Ёшкин Кот»

Скачать базу одним архивом
Скачать обновления
История создания базы
Карта сайта

Скачать Типовой проект 902-1-107.87 Альбом III. Архитектурно-строительные решения. Общие чертежи. Изделия

Дата актуализации: 10.08.2017

Типовой проект 902-1-107.87

Альбом III. Архитектурно-строительные решения. Общие чертежи. Изделия

Обозначение: Типовой проект 902-1-107.87
Обозначение англ: 902-1-107.87
Статус:не определен законодательством
Название рус.:Альбом III. Архитектурно-строительные решения. Общие чертежи. Изделия
Дата добавления в базу:01.09.2013
Дата актуализации:05.05.2017
Дата введения:18.08.1987
Оглавление:ТП 902-1-107.87 Содержание альбома
ТП 902-1-107.87-АР Основной комплект марки АР
ТП 902-1-107.87-АР-1 Общие данные
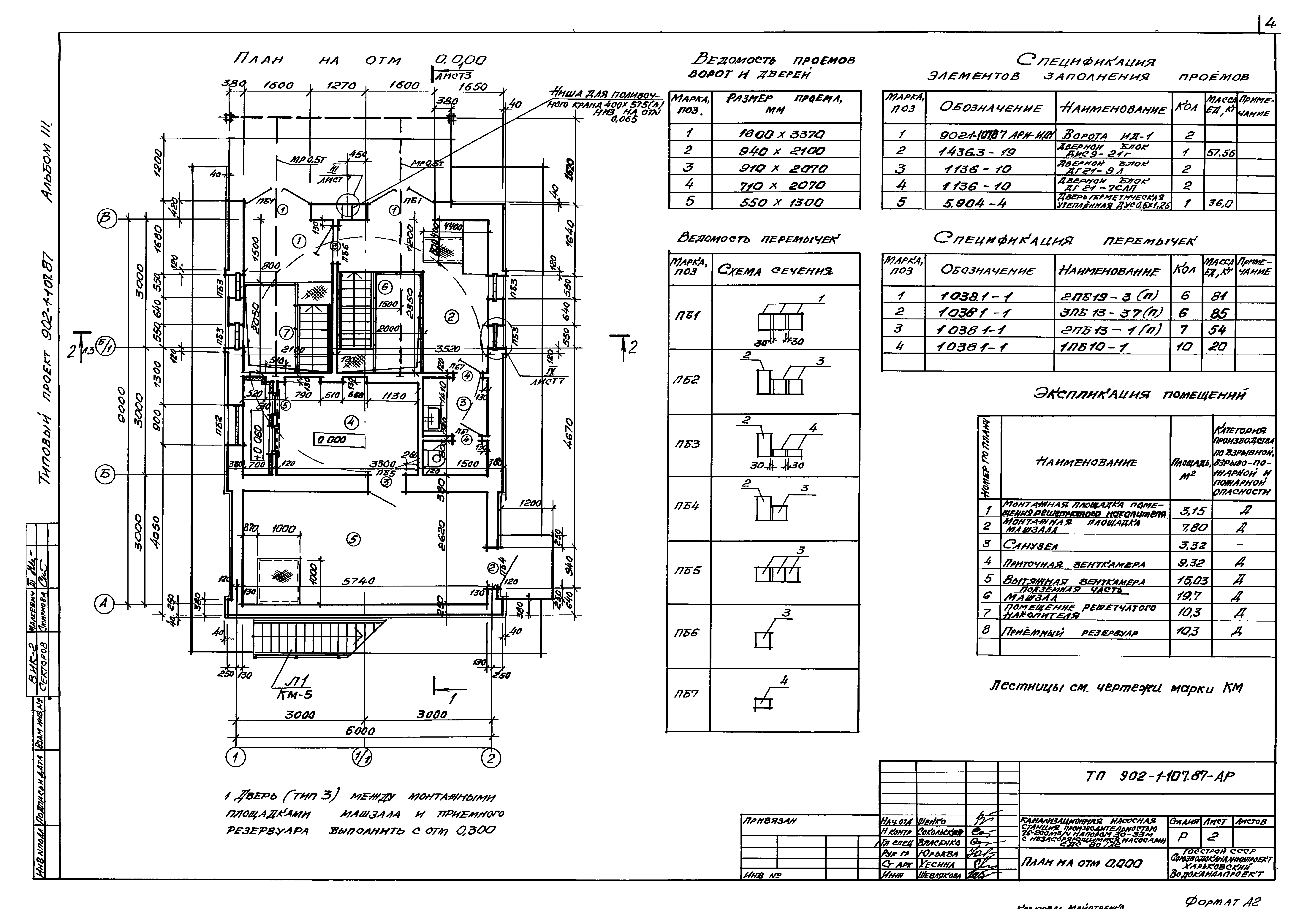
ТП 902-1-107.87-АР-2 План на отм. 0.000
ТП 902-1-107.87-АР-3 Разрезы 1-1;2-2
ТП 902-1-107.87-АР-4 Фасады. Схемы расположения элементов заполнения оконных проемов
ТП 902-1-107.87-АР-5 План кровли. Планы полов. Экспликация полов
ТП 902-1-107.87-АР-6 План отверстий. Фрагмент 1. Сечения. Узлы
ТП 902-1-107.87-АР-7 Детали 1-12
ТП 902-1-107.87-АРИ Изделия
ТП 902-1-107.87-АРИ-ДО Опись документов
ТП 902-1-107.87-АРИ-ИД-1 Дверной блок ИД-1
ТП 902-1-107.87-АРИ-К-1 Коробка К-1
ТП 902-1-107.87-АРИ-Д-1 Дверное полотно Д-1
ТП 902-1-107.87-АРИ-Д-2 Дверное полотно Д-2
ТП 902-1-107.87-АРИ-НС-1 Накладка НС-1
ТП 902-1-107.87-АРИ-У Узлы 1-7
ТП 902-1-107.87-КЖ1 Основной комплект чертежей марки КЖ1
ТП 902-1-107.87-КЖ1-1 Общие данные
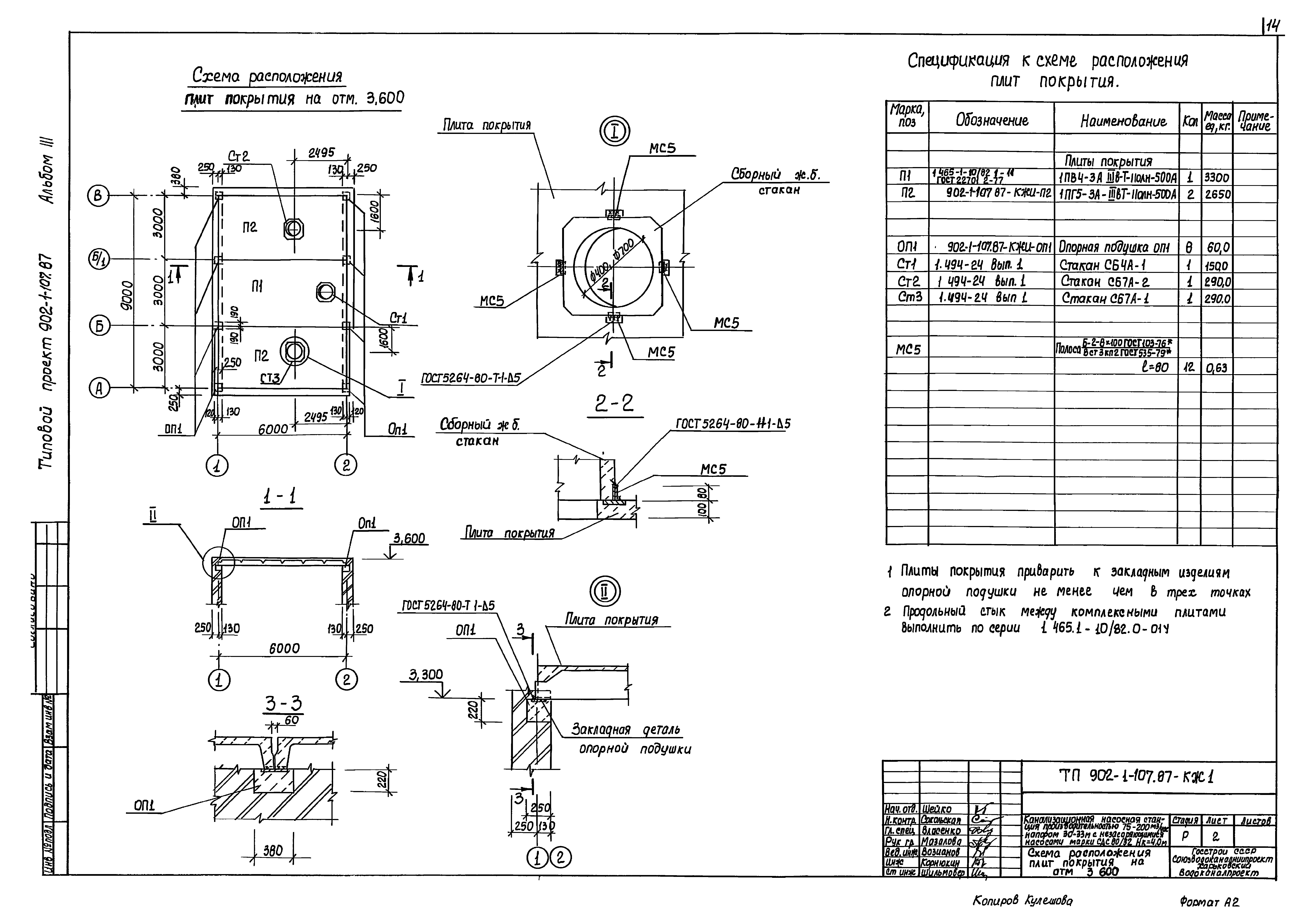
ТП 902-1-107.87-КЖ1-2 Схема расположения плит покрытия на отм. 3.600
ТП 902-1-107.87-КЖ1-3 Кольцо обвязочное ОКМ1 (начало)
ТП 902-1-107.87-КЖ1-4 Кольцо обвязочное ОКМ1 (окончание)
ТП 902-1-107.87-КЖ1-5 Перекрытие РКМ1 на отм. 0.000. Схема расположения балок и плит перекрытия (начало)
ТП 902-1-107.87-КЖ1-6 Перекрытие РКМ1 на отм. 0.000. Схема расположения балок и плит перекрытия (окончание)
ТП 902-1-107.87-КЖ1-7 Перекрытие РКМ1 на отм. 0.000. Балки обвязочные БОМ1,БОМ4. Общий вид и схемы армирования
ТП 902-1-107.87-КЖ1-8 Перекрытие РКМ1 на отм. 0.000. Балки обвязочные БОМ2,БОМ3. Общий вид и схемы армирования
ТП 902-1-107.87-КЖ1-9 Перекрытие РКМ1 на отм. 0.000. Спецификация
ТП 902-1-107.87-КЖ1-10 Перекрытие РКМ2 на отм. -3.200;-4.700;-6.200. Общий вид
ТП 902-1-107.87-КЖ1-11 Перекрытие РКМ2 на отм. -3.200;-4.700;-6.200. Плита ПМ1. Балки БМ1,БМ1а,БМ2,БМ2а. Общий вид и схемы армирования
ТП 902-1-107.87-КЖ1-12 Перекрытие РКМ2 на отм. -3.200;-4.700;-6.200. Спецификация
ТП 902-1-107.87-КЖ1-13 Схема расположения фундаментов под оборудование
ТП 902-1-107.87-КЖ1-15 Схема расположения фундаментов и фундаментных балок (начало)
ТП 902-1-107.87-КЖ1-16 Схема расположения фундаментов и фундаментных балок (окончание)
ТП 902-1-107.87-КЖ1-17 Схема расположения каналов и ПР1
ТП 902-1-107.87-КЖ1-18 Схема расположения элементов форшахты
ТП 902-1-107.87-КЖ1-19 Схема расположения элементов заземления
ТП 902-1-107.87-КЖ1-20 Детали гидроизоляции
ТП 902-1-107.87-КЖ1-14 Схема расположения фундаментов под оборудование (окончание)
ТП 902-1-107.87-КМ Основной комплект чертежей марки КМ
ТП 902-1-107.87-КМ-1 Общие данные (начало)
ТП 902-1-107.87-КМ-2 Общие данные (окончание)
ТП 902-1-107.87-КМ-3 Схемы расположения путей монорельсов и ограждения на отм. 0.000. Сечения 1-1÷4-4
ТП 902-1-107.87-КМ-4 Узлы 2,3. Сечения 5-5÷10-10
ТП 902-1-107.87-КМ-5 Схемы расположения элементов ограждения кровли и наружной лестницы
ТП 902-1-107.87-КЖ1И Изделия
ТП 902-1-107.87-КЖ1И-ДО Опись документов
ТП 902-1-107.87-КЖ1И-МС6 Изделие соединительное МС6
ТП 902-1-107.87-КЖ1И-ТТ Технические требования
ТП 902-1-107.87-КЖ1И-МН2 Изделие закладное МН2
ТП 902-1-107.87-КЖ1И-ОП2 Опора ОП2
ТП 902-1-107.87-КЖ1И-П2 Плита покрытия П2
ТП 902-1-107.87-КЖ1И-Б2,Б4 Балка перекрытия Б2,Б4
ТП 902-1-107.87-КЖ1И-Б1 Балка перекрытия Б1
ТП 902-1-107.87-КЖ1И-Б2 Балка перекрытия Б2
ТП 902-1-107.87-КЖ1И-П3 СБ Плита перекрытия П(П3-П6). Сборочный чертеж
ТП 902-1-107.87-КЖ1И-П3 Плита перекрытия П(П3-П6)
ТП 902-1-107.87-КЖ1И-П3 ВМС Плита перекрытия П(П3-П6). Ведомость расхода стали
ТП 902-1-107.87-КЖ1И-П8 Плита перекрытия П8
ТП 902-1-107.87-КЖ1И-П7 Плита перекрытия П7
ТП 902-1-107.87-КЖ1И-П9 Плита перекрытия П9
ТП 902-1-107.87-КЖ1И-П10,11 Плита перекрытия П10,11
ТП 902-1-107.87-КЖ1И-ОП1 Опорная подушка ОП1
ТП 902-1-107.87-КЖ1И-ОБ1 Опорный блок ОБ1
ТП 902-1-107.87-КЖ1И-С1 Сетка арматурная С1
ТП 902-1-107.87-КЖ1И-С4 Сетка арматурная С(С4,С5)
ТП 902-1-107.87-КЖ1И-С4 СБ Сетка арматурная С(С4,С5). Сборочный чертеж
ТП 902-1-107.87-КЖ1И-ПС1 Петля строповочная ПС1
ТП 902-1-107.87-КЖ1И-МС3 Изделие соединительное МС3
ТП 902-1-107.87-КЖ1И-ПС2 Петля строповочная ПС2
ТП 902-1-107.87-КЖ1И-КР1 Каркас плоский КР1
ТП 902-1-107.87-КЖ1И-КР2 Каркас плоский КР2
ТП 902-1-107.87-КЖ1И-КР3 Каркас плоский КР3
ТП 902-1-107.87-КЖ1И-КР4 Каркас плоский КР4
ТП 902-1-107.87-КЖ1И-КР5,КР6 Каркас плоский КР5,КР6
ТП 902-1-107.87-КЖ1И-МС1 Изделие соединительное МС1
ТП 902-1-107.87-КЖ1И-МН2 Изделие закладное МН2
ТП 902-1-107.87-КЖ1И-Щ1 Щит Щ1
ТП 902-1-107.87-КЖ1И-Щ2 Щит Щ2
ТП 902-1-107.87-КЖ1И-КР7 Каркас плоский КР(КР7,КР8). Сборочный чертеж
ТП 902-1-107.87-КЖ1И-КР7 СБ Каркас плоский КР(КР7,КР8)
ТП 902-1-107.87-КЖ1И-МС4 Изделие соединительное МС4
ТП 902-1-107.87-КЖ1И-МН1 Изделие закладное МН1
Разработан: Харьковский Водоканалпроект
Утверждён:12.06.1987 Госстрой СССР (Государственный комитет Совета Министров СССР по делам строительства) (USSR Gosstroy А4-60)
Расположен в:Техническая документация Строительство Справочные документы Типовые строительные конструкции, изделия и узлы Общероссийский строительный каталог Промышленные предприятия, здания и сооружения Здания и сооружения санитарно-технические Канализация Станции насосные Станции насосные для перекачки бытовых сточных вод
Типовой проект 902-1-107.87Типовой проект 902-1-107.87Типовой проект 902-1-107.87Типовой проект 902-1-107.87Типовой проект 902-1-107.87Типовой проект 902-1-107.87Типовой проект 902-1-107.87Типовой проект 902-1-107.87Типовой проект 902-1-107.87Типовой проект 902-1-107.87Типовой проект 902-1-107.87Типовой проект 902-1-107.87Типовой проект 902-1-107.87Типовой проект 902-1-107.87Типовой проект 902-1-107.87Типовой проект 902-1-107.87Типовой проект 902-1-107.87Типовой проект 902-1-107.87Типовой проект 902-1-107.87Типовой проект 902-1-107.87Типовой проект 902-1-107.87Типовой проект 902-1-107.87Типовой проект 902-1-107.87Типовой проект 902-1-107.87Типовой проект 902-1-107.87Типовой проект 902-1-107.87Типовой проект 902-1-107.87Типовой проект 902-1-107.87Типовой проект 902-1-107.87Типовой проект 902-1-107.87Типовой проект 902-1-107.87Типовой проект 902-1-107.87Типовой проект 902-1-107.87Типовой проект 902-1-107.87Типовой проект 902-1-107.87Типовой проект 902-1-107.87Типовой проект 902-1-107.87Типовой проект 902-1-107.87Типовой проект 902-1-107.87Типовой проект 902-1-107.87Типовой проект 902-1-107.87Типовой проект 902-1-107.87Типовой проект 902-1-107.87Типовой проект 902-1-107.87Типовой проект 902-1-107.87Типовой проект 902-1-107.87Типовой проект 902-1-107.87Типовой проект 902-1-107.87Типовой проект 902-1-107.87Типовой проект 902-1-107.87Типовой проект 902-1-107.87

© 2013 Ёшкин Кот :-) Карта сайта