| ||||||||||||||||||||||||
Скачать Серия 3.903 КЛ-13 Выпуск 1 - 6. Теплоснабжение. Сборные железобетонные камеры на тепловых сетях. ИзделияДата актуализации: 10.08.2017
|
| Обозначение: | Серия 3.903 КЛ-13 |
| Обозначение англ: | Series 3.903 КЛ-13 |
| Статус: | не действует |
| Название рус.: | Выпуск 1 - 6. Теплоснабжение. Сборные железобетонные камеры на тепловых сетях. Изделия |
| Дата добавления в базу: | 01.09.2013 |
| Дата актуализации: | 05.05.2017 |
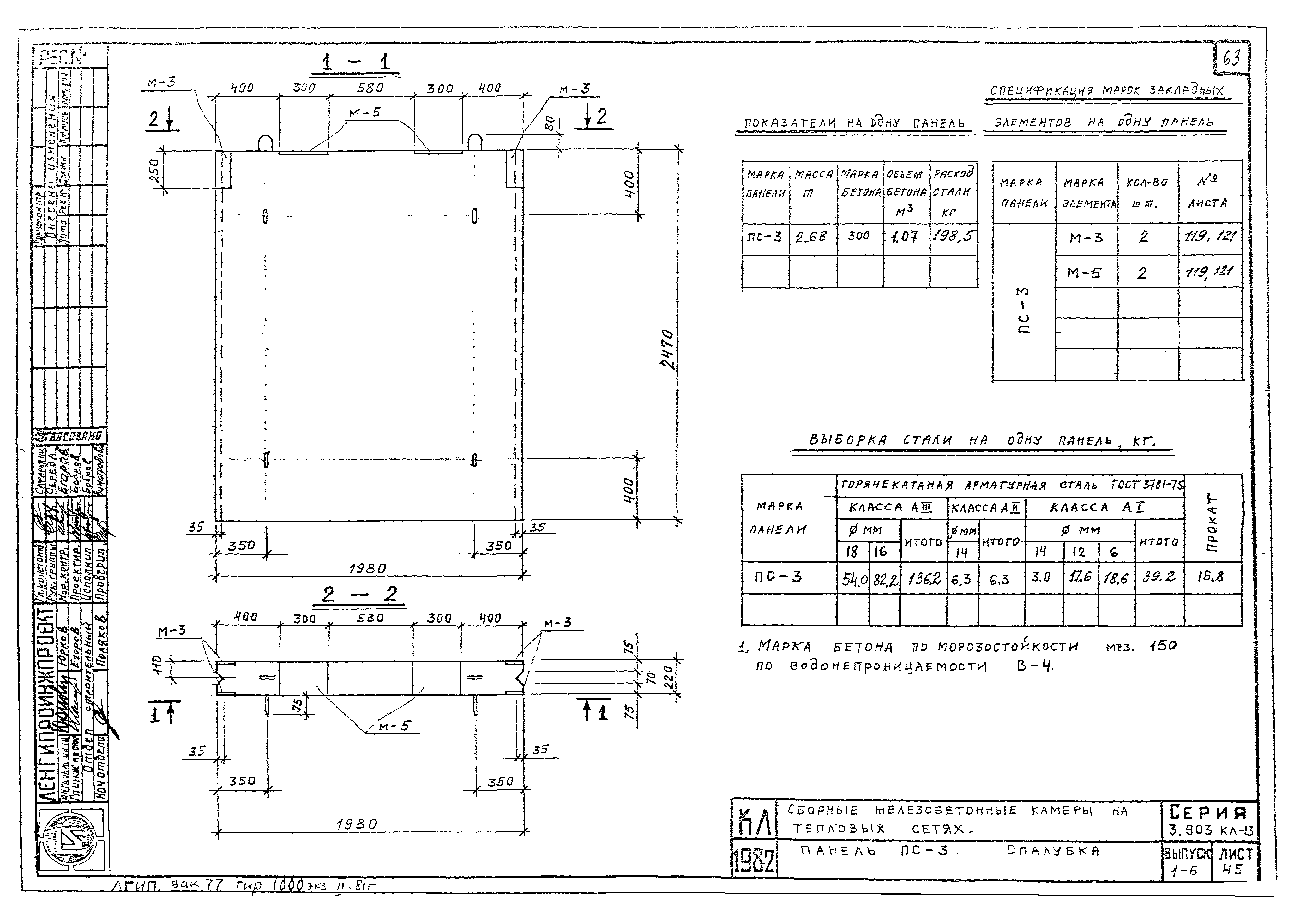
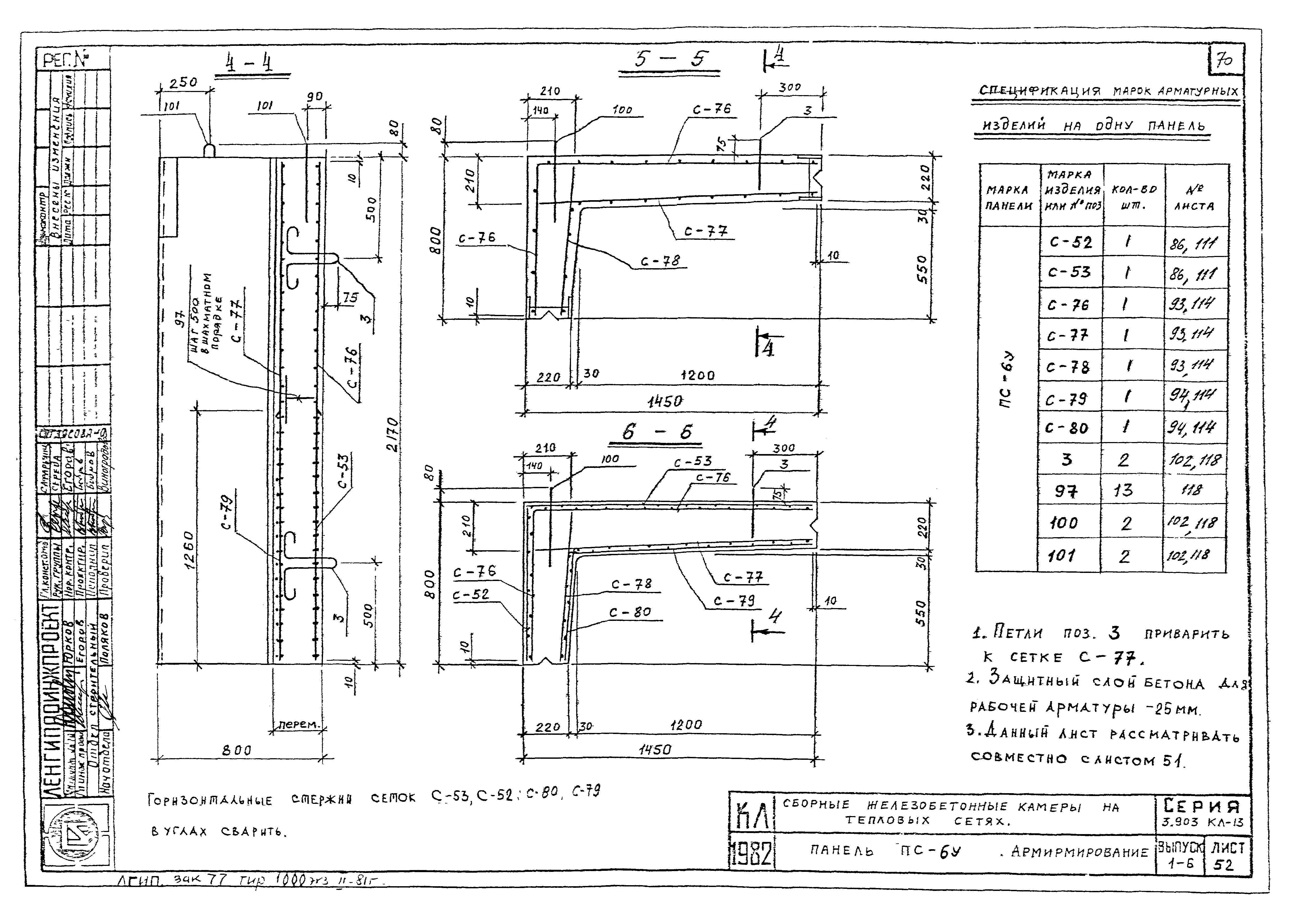
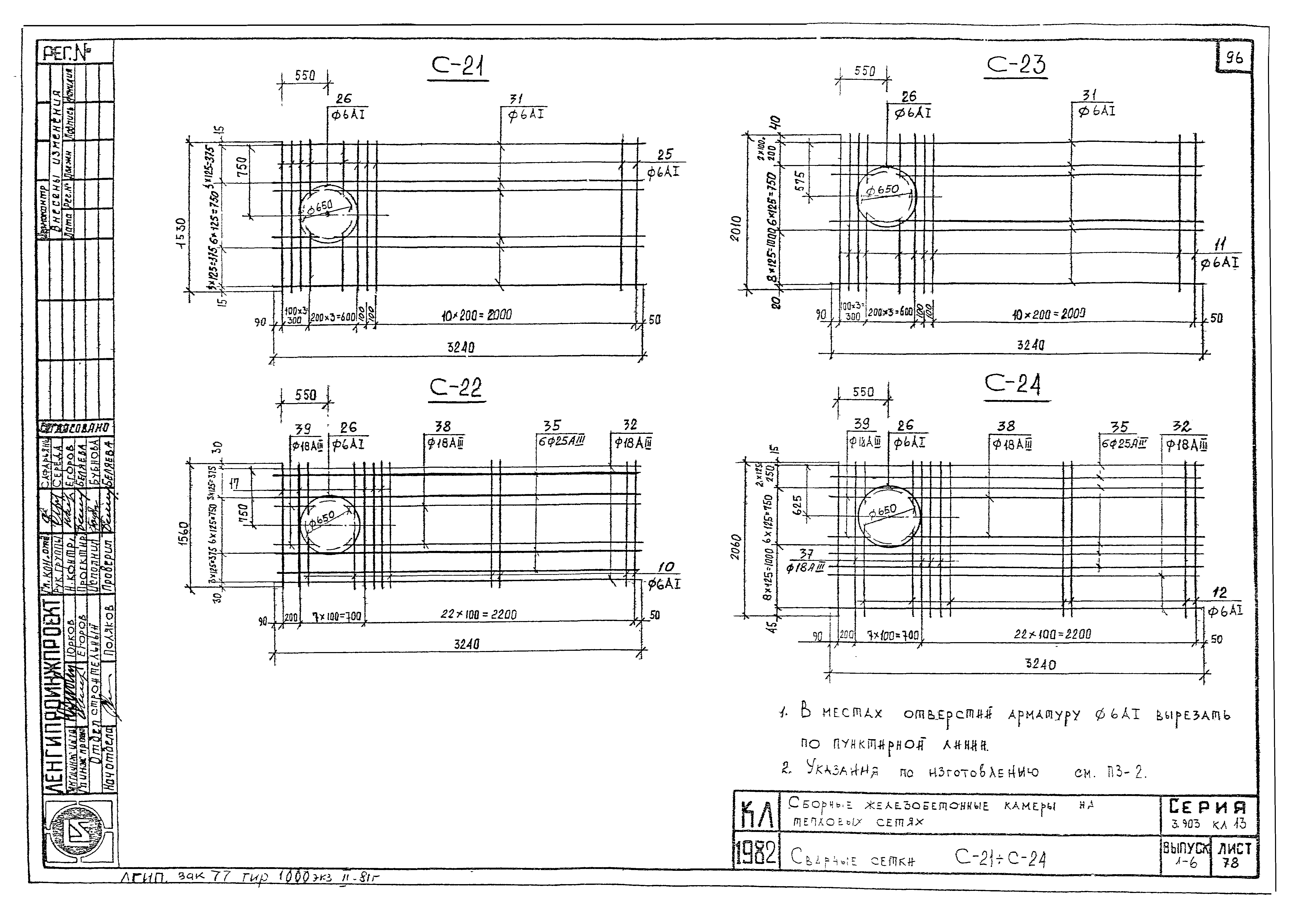
| Оглавление: | 3.903 КЛ-13 Содержание 3.903 КЛ-13 Пояснительная записка 3.903 КЛ-13 Плита П23-16. Опалубка 3.903 КЛ-13 Плита П23-21. Опалубка 3.903 КЛ-13 Плита П23-16,П23-21. Армирование 3.903 КЛ-13 Плита П23-16-К. Опалубка 3.903 КЛ-13 Плита П23-21-К. Опалубка 3.903 КЛ-13 Плита П23-16-К,П23-21-К. Армирование 3.903 КЛ-13 Плита П23-16-Д. Опалубка 3.903 КЛ-13 Плита П23-21-Д. Опалубка 3.903 КЛ-13 Плита П23-16-Д,П23-21-Д. Армирование 3.903 КЛ-13 Плита П33-16. Опалубка 3.903 КЛ-13 Плита П33-21. Опалубка 3.903 КЛ-13 Плита П33-16,П33-21. Армирование 3.903 КЛ-13 Плита П33-16-К. Опалубка 3.903 КЛ-13 Плита П33-21-К. Опалубка 3.903 КЛ-13 Плита П33-16-К,П33-21-К. Армирование 3.903 КЛ-13 Плита П33-16-Д. Опалубка 3.903 КЛ-13 Плита П33-21-Д. Опалубка 3.903 КЛ-13 Плита П33-16-Д,П33-21-Д. Армирование 3.903 КЛ-13 Плита П38-16. Опалубка 3.903 КЛ-13 Плита П38-21. Опалубка 3.903 КЛ-13 Плита П38-16,П38-21. Армирование 3.903 КЛ-13 Плита П38-16-К. Опалубка 3.903 КЛ-13 Плита П38-21-К. Опалубка 3.903 КЛ-13 Плита П38-16-К,П38-21-К. Армирование 3.903 КЛ-13 Плита П38-16-Д. Опалубка 3.903 КЛ-13 Плита П38-21-Д. Опалубка 3.903 КЛ-13 Плита П38-16-Д,П38-21-Д. Армирование 3.903 КЛ-13 Плита П-43-16,П-43-16-А. Опалубка 3.903 КЛ-13 Плита П-43-21,П-43-21А 3.903 КЛ-13 Плита П-43-16,П-43-16А, П-43-21,П-43-21А. Армирование 3.903 КЛ-13 Плита П-13-16-К. Опалубка 3.903 КЛ-13 Плита П-13-21-К. Опалубка 3.903 КЛ-13 Плита П-13-16-К, П-13-21-К. Армирование 3.903 КЛ-13 Плита П-13-16-Д. Опалубка 3.903 КЛ-13 Плита П-13-21-Д. Опалубка 3.903 КЛ-13 Плита П-13-16-Д, П-13-21-Д. Армирование 3.903 КЛ-13 Панель ПС-1У. Опалубка 3.903 КЛ-13 Панель ПС-1У. Армирование 3.903 КЛ-13 Панель ПС-1АУ. Опалубка 3.903 КЛ-13 Панель ПС-1АУ. Армирование 3.903 КЛ-13 Панель ПС-1. Опалубка 3.903 КЛ-13 Панель ПС-1. Армирование 3.903 КЛ-13 Панель ПС-2. Опалубка 3.903 КЛ-13 Панель ПС-2. Армирование 3.903 КЛ-13 Панель ПС-3. Опалубка 3.903 КЛ-13 Панель ПС-3. Армирование 3.903 КЛ-13 Панель ПС-4. Опалубка 3.903 КЛ-13 Панель ПС-4. Армирование 3.903 КЛ-13 Панель ПС-5. Опалубка 3.903 КЛ-13 Панель ПС-5. Армирование 3.903 КЛ-13 Панель ПС-6У. Опалубка 3.903 КЛ-13 Панель ПС-6У. Армирование 3.903 КЛ-13 Панель ПС-6АУ. Опалубка 3.903 КЛ-13 Панель ПС-6АУ. Армирование 3.903 КЛ-13 Панель ПС-6. Опалубка 3.903 КЛ-13 Панель ПС-6. Армирование 3.903 КЛ-13 Панель ПС-7. Опалубка 3.903 КЛ-13 Панель ПС-7. Армирование 3.903 КЛ-13 Панель ПС-8. Опалубка 3.903 КЛ-13 Панель ПС-8. Армирование 3.903 КЛ-13 Панель ПС-9. Опалубка 3.903 КЛ-13 Панель ПС-9. Армирование 3.903 КЛ-13 Панель ПС-10. Опалубка 3.903 КЛ-13 Панель ПС-10. Армирование 3.903 КЛ-13 Фундамент Ф-1. Опалубка 3.903 КЛ-13 Фундамент Ф-2. Опалубка 3.903 КЛ-13 Фундамент Ф-1;Ф-2. Армирование 3.903 КЛ-13 Фундамент Ф-3. Опалубка 3.903 КЛ-13 Фундамент Ф-1У. Опалубка 3.903 КЛ-13 Фундамент Ф-3;Ф-1У. Армирование 3.903 КЛ-13 Балки Б-1;Б-1-1. Опалубка 3.903 КЛ-13 Балки Б-1;Б-1-1. Армирование 3.903 КЛ-13 Сварные сетки С-1÷С-4 3.903 КЛ-13 Сварные сетки С-5÷С-8 3.903 КЛ-13 Сварные сетки С-9÷С-12 3.903 КЛ-13 Сварные сетки С-13÷С-16 3.903 КЛ-13 Сварные сетки С-17÷С-20 3.903 КЛ-13 Сварные сетки С-21÷С-24 3.903 КЛ-13 Сварные сетки С-25÷С-28 3.903 КЛ-13 Сварные сетки С-29÷С-32 3.903 КЛ-13 Сварные сетки С-33÷С-36 3.903 КЛ-13 Сварные сетки С-37÷С-40 3.903 КЛ-13 Сварные сетки С-41÷С-44 3.903 КЛ-13 Сварные сетки С-45÷С-48 3.903 КЛ-13 Сварные сетки С-49÷С-51 3.903 КЛ-13 Сварные сетки С-52÷С-55 3.903 КЛ-13 Сварные сетки С-56÷С-58 3.903 КЛ-13 Сварные сетки С-59÷С-62 3.903 КЛ-13 Сварные сетки С-63÷С-66 3.903 КЛ-13 Сварные сетки С-67÷С-70 3.903 КЛ-13 Сварные сетки С-71÷С-74 3.903 КЛ-13 Сварная сетка С-75 3.903 КЛ-13 Сварные сетки С-76÷С-78 3.903 КЛ-13 Сварные сетки С-79÷С-81 3.903 КЛ-13 Сварные сетки С-82÷С-85 3.903 КЛ-13 Сварные сетки С-86÷С-89 3.903 КЛ-13 Сварные сетки С-90÷С-92 3.903 КЛ-13 Сварная сетка С-93 3.903 КЛ-13 Сварные сетки С-94÷С-96 3.903 КЛ-13 Сварная сетка С-97,С-98. Каркасы КР-1,КР-2 3.903 КЛ-13 Каркасы КР-3-КР-8 3.903 КЛ-13 Отдельные позиции 1,3,4,5,98,99,100,101,102 3.903 КЛ-13 Спецификация и выборка стали на одно арматурное изделие С-1÷С-8 3.903 КЛ-13 Сварные сетки С-9÷С-14 3.903 КЛ-13 Сварные сетки С-15÷С-20 3.903 КЛ-13 Сварные сетки С-21÷С-27 3.903 КЛ-13 Сварные сетки С-28÷С-34 3.903 КЛ-13 Сварные сетки С-35÷С-42 3.903 КЛ-13 Сварные сетки С-43÷С-47 3.903 КЛ-13 Сварная сетка С-48 3.903 КЛ-13 Сварные сетки С-49÷С-56 3.903 КЛ-13 Сварные сетки С-57÷С-66 3.903 КЛ-13 Сварные сетки С-67÷С-75 3.903 КЛ-13 Сварные сетки С-76÷С-83 3.903 КЛ-13 Сварные сетки С-84÷С-92 3.903 КЛ-13 Сварные сетки С-93÷С-98 3.903 КЛ-13 Каркасы КР-1÷КР-8 3.903 КЛ-13 Спецификация и выборка стали на одно арматурное изделие. Отдельные позиции 3.903 КЛ-13 Закладные детали М-1÷М-7 3.903 КЛ-13 Закладные детали М-8÷М-11 3.903 КЛ-13 Спецификация закладных деталей М-1÷М-11 |
| Разработан: | Ленгипроинжпроект Ленгорисполкома |
| Утверждён: | 03.12.1982 Ленгипроинжпроект (Lengiproinzhproject 9р) |
| Расположен в: |










































































































































