| ||||||||||||||||||||||||
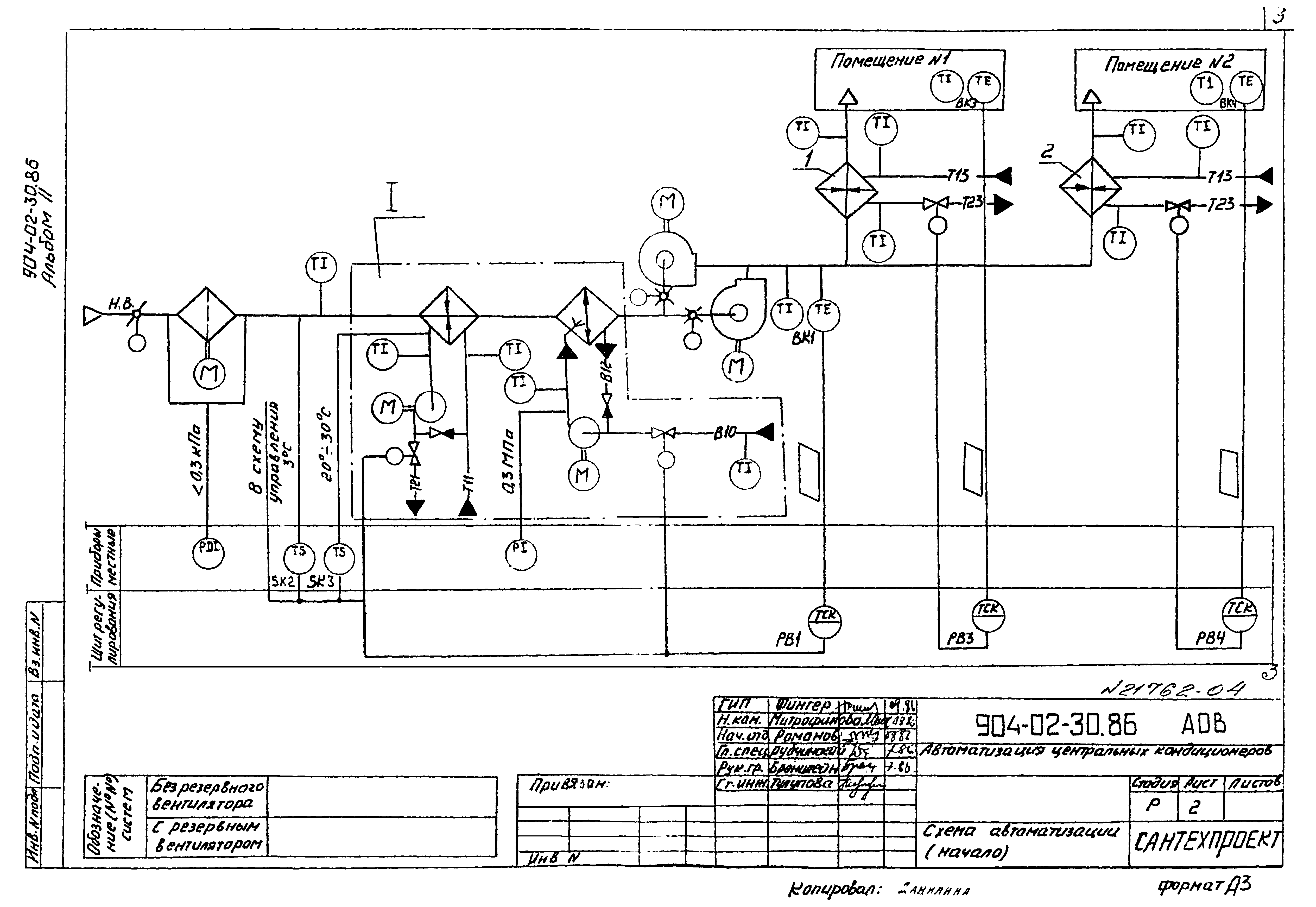
Скачать Типовые материалы для проектирования 904-02-30.86 Альбом II. Кондиционер прямоточный с одной секцией воздухонагревателя первого подогрева, оснащаемого циркуляционным насосом и с двумя доводчиками. Электрическая система регулированияДата актуализации: 10.08.2017
|
| Обозначение: | Типовые материалы для проектирования 904-02-30.86 |
| Обозначение англ: | 904-02-30.86 |
| Статус: | cправочные материалы, мп, тпр |
| Название рус.: | Альбом II. Кондиционер прямоточный с одной секцией воздухонагревателя первого подогрева, оснащаемого циркуляционным насосом и с двумя доводчиками. Электрическая система регулирования |
| Дата добавления в базу: | 01.09.2013 |
| Дата актуализации: | 05.05.2017 |
| Оглавление: | ТП 904-02-30.86-АОВ-1 Ведомости ссылочных и примененных документов и чертежей ТП 904-02-30.86-АОВ-2,3 Схема автоматизации ТП 904-02-30.86-АОВ-4-7 Схема электрическая принципиальная регулирования № 1 ТП 904-02-30.86-АОВ-8-10 Схема электрическая принципиальная регулирования № 2 ТП 904-02-30.86-АОВ-11-15 Щит Щ7П1-0Д. Общий вид ТП 904-02-30.86-АОВ-16-18 Щит Щ7П1-0Д. Таблица соединений ТП 904-02-30.86-АОВ-19-24 Щит Щ7П1-0Д. Таблица подключения ТП 904-02-30.86-АОВ-25-29 Щит Щ7П1-2Д. Общий вид ТП 904-02-30.86-АОВ-30-33 Щит Щ7П1-2Д. Таблица соединений ТП 904-02-30.86-АОВ-34-36 Щит Щ7П1-2Д. Таблица подключения ТП 904-02-30.86-АОВ-37 Схема подключения № 1 ТП 904-02-30.86-АОВ-38 Схема подключения № 2 |
| Разработан: | Сантехпроект Госстроя СССР |
| Утверждён: | 15.09.1986 Минмонтажспецстрой СССР (USSR Minmontazhspetsstroy ) |
| Расположен в: |





























