| ||||||||||||||||||||||||
Скачать Типовые материалы для проектирования 904-02-30.86 Альбом 0. Часть 1. Рекомендации по применению. Пояснительная записка. Технологические схемыДата актуализации: 10.08.2017
|
| Обозначение: | Типовые материалы для проектирования 904-02-30.86 |
| Обозначение англ: | 904-02-30.86 |
| Статус: | cправочные материалы, мп, тпр |
| Название рус.: | Альбом 0. Часть 1. Рекомендации по применению. Пояснительная записка. Технологические схемы |
| Дата добавления в базу: | 01.09.2013 |
| Дата актуализации: | 05.05.2017 |
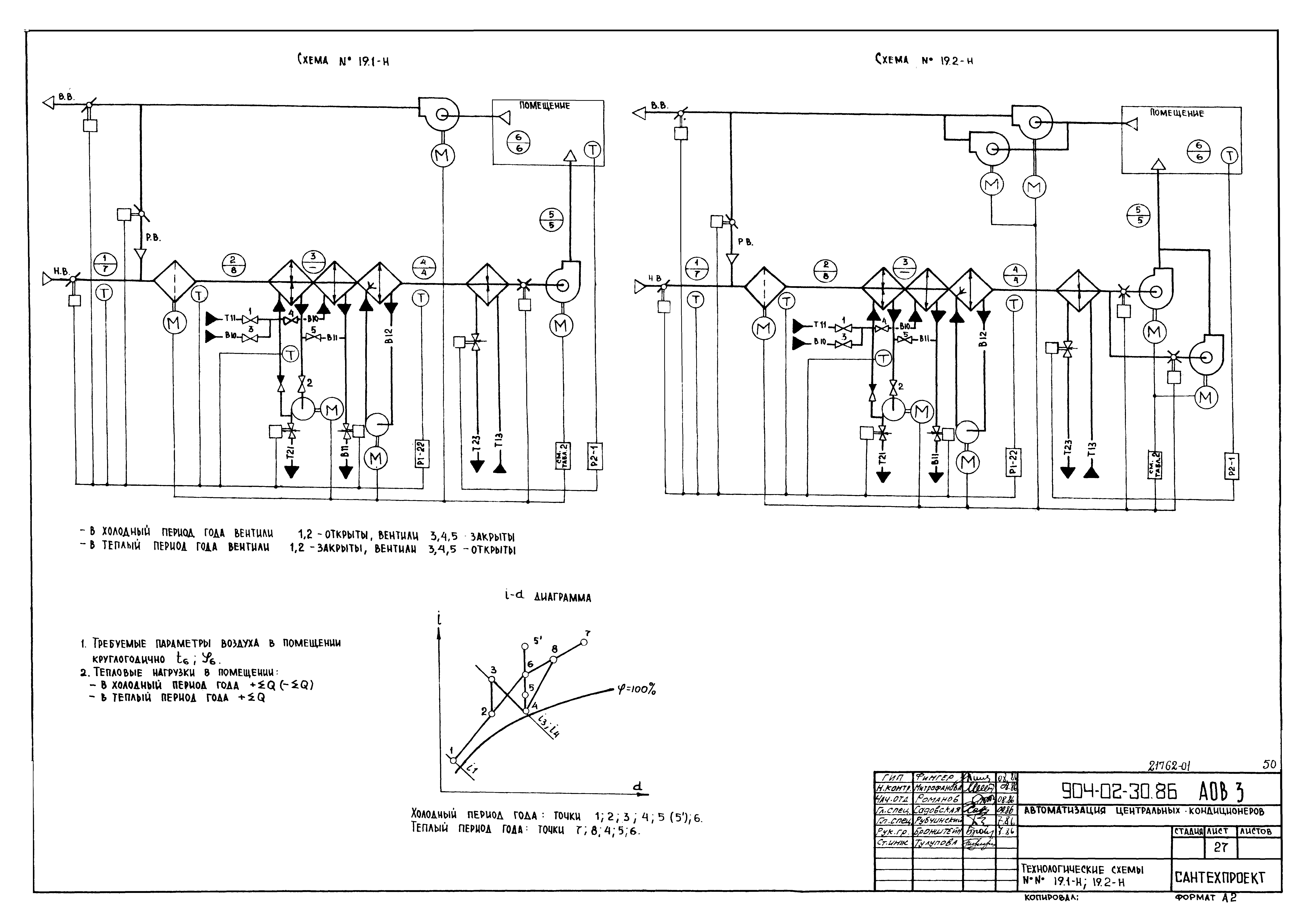
| Оглавление: | Часть 1 I Содержание раздела "Автоматизация" II Пояснительная записка 1. Технологические схемы обработки воздуха 2. Схемы регулирования 3. Схемы управления 4. Приборы и средства автоматизации и их размещение 5. Размещение аппаратуры управления и силового электрооборудования 6. Рекомендации по составлению заданий на проектирование автоматизации, управления и силового электрооборудования 7. Указания по привязке альбомов 1-14 раздела "Автоматизация" Технологические схемы (чертежи) |
| Разработан: | Сантехпроект Госстроя СССР |
| Утверждён: | 15.09.1986 Минмонтажспецстрой СССР (USSR Minmontazhspetsstroy ) |
| Расположен в: |





























































