Информационная система
«Ёшкин Кот»

Скачать базу одним архивом
Скачать обновления
История создания базы
Карта сайта

Скачать Типовой проект 903-2-34.90 Альбом 7. Часть 1. Автоматизация. Пожарная сигнализация (Q = 13 куб. м/ч) (из ТП 903-2-30.90)

Дата актуализации: 10.08.2017

Типовой проект 903-2-34.90

Альбом 7. Часть 1. Автоматизация. Пожарная сигнализация (Q = 13 куб. м/ч) (из ТП 903-2-30.90)

Обозначение: Типовой проект 903-2-34.90
Обозначение англ: 903-2-34.90
Статус:не определен законодательством
Название рус.:Альбом 7. Часть 1. Автоматизация. Пожарная сигнализация (Q = 13 куб. м/ч) (из ТП 903-2-30.90)
Дата добавления в базу:01.09.2013
Дата актуализации:05.05.2017
Дата введения:01.04.1991
Оглавление:ТП 903-2-30.90-АТМ1 Автоматизация АТМ1
ТП 903-2-30.90-АТМ1 Содержание альбома
ТП 903-2-30.90-АТМ1-1 Общие данные
ТП 903-2-30.90-АТМ1-2 Схема автоматизации
ТП 903-2-30.90-АТМ1-3 Схема электрическая принципиальная регулятора температуры мазута
ТП 903-2-30.90-АТМ1-4 Схема электрическая принципиальная технологической сигнализации
ТП 903-2-30.90-АТМ1-5 Схема электрическая принципиальная питания
ТП 903-2-30.90-АТМ1-6 Схема внешних проводок (начало)
ТП 903-2-30.90-АТМ1-7 Схема внешних проводок (окончание)
ТП 903-2-30.90-АТМ1-8 Схема подключения внешних проводок
ТП 903-2-30.90-АТМ1-9 Приточная система П1. Схемы автоматизации и внешних проводок
ТП 903-2-30.90-АТМ1-10 Приточная система П1. Схемы электрическая принципиальная управления
ТП 903-2-30.90-АТМ1-11 План расположения
ТП 903-2-30.90-АТМ1-12 Установка МЭО100/25-0.25-87 поз. 13б к клапану 9с-3-3-4 на паропроводе
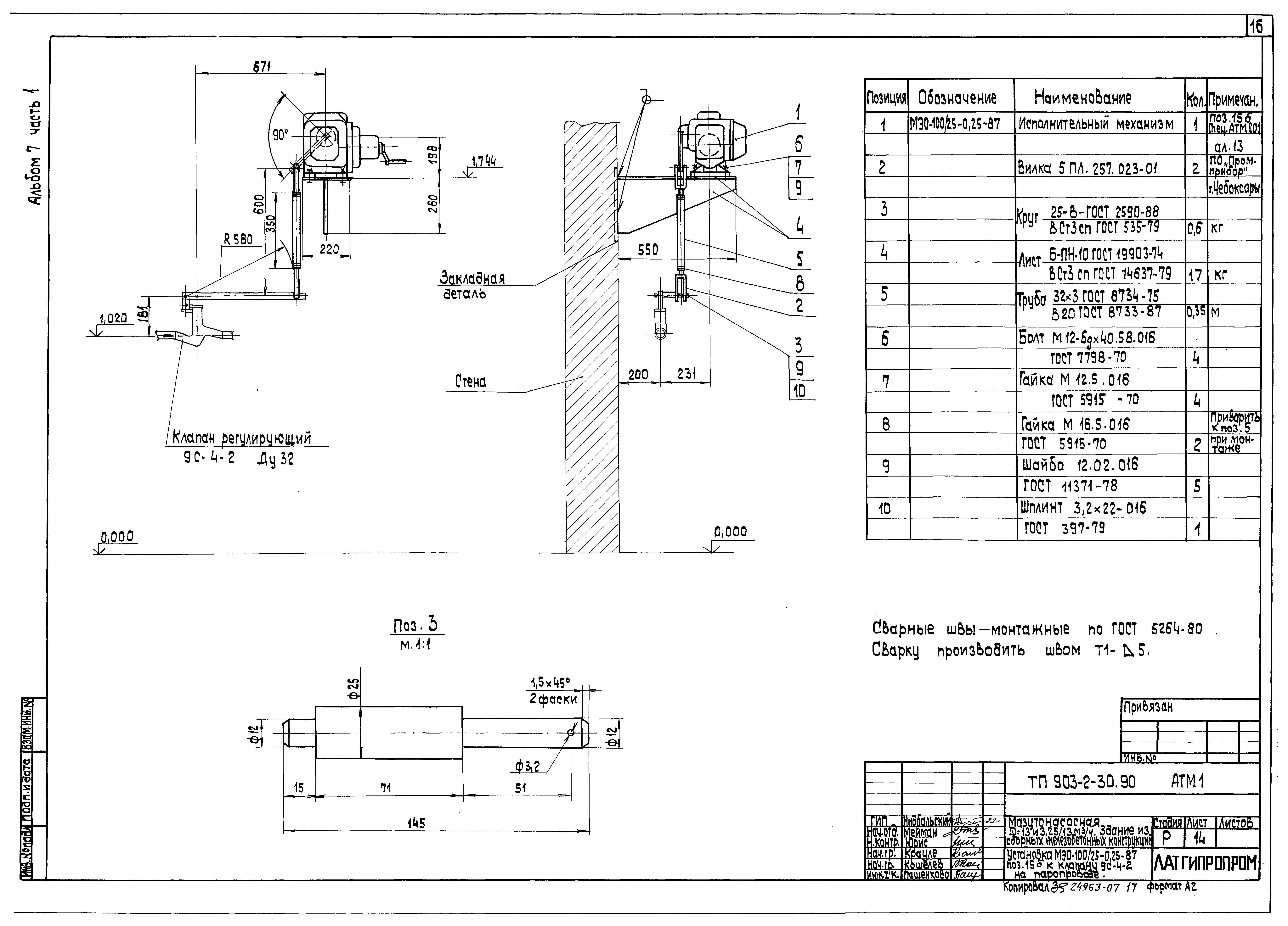
ТП 903-2-30.90-АТМ1-13 Установка МЭО100/25-0.25-87 поз. 14б к клапану 9с-4-2 на паропроводе
ТП 903-2-30.90-АТМ1-14 Установка МЭО100/25-0.25-87 поз. 15б к клапану 9с-4-2 на паропроводе
ТП 903-2-30.90-АП Пожарная сигнализация АП
ТП 903-2-30.90-АП-1 Общие данные
ТП 903-2-30.90-АП-2 Пожарная сигнализация. Схема электрическая принципиальная
ТП 903-2-30.90-АП-3 Пожарная сигнализация. Схема внешних проводок
ТП 903-2-30.90-АП-4 Пожарная сигнализация. План расположения
Разработан: Латгипропром
Утверждён:01.04.1991 ГПКНИИ Сантехниипроект (22)
Расположен в:Техническая документация Строительство Справочные документы Типовые строительные конструкции, изделия и узлы Общероссийский строительный каталог Промышленные предприятия, здания и сооружения Здания и сооружения санитарно-технические Теплоснабжение Установка для снабжения котельных жидким топливом
Типовой проект 903-2-34.90Типовой проект 903-2-34.90Типовой проект 903-2-34.90Типовой проект 903-2-34.90Типовой проект 903-2-34.90Типовой проект 903-2-34.90Типовой проект 903-2-34.90Типовой проект 903-2-34.90Типовой проект 903-2-34.90Типовой проект 903-2-34.90Типовой проект 903-2-34.90Типовой проект 903-2-34.90Типовой проект 903-2-34.90Типовой проект 903-2-34.90Типовой проект 903-2-34.90Типовой проект 903-2-34.90Типовой проект 903-2-34.90Типовой проект 903-2-34.90Типовой проект 903-2-34.90Типовой проект 903-2-34.90Типовой проект 903-2-34.90

© 2013 Ёшкин Кот :-) Карта сайта