Информационная система
«Ёшкин Кот»

Скачать базу одним архивом
Скачать обновления
История создания базы
Карта сайта

Скачать Типовой проект 407-3-656.01 Альбом 3. Электротехническая часть с оборудованием на постоянном оперативном токе и микропроцессорными устройствами РЗиА. Опросные листы

Дата актуализации: 10.08.2017

Типовой проект 407-3-656.01

Альбом 3. Электротехническая часть с оборудованием на постоянном оперативном токе и микропроцессорными устройствами РЗиА. Опросные листы

Обозначение: Типовой проект 407-3-656.01
Обозначение англ: 407-3-656.01
Статус:не определен законодательством
Название рус.:Альбом 3. Электротехническая часть с оборудованием на постоянном оперативном токе и микропроцессорными устройствами РЗиА. Опросные листы
Дата добавления в базу:01.09.2013
Дата актуализации:05.05.2017
Дата введения:23.01.2003
Оглавление:ТП 407-3-656.01-ЭП1 Электротехническая часть
ТП 407-3-656.01-ЭП1-1 Общие данные (начало)
ТП 407-3-656.01-ЭП1-2 Общие данные (продолжение)
ТП 407-3-656.01-ЭП1-3 Общие данные (окончание)
ТП 407-3-656.01-ЭП1-4 Схема электрических соединений 10(6) кВ №1
ТП 407-3-656.01-ЭП1-5 Схема электрических соединений 10(6) кВ №1а
ТП 407-3-656.01-ЭП1-6 Схема электрических соединений 0,4 кВ (начало)
ТП 407-3-656.01-ЭП1-7 Схема электрических соединений 0,4 кВ (окончание)
ТП 407-3-656.01-ЭП1-8 План и разрезы РП (начало)
ТП 407-3-656.01-ЭП1-9 План и разрезы РП (продолжение)
ТП 407-3-656.01-ЭП1-10 План и разрезы РП (окончание)
ТП 407-3-656.01-ЭП1-11 Журнал контрольных кабелей (начало)
ТП 407-3-656.01-ЭП1-12 Журнал контрольных кабелей (окончание)
ТП 407-3-656.01-ЭП1-13 Журнал силовых кабелей
ТП 407-3-656.01-ЭП1-14 План прокладки кабелей
ТП 407-3-656.01-ЭП1-15 Ввод 10(6) кВ. Схема электрическая принципиальная (начало)
ТП 407-3-656.01-ЭП1-16 Ввод 10(6) кВ. Схема электрическая принципиальная (продолжение)
ТП 407-3-656.01-ЭП1-17 Ввод 10(6) кВ. Схема электрическая принципиальная (окончание)
ТП 407-3-656.01-ЭП1-18 Секционный выключатель 10(6) кВ. Схема электрическая принципиальная (начало)
ТП 407-3-656.01-ЭП1-19 Секционный выключатель 10(6) кВ. Схема электрическая принципиальная (продолжение)
ТП 407-3-656.01-ЭП1-20 Секционный выключатель 10(6) кВ. Схема электрическая принципиальная (окончание)
ТП 407-3-656.01-ЭП1-21 Линия 10(6) кВ с АПВ. Схема электрическая принципиальная (начало)
ТП 407-3-656.01-ЭП1-22 Линия 10(6) кВ с АПВ. Схема электрическая принципиальная (продолжение)
ТП 407-3-656.01-ЭП1-23 Линия 10(6) кВ с АПВ. Схема электрическая принципиальная (окончание)
ТП 407-3-656.01-ЭП1-24 Линия 10(6) кВ без АПВ. Схема электрическая принципиальная (начало)
ТП 407-3-656.01-ЭП1-25 Линия 10(6) кВ без АПВ. Схема электрическая принципиальная (продолжение)
ТП 407-3-656.01-ЭП1-26 Линия 10(6) кВ без АПВ. Схема электрическая принципиальная (окончание)
ТП 407-3-656.01-ЭП1-27 Линия 10(6) кВ к трансформатору (схема № 1а). Схема электрическая принципиальная (начало)
ТП 407-3-656.01-ЭП1-28 Линия 10(6) кВ к трансформатору (схема № 1а). Схема электрическая принципиальная (продолжение)
ТП 407-3-656.01-ЭП1-29 Линия 10(6) кВ к трансформатору (схема № 1а). Схема электрическая принципиальная (окончание)
ТП 407-3-656.01-ЭП1-30 Линия 10(6) кВ к трансформатору (схема № 1). Схема электрическая принципиальная (начало)
ТП 407-3-656.01-ЭП1-31 Линия 10(6) кВ к трансформатору (схема № 1). Схема электрическая принципиальная (продолжение)
ТП 407-3-656.01-ЭП1-32 Линия 10(6) кВ к трансформатору (схема № 1). Схема электрическая принципиальная (окончание)
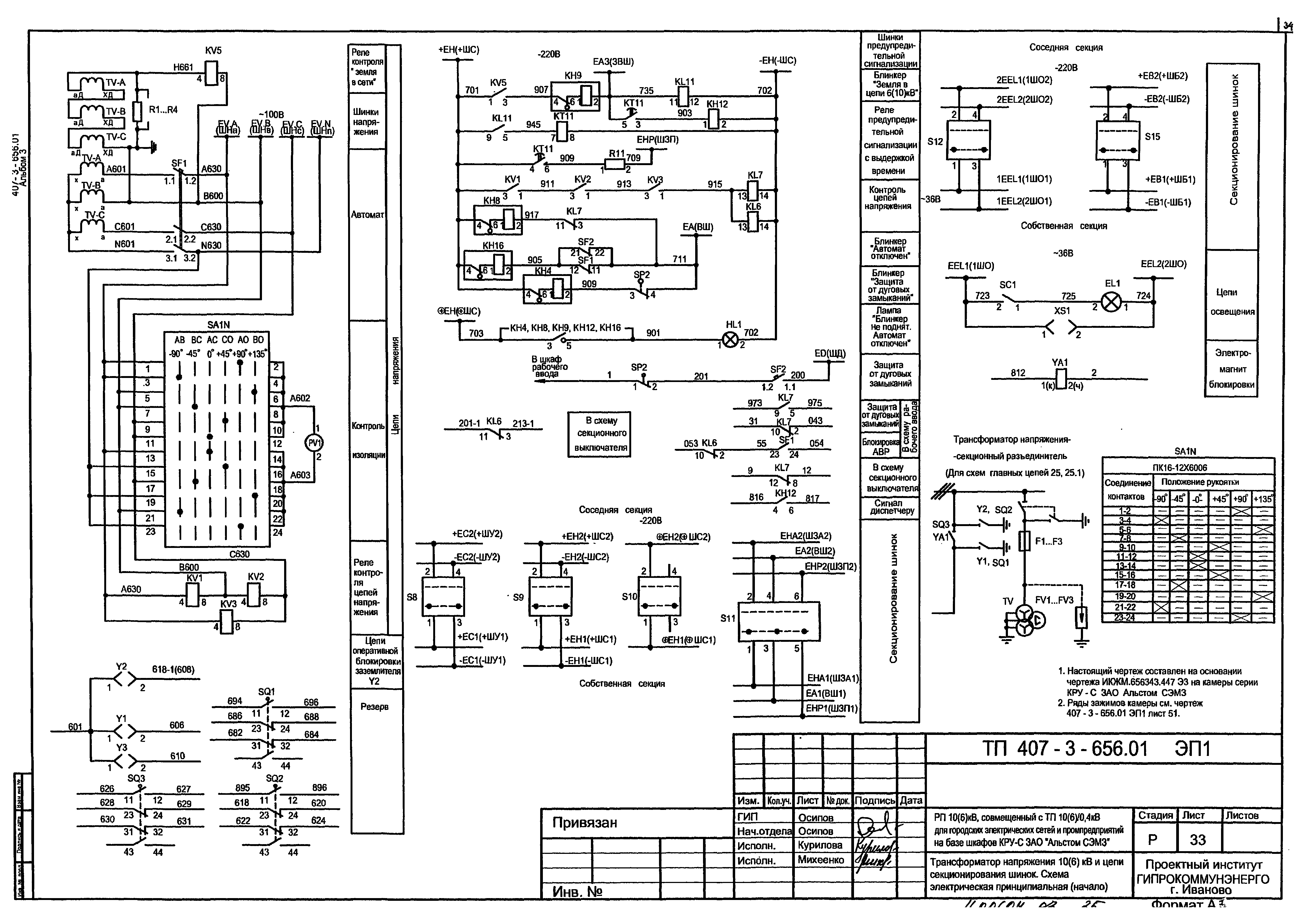
ТП 407-3-656.01-ЭП1-33 Трансформатор напряжения 10(6) кВ и цепи секционирования шинок. Схема электрическая принципиальная (начало)
ТП 407-3-656.01-ЭП1-34 Трансформатор напряжения 10(6) кВ и цепи секционирования шинок. Схема электрическая принципиальная (продолжение)
ТП 407-3-656.01-ЭП1-35 Трансформатор напряжения 10(6) кВ и цепи секционирования шинок. Схема электрическая принципиальная (окончание)
ТП 407-3-656.01-ЭП1-36 Трансформатор напряжения 10(6) кВ. Схема электрическая принципиальная (окончание)
ТП 407-3-656.01-ЭП1-37 Трансформатор напряжения 10(6) кВ. Схема электрическая принципиальная (начало)
ТП 407-3-656.01-ЭП1-38 Трансформатор напряжения 10(6) кВ. Схема электрическая принципиальная (продолжение)
ТП 407-3-656.01-ЭП1-39 Схема оперативной блокировки разъединителей РУ-10(6) кВ (схема №1).
ТП 407-3-656.01-ЭП1-40 РУ-10(6) кВ. План шинок (начало)
ТП 407-3-656.01-ЭП1-41 РУ-10(6) кВ. План шинок (окончание)
ТП 407-3-656.01-ЭП1-42 Схема дуговой защиты
ТП 407-3-656.01-ЭП1-43 Ввод 0,4 кВ трансформатора. Схема электрическая принципиальная
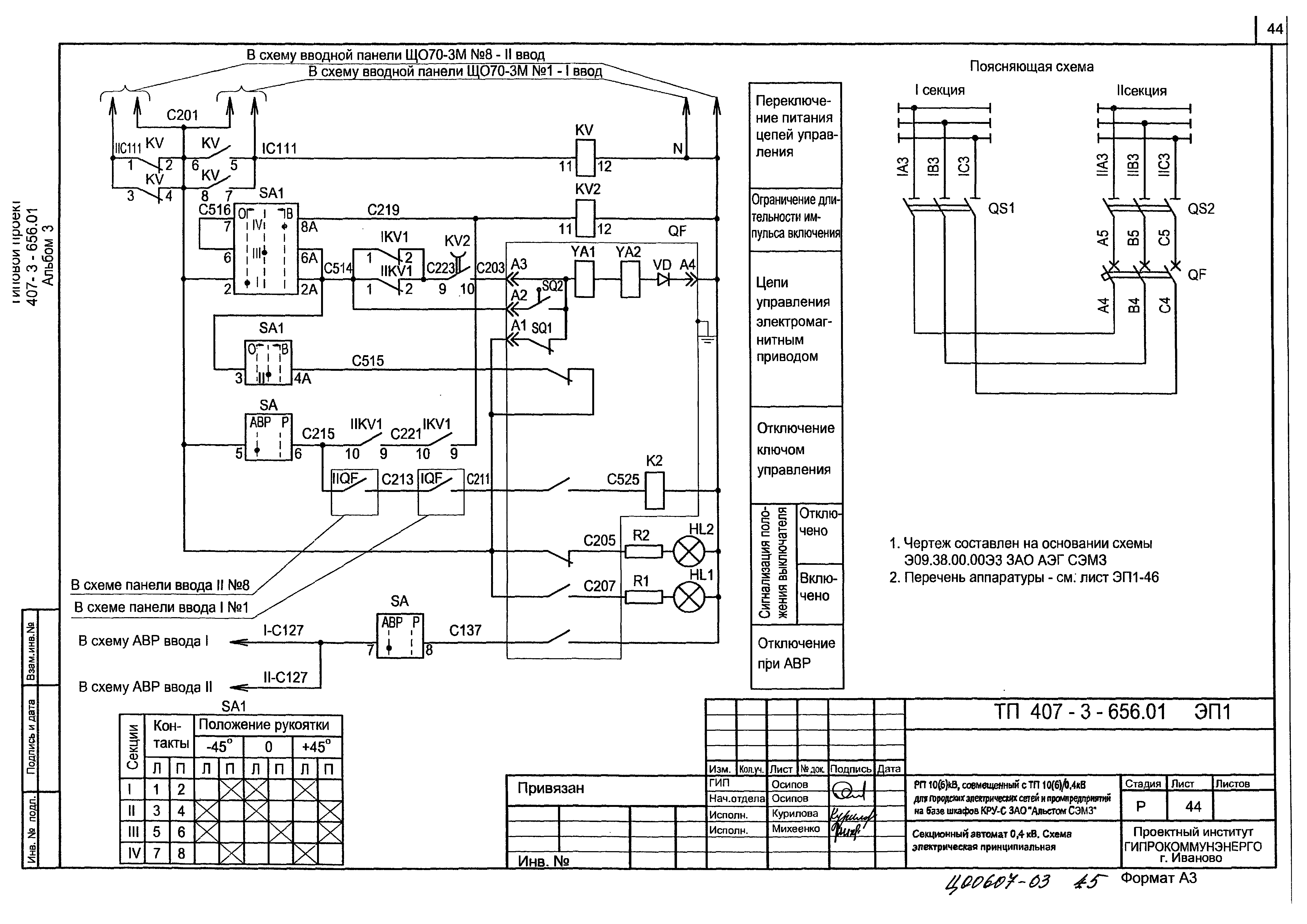
ТП 407-3-656.01-ЭП1-44 Секционный автомат 0,4 кВ. Схема электрическая принципиальная
ТП 407-3-656.01-ЭП1-45 Ввод 0,4 кВ трансформатора. Перечень аппаратуры
ТП 407-3-656.01-ЭП1-46 Секционный автомат 0,4 кВ. Перечень аппаратуры
ТП 407-3-656.01-ЭП1-47 Схема электрическая подключения преобразователей тока и напряжения (пример)
ТП 407-3-656.01-ЭП1-48 РУ-10(6) кВ. Схема междушкафных шинных перемычек (пример)
ТП 407-3-656.01-ЭП1-49 РУ-10(6) кВ. Ряд зажимов шкафа ввода №1(2)
ТП 407-3-656.01-ЭП1-50 РУ-10(6) кВ. Ряд зажимов шкафа секционного выключателя
ТП 407-3-656.01-ЭП1-51 РУ-10(6) кВ. Ряд зажимов шкафа трансформатора напряжения 1 секции
ТП 407-3-656.01-ЭП1-52 РУ-10(6) кВ. Ряд зажимов шкафа трансформатора напряжения 2 секции
ТП 407-3-656.01-ЭП1-53 РУ-10(6) кВ. Ряд зажимов шкафа линии к трансформатору 1000 кВА (схема №1 а)
ТП 407-3-656.01-ЭП1-54 РУ-10(6) кВ. Ряд зажимов шкафа линии к трансформатору (схема №1)
ТП 407-3-656.01-ЭП1-55 РУ-10(6) кВ. Ряд зажимов шкафа линии с АПВ
ТП 407-3-656.01-ЭП1-56 РУ-10(6) кВ. Ряд зажимов шкафа линии без АПВ
ТП 407-3-656.01-ЭП1-57 РУ-10(6) кВ. Ряды зажимов шкафа низковольтной аппаратуры
ТП 407-3-656.01-ЭП1-58 Трансформатор Т1(Т2). Ряды зажимов панелей ЩО70-3М вводов
ТП 407-3-656.01-ЭП1-59 Секционный автомат 0,4 кВ. Ряды зажимов панелей ЩО70-3М вводов
ТП 407-3-656.01-ЭП1-60 Шкаф оперативного тока ШОТ-01. Ряд зажимов.
ТП 407-3-656.01-ЭП1 Прилагаемые документы
ТП 407-3-656.01-ЭП1.ЛО1 Опросный лист на шкафы серии КРУ-С. Схема №1
ТП 407-3-656.01-ЭП1.ЛО2 Опросный лист на панели ЩО70-3М с АВР
Разработан: Гипрокоммунэнерго
Утверждён:23.01.2003 ЗАО Альстом СЭМЗ (22)
Расположен в:Техническая документация Строительство Справочные документы Типовые строительные конструкции, изделия и узлы Общероссийский строительный каталог Промышленные предприятия, здания и сооружения Предприятия, здания и сооружения промышленности и электроэнергетики Электроэнергетика Устройства и подстанции распределительные
Типовой проект 407-3-656.01Типовой проект 407-3-656.01Типовой проект 407-3-656.01Типовой проект 407-3-656.01Типовой проект 407-3-656.01Типовой проект 407-3-656.01Типовой проект 407-3-656.01Типовой проект 407-3-656.01Типовой проект 407-3-656.01Типовой проект 407-3-656.01Типовой проект 407-3-656.01Типовой проект 407-3-656.01Типовой проект 407-3-656.01Типовой проект 407-3-656.01Типовой проект 407-3-656.01Типовой проект 407-3-656.01Типовой проект 407-3-656.01Типовой проект 407-3-656.01Типовой проект 407-3-656.01Типовой проект 407-3-656.01Типовой проект 407-3-656.01Типовой проект 407-3-656.01Типовой проект 407-3-656.01Типовой проект 407-3-656.01Типовой проект 407-3-656.01Типовой проект 407-3-656.01Типовой проект 407-3-656.01Типовой проект 407-3-656.01Типовой проект 407-3-656.01Типовой проект 407-3-656.01Типовой проект 407-3-656.01Типовой проект 407-3-656.01Типовой проект 407-3-656.01Типовой проект 407-3-656.01Типовой проект 407-3-656.01Типовой проект 407-3-656.01Типовой проект 407-3-656.01Типовой проект 407-3-656.01Типовой проект 407-3-656.01Типовой проект 407-3-656.01Типовой проект 407-3-656.01Типовой проект 407-3-656.01Типовой проект 407-3-656.01Типовой проект 407-3-656.01Типовой проект 407-3-656.01Типовой проект 407-3-656.01Типовой проект 407-3-656.01Типовой проект 407-3-656.01Типовой проект 407-3-656.01Типовой проект 407-3-656.01Типовой проект 407-3-656.01Типовой проект 407-3-656.01Типовой проект 407-3-656.01Типовой проект 407-3-656.01Типовой проект 407-3-656.01Типовой проект 407-3-656.01Типовой проект 407-3-656.01Типовой проект 407-3-656.01Типовой проект 407-3-656.01Типовой проект 407-3-656.01Типовой проект 407-3-656.01Типовой проект 407-3-656.01Типовой проект 407-3-656.01Типовой проект 407-3-656.01Типовой проект 407-3-656.01Типовой проект 407-3-656.01Типовой проект 407-3-656.01

© 2013 Ёшкин Кот :-) Карта сайта