| ||||||||||||||||||||||||||
Скачать Типовые материалы для проектирования 407-03-509.88 Альбом 1. Пояснительная записка. Схемы полные и низковольтные комплектные устройстваДата актуализации: 10.08.2017
|
| Обозначение: | Типовые материалы для проектирования 407-03-509.88 |
| Обозначение англ: | 407-03-509.88 |
| Статус: | cправочные материалы, мп, тпр |
| Название рус.: | Альбом 1. Пояснительная записка. Схемы полные и низковольтные комплектные устройства |
| Дата добавления в базу: | 01.09.2013 |
| Дата актуализации: | 05.05.2017 |
| Дата введения: | 09.08.1988 |
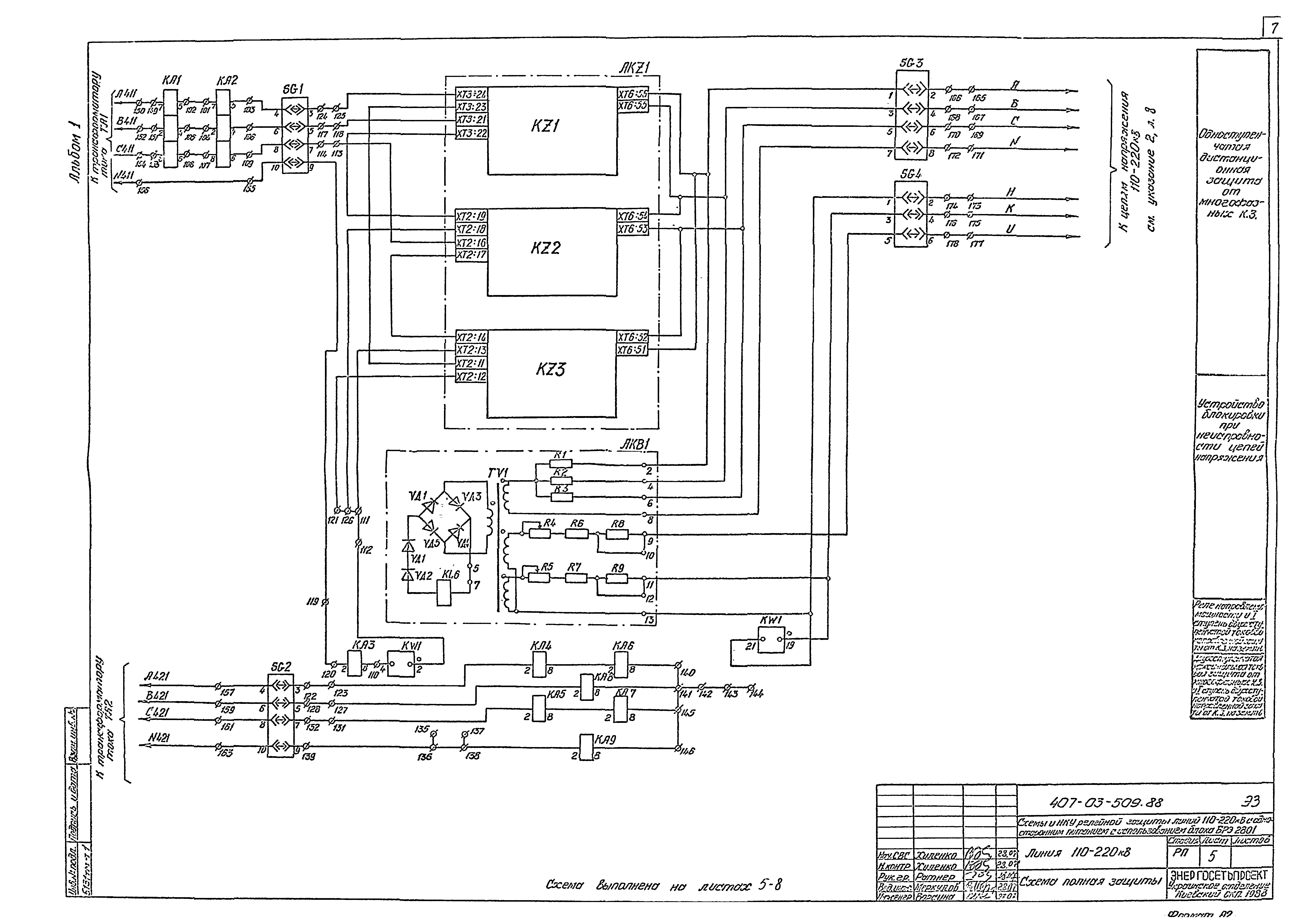
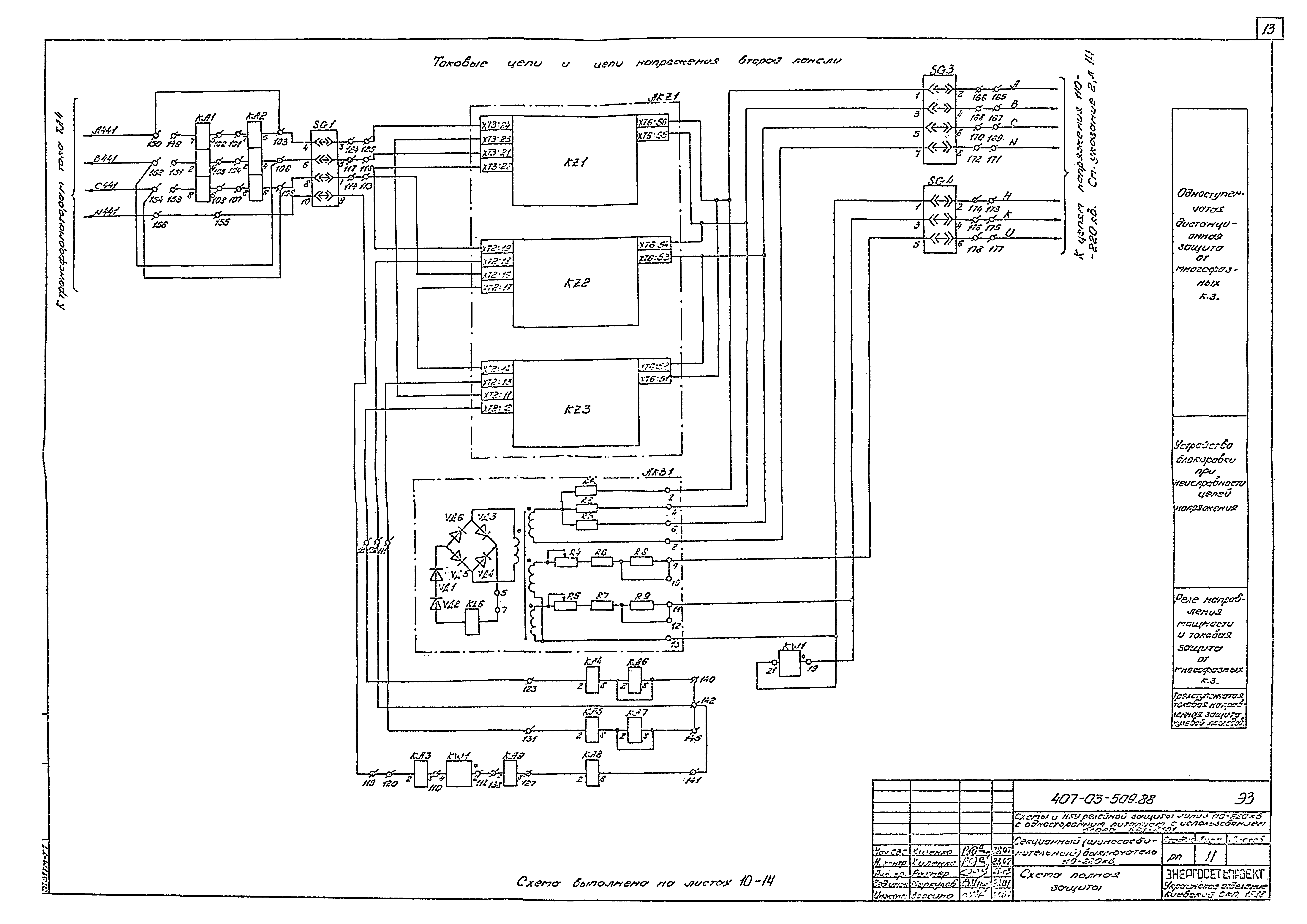
| Оглавление: | ТП 407-03-509.88 Титульный лист ТП 407-03-509.88 Содержание альбома 1 ТП 407-03-509.88-ЭЗ-1-3 Пояснительная записка ТП 407-03-509.88-ЭЗ-4 Линия 110-220 кВ. Схема распределительная защит по трансформаторам тока и цепи напряжения ТП 407-03-509.88-ЭЗ-5-8 Линия 110-220 кВ. Схема полная защиты ТП 407-03-509.88-ЭЗ-9 Секционный (шиносоединительный) выключатель 110-220 кВ. Схема распределительная защит по трансформаторам тока и цепи напряжения ТП 407-03-509.88-ЭЗ-10-14 Секционный (шиносоединительный) выключатель 110-220 кВ. Схема полная защиты ТП 407-03-509.88-ЭЗ-15 Панель ЭПЗ1644-88. Схема общего вида ТП 407-03-509.88-ЭЗ-16-18 Панель ЭПЗ1644-88. Схема электрическая принципиальная (полная) ТП 407-03-509.88-ЭЗ-19 Панель ЭПЗ1644-88. Схема электрическая соединительная рядов зажимов |
| Разработан: | Энергосетьпроект Минэнерго СССР |
| Утверждён: | 09.08.1988 Минэнерго СССР (USSR Minenergo 16) |
| Расположен в: |





















