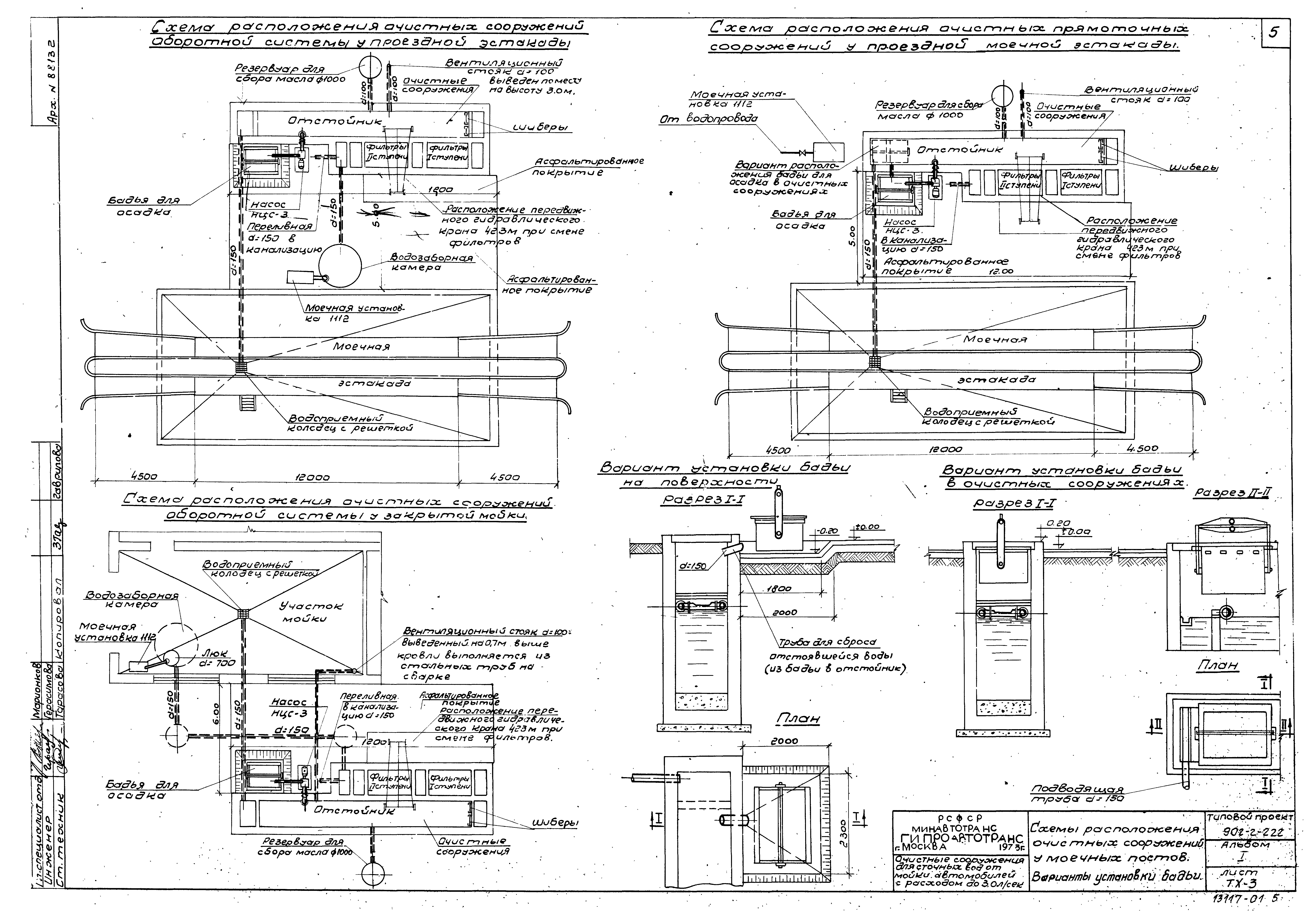
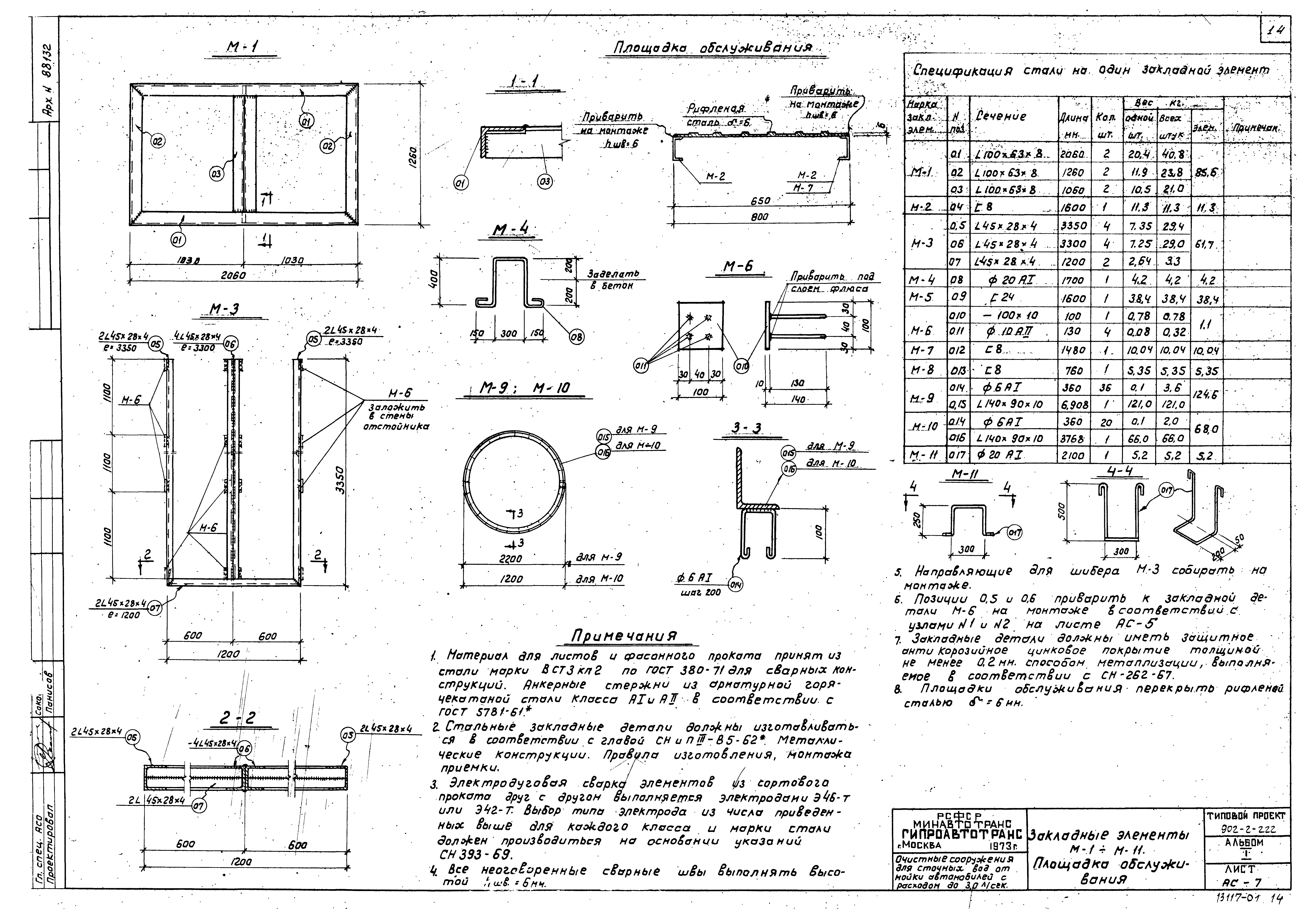
Скачать Типовой проект 902-2-222 Альбом I. Пояснительная записка. Технологические чертежи. Архитектурно-строительные чертежиДата актуализации: 10.08.2017 Типовой проект 902-2-222
Альбом I. Пояснительная записка. Технологические чертежи. Архитектурно-строительные чертежиОбозначение: | Типовой проект 902-2-222 | Обозначение англ: | 902-2-222 | Статус: | действует | Название рус.: | Альбом I. Пояснительная записка. Технологические чертежи. Архитектурно-строительные чертежи | Дата добавления в базу: | 01.09.2013 | Дата актуализации: | 05.05.2017 | Разработан: | Гипроавтотранс Минавтотранса РСФСР
| Утверждён: | 01.04.1974 Минавтотранс РСФСР (Russian Federation Minavtotrans 36)
| Расположен в: |
|
                
|