Скачать Типовой проект 902-5-39.87 Альбом I. Пояснительная записка, технологические решения, конструкции железобетонные, конструкции металлические, теплотехнические и электротехнические решения, технологический контрольДата актуализации: 10.08.2017 Типовой проект 902-5-39.87
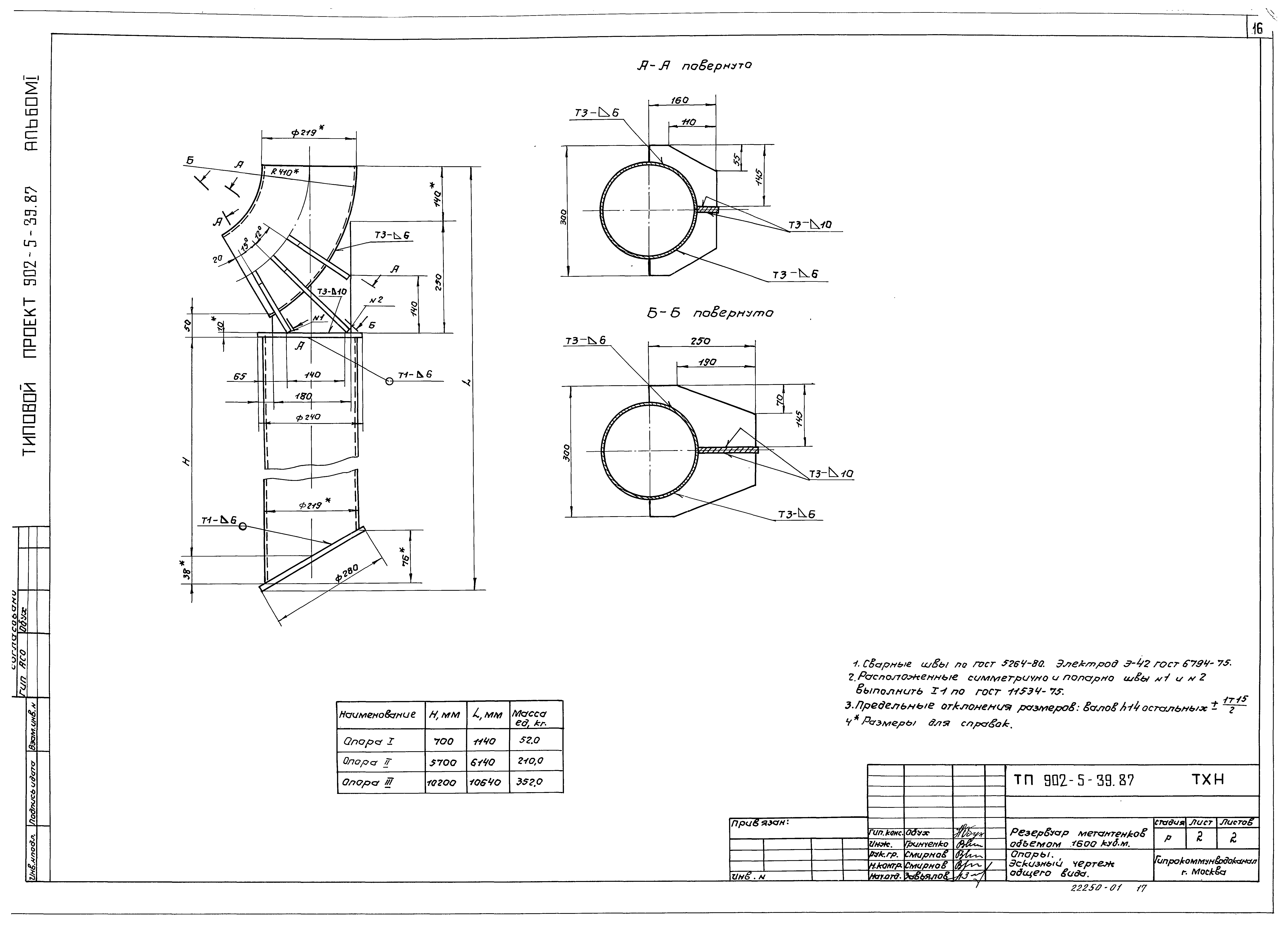
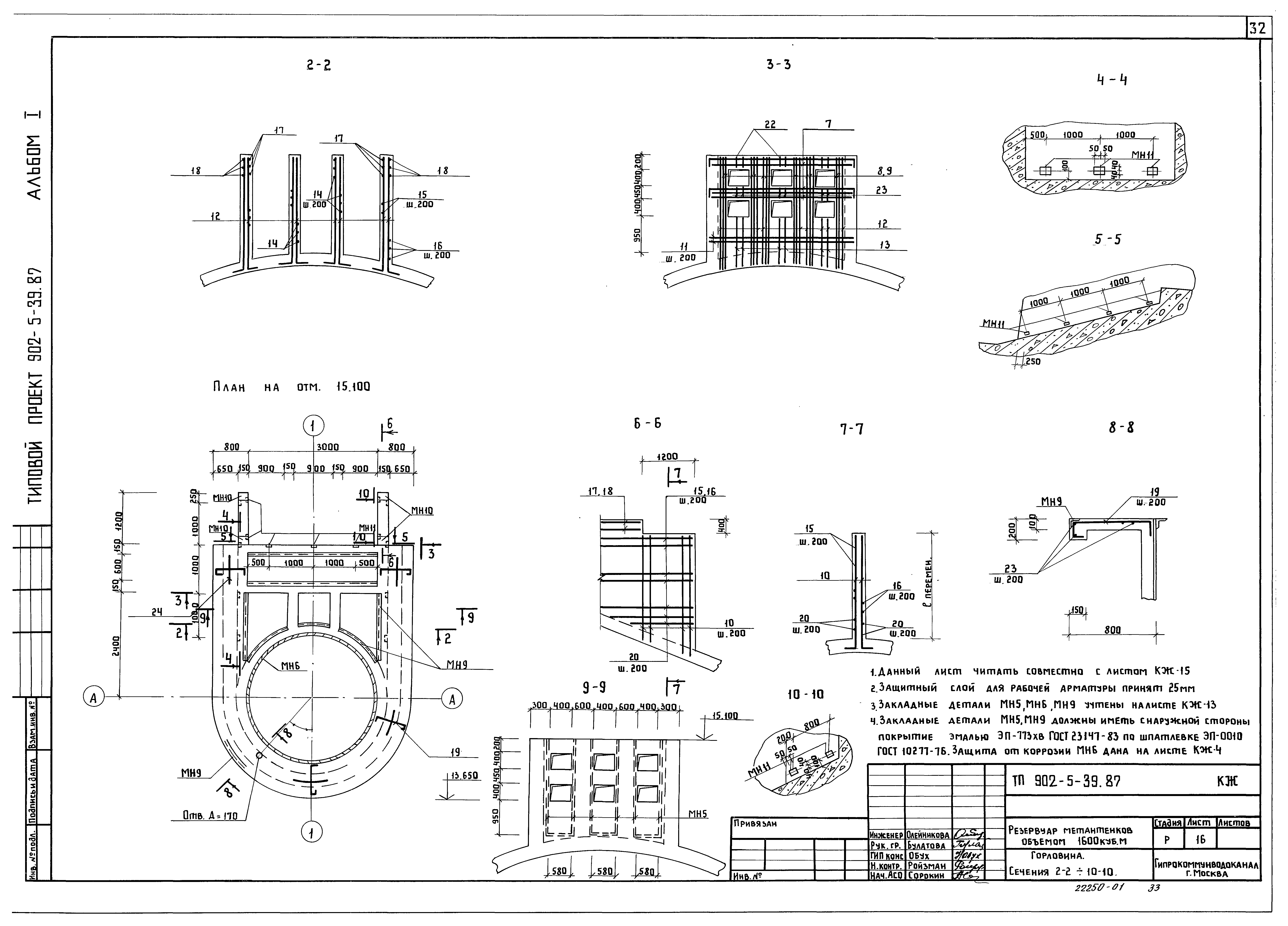
Альбом I. Пояснительная записка, технологические решения, конструкции железобетонные, конструкции металлические, теплотехнические и электротехнические решения, технологический контрольОбозначение: | Типовой проект 902-5-39.87 | Обозначение англ: | 902-5-39.87 | Статус: | не определен законодательством | Название рус.: | Альбом I. Пояснительная записка, технологические решения, конструкции железобетонные, конструкции металлические, теплотехнические и электротехнические решения, технологический контроль | Дата добавления в базу: | 01.09.2013 | Дата актуализации: | 05.05.2017 | Дата введения: | 13.05.1987 | Оглавление: | ТП 902-5-39.87 Содержание альбома ТП 902-5-39.87-ПЗ-1 Пояснительная записка (начало) ТП 902-5-39.87-ПЗ-2 Пояснительная записка (продолжение) ТП 902-5-39.87-ПЗ-3 Пояснительная записка (продолжение) ТП 902-5-39.87-ПЗ-4 Пояснительная записка (продолжение) ТП 902-5-39.87-ПЗ-5 Пояснительная записка (продолжение) ТП 902-5-39.87-ПЗ-6 Пояснительная записка (продолжение) ТП 902-5-39.87-ПЗ-7 Пояснительная записка (продолжение) ТП 902-5-39.87-ПЗ-8 Пояснительная записка (окончание) ТП 902-5-39.87-ТХ Технологические решения ТП 902-5-39.87-ТХ-1 Общие данные ТП 902-5-39.87-ТХ-2 План. Схема систем К5.1;К5.2;К5.3;К5.4;К5.5;К5.6;К5.7;Р1 ТП 902-5-39.87-ТХ-3 Разрез 1-1 и 2-2 ТП 902-5-39.87-ТХ-4 Спецификация систем К5.1;К5.2;К5.3;К5.4;К5.5;К5.6;К5.7;Р1 ТП 902-5-39.87-ТНХ-1 Затвор щитовой. Эскизный чертеж общего вида ТП 902-5-39.87-ТНХ-2 Опоры. Эскизный чертеж общего вида ТП 902-5-39.87-КЖ Конструкции железобетонные ТП 902-5-39.87-КЖ-1 Общие данные ТП 902-5-39.87-КЖ-2 Опалубка. Разрез 1-1;2-2 ТП 902-5-39.87-КЖ-3 Опалубка. Планы 3-3;4-4 ТП 902-5-39.87-КЖ-4 Развертка по наружным стенам. Узлы 1-3 ТП 902-5-39.87-КЖ-5 Армирование конусной части днища ТП 902-5-39.87-КЖ-6 Схема расположения поддерживающих каркасов днища КП1,КП2 ТП 902-5-39.87-КЖ-7 Схема расположения каркасов нижнего опорного кольца ТП 902-5-39.87-КЖ-8 Армирование покрытий ТП 902-5-39.87-КЖ-9 Схема расположения каркасов верхнего опорного кольца ТП 902-5-39.87-КЖ-10 Схема расположения вертикальных поддерживающих каркасов КП3-КП5 ТП 902-5-39.87-КЖ-11 Армирование днища и покрытия. Разрез ТП 902-5-39.87-КЖ-12 Армирование стен. Разрез. Узлы 1;2 ТП 902-5-39.87-КЖ-13 Развертки наружных и внутренних сеток стен и каркасов нижнего и верхнего опорных колец ТП 902-5-39.87-КЖ-14 Горловина. План. Сечение 1-1. Узел 1. Спецификация ТП 902-5-39.87-КЖ-14 Горловина. Сечения 2-2÷12-12 ТП 902-5-39.87-КЖ-15 Спецификация арматуры на резервуар ТП 902-5-39.87-КЖ-16 Фасады. Разрез. План. ТП 902-5-39.87-КМ Конструкции металлические ТП 902-5-39.87-КМ-1 Общие данные ТП 902-5-39.87-КМ-2 Техническая спецификация металла (начало) ТП 902-5-39.87-КМ-3 Техническая спецификация металла (окончание). Ведомость металлоконструкций по видам профилей ТП 902-5-39.87-КМ-4 Схема расположения металлических конструкций ТП 902-5-39.87-КМ-5 Схема расположения металлических конструкций. Лестница С1. Площадка ПМ1. Узлы 1-4 ТП 902-5-39.87-КМ-6 Схема расположения металлических конструкций. Узлы 5-8 ТП 902-5-39.87-КМ-7 Схема расположения металлических конструкций. Ведомость элементов ТП 902-5-39.87-КМ-8 Схема расположения металлических конструкций. Люк-лаз Л1 ТП 902-5-39.87-КМ-9 Схема расположения металлических конструкций. Крышка горловины КРМ1 ТП 902-5-39.87-КМ-10 Схема расположения металлических конструкций. Люк смотровой. Патрубок дыхательного клапана ТП 902-5-39.87-КМ-11 Схема расположения металлических конструкций. Лестница ЛМ1 ТП 902-5-39.87-ТМ Теплотехнические решения ТП 902-5-39.87-ТМ-1 Общие данные ТП 902-5-39.87-ТМ-2 План. Схема системы Т1.1. Сечение А-А ТП 902-5-39.87-ТМ-3 Разрезы 1-1;2-2 ТП 902-5-39.87-ЭО Электротехнические решения ТП 902-5-39.87-ЭО-1 Общие данные ТП 902-5-39.87-ЭО-2 Электроосвещение ТП 902-5-39.87-ЭО-3 Молниезащита ТП 902-5-39.87-ЭО.И.ВР,ВД,ВП Ведомость объемов электромонтажных работ. Ведомость конструкций и деталей, подлежащих изготовлению в МЭЗ. Ведомость изделий и материалов для изготовления конструкций и деталей в МЭЗ ТП 902-5-39.87-АНК Технический контроль ТП 902-5-39.87-АНК-1 Общие данные ТП 902-5-39.87-АНК-2 Схема функциональная и схема внешних электрических и трубных проводок ТП 902-5-39.87-АНК-3 План расположения средств автоматизации и проводок | Разработан: | Гипрокоммунводоканал Минжилкомхоза РСФСР
| Утверждён: | 13.05.1987 МЖКХ РСФСР (5-ТД)
| Расположен в: |
| Заменяет собой: | |
                                                     
|