Информационная система
«Ёшкин Кот»

Скачать базу одним архивом
Скачать обновления
История создания базы
Карта сайта

Скачать Типовой проект 902-2-384.85 Альбом III. Архитектурно-строительные решения. Конструкции железобетонные и металлические. Внутренние водопровод и канализация

Дата актуализации: 10.08.2017

Типовой проект 902-2-384.85

Альбом III. Архитектурно-строительные решения. Конструкции железобетонные и металлические. Внутренние водопровод и канализация

Обозначение: Типовой проект 902-2-384.85
Обозначение англ: 902-2-384.85
Статус:действует
Название рус.:Альбом III. Архитектурно-строительные решения. Конструкции железобетонные и металлические. Внутренние водопровод и канализация
Дата добавления в базу:01.09.2013
Дата актуализации:05.05.2017
Оглавление:ТП 902-2-384.85 Титульный лист
ТП 902-2-384.85 Содержание альбома
ТП 902-2-384.85-АР Архитектурно-строительные решения
ТП 902-2-384.85-АР-1 Общие данные
ТП 902-2-384.85-АР-2 Общие данные
ТП 902-2-384.85-АР-3 План, разрезы
ТП 902-2-384.85-АР-4 Фасады
ТП 902-2-384.85-АР-5 Фрагмент плана 1. Узлы 1-5
ТП 902-2-384.85-АР-6 Фрагмент плана 2. План отверстий. План закладных элементов
ТП 902-2-384.85 Конструкции железобетонные и металлические
ТП 902-2-384.85-КЖ-1 Общие данные. Схема расположения плит покрытия
ТП 902-2-384.85-КЖ-2 Схема расположения фундаментов. Сечения
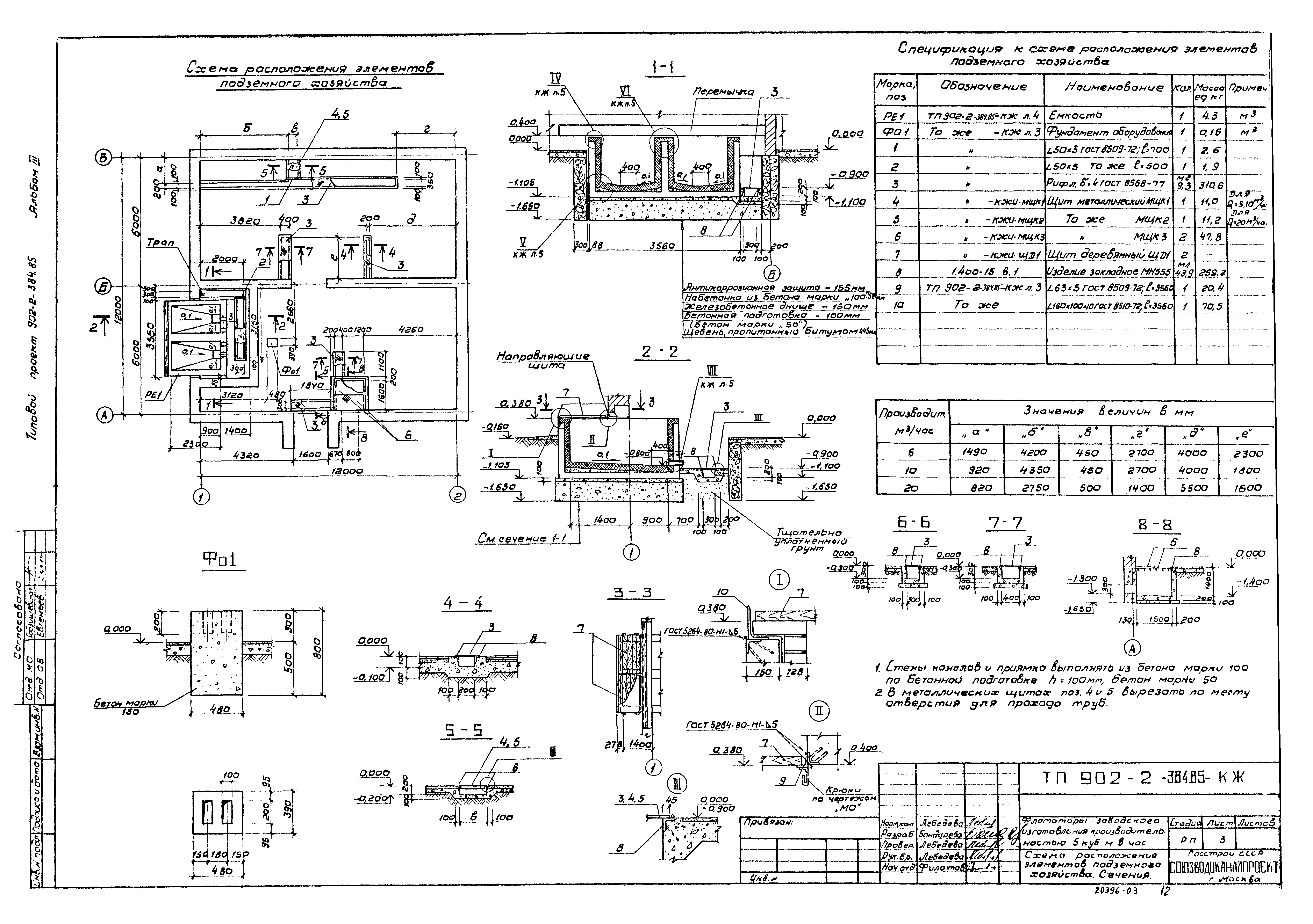
ТП 902-2-384.85-КЖ-3 Схема расположения элементов подземного хозяйства. Сечения
ТП 902-2-384.85-КЖ-4 Емкость РЕ1. Общий вид и схемы армирования
ТП 902-2-384.85-КЖ-5 Антикоррозионная защита емкости РЕ1. Узлы 4-8
ТП 902-2-384.85-КМ-1 Общие данные. Схема расположения пути подвесного крана
ТП 902-2-384.85-КМ-2 Схемы расположения стальных лестниц
ТП 902-2-384.85-ВК Внутренние водопровод и канализация
ТП 902-2-384.85-ВК-1 Общие данные. План. Схемы систем К1,К2,В1,Т3
Разработан: Союзводоканалпроект
Утверждён:26.12.1984 Госстрой СССР (Государственный комитет Совета Министров СССР по делам строительства) (USSR Gosstroy 40)
Расположен в:Техническая документация Строительство Справочные документы Типовые строительные конструкции, изделия и узлы Общероссийский строительный каталог Промышленные предприятия, здания и сооружения Здания и сооружения санитарно-технические Канализация Сооружения для очистки производственных сточных вод Флотаторы
Типовой проект 902-2-384.85Типовой проект 902-2-384.85Типовой проект 902-2-384.85Типовой проект 902-2-384.85Типовой проект 902-2-384.85Типовой проект 902-2-384.85Типовой проект 902-2-384.85Типовой проект 902-2-384.85Типовой проект 902-2-384.85Типовой проект 902-2-384.85Типовой проект 902-2-384.85Типовой проект 902-2-384.85Типовой проект 902-2-384.85Типовой проект 902-2-384.85Типовой проект 902-2-384.85Типовой проект 902-2-384.85Типовой проект 902-2-384.85

© 2013 Ёшкин Кот :-) Карта сайта