| ||||||||||||||||||||||||||
Скачать Типовые материалы для проектирования 407-03-537.89 Альбом 3. Пояснительная записка. Полные схемыДата актуализации: 10.08.2017
|
| Обозначение: | Типовые материалы для проектирования 407-03-537.89 |
| Обозначение англ: | 407-03-537.89 |
| Статус: | cправочные материалы, мп, тпр |
| Название рус.: | Альбом 3. Пояснительная записка. Полные схемы |
| Дата добавления в базу: | 01.09.2013 |
| Дата актуализации: | 05.05.2017 |
| Дата введения: | 15.06.1990 |
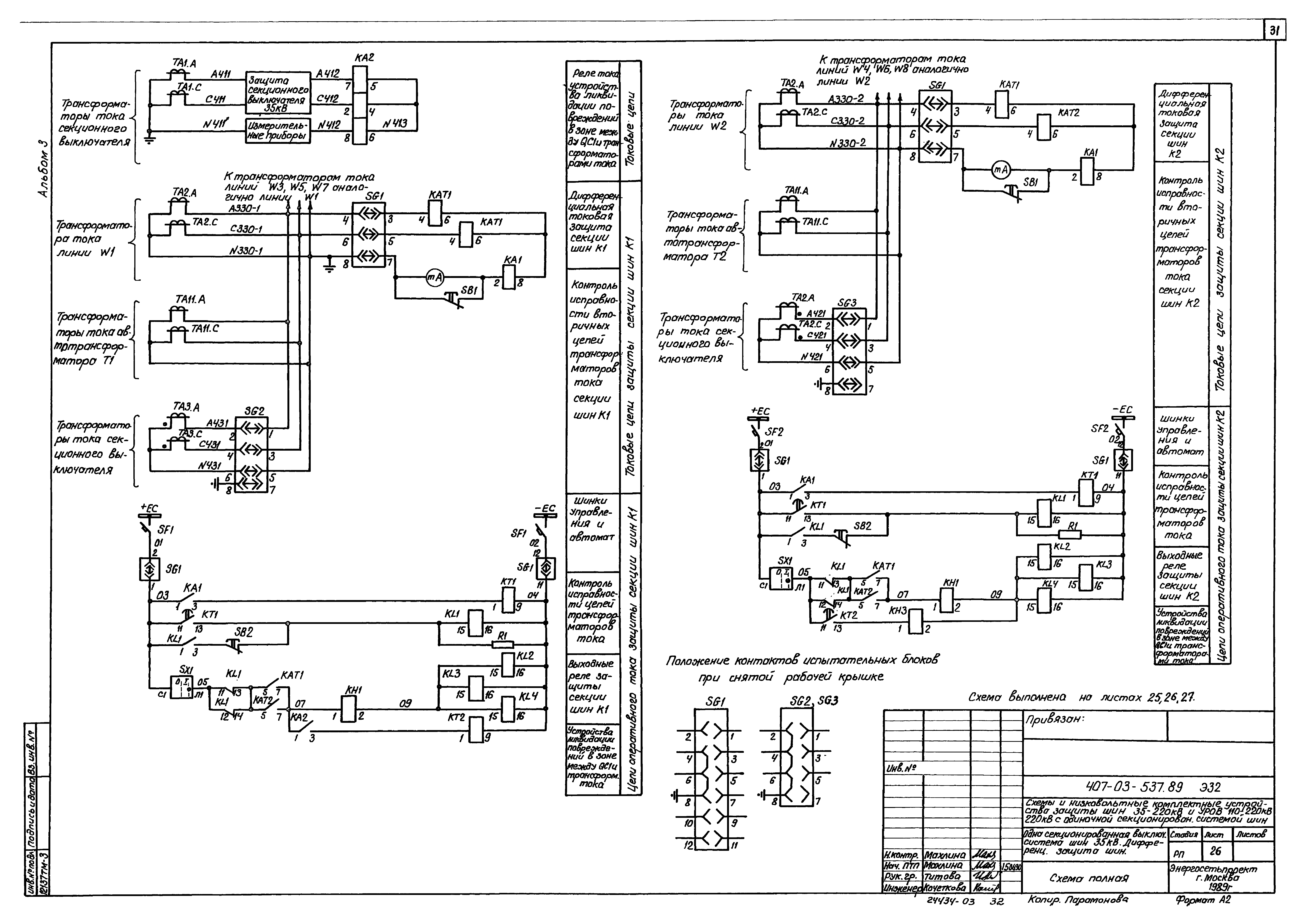
| Оглавление: | ТП 407-03-537.89-ЭЗ2-ПЗ Пояснительная записка ТП 407-03-537.89-ЭЗ2-1 Общие данные ТП 407-03-537.89-ЭЗ2-2 Таблица выбора чертежей и НКУ ТП 407-03-537.89-ЭЗ2-3 Одиночная секционированная выключателями система шин 110-220 кВ. Поясняющая схема ТП 407-03-537.89-ЭЗ2-4-9 Одиночная секционированная выключателями система шин 110-220 кВ УРОВ. Схема полная ТП 407-03-537.89-ЭЗ2-10 Одиночная секционированная выключателями система шин 110-220 кВ УРОВ. Схема подключения НКУ ТП 407-03-537.89-ЭЗ2-11-15 Одиночная секционированная система шин 110-220 кВ. Дифференциальная защита секции шин К1(К2) с одинаковыми коэффициентами трансформации трансформаторов тока. Схема полная ТП 407-03-537.89-ЭЗ2-16-17 Одиночная секционированная система шин 110-220 кВ. Дифференциальная защита секции шин К1(К2) с одинаковыми коэффициентами трансформации трансформаторов тока. Схема подключения НКУ ТП 407-03-537.89-ЭЗ2-18-22 Одиночная секционированная система шин 110-220 кВ. Дифференциальная защита секции шин К1(К2) с разными коэффициентами трансформации трансформаторов тока. Схема полная ТП 407-03-537.89-ЭЗ2-23-24 Одиночная секционированная система шин 110-220 кВ. Дифференциальная защита секции шин К1(К2) с разными коэффициентами трансформации трансформаторов тока ТП 407-03-537.89-ЭЗ2-25-26 Схема подключения НКУ ТП 407-03-537.89-ЭЗ2-25-27 Одиночная секционированная система шин 35 кВ. Дифференциальная защита секции шин К1(К2). Схема полная ТП 407-03-537.89-ЭЗ2-28 Одиночная секционированная система шин 35 кВ. Дифференциальная защита секции шин К1(К2). Схема подключения НКУ |
| Разработан: | Энергосетьпроект |
| Утверждён: | 15.06.1990 Минэнерго СССР (USSR Minenergo 39) |
| Расположен в: |

































