| ||||||||||||||||||||||||||
Скачать Типовые материалы для проектирования 407-03-577.90 Альбом 1. Схемы и низковольтные комплектные устройства автоматики прекращения асинхронного ходаДата актуализации: 10.08.2017
|
| Обозначение: | Типовые материалы для проектирования 407-03-577.90 |
| Обозначение англ: | 407-03-577.90 |
| Статус: | cправочные материалы, мп, тпр |
| Название рус.: | Альбом 1. Схемы и низковольтные комплектные устройства автоматики прекращения асинхронного хода |
| Дата добавления в базу: | 01.09.2013 |
| Дата актуализации: | 05.05.2017 |
| Дата введения: | 06.08.1990 |
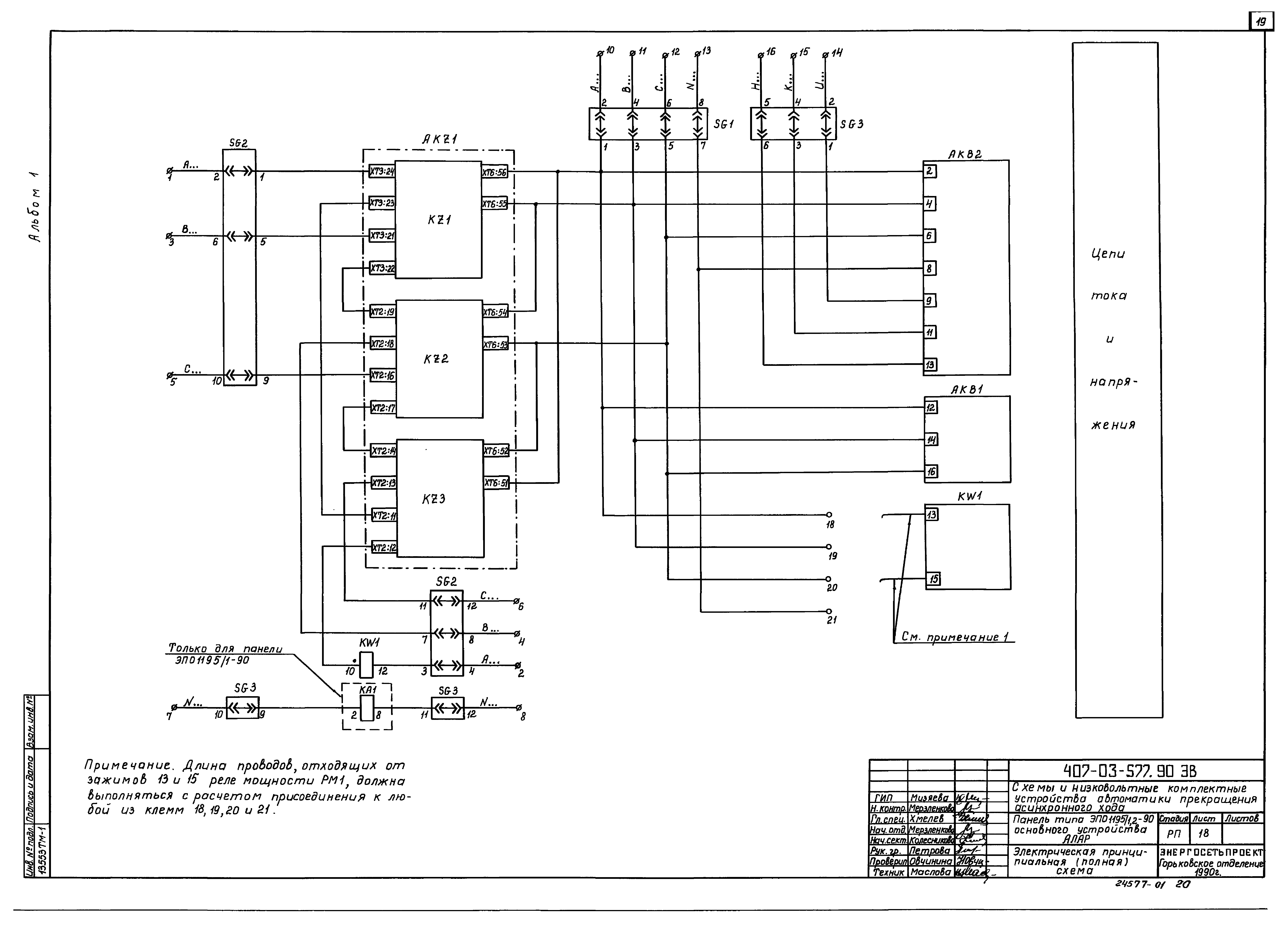
| Оглавление: | ТП 407-03-577.90-ЭВ-1 Общие данные ТП 407-03-577.90-ЭВ-2-7 Цепи основного устройства АЛАР. Схема полная ТП 407-03-577.90-ЭВ-8-11 Цепи резервного устройства АЛАР (Ином=220В). Схема полная ТП 407-03-577.90-ЭВ-12-15 Цепи резервного устройства АЛАР (Ином=110В). Схема полная ТП 407-03-577.90-ЭВ-16-17 Панель типа ЭПО1195/1.2-90 основного устройства АЛАР. Чертеж общего вида ТП 407-03-577.90-ЭВ-18-21 Панель типа ЭПО1195/1.2-90 основного устройства АЛАР. Электрическая принципиальная (полная) схема ТП 407-03-577.90-ЭВ-22-23 Панель типа ЭПО1195/1.2-90 основного устройства АЛАР. Схема электрическая соединений рядов зажимов ТП 407-03-577.90-ЭВ-24 Панель типа ЭПО1196/1.2-90 резервного устройства АЛАР. Чертеж общего вида ТП 407-03-577.90-ЭВ-25-26 Панель типа ЭПО1196/1.2-90 резервного устройства АЛАР. Электрическая принципиальная (полная) схема ТП 407-03-577.90-ЭВ-27 Панель типа ЭПО1196/1.2-90 резервного устройства АЛАР. Схема электрическая соединений рядов зажимов |
| Разработан: | Горьковское отделение института Энергосетьпроект Минэнерго СССР |
| Утверждён: | 06.08.1990 Минэнерго СССР (USSR Minenergo 44) |
| Расположен в: |




























