| 
 | ||||||||||||||||||||||||||
| 
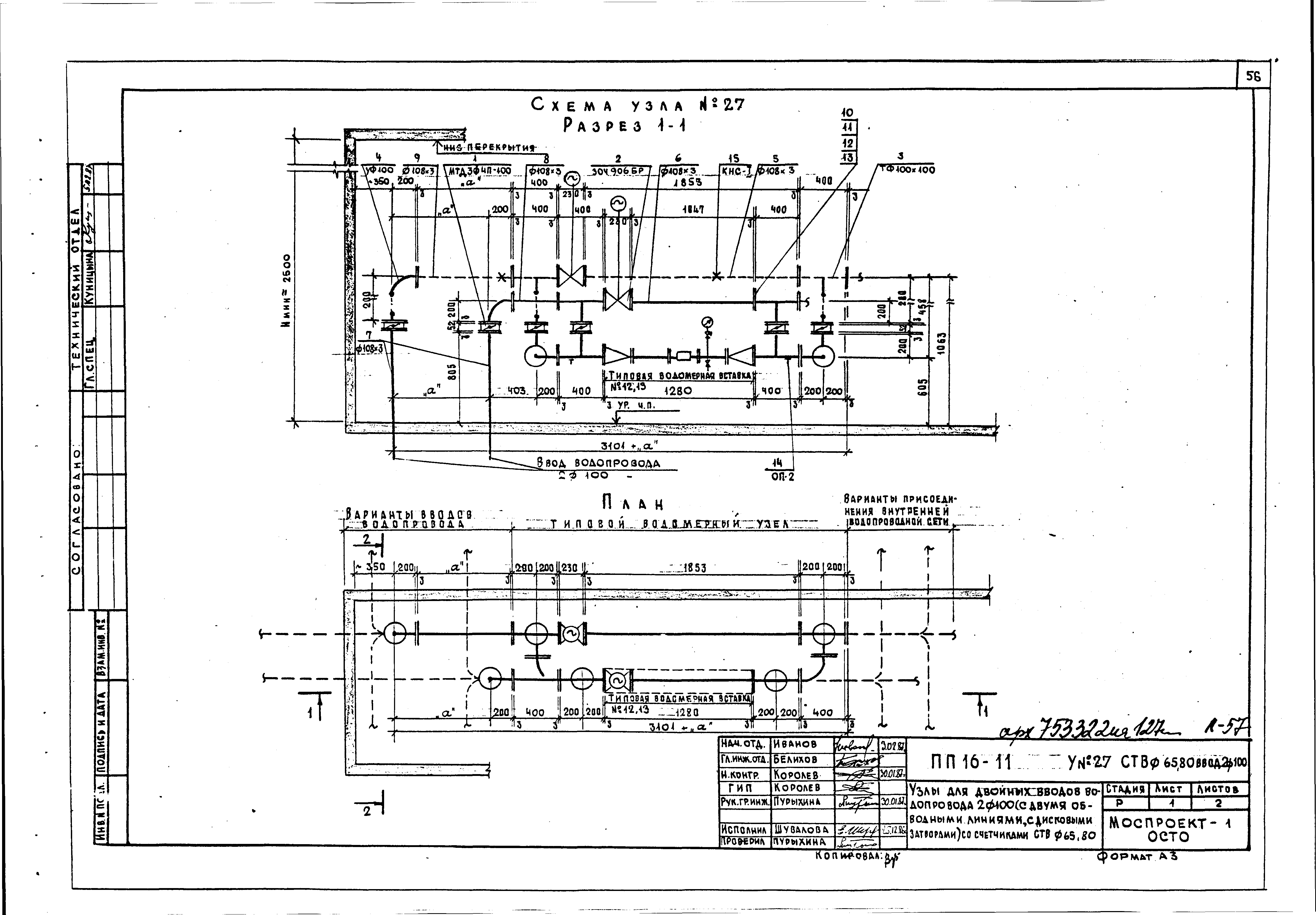
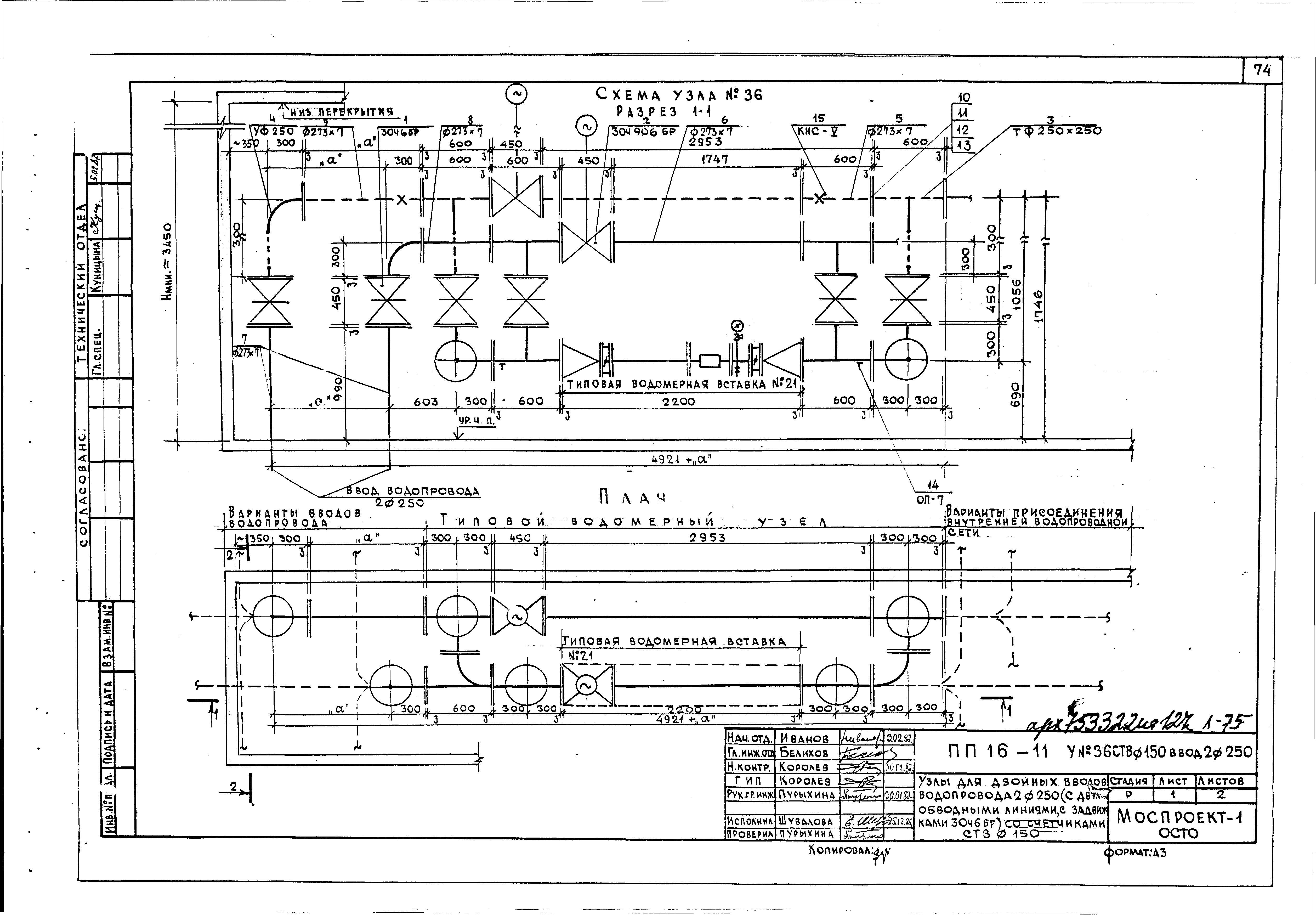
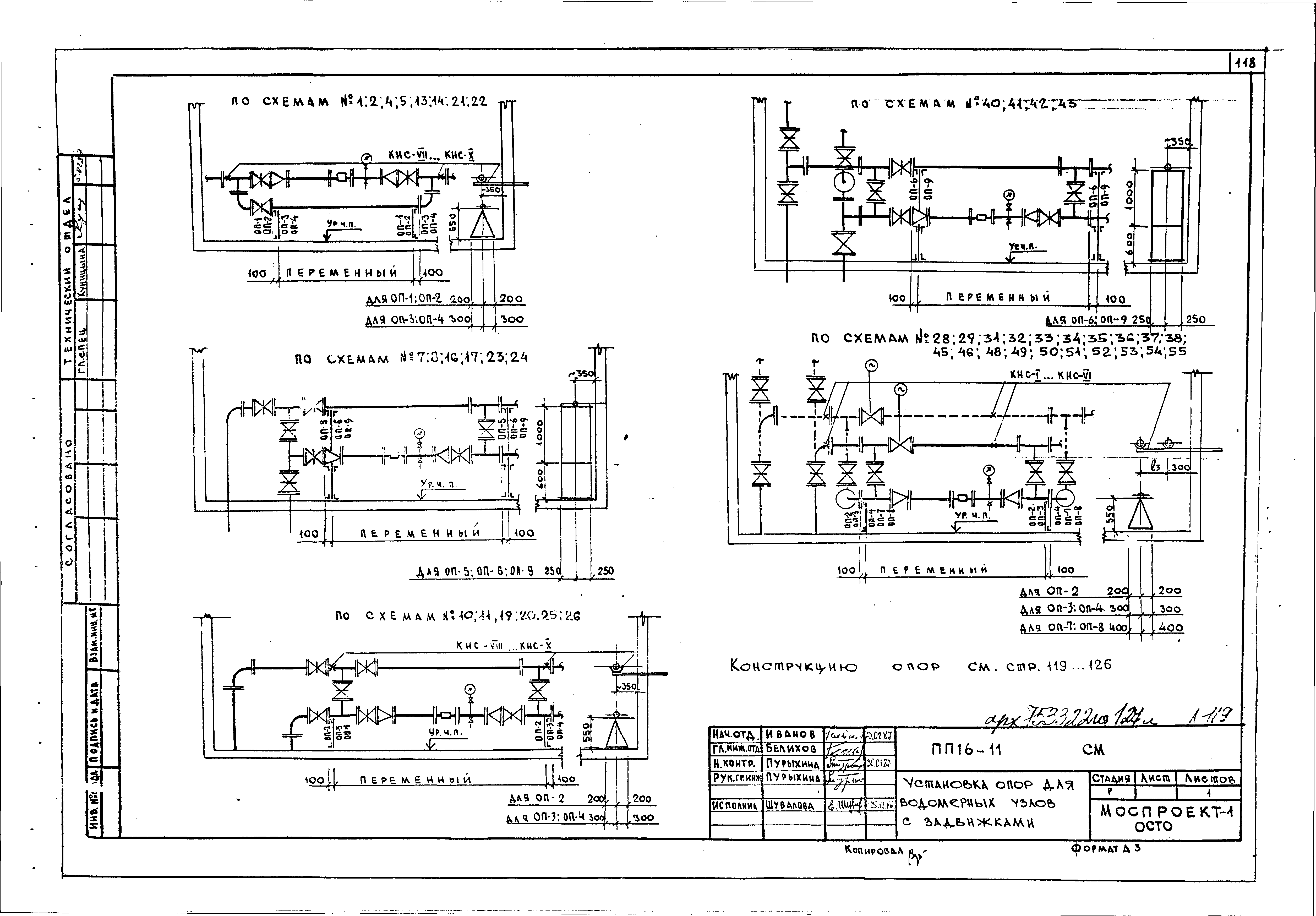
 Скачать Альбом ПП 16-11 Водомерные узлы со счетчиками ВСКМ и СТВДата актуализации: 10.08.2017
 | 
| Обозначение: |  Альбом ПП 16-11 | 
| Обозначение англ: |  ПП 16-11 | 
| Статус: | не определен законодательством | 
| Название рус.: | Водомерные узлы со счетчиками "ВСКМ" и "СТВ" | 
| Дата добавления в базу: | 01.09.2013 | 
| Дата актуализации: | 05.05.2017 | 
| Дата введения: | 29.12.1986 | 
| Разработан: | Моспроект-1 | 
| Утверждён: | 29.12.1986 Моспроект-1 (404) | 
| Принят: | Мосводопровод | 
| Расположен в: | 






























































































































