Информационная система
«Ёшкин Кот»

Скачать базу одним архивом
Скачать обновления
История создания базы
Карта сайта

Скачать Типовой проект 904-1-51 Альбом 11. Сметы для 4 компрессоров

Дата актуализации: 10.08.2017

Типовой проект 904-1-51

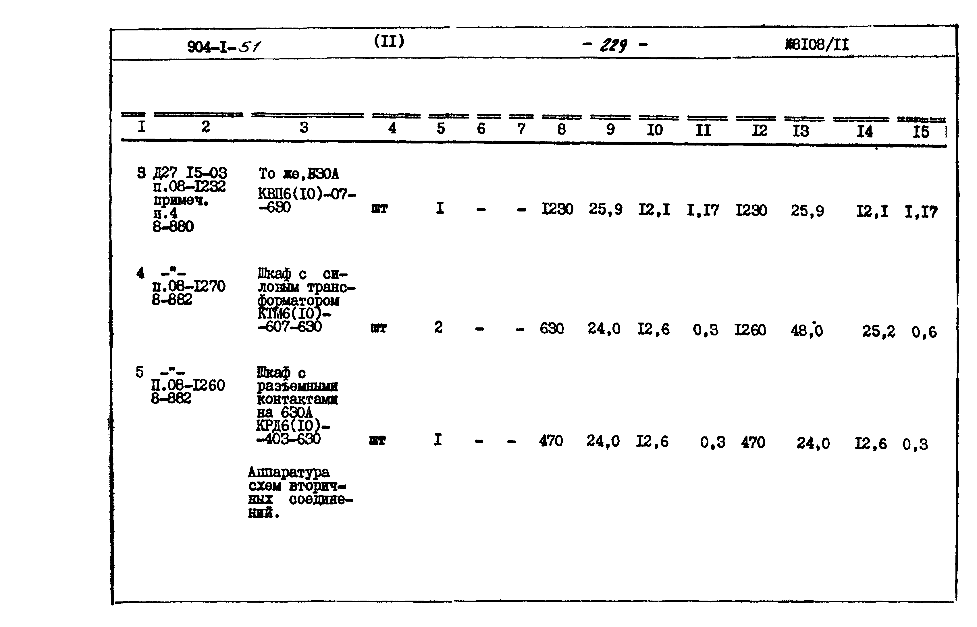
Альбом 11. Сметы для 4 компрессоров

Обозначение: Типовой проект 904-1-51
Обозначение англ: 904-1-51
Статус:действует
Название рус.:Альбом 11. Сметы для 4 компрессоров
Дата добавления в базу:01.09.2013
Дата актуализации:05.05.2017
Дата введения:01.05.1982
Оглавление:ТП 904-1-51 Пояснительная записка
ТП 904-1-51 Объектная смета
I. Общестроительные работы
ТП 904-1-51 Смета № 1. Общестроительные работы по основному корпусу со встроенными бытовыми помещениями для района с расчетной наружной температурой - 30ºС
ТП 904-1-51 Смета № 2. Общестроительные работы по основному корпусу со встроенными бытовыми помещениями для района с расчетной наружной температурой - 20ºС
ТП 904-1-51 Смета № 3. Общестроительные работы по основному корпусу со встроенными бытовыми помещениями для района с расчетной наружной температурой - 40ºС
ТП 904-1-51 Смета № 4. Общестроительные работы по подземному хозяйству и фундаментам под оборудование
ТП 904-1-51 Смета № 5. Общестроительные работы по открытой площадке у оси "В"
ТП 904-1-51 Смета № 6. Общестроительные работы по пристроенной трансформаторной подстанции
ТП 904-1-51 Сводная ведомость потребности в производственных ресурсах на строительство компрессорной станции 4(3)К-120А для района с расчетной наружной температурой -30ºС
ТП 904-1-51 Калькуляция стоимости изделий неучтенных ценником поясных сметных цен на местные строительные материалы
II. Отопление
ТП 904-1-51 Смета № 7. Санитарно-техническое оборудование для района с расчетной наружной температурой -30ºС;-20ºС;-40ºС
ТП 904-1-51 Смета № 8. Санитарно-технические работы для района с расчетной наружной температурой - 30ºС
ТП 904-1-51 Смета № 9. Санитарно-технические работы для района с расчетной наружной температурой - 20ºС
ТП 904-1-51 Смета № 10. Санитарно-технические работы для района с расчетной наружной температурой - 40ºС
ТП 904-1-51 Смета № 11. Общестроительные работы для района с расчетной наружной температурой - 30ºС
ТП 904-1-51 Смета № 12. Оборудование и монтаж для района с расчетной наружной температурой -30ºС;-20ºС;-40ºС
III. Вентиляция
ТП 904-1-51 Смета № 13. Санитарно-техническое оборудование для района с расчетной наружной температурой -30ºС;-20ºС;-40ºС
ТП 904-1-51 Смета № 14. Санитарно-технические работы для района с расчетной наружной температурой -30ºС;-20ºС;-40ºС
ТП 904-1-51 Смета № 15. Общестроительные работы для района с расчетной наружной температурой -30ºС;-20ºС;-40ºС
ТП 904-1-51 Смета № 16. Оборудование и монтаж для района с расчетной наружной температурой -30ºС;-20ºС;-40ºС
IV. Производственное пароснабжение
ТП 904-1-51 Смета № 17. Санитарно-технические работы для района с расчетной наружной температурой -30ºС;-20ºС;-40ºС
ТП 904-1-51 Смета № 18. Общестроительные работы для района с расчетной наружной температурой -30ºС;-20ºС;-40ºС
V. Санитарно-технические работы по водопроводу и канализации
ТП 904-1-51 Смета № 19. Водопровод хозяйственно-питьевой
ТП 904-1-51 Смета № 20. Водопровод производственно-противопожарный
ТП 904-1-51 Смета № 21. Горячее водоснабжение
ТП 904-1-51 Смета № 22. Канализация бытовая
ТП 904-1-51 Смета № 23. Канализация производственная
ТП 904-1-51 Смета № 24. Насосная станция
ТП 904-1-51 Сводная ведомость потребности в производственных ресурсах на строительство компрессорной станции 4(3)К-120А для района с расчетной температурой -30ºС
VI. Технологическая часть
ТП 904-1-51 Смета № 1-ТХ. Приобретение и монтаж технологического оборудования
ТП 904-1-51 Смета № 2-ТХ. Приобретение и монтаж технологических трубопроводов и арматуры
ТП 904-1-51 Смета № 3-ТХ. Металлоконструкции
ТП 904-1-51 Смета № 4-ТХ. Особостроительные работы
ТП 904-1-51 Сметный расчет № 5-ТХ. Приобретение приспособлений производственного и хозяйственного инвентаря
VII. Электротехническая часть
ТП 904-1-51 Смета № 1-ЭС. Приобретение и монтаж оборудования распредустройства вариант 6кВ (10кВ)
ТП 904-1-51 Смета № 1-ЭМ. Приобретение и монтаж электрооборудования
ТП 904-1-51 Смета № 2-ЭМ. Приобретение и монтаж силового электрооборудования вариант 6 кВ (10 кВ)
ТП 904-1-51 Смета № 1-ЭО. Приобретение и монтаж электроосвещения
ТП 904-1-51 Смета № 1-СС. Приобретение и монтаж оборудования сетей связи сигнализации
VIII. КИП и автоматика
ТП 904-1-51 Смета № 1-А. Приобретение и монтаж КИП и средств автоматизации
Разработан: Ростовский Промстройниипроект Госстроя СССР
Гипростройдормаш
Утверждён:30.03.1982 Минстройдормаш (Minstroydormash 1/82)
Расположен в:Техническая документация Строительство Справочные документы Типовые строительные конструкции, изделия и узлы Общероссийский строительный каталог Промышленные предприятия, здания и сооружения Здания и сооружения санитарно-технические Воздухоснабжение, вентиляция и кондиционирование воздуха Воздухоснабжение
Типовой проект 904-1-51Типовой проект 904-1-51Типовой проект 904-1-51Типовой проект 904-1-51Типовой проект 904-1-51Типовой проект 904-1-51Типовой проект 904-1-51Типовой проект 904-1-51Типовой проект 904-1-51Типовой проект 904-1-51Типовой проект 904-1-51Типовой проект 904-1-51Типовой проект 904-1-51Типовой проект 904-1-51Типовой проект 904-1-51Типовой проект 904-1-51Типовой проект 904-1-51Типовой проект 904-1-51Типовой проект 904-1-51Типовой проект 904-1-51Типовой проект 904-1-51Типовой проект 904-1-51Типовой проект 904-1-51Типовой проект 904-1-51Типовой проект 904-1-51Типовой проект 904-1-51Типовой проект 904-1-51Типовой проект 904-1-51Типовой проект 904-1-51Типовой проект 904-1-51Типовой проект 904-1-51Типовой проект 904-1-51Типовой проект 904-1-51Типовой проект 904-1-51Типовой проект 904-1-51Типовой проект 904-1-51Типовой проект 904-1-51Типовой проект 904-1-51Типовой проект 904-1-51Типовой проект 904-1-51Типовой проект 904-1-51Типовой проект 904-1-51Типовой проект 904-1-51Типовой проект 904-1-51Типовой проект 904-1-51Типовой проект 904-1-51Типовой проект 904-1-51Типовой проект 904-1-51Типовой проект 904-1-51Типовой проект 904-1-51Типовой проект 904-1-51Типовой проект 904-1-51Типовой проект 904-1-51Типовой проект 904-1-51Типовой проект 904-1-51Типовой проект 904-1-51Типовой проект 904-1-51Типовой проект 904-1-51Типовой проект 904-1-51Типовой проект 904-1-51Типовой проект 904-1-51Типовой проект 904-1-51Типовой проект 904-1-51Типовой проект 904-1-51Типовой проект 904-1-51Типовой проект 904-1-51Типовой проект 904-1-51Типовой проект 904-1-51Типовой проект 904-1-51Типовой проект 904-1-51Типовой проект 904-1-51Типовой проект 904-1-51Типовой проект 904-1-51Типовой проект 904-1-51Типовой проект 904-1-51Типовой проект 904-1-51Типовой проект 904-1-51Типовой проект 904-1-51Типовой проект 904-1-51Типовой проект 904-1-51Типовой проект 904-1-51Типовой проект 904-1-51Типовой проект 904-1-51Типовой проект 904-1-51Типовой проект 904-1-51Типовой проект 904-1-51Типовой проект 904-1-51Типовой проект 904-1-51Типовой проект 904-1-51Типовой проект 904-1-51Типовой проект 904-1-51Типовой проект 904-1-51Типовой проект 904-1-51Типовой проект 904-1-51Типовой проект 904-1-51Типовой проект 904-1-51Типовой проект 904-1-51Типовой проект 904-1-51Типовой проект 904-1-51Типовой проект 904-1-51Типовой проект 904-1-51Типовой проект 904-1-51Типовой проект 904-1-51Типовой проект 904-1-51Типовой проект 904-1-51Типовой проект 904-1-51Типовой проект 904-1-51Типовой проект 904-1-51Типовой проект 904-1-51Типовой проект 904-1-51Типовой проект 904-1-51Типовой проект 904-1-51Типовой проект 904-1-51Типовой проект 904-1-51Типовой проект 904-1-51Типовой проект 904-1-51Типовой проект 904-1-51Типовой проект 904-1-51Типовой проект 904-1-51Типовой проект 904-1-51Типовой проект 904-1-51Типовой проект 904-1-51Типовой проект 904-1-51Типовой проект 904-1-51Типовой проект 904-1-51Типовой проект 904-1-51Типовой проект 904-1-51Типовой проект 904-1-51Типовой проект 904-1-51Типовой проект 904-1-51Типовой проект 904-1-51Типовой проект 904-1-51Типовой проект 904-1-51Типовой проект 904-1-51Типовой проект 904-1-51Типовой проект 904-1-51Типовой проект 904-1-51Типовой проект 904-1-51Типовой проект 904-1-51Типовой проект 904-1-51Типовой проект 904-1-51Типовой проект 904-1-51Типовой проект 904-1-51Типовой проект 904-1-51Типовой проект 904-1-51Типовой проект 904-1-51Типовой проект 904-1-51Типовой проект 904-1-51Типовой проект 904-1-51Типовой проект 904-1-51Типовой проект 904-1-51Типовой проект 904-1-51Типовой проект 904-1-51Типовой проект 904-1-51Типовой проект 904-1-51Типовой проект 904-1-51Типовой проект 904-1-51Типовой проект 904-1-51Типовой проект 904-1-51Типовой проект 904-1-51Типовой проект 904-1-51Типовой проект 904-1-51Типовой проект 904-1-51Типовой проект 904-1-51Типовой проект 904-1-51Типовой проект 904-1-51Типовой проект 904-1-51Типовой проект 904-1-51Типовой проект 904-1-51Типовой проект 904-1-51Типовой проект 904-1-51Типовой проект 904-1-51Типовой проект 904-1-51Типовой проект 904-1-51Типовой проект 904-1-51Типовой проект 904-1-51Типовой проект 904-1-51Типовой проект 904-1-51Типовой проект 904-1-51Типовой проект 904-1-51Типовой проект 904-1-51Типовой проект 904-1-51Типовой проект 904-1-51Типовой проект 904-1-51Типовой проект 904-1-51Типовой проект 904-1-51Типовой проект 904-1-51Типовой проект 904-1-51Типовой проект 904-1-51Типовой проект 904-1-51Типовой проект 904-1-51Типовой проект 904-1-51Типовой проект 904-1-51Типовой проект 904-1-51Типовой проект 904-1-51Типовой проект 904-1-51Типовой проект 904-1-51Типовой проект 904-1-51Типовой проект 904-1-51Типовой проект 904-1-51Типовой проект 904-1-51Типовой проект 904-1-51Типовой проект 904-1-51Типовой проект 904-1-51Типовой проект 904-1-51Типовой проект 904-1-51Типовой проект 904-1-51Типовой проект 904-1-51Типовой проект 904-1-51Типовой проект 904-1-51Типовой проект 904-1-51Типовой проект 904-1-51Типовой проект 904-1-51Типовой проект 904-1-51Типовой проект 904-1-51Типовой проект 904-1-51Типовой проект 904-1-51Типовой проект 904-1-51Типовой проект 904-1-51Типовой проект 904-1-51Типовой проект 904-1-51Типовой проект 904-1-51Типовой проект 904-1-51Типовой проект 904-1-51Типовой проект 904-1-51Типовой проект 904-1-51Типовой проект 904-1-51Типовой проект 904-1-51Типовой проект 904-1-51Типовой проект 904-1-51Типовой проект 904-1-51Типовой проект 904-1-51Типовой проект 904-1-51Типовой проект 904-1-51Типовой проект 904-1-51Типовой проект 904-1-51Типовой проект 904-1-51Типовой проект 904-1-51Типовой проект 904-1-51Типовой проект 904-1-51Типовой проект 904-1-51Типовой проект 904-1-51Типовой проект 904-1-51Типовой проект 904-1-51Типовой проект 904-1-51Типовой проект 904-1-51Типовой проект 904-1-51Типовой проект 904-1-51Типовой проект 904-1-51Типовой проект 904-1-51Типовой проект 904-1-51Типовой проект 904-1-51Типовой проект 904-1-51Типовой проект 904-1-51Типовой проект 904-1-51Типовой проект 904-1-51Типовой проект 904-1-51Типовой проект 904-1-51Типовой проект 904-1-51Типовой проект 904-1-51Типовой проект 904-1-51Типовой проект 904-1-51Типовой проект 904-1-51Типовой проект 904-1-51Типовой проект 904-1-51Типовой проект 904-1-51Типовой проект 904-1-51Типовой проект 904-1-51Типовой проект 904-1-51Типовой проект 904-1-51Типовой проект 904-1-51Типовой проект 904-1-51Типовой проект 904-1-51Типовой проект 904-1-51Типовой проект 904-1-51Типовой проект 904-1-51Типовой проект 904-1-51Типовой проект 904-1-51Типовой проект 904-1-51Типовой проект 904-1-51Типовой проект 904-1-51Типовой проект 904-1-51Типовой проект 904-1-51Типовой проект 904-1-51Типовой проект 904-1-51Типовой проект 904-1-51Типовой проект 904-1-51Типовой проект 904-1-51Типовой проект 904-1-51Типовой проект 904-1-51Типовой проект 904-1-51Типовой проект 904-1-51Типовой проект 904-1-51Типовой проект 904-1-51Типовой проект 904-1-51Типовой проект 904-1-51Типовой проект 904-1-51Типовой проект 904-1-51Типовой проект 904-1-51Типовой проект 904-1-51Типовой проект 904-1-51Типовой проект 904-1-51Типовой проект 904-1-51Типовой проект 904-1-51Типовой проект 904-1-51Типовой проект 904-1-51Типовой проект 904-1-51Типовой проект 904-1-51Типовой проект 904-1-51Типовой проект 904-1-51Типовой проект 904-1-51Типовой проект 904-1-51Типовой проект 904-1-51Типовой проект 904-1-51Типовой проект 904-1-51Типовой проект 904-1-51Типовой проект 904-1-51Типовой проект 904-1-51Типовой проект 904-1-51Типовой проект 904-1-51Типовой проект 904-1-51Типовой проект 904-1-51Типовой проект 904-1-51Типовой проект 904-1-51Типовой проект 904-1-51Типовой проект 904-1-51Типовой проект 904-1-51Типовой проект 904-1-51Типовой проект 904-1-51Типовой проект 904-1-51Типовой проект 904-1-51Типовой проект 904-1-51Типовой проект 904-1-51Типовой проект 904-1-51Типовой проект 904-1-51Типовой проект 904-1-51Типовой проект 904-1-51Типовой проект 904-1-51Типовой проект 904-1-51Типовой проект 904-1-51Типовой проект 904-1-51Типовой проект 904-1-51Типовой проект 904-1-51Типовой проект 904-1-51Типовой проект 904-1-51Типовой проект 904-1-51Типовой проект 904-1-51Типовой проект 904-1-51Типовой проект 904-1-51Типовой проект 904-1-51Типовой проект 904-1-51Типовой проект 904-1-51Типовой проект 904-1-51Типовой проект 904-1-51Типовой проект 904-1-51Типовой проект 904-1-51Типовой проект 904-1-51Типовой проект 904-1-51Типовой проект 904-1-51Типовой проект 904-1-51Типовой проект 904-1-51Типовой проект 904-1-51Типовой проект 904-1-51Типовой проект 904-1-51Типовой проект 904-1-51Типовой проект 904-1-51Типовой проект 904-1-51

© 2013 Ёшкин Кот :-) Карта сайта